Yamaha R6 Intake Valve Diameter . View and download yamaha r6 2009 service manual online. R6 2009 motorcycle pdf manual download. I can fit most of them in the intake (again it's hard for me to tell because i have to push them all in a bit, none of them easily slide in) but 15 mm seems to. For most models, the intake valve clearances should be between 0.12mm and 0.19mm, and the exhaust valve clearances should be between 0.16mm and 0.23mm.
from www.blibli.com
R6 2009 motorcycle pdf manual download. For most models, the intake valve clearances should be between 0.12mm and 0.19mm, and the exhaust valve clearances should be between 0.16mm and 0.23mm. View and download yamaha r6 2009 service manual online. I can fit most of them in the intake (again it's hard for me to tell because i have to push them all in a bit, none of them easily slide in) but 15 mm seems to.
Promo Yzf R6 Spring Valve Intake Dan Exhaust Racing Original Yamaha
Yamaha R6 Intake Valve Diameter View and download yamaha r6 2009 service manual online. I can fit most of them in the intake (again it's hard for me to tell because i have to push them all in a bit, none of them easily slide in) but 15 mm seems to. For most models, the intake valve clearances should be between 0.12mm and 0.19mm, and the exhaust valve clearances should be between 0.16mm and 0.23mm. R6 2009 motorcycle pdf manual download. View and download yamaha r6 2009 service manual online.
From www.ebay.com.au
1Pair Intake Exhaust Valves for Yamaha YZFR6 YZFR6R R6 RaceBase 2006 Yamaha R6 Intake Valve Diameter View and download yamaha r6 2009 service manual online. I can fit most of them in the intake (again it's hard for me to tell because i have to push them all in a bit, none of them easily slide in) but 15 mm seems to. R6 2009 motorcycle pdf manual download. For most models, the intake valve clearances should. Yamaha R6 Intake Valve Diameter.
From www.denniswinter.com
ProX Titanium Intake Valve Yamaha R6 0608 Off Road from Dennis Yamaha R6 Intake Valve Diameter R6 2009 motorcycle pdf manual download. For most models, the intake valve clearances should be between 0.12mm and 0.19mm, and the exhaust valve clearances should be between 0.16mm and 0.23mm. View and download yamaha r6 2009 service manual online. I can fit most of them in the intake (again it's hard for me to tell because i have to push. Yamaha R6 Intake Valve Diameter.
From www.ebay.com
8 Pairs Intake Exhaust Valves for Yamaha YZF R6 2C0121110000 13S Yamaha R6 Intake Valve Diameter View and download yamaha r6 2009 service manual online. I can fit most of them in the intake (again it's hard for me to tell because i have to push them all in a bit, none of them easily slide in) but 15 mm seems to. R6 2009 motorcycle pdf manual download. For most models, the intake valve clearances should. Yamaha R6 Intake Valve Diameter.
From www.ebay.com
8Pairs Intake Exhaust Valves for Yamaha YZF R6 R6 RaceBase 0611 2C0 Yamaha R6 Intake Valve Diameter View and download yamaha r6 2009 service manual online. For most models, the intake valve clearances should be between 0.12mm and 0.19mm, and the exhaust valve clearances should be between 0.16mm and 0.23mm. I can fit most of them in the intake (again it's hard for me to tell because i have to push them all in a bit, none. Yamaha R6 Intake Valve Diameter.
From www.partzilla.com
How to Adjust Yamaha R6 Valve Clearance Yamaha R6 Intake Valve Diameter I can fit most of them in the intake (again it's hard for me to tell because i have to push them all in a bit, none of them easily slide in) but 15 mm seems to. View and download yamaha r6 2009 service manual online. For most models, the intake valve clearances should be between 0.12mm and 0.19mm, and. Yamaha R6 Intake Valve Diameter.
From www.megazip.net
Intake 2 for 2008 Yamaha YZFR6/ YZF600 YZFR6 Europe (010) sales Yamaha R6 Intake Valve Diameter I can fit most of them in the intake (again it's hard for me to tell because i have to push them all in a bit, none of them easily slide in) but 15 mm seems to. R6 2009 motorcycle pdf manual download. For most models, the intake valve clearances should be between 0.12mm and 0.19mm, and the exhaust valve. Yamaha R6 Intake Valve Diameter.
From www.tenkateracingproducts.com
Yamaha OEM parts Yamaha YZFR6 RJ27 Yamaha R6 Intake Valve Diameter R6 2009 motorcycle pdf manual download. For most models, the intake valve clearances should be between 0.12mm and 0.19mm, and the exhaust valve clearances should be between 0.16mm and 0.23mm. I can fit most of them in the intake (again it's hard for me to tell because i have to push them all in a bit, none of them easily. Yamaha R6 Intake Valve Diameter.
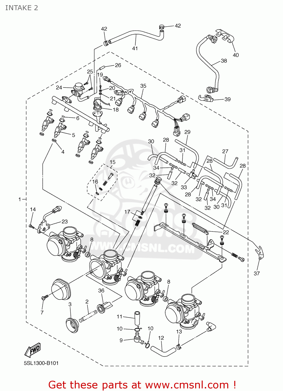
From www.cmsnl.com
Yamaha YZFR6 2004 5SLB ITALY 1C5SL300E3 INTAKE buy original INTAKE Yamaha R6 Intake Valve Diameter View and download yamaha r6 2009 service manual online. For most models, the intake valve clearances should be between 0.12mm and 0.19mm, and the exhaust valve clearances should be between 0.16mm and 0.23mm. R6 2009 motorcycle pdf manual download. I can fit most of them in the intake (again it's hard for me to tell because i have to push. Yamaha R6 Intake Valve Diameter.
From www.partzilla.com
How to Adjust Yamaha R6 Valve Clearance Yamaha R6 Intake Valve Diameter View and download yamaha r6 2009 service manual online. I can fit most of them in the intake (again it's hard for me to tell because i have to push them all in a bit, none of them easily slide in) but 15 mm seems to. R6 2009 motorcycle pdf manual download. For most models, the intake valve clearances should. Yamaha R6 Intake Valve Diameter.
From www.aliexpress.com
1 Pair Intake & Exhaust Valve Stem Kit For YAMAHA YZFR6 YZFR6 YZF R6 Yamaha R6 Intake Valve Diameter View and download yamaha r6 2009 service manual online. R6 2009 motorcycle pdf manual download. For most models, the intake valve clearances should be between 0.12mm and 0.19mm, and the exhaust valve clearances should be between 0.16mm and 0.23mm. I can fit most of them in the intake (again it's hard for me to tell because i have to push. Yamaha R6 Intake Valve Diameter.
From www.megazip.net
Intake for 2017 Yamaha YZFR6/ YZF600 YZFR6 Europe (050) sales Yamaha R6 Intake Valve Diameter View and download yamaha r6 2009 service manual online. R6 2009 motorcycle pdf manual download. I can fit most of them in the intake (again it's hard for me to tell because i have to push them all in a bit, none of them easily slide in) but 15 mm seems to. For most models, the intake valve clearances should. Yamaha R6 Intake Valve Diameter.
From www.ebay.com.au
1Pair Intake Exhaust Valves for Yamaha YZFR6 YZFR6R R6 RaceBase 2006 Yamaha R6 Intake Valve Diameter For most models, the intake valve clearances should be between 0.12mm and 0.19mm, and the exhaust valve clearances should be between 0.16mm and 0.23mm. I can fit most of them in the intake (again it's hard for me to tell because i have to push them all in a bit, none of them easily slide in) but 15 mm seems. Yamaha R6 Intake Valve Diameter.
From shopee.co.id
Jual YZF R6 Valve Intake 27 mm dan Valve Exhaust 23 mm Titanium Racing Yamaha R6 Intake Valve Diameter View and download yamaha r6 2009 service manual online. I can fit most of them in the intake (again it's hard for me to tell because i have to push them all in a bit, none of them easily slide in) but 15 mm seems to. R6 2009 motorcycle pdf manual download. For most models, the intake valve clearances should. Yamaha R6 Intake Valve Diameter.
From www.partzilla.com
How to Adjust Yamaha R6 Valve Clearance Yamaha R6 Intake Valve Diameter R6 2009 motorcycle pdf manual download. I can fit most of them in the intake (again it's hard for me to tell because i have to push them all in a bit, none of them easily slide in) but 15 mm seems to. View and download yamaha r6 2009 service manual online. For most models, the intake valve clearances should. Yamaha R6 Intake Valve Diameter.
From pickupmoto.com
Intake throttle bodies assembly Yamaha YZF R6 Yamaha R6 Intake Valve Diameter For most models, the intake valve clearances should be between 0.12mm and 0.19mm, and the exhaust valve clearances should be between 0.16mm and 0.23mm. R6 2009 motorcycle pdf manual download. View and download yamaha r6 2009 service manual online. I can fit most of them in the intake (again it's hard for me to tell because i have to push. Yamaha R6 Intake Valve Diameter.
From www.blibli.com
Promo Yzf R6 Spring Valve Intake Dan Exhaust Racing Original Yamaha Yamaha R6 Intake Valve Diameter View and download yamaha r6 2009 service manual online. I can fit most of them in the intake (again it's hard for me to tell because i have to push them all in a bit, none of them easily slide in) but 15 mm seems to. R6 2009 motorcycle pdf manual download. For most models, the intake valve clearances should. Yamaha R6 Intake Valve Diameter.
From www.r6-forum.com
Oil soaked intake valves Yamaha R6 Forum YZFR6 Forums Yamaha R6 Intake Valve Diameter I can fit most of them in the intake (again it's hard for me to tell because i have to push them all in a bit, none of them easily slide in) but 15 mm seems to. R6 2009 motorcycle pdf manual download. View and download yamaha r6 2009 service manual online. For most models, the intake valve clearances should. Yamaha R6 Intake Valve Diameter.
From www.kappabikes.xyz
Valves And Valve Springs Yamaha R6 Kappa Motorbikes Yamaha R6 Intake Valve Diameter R6 2009 motorcycle pdf manual download. I can fit most of them in the intake (again it's hard for me to tell because i have to push them all in a bit, none of them easily slide in) but 15 mm seems to. View and download yamaha r6 2009 service manual online. For most models, the intake valve clearances should. Yamaha R6 Intake Valve Diameter.
From www.ebay.com
8 Pair Intake Exhaust Valves for Yamaha YZFR6 2C0121110000 2C0 Yamaha R6 Intake Valve Diameter I can fit most of them in the intake (again it's hard for me to tell because i have to push them all in a bit, none of them easily slide in) but 15 mm seems to. For most models, the intake valve clearances should be between 0.12mm and 0.19mm, and the exhaust valve clearances should be between 0.16mm and. Yamaha R6 Intake Valve Diameter.
From www.ebay.de
INTAKE VALVE BUCKET 20062016 YAMAHA YZFR6 YZF R6 0616 eBay Yamaha R6 Intake Valve Diameter View and download yamaha r6 2009 service manual online. I can fit most of them in the intake (again it's hard for me to tell because i have to push them all in a bit, none of them easily slide in) but 15 mm seems to. R6 2009 motorcycle pdf manual download. For most models, the intake valve clearances should. Yamaha R6 Intake Valve Diameter.
From www.cspracing.com
Supertech YIVTYZFR6 Yamaha YZRR6 Intake Valve / 27mm x 4.47mm x 94 Yamaha R6 Intake Valve Diameter R6 2009 motorcycle pdf manual download. For most models, the intake valve clearances should be between 0.12mm and 0.19mm, and the exhaust valve clearances should be between 0.16mm and 0.23mm. I can fit most of them in the intake (again it's hard for me to tell because i have to push them all in a bit, none of them easily. Yamaha R6 Intake Valve Diameter.
From www.partzilla.com
How to Adjust Yamaha R6 Valve Clearance Yamaha R6 Intake Valve Diameter I can fit most of them in the intake (again it's hard for me to tell because i have to push them all in a bit, none of them easily slide in) but 15 mm seems to. For most models, the intake valve clearances should be between 0.12mm and 0.19mm, and the exhaust valve clearances should be between 0.16mm and. Yamaha R6 Intake Valve Diameter.
From www.partzilla.com
How to Adjust Yamaha R6 Valve Clearance Yamaha R6 Intake Valve Diameter I can fit most of them in the intake (again it's hard for me to tell because i have to push them all in a bit, none of them easily slide in) but 15 mm seems to. View and download yamaha r6 2009 service manual online. For most models, the intake valve clearances should be between 0.12mm and 0.19mm, and. Yamaha R6 Intake Valve Diameter.
From www.partzilla.com
How to Adjust Yamaha R6 Valve Clearance Yamaha R6 Intake Valve Diameter For most models, the intake valve clearances should be between 0.12mm and 0.19mm, and the exhaust valve clearances should be between 0.16mm and 0.23mm. R6 2009 motorcycle pdf manual download. View and download yamaha r6 2009 service manual online. I can fit most of them in the intake (again it's hard for me to tell because i have to push. Yamaha R6 Intake Valve Diameter.
From www.ebay.com.au
1Pair Intake Exhaust Valves for Yamaha YZFR6 YZFR6R R6 RaceBase 2006 Yamaha R6 Intake Valve Diameter View and download yamaha r6 2009 service manual online. I can fit most of them in the intake (again it's hard for me to tell because i have to push them all in a bit, none of them easily slide in) but 15 mm seems to. R6 2009 motorcycle pdf manual download. For most models, the intake valve clearances should. Yamaha R6 Intake Valve Diameter.
From www.youtube.com
Adjusting Valve Clearances Yamaha R6 YouTube Yamaha R6 Intake Valve Diameter R6 2009 motorcycle pdf manual download. I can fit most of them in the intake (again it's hard for me to tell because i have to push them all in a bit, none of them easily slide in) but 15 mm seems to. For most models, the intake valve clearances should be between 0.12mm and 0.19mm, and the exhaust valve. Yamaha R6 Intake Valve Diameter.
From www.abusoracing.com
Yamaha R6 1999 2005 Oversize Intake Valves 26mm abuso Yamaha R6 Intake Valve Diameter View and download yamaha r6 2009 service manual online. R6 2009 motorcycle pdf manual download. For most models, the intake valve clearances should be between 0.12mm and 0.19mm, and the exhaust valve clearances should be between 0.16mm and 0.23mm. I can fit most of them in the intake (again it's hard for me to tell because i have to push. Yamaha R6 Intake Valve Diameter.
From www.ebay.com.au
INTAKE VALVE SPRINGS 20062007 YAMAHA YZFR6 YZF R6 06 07 eBay Yamaha R6 Intake Valve Diameter I can fit most of them in the intake (again it's hard for me to tell because i have to push them all in a bit, none of them easily slide in) but 15 mm seems to. View and download yamaha r6 2009 service manual online. For most models, the intake valve clearances should be between 0.12mm and 0.19mm, and. Yamaha R6 Intake Valve Diameter.
From www.abusoracing.com
Yamaha R6 1999 2005 Stock Intake Valves 25mm abuso Yamaha R6 Intake Valve Diameter R6 2009 motorcycle pdf manual download. For most models, the intake valve clearances should be between 0.12mm and 0.19mm, and the exhaust valve clearances should be between 0.16mm and 0.23mm. I can fit most of them in the intake (again it's hard for me to tell because i have to push them all in a bit, none of them easily. Yamaha R6 Intake Valve Diameter.
From www.cmsnl.com
Yamaha YZFR6 2004 5SLB ENGLAND 1C5SL300E3 INTAKE 2 buy original Yamaha R6 Intake Valve Diameter For most models, the intake valve clearances should be between 0.12mm and 0.19mm, and the exhaust valve clearances should be between 0.16mm and 0.23mm. I can fit most of them in the intake (again it's hard for me to tell because i have to push them all in a bit, none of them easily slide in) but 15 mm seems. Yamaha R6 Intake Valve Diameter.
From shopee.co.id
Jual YZF R6 Spring Valve Intake dan Exhaust Racing Original Yamaha Yamaha R6 Intake Valve Diameter For most models, the intake valve clearances should be between 0.12mm and 0.19mm, and the exhaust valve clearances should be between 0.16mm and 0.23mm. View and download yamaha r6 2009 service manual online. R6 2009 motorcycle pdf manual download. I can fit most of them in the intake (again it's hard for me to tell because i have to push. Yamaha R6 Intake Valve Diameter.
From vanceandhinesmotorsports.com
YZFR6 Engine Valve Kit Vance & Hines Motorsports Yamaha R6 Intake Valve Diameter View and download yamaha r6 2009 service manual online. For most models, the intake valve clearances should be between 0.12mm and 0.19mm, and the exhaust valve clearances should be between 0.16mm and 0.23mm. I can fit most of them in the intake (again it's hard for me to tell because i have to push them all in a bit, none. Yamaha R6 Intake Valve Diameter.
From www.alibaba.com
Motorcycle Custom Part Intake Exhaust Valve Stem For Yamaha Yzfr6s R6s Yamaha R6 Intake Valve Diameter View and download yamaha r6 2009 service manual online. I can fit most of them in the intake (again it's hard for me to tell because i have to push them all in a bit, none of them easily slide in) but 15 mm seems to. For most models, the intake valve clearances should be between 0.12mm and 0.19mm, and. Yamaha R6 Intake Valve Diameter.
From www.ebay.com
1 Pair Intake Exhaust Valves for Yamaha YZFR6 R6S 19992009 FZ6 2004 Yamaha R6 Intake Valve Diameter View and download yamaha r6 2009 service manual online. For most models, the intake valve clearances should be between 0.12mm and 0.19mm, and the exhaust valve clearances should be between 0.16mm and 0.23mm. I can fit most of them in the intake (again it's hard for me to tell because i have to push them all in a bit, none. Yamaha R6 Intake Valve Diameter.
From www.megazip.net
Intake for 2008 Yamaha YZFR6/ YZF600 YZFR6 USA sales region Yamaha R6 Intake Valve Diameter For most models, the intake valve clearances should be between 0.12mm and 0.19mm, and the exhaust valve clearances should be between 0.16mm and 0.23mm. R6 2009 motorcycle pdf manual download. View and download yamaha r6 2009 service manual online. I can fit most of them in the intake (again it's hard for me to tell because i have to push. Yamaha R6 Intake Valve Diameter.