Side Airbag Igniter Passenger Side (N200) . I read a few places online to clean the plug and connectors, but that didnt work. Passenger side (n131) possible causes: This is the fault i am getting: Check wiring/connectors from/to side airbag igniter, front passenger side (n200) check side airbag igniter, front. Comes up with the code 01218 (n200) which is the plug under the passenger seat i believe. Happened when the passenger in the car sat down. Passenger side (n200) however i have been able to deal with this by removing the speaker panel on the rear.
from workshop-manuals.com
Check wiring/connectors from/to side airbag igniter, front passenger side (n200) check side airbag igniter, front. Happened when the passenger in the car sat down. Passenger side (n131) possible causes: I read a few places online to clean the plug and connectors, but that didnt work. Comes up with the code 01218 (n200) which is the plug under the passenger seat i believe. Passenger side (n200) however i have been able to deal with this by removing the speaker panel on the rear. This is the fault i am getting:
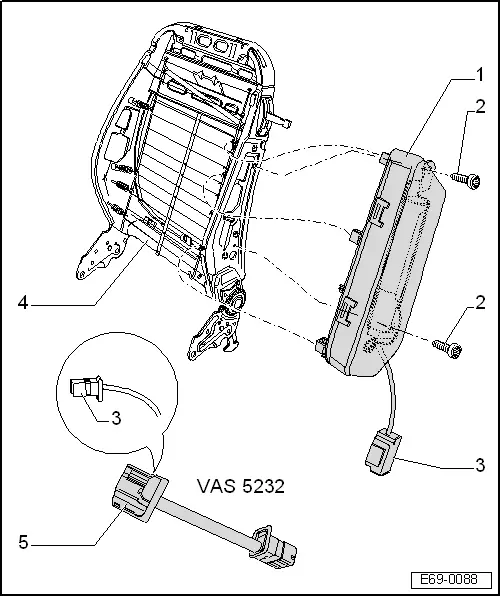
Volkswagen Service and Repair Manuals > Up! > Body General
Side Airbag Igniter Passenger Side (N200) Passenger side (n200) however i have been able to deal with this by removing the speaker panel on the rear. I read a few places online to clean the plug and connectors, but that didnt work. This is the fault i am getting: Comes up with the code 01218 (n200) which is the plug under the passenger seat i believe. Check wiring/connectors from/to side airbag igniter, front passenger side (n200) check side airbag igniter, front. Happened when the passenger in the car sat down. Passenger side (n200) however i have been able to deal with this by removing the speaker panel on the rear. Passenger side (n131) possible causes:
From workshop-manuals.com
Audi Manuals > A4 Mk3 > Body > General body repairs, interior Side Airbag Igniter Passenger Side (N200) Passenger side (n131) possible causes: Check wiring/connectors from/to side airbag igniter, front passenger side (n200) check side airbag igniter, front. Happened when the passenger in the car sat down. This is the fault i am getting: I read a few places online to clean the plug and connectors, but that didnt work. Passenger side (n200) however i have been able. Side Airbag Igniter Passenger Side (N200).
From www.youtube.com
VW Fault 01217 Side Airbag Igniter Driver Side N199 Upper Limit Side Airbag Igniter Passenger Side (N200) Check wiring/connectors from/to side airbag igniter, front passenger side (n200) check side airbag igniter, front. Comes up with the code 01218 (n200) which is the plug under the passenger seat i believe. Happened when the passenger in the car sat down. Passenger side (n131) possible causes: This is the fault i am getting: Passenger side (n200) however i have been. Side Airbag Igniter Passenger Side (N200).
From www.r32oc.com
Airbag light on N199 and N200 VW Golf R32 Forum Side Airbag Igniter Passenger Side (N200) Happened when the passenger in the car sat down. Check wiring/connectors from/to side airbag igniter, front passenger side (n200) check side airbag igniter, front. I read a few places online to clean the plug and connectors, but that didnt work. Passenger side (n200) however i have been able to deal with this by removing the speaker panel on the rear.. Side Airbag Igniter Passenger Side (N200).
From workshop-manuals.com
Audi Manuals > A1 > Body > General body repairs, interior Side Airbag Igniter Passenger Side (N200) Check wiring/connectors from/to side airbag igniter, front passenger side (n200) check side airbag igniter, front. Passenger side (n200) however i have been able to deal with this by removing the speaker panel on the rear. Passenger side (n131) possible causes: This is the fault i am getting: I read a few places online to clean the plug and connectors, but. Side Airbag Igniter Passenger Side (N200).
From www.youtube.com
Side Airbag Igniter Passenger Side N200 YouTube Side Airbag Igniter Passenger Side (N200) I read a few places online to clean the plug and connectors, but that didnt work. Passenger side (n200) however i have been able to deal with this by removing the speaker panel on the rear. Check wiring/connectors from/to side airbag igniter, front passenger side (n200) check side airbag igniter, front. This is the fault i am getting: Passenger side. Side Airbag Igniter Passenger Side (N200).
From www.r32oc.com
Airbag light on N199 and N200 Interior and Exterior R32OC VW Side Airbag Igniter Passenger Side (N200) Passenger side (n200) however i have been able to deal with this by removing the speaker panel on the rear. This is the fault i am getting: Passenger side (n131) possible causes: Check wiring/connectors from/to side airbag igniter, front passenger side (n200) check side airbag igniter, front. Happened when the passenger in the car sat down. Comes up with the. Side Airbag Igniter Passenger Side (N200).
From www.r32oc.com
Airbag light on N199 and N200 Interior and Exterior R32OC VW Side Airbag Igniter Passenger Side (N200) Check wiring/connectors from/to side airbag igniter, front passenger side (n200) check side airbag igniter, front. Comes up with the code 01218 (n200) which is the plug under the passenger seat i believe. Passenger side (n200) however i have been able to deal with this by removing the speaker panel on the rear. Happened when the passenger in the car sat. Side Airbag Igniter Passenger Side (N200).
From uk-mkivs.net
[Mk4 Golf] Side Passenger Airbag Code 01218 Audio, Electrics and Side Airbag Igniter Passenger Side (N200) Passenger side (n131) possible causes: This is the fault i am getting: I read a few places online to clean the plug and connectors, but that didnt work. Comes up with the code 01218 (n200) which is the plug under the passenger seat i believe. Happened when the passenger in the car sat down. Passenger side (n200) however i have. Side Airbag Igniter Passenger Side (N200).
From airbagteam.com
Nissan NV200 2016 Onwards Passenger side Curtain Airbag N/S 308336620 Side Airbag Igniter Passenger Side (N200) I read a few places online to clean the plug and connectors, but that didnt work. This is the fault i am getting: Passenger side (n131) possible causes: Check wiring/connectors from/to side airbag igniter, front passenger side (n200) check side airbag igniter, front. Happened when the passenger in the car sat down. Passenger side (n200) however i have been able. Side Airbag Igniter Passenger Side (N200).
From www.r32oc.com
Airbag light on N199 and N200 Interior and Exterior R32OC VW Side Airbag Igniter Passenger Side (N200) Passenger side (n131) possible causes: Passenger side (n200) however i have been able to deal with this by removing the speaker panel on the rear. Happened when the passenger in the car sat down. This is the fault i am getting: Comes up with the code 01218 (n200) which is the plug under the passenger seat i believe. Check wiring/connectors. Side Airbag Igniter Passenger Side (N200).
From www.r32oc.com
Airbag light on N199 and N200 VW Golf R32 Forum Side Airbag Igniter Passenger Side (N200) Happened when the passenger in the car sat down. Passenger side (n131) possible causes: This is the fault i am getting: Check wiring/connectors from/to side airbag igniter, front passenger side (n200) check side airbag igniter, front. I read a few places online to clean the plug and connectors, but that didnt work. Passenger side (n200) however i have been able. Side Airbag Igniter Passenger Side (N200).
From www.audi-sport.net
NEED HELP! Passenger seat air bag igniter. Code 01218 (N200) Audi Side Airbag Igniter Passenger Side (N200) Comes up with the code 01218 (n200) which is the plug under the passenger seat i believe. I read a few places online to clean the plug and connectors, but that didnt work. Passenger side (n131) possible causes: This is the fault i am getting: Check wiring/connectors from/to side airbag igniter, front passenger side (n200) check side airbag igniter, front.. Side Airbag Igniter Passenger Side (N200).
From www.vwgolf.org
Volkswagen Golf Service & Repair Manual Airbag system Pasanger Side Airbag Igniter Passenger Side (N200) Passenger side (n131) possible causes: Passenger side (n200) however i have been able to deal with this by removing the speaker panel on the rear. Happened when the passenger in the car sat down. I read a few places online to clean the plug and connectors, but that didnt work. Check wiring/connectors from/to side airbag igniter, front passenger side (n200). Side Airbag Igniter Passenger Side (N200).
From workshop-manuals.com
SEAT Manuals > Leon Mk2 > Body > Bodywork, Interior fitting Side Airbag Igniter Passenger Side (N200) Happened when the passenger in the car sat down. I read a few places online to clean the plug and connectors, but that didnt work. Comes up with the code 01218 (n200) which is the plug under the passenger seat i believe. Passenger side (n200) however i have been able to deal with this by removing the speaker panel on. Side Airbag Igniter Passenger Side (N200).
From www.audiworld.com
Passenger Airbag Harness Missing? AudiWorld Forums Side Airbag Igniter Passenger Side (N200) I read a few places online to clean the plug and connectors, but that didnt work. Passenger side (n200) however i have been able to deal with this by removing the speaker panel on the rear. Comes up with the code 01218 (n200) which is the plug under the passenger seat i believe. Check wiring/connectors from/to side airbag igniter, front. Side Airbag Igniter Passenger Side (N200).
From www.passatworld.com
Passenger side airbag code Volkswagen Passat Forum Side Airbag Igniter Passenger Side (N200) Happened when the passenger in the car sat down. This is the fault i am getting: Check wiring/connectors from/to side airbag igniter, front passenger side (n200) check side airbag igniter, front. Passenger side (n200) however i have been able to deal with this by removing the speaker panel on the rear. Comes up with the code 01218 (n200) which is. Side Airbag Igniter Passenger Side (N200).
From www.r32oc.com
Airbag light on N199 and N200 Interior and Exterior R32OC VW Side Airbag Igniter Passenger Side (N200) Passenger side (n131) possible causes: I read a few places online to clean the plug and connectors, but that didnt work. Comes up with the code 01218 (n200) which is the plug under the passenger seat i believe. This is the fault i am getting: Passenger side (n200) however i have been able to deal with this by removing the. Side Airbag Igniter Passenger Side (N200).
From workshop-manuals.com
SEAT Manuals > Leon Mk2 > Body > Bodywork Interior fitting Side Airbag Igniter Passenger Side (N200) Happened when the passenger in the car sat down. Comes up with the code 01218 (n200) which is the plug under the passenger seat i believe. Check wiring/connectors from/to side airbag igniter, front passenger side (n200) check side airbag igniter, front. I read a few places online to clean the plug and connectors, but that didnt work. Passenger side (n131). Side Airbag Igniter Passenger Side (N200).
From www.clubtouareg.com
Fault Code Airbag Igniter; Driver Side Club Touareg Forum Side Airbag Igniter Passenger Side (N200) This is the fault i am getting: Happened when the passenger in the car sat down. Passenger side (n131) possible causes: Passenger side (n200) however i have been able to deal with this by removing the speaker panel on the rear. Comes up with the code 01218 (n200) which is the plug under the passenger seat i believe. I read. Side Airbag Igniter Passenger Side (N200).
From airbagteam.com
Nissan NV200 2016 Onwards Passenger side Curtain Airbag N/S 308336620 Side Airbag Igniter Passenger Side (N200) I read a few places online to clean the plug and connectors, but that didnt work. Happened when the passenger in the car sat down. This is the fault i am getting: Check wiring/connectors from/to side airbag igniter, front passenger side (n200) check side airbag igniter, front. Passenger side (n131) possible causes: Comes up with the code 01218 (n200) which. Side Airbag Igniter Passenger Side (N200).
From forums.vwvortex.com
HOW TO Perform your airbag TSB Side Airbag Igniter Passenger Side (N200) I read a few places online to clean the plug and connectors, but that didnt work. Passenger side (n200) however i have been able to deal with this by removing the speaker panel on the rear. Passenger side (n131) possible causes: Comes up with the code 01218 (n200) which is the plug under the passenger seat i believe. Check wiring/connectors. Side Airbag Igniter Passenger Side (N200).
From www.audi-sport.net
DTC 01217 driver side airbag igniter Side Airbag Igniter Passenger Side (N200) Passenger side (n200) however i have been able to deal with this by removing the speaker panel on the rear. I read a few places online to clean the plug and connectors, but that didnt work. Happened when the passenger in the car sat down. Comes up with the code 01218 (n200) which is the plug under the passenger seat. Side Airbag Igniter Passenger Side (N200).
From www.vwgolf.org
Volkswagen Golf Service & Repair Manual Assembly overview rear side Side Airbag Igniter Passenger Side (N200) Happened when the passenger in the car sat down. I read a few places online to clean the plug and connectors, but that didnt work. This is the fault i am getting: Comes up with the code 01218 (n200) which is the plug under the passenger seat i believe. Passenger side (n131) possible causes: Passenger side (n200) however i have. Side Airbag Igniter Passenger Side (N200).
From www.hexorcism.com
PASSENGERSIDE AIR BAG MODULE [TWOSTEP DEPLOYMENT CONTROL SYSTEM Side Airbag Igniter Passenger Side (N200) I read a few places online to clean the plug and connectors, but that didnt work. Comes up with the code 01218 (n200) which is the plug under the passenger seat i believe. Check wiring/connectors from/to side airbag igniter, front passenger side (n200) check side airbag igniter, front. Passenger side (n131) possible causes: Happened when the passenger in the car. Side Airbag Igniter Passenger Side (N200).
From www.audi-sport.net
Airbag light after removing oem seats Side Airbag Igniter Passenger Side (N200) Happened when the passenger in the car sat down. Check wiring/connectors from/to side airbag igniter, front passenger side (n200) check side airbag igniter, front. This is the fault i am getting: Passenger side (n131) possible causes: Comes up with the code 01218 (n200) which is the plug under the passenger seat i believe. I read a few places online to. Side Airbag Igniter Passenger Side (N200).
From workshop-manuals.com
SEAT Manuals > Leon Mk1 > Body > General body repairs Side Airbag Igniter Passenger Side (N200) This is the fault i am getting: Happened when the passenger in the car sat down. I read a few places online to clean the plug and connectors, but that didnt work. Passenger side (n131) possible causes: Comes up with the code 01218 (n200) which is the plug under the passenger seat i believe. Passenger side (n200) however i have. Side Airbag Igniter Passenger Side (N200).
From workshop-manuals.com
Volkswagen Service and Repair Manuals > Up! > Body General Side Airbag Igniter Passenger Side (N200) Happened when the passenger in the car sat down. Check wiring/connectors from/to side airbag igniter, front passenger side (n200) check side airbag igniter, front. Comes up with the code 01218 (n200) which is the plug under the passenger seat i believe. This is the fault i am getting: Passenger side (n131) possible causes: Passenger side (n200) however i have been. Side Airbag Igniter Passenger Side (N200).
From workshop-manuals.com
Volkswagen Service and Repair Manuals > Up! > Body General Side Airbag Igniter Passenger Side (N200) I read a few places online to clean the plug and connectors, but that didnt work. Happened when the passenger in the car sat down. Passenger side (n131) possible causes: This is the fault i am getting: Passenger side (n200) however i have been able to deal with this by removing the speaker panel on the rear. Check wiring/connectors from/to. Side Airbag Igniter Passenger Side (N200).
From workshop-manuals.com
Audi Service and Repair Manuals > A4 Mk2 > Body General body Side Airbag Igniter Passenger Side (N200) I read a few places online to clean the plug and connectors, but that didnt work. Passenger side (n200) however i have been able to deal with this by removing the speaker panel on the rear. This is the fault i am getting: Passenger side (n131) possible causes: Comes up with the code 01218 (n200) which is the plug under. Side Airbag Igniter Passenger Side (N200).
From foorum.vwklubi.eu
Passat B5 Airbag Igniter 1; Passenger Side (N131) Eesti Volkswageni Side Airbag Igniter Passenger Side (N200) Comes up with the code 01218 (n200) which is the plug under the passenger seat i believe. I read a few places online to clean the plug and connectors, but that didnt work. Check wiring/connectors from/to side airbag igniter, front passenger side (n200) check side airbag igniter, front. Passenger side (n131) possible causes: Happened when the passenger in the car. Side Airbag Igniter Passenger Side (N200).
From www.vwgolf.org
Volkswagen Golf Service & Repair Manual Assembly overview front Side Airbag Igniter Passenger Side (N200) This is the fault i am getting: I read a few places online to clean the plug and connectors, but that didnt work. Check wiring/connectors from/to side airbag igniter, front passenger side (n200) check side airbag igniter, front. Passenger side (n131) possible causes: Passenger side (n200) however i have been able to deal with this by removing the speaker panel. Side Airbag Igniter Passenger Side (N200).
From www.youtube.com
Audi A3 ,2006 side airbag igniter(N200) .01218. YouTube Side Airbag Igniter Passenger Side (N200) This is the fault i am getting: Happened when the passenger in the car sat down. Passenger side (n131) possible causes: Check wiring/connectors from/to side airbag igniter, front passenger side (n200) check side airbag igniter, front. Passenger side (n200) however i have been able to deal with this by removing the speaker panel on the rear. I read a few. Side Airbag Igniter Passenger Side (N200).
From www.vwgolf.org
Volkswagen Golf Service & Repair Manual Assembly overview front Side Airbag Igniter Passenger Side (N200) Passenger side (n200) however i have been able to deal with this by removing the speaker panel on the rear. Passenger side (n131) possible causes: I read a few places online to clean the plug and connectors, but that didnt work. This is the fault i am getting: Comes up with the code 01218 (n200) which is the plug under. Side Airbag Igniter Passenger Side (N200).
From workshop-manuals.com
Audi Manuals > A4 Mk2 > Body > General body repairs, interior Side Airbag Igniter Passenger Side (N200) I read a few places online to clean the plug and connectors, but that didnt work. This is the fault i am getting: Passenger side (n200) however i have been able to deal with this by removing the speaker panel on the rear. Happened when the passenger in the car sat down. Check wiring/connectors from/to side airbag igniter, front passenger. Side Airbag Igniter Passenger Side (N200).
From buildingmarbl.web.fc2.com
Drivers Side Airbag Igniter Side Airbag Igniter Passenger Side (N200) This is the fault i am getting: Comes up with the code 01218 (n200) which is the plug under the passenger seat i believe. I read a few places online to clean the plug and connectors, but that didnt work. Happened when the passenger in the car sat down. Check wiring/connectors from/to side airbag igniter, front passenger side (n200) check. Side Airbag Igniter Passenger Side (N200).