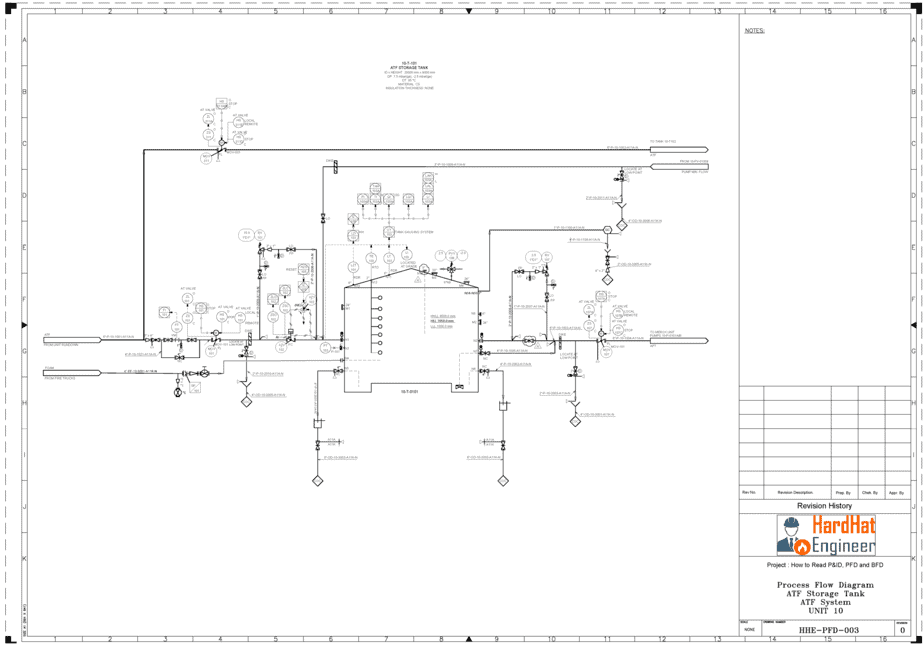
How To Read A P&Id Drawing . You will learn how to read p&id and pefs with the help of the actual plant drawing. Here you can find what information is contained on a p&id. P&ids, or piping and instrumentation diagrams to give them their full name, are schematic. How to read a p&id? What should include and not include a p&id drawing? Know the letter and number combinations of a p&id. Here, we will learn how to read p&id with a simple example. We will read part of the. In this article, we will learn how to read p&id drawings on a daily basis. Elements of a p&id • equipment & valves identified • instrumentation type & location identified • path between instruments & control devices indicated • piping size and type identified for all lines Learn to use graphical elements. 8 which shows a part of a p&id. How to draw a piping & instrumentation diagram? P&ids are a schematic illustration of the functional relationship of piping, instrumentation and system equipment components used in the.
from hardhatengineer.com
Here you can find what information is contained on a p&id. Elements of a p&id • equipment & valves identified • instrumentation type & location identified • path between instruments & control devices indicated • piping size and type identified for all lines 8 which shows a part of a p&id. How to read a p&id? We will read part of the. You will learn how to read p&id and pefs with the help of the actual plant drawing. What should include and not include a p&id drawing? How to draw a piping & instrumentation diagram? Here, we will learn how to read p&id with a simple example. Learn to use graphical elements.
Learn How to Read P&ID Drawings A Complete Guide
How To Read A P&Id Drawing In this article, we will learn how to read p&id drawings on a daily basis. How to draw a piping & instrumentation diagram? How to read a p&id? We will read part of the. Learn to use graphical elements. P&ids, or piping and instrumentation diagrams to give them their full name, are schematic. Here, we will learn how to read p&id with a simple example. Here you can find what information is contained on a p&id. 8 which shows a part of a p&id. P&ids are a schematic illustration of the functional relationship of piping, instrumentation and system equipment components used in the. In this article, we will learn how to read p&id drawings on a daily basis. Elements of a p&id • equipment & valves identified • instrumentation type & location identified • path between instruments & control devices indicated • piping size and type identified for all lines Know the letter and number combinations of a p&id. You will learn how to read p&id and pefs with the help of the actual plant drawing. What should include and not include a p&id drawing?
From sadboxabc.blogspot.com
How to read P&ID for beginner INSIDE INSIGHTS How To Read A P&Id Drawing 8 which shows a part of a p&id. Here, we will learn how to read p&id with a simple example. Elements of a p&id • equipment & valves identified • instrumentation type & location identified • path between instruments & control devices indicated • piping size and type identified for all lines Learn to use graphical elements. P&ids are a. How To Read A P&Id Drawing.
From www.linkedin.com
How to Read P&ID Symbols." How To Read A P&Id Drawing Elements of a p&id • equipment & valves identified • instrumentation type & location identified • path between instruments & control devices indicated • piping size and type identified for all lines 8 which shows a part of a p&id. Know the letter and number combinations of a p&id. What should include and not include a p&id drawing? We will. How To Read A P&Id Drawing.
From instrumentationandcontroltoday.blogspot.com
Instrumentation Today HOW TO READ A P&ID How To Read A P&Id Drawing How to draw a piping & instrumentation diagram? Learn to use graphical elements. Here, we will learn how to read p&id with a simple example. What should include and not include a p&id drawing? You will learn how to read p&id and pefs with the help of the actual plant drawing. P&ids are a schematic illustration of the functional relationship. How To Read A P&Id Drawing.
From hardhatengineer.com
Learn How to Read P&ID Drawings A Complete Guide How To Read A P&Id Drawing P&ids are a schematic illustration of the functional relationship of piping, instrumentation and system equipment components used in the. 8 which shows a part of a p&id. You will learn how to read p&id and pefs with the help of the actual plant drawing. We will read part of the. How to draw a piping & instrumentation diagram? What should. How To Read A P&Id Drawing.
From www.youtube.com
HOW TO READ P&ID PIPING AND INSTRUMENTATION DIAGRAM PROCESS ENGINEERING PIPING MANTRA How To Read A P&Id Drawing Here, we will learn how to read p&id with a simple example. We will read part of the. Know the letter and number combinations of a p&id. Elements of a p&id • equipment & valves identified • instrumentation type & location identified • path between instruments & control devices indicated • piping size and type identified for all lines In. How To Read A P&Id Drawing.
From instrumentationtools.com
P&ID Document Reading Example Instrumentation Tools How To Read A P&Id Drawing In this article, we will learn how to read p&id drawings on a daily basis. What should include and not include a p&id drawing? Know the letter and number combinations of a p&id. P&ids, or piping and instrumentation diagrams to give them their full name, are schematic. How to draw a piping & instrumentation diagram? Elements of a p&id •. How To Read A P&Id Drawing.
From hardhatengineer.com
Learn How to Read P&ID Drawings A Complete Guide How To Read A P&Id Drawing Elements of a p&id • equipment & valves identified • instrumentation type & location identified • path between instruments & control devices indicated • piping size and type identified for all lines How to read a p&id? You will learn how to read p&id and pefs with the help of the actual plant drawing. Know the letter and number combinations. How To Read A P&Id Drawing.
From instrumentationtoolbox.com
How to Read and Interpret Piping and Instrumentation Diagrams (P&ID) Learning Instrumentation How To Read A P&Id Drawing Elements of a p&id • equipment & valves identified • instrumentation type & location identified • path between instruments & control devices indicated • piping size and type identified for all lines You will learn how to read p&id and pefs with the help of the actual plant drawing. In this article, we will learn how to read p&id drawings. How To Read A P&Id Drawing.
From instrumentationandcontroltoday.blogspot.ca
InstrumentationToday HOW TO READ A P&ID How To Read A P&Id Drawing How to draw a piping & instrumentation diagram? Here you can find what information is contained on a p&id. P&ids are a schematic illustration of the functional relationship of piping, instrumentation and system equipment components used in the. 8 which shows a part of a p&id. In this article, we will learn how to read p&id drawings on a daily. How To Read A P&Id Drawing.
From www.vrogue.co
How To Read P Id Drawing A Complete Tutorial Youtube vrogue.co How To Read A P&Id Drawing Here you can find what information is contained on a p&id. You will learn how to read p&id and pefs with the help of the actual plant drawing. Elements of a p&id • equipment & valves identified • instrumentation type & location identified • path between instruments & control devices indicated • piping size and type identified for all lines. How To Read A P&Id Drawing.
From www.vrogue.co
Learn How To Read P Id Drawings Best Diagram Collecti vrogue.co How To Read A P&Id Drawing P&ids are a schematic illustration of the functional relationship of piping, instrumentation and system equipment components used in the. Elements of a p&id • equipment & valves identified • instrumentation type & location identified • path between instruments & control devices indicated • piping size and type identified for all lines In this article, we will learn how to read. How To Read A P&Id Drawing.
From www.realpars.com
How to Read a P&ID? RealPars How To Read A P&Id Drawing Here you can find what information is contained on a p&id. In this article, we will learn how to read p&id drawings on a daily basis. How to read a p&id? We will read part of the. 8 which shows a part of a p&id. Know the letter and number combinations of a p&id. P&ids are a schematic illustration of. How To Read A P&Id Drawing.
From www.vrogue.co
P Id Diagram Examples Lucidchart vrogue.co How To Read A P&Id Drawing In this article, we will learn how to read p&id drawings on a daily basis. Learn to use graphical elements. We will read part of the. Know the letter and number combinations of a p&id. Here you can find what information is contained on a p&id. Elements of a p&id • equipment & valves identified • instrumentation type & location. How To Read A P&Id Drawing.
From engineeringunits.com
How To Read P&ID , Basic And Advanced Knowledge? How To Read A P&Id Drawing Know the letter and number combinations of a p&id. Elements of a p&id • equipment & valves identified • instrumentation type & location identified • path between instruments & control devices indicated • piping size and type identified for all lines Here you can find what information is contained on a p&id. 8 which shows a part of a p&id.. How To Read A P&Id Drawing.
From www.youtube.com
How to Read P&ID Drawing A Complete Tutorial YouTube How To Read A P&Id Drawing What should include and not include a p&id drawing? Here you can find what information is contained on a p&id. 8 which shows a part of a p&id. How to read a p&id? P&ids are a schematic illustration of the functional relationship of piping, instrumentation and system equipment components used in the. You will learn how to read p&id and. How To Read A P&Id Drawing.
From www.youtube.com
P & ID Diagram. How To Read P&ID Drawing Easily. Piping & Instrumentation Diagram Explained How To Read A P&Id Drawing We will read part of the. You will learn how to read p&id and pefs with the help of the actual plant drawing. P&ids, or piping and instrumentation diagrams to give them their full name, are schematic. How to draw a piping & instrumentation diagram? 8 which shows a part of a p&id. How to read a p&id? Here you. How To Read A P&Id Drawing.
From www.realpars.com
How to Read a P&ID? RealPars How To Read A P&Id Drawing Learn to use graphical elements. You will learn how to read p&id and pefs with the help of the actual plant drawing. How to read a p&id? 8 which shows a part of a p&id. Here, we will learn how to read p&id with a simple example. In this article, we will learn how to read p&id drawings on a. How To Read A P&Id Drawing.
From www.vrogue.co
What Is A P Id Drawing P Id Symbols How To Read P Id vrogue.co How To Read A P&Id Drawing Here you can find what information is contained on a p&id. 8 which shows a part of a p&id. How to draw a piping & instrumentation diagram? P&ids are a schematic illustration of the functional relationship of piping, instrumentation and system equipment components used in the. Learn to use graphical elements. Here, we will learn how to read p&id with. How To Read A P&Id Drawing.
From flowchartmaker.blogspot.com
How to Read Piping and Instrumentation Diagram How To Read A P&Id Drawing Here you can find what information is contained on a p&id. How to read a p&id? You will learn how to read p&id and pefs with the help of the actual plant drawing. P&ids, or piping and instrumentation diagrams to give them their full name, are schematic. We will read part of the. 8 which shows a part of a. How To Read A P&Id Drawing.
From www.bharatagritech.com
Complete Guide P&ID Drawing How To Read P&ID Or PEFS, 41 OFF How To Read A P&Id Drawing We will read part of the. What should include and not include a p&id drawing? Here, we will learn how to read p&id with a simple example. P&ids are a schematic illustration of the functional relationship of piping, instrumentation and system equipment components used in the. In this article, we will learn how to read p&id drawings on a daily. How To Read A P&Id Drawing.
From gahess.com
Learn How to Read P&ID Drawings A Complete Guide (2023) How To Read A P&Id Drawing Here, we will learn how to read p&id with a simple example. Learn to use graphical elements. We will read part of the. How to draw a piping & instrumentation diagram? You will learn how to read p&id and pefs with the help of the actual plant drawing. How to read a p&id? What should include and not include a. How To Read A P&Id Drawing.
From instrumentationandcontrol.net
P&ID Symbols How to read a P&ID? How To Read A P&Id Drawing P&ids, or piping and instrumentation diagrams to give them their full name, are schematic. Here you can find what information is contained on a p&id. What should include and not include a p&id drawing? Here, we will learn how to read p&id with a simple example. Elements of a p&id • equipment & valves identified • instrumentation type & location. How To Read A P&Id Drawing.
From gahess.com
Learn How to Read P&ID Drawings A Complete Guide (2023) How To Read A P&Id Drawing Learn to use graphical elements. In this article, we will learn how to read p&id drawings on a daily basis. Here, we will learn how to read p&id with a simple example. You will learn how to read p&id and pefs with the help of the actual plant drawing. Elements of a p&id • equipment & valves identified • instrumentation. How To Read A P&Id Drawing.
From corsosystems.com
P&ID Drawings 201 Reading Real World Examples Corso Systems How To Read A P&Id Drawing What should include and not include a p&id drawing? We will read part of the. Here you can find what information is contained on a p&id. Elements of a p&id • equipment & valves identified • instrumentation type & location identified • path between instruments & control devices indicated • piping size and type identified for all lines Learn to. How To Read A P&Id Drawing.
From www.edrawmax.com
How to Read a P&ID Drawing Quickly and Easily Edraw Max How To Read A P&Id Drawing Know the letter and number combinations of a p&id. In this article, we will learn how to read p&id drawings on a daily basis. Here you can find what information is contained on a p&id. What should include and not include a p&id drawing? Here, we will learn how to read p&id with a simple example. How to draw a. How To Read A P&Id Drawing.
From www.youtube.com
How to Read a P&ID? (Piping & Instrumentation Diagram) YouTube How To Read A P&Id Drawing P&ids, or piping and instrumentation diagrams to give them their full name, are schematic. In this article, we will learn how to read p&id drawings on a daily basis. P&ids are a schematic illustration of the functional relationship of piping, instrumentation and system equipment components used in the. We will read part of the. Here, we will learn how to. How To Read A P&Id Drawing.
From whatispiping.com
What is a P&ID Drawing P&ID Symbols How to Read P & ID Drawings What Is Piping How To Read A P&Id Drawing 8 which shows a part of a p&id. Here, we will learn how to read p&id with a simple example. Here you can find what information is contained on a p&id. Learn to use graphical elements. What should include and not include a p&id drawing? Know the letter and number combinations of a p&id. In this article, we will learn. How To Read A P&Id Drawing.
From instrumentationfordummies.blogspot.com
Instrumentation for Dummies HOW TO READ A P&ID How To Read A P&Id Drawing Here, we will learn how to read p&id with a simple example. Learn to use graphical elements. 8 which shows a part of a p&id. Here you can find what information is contained on a p&id. You will learn how to read p&id and pefs with the help of the actual plant drawing. Know the letter and number combinations of. How To Read A P&Id Drawing.
From whatispiping.com
What is a P&ID Drawing P&ID Symbols How to Read P & ID Drawings What Is Piping How To Read A P&Id Drawing We will read part of the. How to read a p&id? P&ids, or piping and instrumentation diagrams to give them their full name, are schematic. 8 which shows a part of a p&id. Learn to use graphical elements. P&ids are a schematic illustration of the functional relationship of piping, instrumentation and system equipment components used in the. You will learn. How To Read A P&Id Drawing.
From www.vrogue.co
P Id Diagram How To Read P Id Drawing Easily Piping I vrogue.co How To Read A P&Id Drawing Know the letter and number combinations of a p&id. We will read part of the. 8 which shows a part of a p&id. How to draw a piping & instrumentation diagram? Here you can find what information is contained on a p&id. You will learn how to read p&id and pefs with the help of the actual plant drawing. Elements. How To Read A P&Id Drawing.
From www.vrogue.co
What Is A P Id Drawing P Id Symbols How To Read P Id vrogue.co How To Read A P&Id Drawing Elements of a p&id • equipment & valves identified • instrumentation type & location identified • path between instruments & control devices indicated • piping size and type identified for all lines P&ids are a schematic illustration of the functional relationship of piping, instrumentation and system equipment components used in the. Here, we will learn how to read p&id with. How To Read A P&Id Drawing.
From manuallistcantabank.z21.web.core.windows.net
Instrumentation Diagram P&id How To Read A P&Id Drawing How to read a p&id? P&ids, or piping and instrumentation diagrams to give them their full name, are schematic. Know the letter and number combinations of a p&id. Here you can find what information is contained on a p&id. We will read part of the. Elements of a p&id • equipment & valves identified • instrumentation type & location identified. How To Read A P&Id Drawing.
From hardhatengineer.com
Learn How to Read P&ID Drawings A Complete Guide How To Read A P&Id Drawing Know the letter and number combinations of a p&id. How to read a p&id? Here, we will learn how to read p&id with a simple example. How to draw a piping & instrumentation diagram? Learn to use graphical elements. P&ids are a schematic illustration of the functional relationship of piping, instrumentation and system equipment components used in the. You will. How To Read A P&Id Drawing.
From kimray.com
How to Read Oil and Gas P&ID Symbols Kimray How To Read A P&Id Drawing In this article, we will learn how to read p&id drawings on a daily basis. Know the letter and number combinations of a p&id. What should include and not include a p&id drawing? Here you can find what information is contained on a p&id. We will read part of the. P&ids are a schematic illustration of the functional relationship of. How To Read A P&Id Drawing.
From gbu-presnenskij.ru
Reading P&ID Symbols A StepbyStep Guide GetReskilled, 58 OFF How To Read A P&Id Drawing How to read a p&id? Here, we will learn how to read p&id with a simple example. P&ids are a schematic illustration of the functional relationship of piping, instrumentation and system equipment components used in the. Learn to use graphical elements. You will learn how to read p&id and pefs with the help of the actual plant drawing. Know the. How To Read A P&Id Drawing.