Neutralization Ph Control Using Pid Controller . This means that a solution having a ph value of 4 has ten times more hydrogen ions than a. Compared the performance of adaptive inverse controllers and global linearized controllers in ph process. Ph control plays an important role in a wide range of industrial applications for waste management. Therefore, this paper focused on different control strategies like controller using pid, fuzzy based model, neural network based model and hybrid. A fuzzy logic controller (flc) is developed in this paper for controlling or regulating the ph value of the ph neutralization.
from www.semanticscholar.org
This means that a solution having a ph value of 4 has ten times more hydrogen ions than a. Compared the performance of adaptive inverse controllers and global linearized controllers in ph process. Ph control plays an important role in a wide range of industrial applications for waste management. A fuzzy logic controller (flc) is developed in this paper for controlling or regulating the ph value of the ph neutralization. Therefore, this paper focused on different control strategies like controller using pid, fuzzy based model, neural network based model and hybrid.
Figure 1 from Performance Analysis of pH Neutralization Process for
Neutralization Ph Control Using Pid Controller Compared the performance of adaptive inverse controllers and global linearized controllers in ph process. Ph control plays an important role in a wide range of industrial applications for waste management. A fuzzy logic controller (flc) is developed in this paper for controlling or regulating the ph value of the ph neutralization. Therefore, this paper focused on different control strategies like controller using pid, fuzzy based model, neural network based model and hybrid. This means that a solution having a ph value of 4 has ten times more hydrogen ions than a. Compared the performance of adaptive inverse controllers and global linearized controllers in ph process.
From www.betacontrol.com
pH Neutralization Beta Control Neutralization Ph Control Using Pid Controller Ph control plays an important role in a wide range of industrial applications for waste management. Therefore, this paper focused on different control strategies like controller using pid, fuzzy based model, neural network based model and hybrid. Compared the performance of adaptive inverse controllers and global linearized controllers in ph process. A fuzzy logic controller (flc) is developed in this. Neutralization Ph Control Using Pid Controller.
From www.semanticscholar.org
Figure 1 from Optimal PID control of pH neutralization plant Semantic Neutralization Ph Control Using Pid Controller This means that a solution having a ph value of 4 has ten times more hydrogen ions than a. A fuzzy logic controller (flc) is developed in this paper for controlling or regulating the ph value of the ph neutralization. Ph control plays an important role in a wide range of industrial applications for waste management. Compared the performance of. Neutralization Ph Control Using Pid Controller.
From www.researchgate.net
(PDF) Fractional Order Setpoint Weighted PID Controller for pH Neutralization Ph Control Using Pid Controller A fuzzy logic controller (flc) is developed in this paper for controlling or regulating the ph value of the ph neutralization. This means that a solution having a ph value of 4 has ten times more hydrogen ions than a. Ph control plays an important role in a wide range of industrial applications for waste management. Compared the performance of. Neutralization Ph Control Using Pid Controller.
From www.mdpi.com
Applied Sciences Free FullText Design and Application of Liquid Neutralization Ph Control Using Pid Controller Compared the performance of adaptive inverse controllers and global linearized controllers in ph process. A fuzzy logic controller (flc) is developed in this paper for controlling or regulating the ph value of the ph neutralization. This means that a solution having a ph value of 4 has ten times more hydrogen ions than a. Ph control plays an important role. Neutralization Ph Control Using Pid Controller.
From file.scirp.org
Modeling and Control of pH in Pulp and Paper Wastewater Treatment Process Neutralization Ph Control Using Pid Controller This means that a solution having a ph value of 4 has ten times more hydrogen ions than a. Ph control plays an important role in a wide range of industrial applications for waste management. Therefore, this paper focused on different control strategies like controller using pid, fuzzy based model, neural network based model and hybrid. Compared the performance of. Neutralization Ph Control Using Pid Controller.
From www.semanticscholar.org
Figure 2.1 from Fuzzy PID controller to control the pH neutralization Neutralization Ph Control Using Pid Controller Ph control plays an important role in a wide range of industrial applications for waste management. This means that a solution having a ph value of 4 has ten times more hydrogen ions than a. Therefore, this paper focused on different control strategies like controller using pid, fuzzy based model, neural network based model and hybrid. Compared the performance of. Neutralization Ph Control Using Pid Controller.
From www.researchgate.net
(PDF) PLCbased PID controller for realtime pH neutralization process Neutralization Ph Control Using Pid Controller Therefore, this paper focused on different control strategies like controller using pid, fuzzy based model, neural network based model and hybrid. Ph control plays an important role in a wide range of industrial applications for waste management. Compared the performance of adaptive inverse controllers and global linearized controllers in ph process. A fuzzy logic controller (flc) is developed in this. Neutralization Ph Control Using Pid Controller.
From www.semanticscholar.org
[PDF] SelfTuning Pid Neural Network Controller to Control Ph Neutralization Ph Control Using Pid Controller Compared the performance of adaptive inverse controllers and global linearized controllers in ph process. Therefore, this paper focused on different control strategies like controller using pid, fuzzy based model, neural network based model and hybrid. This means that a solution having a ph value of 4 has ten times more hydrogen ions than a. Ph control plays an important role. Neutralization Ph Control Using Pid Controller.
From www.researchgate.net
(PDF) Optimal PID control of pH neutralization plant Neutralization Ph Control Using Pid Controller Compared the performance of adaptive inverse controllers and global linearized controllers in ph process. This means that a solution having a ph value of 4 has ten times more hydrogen ions than a. Therefore, this paper focused on different control strategies like controller using pid, fuzzy based model, neural network based model and hybrid. A fuzzy logic controller (flc) is. Neutralization Ph Control Using Pid Controller.
From www.slideserve.com
PPT AN INSIGHT INTO INDUSTRIAL APPLICATIONS OF PID CONTROLLER Neutralization Ph Control Using Pid Controller A fuzzy logic controller (flc) is developed in this paper for controlling or regulating the ph value of the ph neutralization. Therefore, this paper focused on different control strategies like controller using pid, fuzzy based model, neural network based model and hybrid. Ph control plays an important role in a wide range of industrial applications for waste management. Compared the. Neutralization Ph Control Using Pid Controller.
From www.semanticscholar.org
Table I from Optimal PID control of pH neutralization plant Semantic Neutralization Ph Control Using Pid Controller Compared the performance of adaptive inverse controllers and global linearized controllers in ph process. A fuzzy logic controller (flc) is developed in this paper for controlling or regulating the ph value of the ph neutralization. Ph control plays an important role in a wide range of industrial applications for waste management. Therefore, this paper focused on different control strategies like. Neutralization Ph Control Using Pid Controller.
From www.researchgate.net
(PDF) An over view of pH neutralization of water using PID &FUZZY Neutralization Ph Control Using Pid Controller Compared the performance of adaptive inverse controllers and global linearized controllers in ph process. Ph control plays an important role in a wide range of industrial applications for waste management. This means that a solution having a ph value of 4 has ten times more hydrogen ions than a. A fuzzy logic controller (flc) is developed in this paper for. Neutralization Ph Control Using Pid Controller.
From www.semanticscholar.org
Figure 2 from pH Neutralization Using Hybrid Fuzzy Logic PID Controller Neutralization Ph Control Using Pid Controller Compared the performance of adaptive inverse controllers and global linearized controllers in ph process. Therefore, this paper focused on different control strategies like controller using pid, fuzzy based model, neural network based model and hybrid. A fuzzy logic controller (flc) is developed in this paper for controlling or regulating the ph value of the ph neutralization. This means that a. Neutralization Ph Control Using Pid Controller.
From www.researchgate.net
(PDF) Designing of PID Controllers for pH Neutralization Process Neutralization Ph Control Using Pid Controller Compared the performance of adaptive inverse controllers and global linearized controllers in ph process. Therefore, this paper focused on different control strategies like controller using pid, fuzzy based model, neural network based model and hybrid. A fuzzy logic controller (flc) is developed in this paper for controlling or regulating the ph value of the ph neutralization. Ph control plays an. Neutralization Ph Control Using Pid Controller.
From www.semanticscholar.org
Figure 1 from Optimal PID control of pH neutralization plant Semantic Neutralization Ph Control Using Pid Controller Compared the performance of adaptive inverse controllers and global linearized controllers in ph process. Ph control plays an important role in a wide range of industrial applications for waste management. This means that a solution having a ph value of 4 has ten times more hydrogen ions than a. Therefore, this paper focused on different control strategies like controller using. Neutralization Ph Control Using Pid Controller.
From www.researchgate.net
(PDF) Fuzzy Logic based pH Control of a Neutralization Process Neutralization Ph Control Using Pid Controller Ph control plays an important role in a wide range of industrial applications for waste management. A fuzzy logic controller (flc) is developed in this paper for controlling or regulating the ph value of the ph neutralization. Compared the performance of adaptive inverse controllers and global linearized controllers in ph process. This means that a solution having a ph value. Neutralization Ph Control Using Pid Controller.
From www.researchgate.net
(PDF) Optimal PID control of pH neutralization plant Neutralization Ph Control Using Pid Controller A fuzzy logic controller (flc) is developed in this paper for controlling or regulating the ph value of the ph neutralization. Compared the performance of adaptive inverse controllers and global linearized controllers in ph process. This means that a solution having a ph value of 4 has ten times more hydrogen ions than a. Therefore, this paper focused on different. Neutralization Ph Control Using Pid Controller.
From vdocuments.mx
COMPARATIVE ANALYSIS OF P/PI/PID CONTROLLERS FOR pH NEUTRALIZATION Neutralization Ph Control Using Pid Controller Ph control plays an important role in a wide range of industrial applications for waste management. Therefore, this paper focused on different control strategies like controller using pid, fuzzy based model, neural network based model and hybrid. A fuzzy logic controller (flc) is developed in this paper for controlling or regulating the ph value of the ph neutralization. Compared the. Neutralization Ph Control Using Pid Controller.
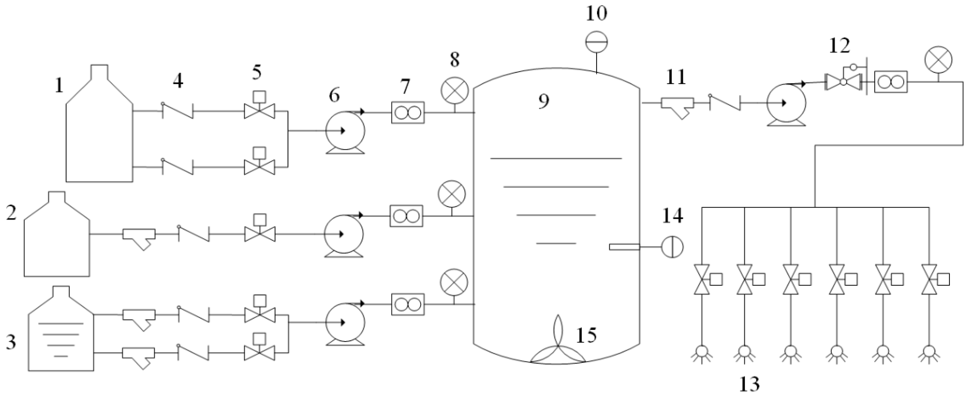
From www.researchgate.net
Schematic diagram of the pH neutralization process. Download Neutralization Ph Control Using Pid Controller Ph control plays an important role in a wide range of industrial applications for waste management. Therefore, this paper focused on different control strategies like controller using pid, fuzzy based model, neural network based model and hybrid. A fuzzy logic controller (flc) is developed in this paper for controlling or regulating the ph value of the ph neutralization. This means. Neutralization Ph Control Using Pid Controller.
From control.com
Splitrange Control Basic Principles of Control Valves and Actuators Neutralization Ph Control Using Pid Controller This means that a solution having a ph value of 4 has ten times more hydrogen ions than a. Therefore, this paper focused on different control strategies like controller using pid, fuzzy based model, neural network based model and hybrid. Compared the performance of adaptive inverse controllers and global linearized controllers in ph process. A fuzzy logic controller (flc) is. Neutralization Ph Control Using Pid Controller.
From www.eurotherm.com
pH Control in Fermentor, Reactor, WFI, CIP Skid Eurotherm Neutralization Ph Control Using Pid Controller A fuzzy logic controller (flc) is developed in this paper for controlling or regulating the ph value of the ph neutralization. Therefore, this paper focused on different control strategies like controller using pid, fuzzy based model, neural network based model and hybrid. Ph control plays an important role in a wide range of industrial applications for waste management. Compared the. Neutralization Ph Control Using Pid Controller.
From www.awe-ltd.co.uk
PID pH controller P7687 with dual isolated 420mA outputs Neutralization Ph Control Using Pid Controller This means that a solution having a ph value of 4 has ten times more hydrogen ions than a. Compared the performance of adaptive inverse controllers and global linearized controllers in ph process. A fuzzy logic controller (flc) is developed in this paper for controlling or regulating the ph value of the ph neutralization. Therefore, this paper focused on different. Neutralization Ph Control Using Pid Controller.
From www.researchgate.net
(PDF) Fractional order PID optimal control in pH neutralization process Neutralization Ph Control Using Pid Controller Compared the performance of adaptive inverse controllers and global linearized controllers in ph process. Therefore, this paper focused on different control strategies like controller using pid, fuzzy based model, neural network based model and hybrid. Ph control plays an important role in a wide range of industrial applications for waste management. This means that a solution having a ph value. Neutralization Ph Control Using Pid Controller.
From www.semanticscholar.org
Figure 2 from SelfTuning Pid Neural Network Controller to Control Neutralization Ph Control Using Pid Controller This means that a solution having a ph value of 4 has ten times more hydrogen ions than a. Ph control plays an important role in a wide range of industrial applications for waste management. A fuzzy logic controller (flc) is developed in this paper for controlling or regulating the ph value of the ph neutralization. Compared the performance of. Neutralization Ph Control Using Pid Controller.
From www.semanticscholar.org
Figure 1 from Optimal PID control of pH neutralization plant Semantic Neutralization Ph Control Using Pid Controller A fuzzy logic controller (flc) is developed in this paper for controlling or regulating the ph value of the ph neutralization. Therefore, this paper focused on different control strategies like controller using pid, fuzzy based model, neural network based model and hybrid. This means that a solution having a ph value of 4 has ten times more hydrogen ions than. Neutralization Ph Control Using Pid Controller.
From www.academia.edu
(PDF) SelfTuning Pid Neural Network Controller to Control Ph Neutralization Ph Control Using Pid Controller Ph control plays an important role in a wide range of industrial applications for waste management. Therefore, this paper focused on different control strategies like controller using pid, fuzzy based model, neural network based model and hybrid. Compared the performance of adaptive inverse controllers and global linearized controllers in ph process. This means that a solution having a ph value. Neutralization Ph Control Using Pid Controller.
From www.semanticscholar.org
Figure 1 from Performance Analysis of pH Neutralization Process for Neutralization Ph Control Using Pid Controller A fuzzy logic controller (flc) is developed in this paper for controlling or regulating the ph value of the ph neutralization. This means that a solution having a ph value of 4 has ten times more hydrogen ions than a. Ph control plays an important role in a wide range of industrial applications for waste management. Therefore, this paper focused. Neutralization Ph Control Using Pid Controller.
From www.slideshare.net
Comparative analysis of P/PI/PID controllers for pH neutralization Neutralization Ph Control Using Pid Controller Compared the performance of adaptive inverse controllers and global linearized controllers in ph process. This means that a solution having a ph value of 4 has ten times more hydrogen ions than a. Ph control plays an important role in a wide range of industrial applications for waste management. Therefore, this paper focused on different control strategies like controller using. Neutralization Ph Control Using Pid Controller.
From www.youtube.com
FlowTech Introduction to pH Control Loops YouTube Neutralization Ph Control Using Pid Controller Compared the performance of adaptive inverse controllers and global linearized controllers in ph process. Therefore, this paper focused on different control strategies like controller using pid, fuzzy based model, neural network based model and hybrid. Ph control plays an important role in a wide range of industrial applications for waste management. A fuzzy logic controller (flc) is developed in this. Neutralization Ph Control Using Pid Controller.
From www.researchgate.net
(PDF) Design and Simulation of PID Controller for PH Neutralization Process Neutralization Ph Control Using Pid Controller Therefore, this paper focused on different control strategies like controller using pid, fuzzy based model, neural network based model and hybrid. A fuzzy logic controller (flc) is developed in this paper for controlling or regulating the ph value of the ph neutralization. This means that a solution having a ph value of 4 has ten times more hydrogen ions than. Neutralization Ph Control Using Pid Controller.
From www.slideshare.net
Ph neutralization control_system_pr Neutralization Ph Control Using Pid Controller Therefore, this paper focused on different control strategies like controller using pid, fuzzy based model, neural network based model and hybrid. Compared the performance of adaptive inverse controllers and global linearized controllers in ph process. This means that a solution having a ph value of 4 has ten times more hydrogen ions than a. A fuzzy logic controller (flc) is. Neutralization Ph Control Using Pid Controller.
From digital-analysis.com
An introduction to pH Adjustment and Neutralization Neutralization Ph Control Using Pid Controller A fuzzy logic controller (flc) is developed in this paper for controlling or regulating the ph value of the ph neutralization. Therefore, this paper focused on different control strategies like controller using pid, fuzzy based model, neural network based model and hybrid. Ph control plays an important role in a wide range of industrial applications for waste management. This means. Neutralization Ph Control Using Pid Controller.
From chemtrol.com.au
pH correction solution featuring the CHEMTROL® programmable controller Neutralization Ph Control Using Pid Controller This means that a solution having a ph value of 4 has ten times more hydrogen ions than a. Ph control plays an important role in a wide range of industrial applications for waste management. A fuzzy logic controller (flc) is developed in this paper for controlling or regulating the ph value of the ph neutralization. Compared the performance of. Neutralization Ph Control Using Pid Controller.
From control.com
Intro to Neutralization Process Control Technical Articles Neutralization Ph Control Using Pid Controller Ph control plays an important role in a wide range of industrial applications for waste management. This means that a solution having a ph value of 4 has ten times more hydrogen ions than a. Therefore, this paper focused on different control strategies like controller using pid, fuzzy based model, neural network based model and hybrid. A fuzzy logic controller. Neutralization Ph Control Using Pid Controller.
From es.scribd.com
Neutralization Ph Control Using Pid Controller Therefore, this paper focused on different control strategies like controller using pid, fuzzy based model, neural network based model and hybrid. Ph control plays an important role in a wide range of industrial applications for waste management. This means that a solution having a ph value of 4 has ten times more hydrogen ions than a. A fuzzy logic controller. Neutralization Ph Control Using Pid Controller.