Draw Clock Circuit Of 8051 Microcontroller . This circuit is made up of two components: A digital clock is one that displays time digitally. This external circuit consists of a quartz crystal and capacitors,. An oscillator and a clock generator. To control the timing of its operation, the 8051 microcontroller uses a clock circuit. So lets get to business! You only need to make 2 connections between the rtc module and 8051. The primary component of the 8051 clock system is the crystal oscillator. In this project, we are going to demonstrate making a rtc clock using 8051 microcontroller. Drawing a clock circuit for an 8051 involves connecting a crystal oscillator to the microcontroller's interrupt input, timer 1's input capture pin, and timer 0's output pin. The major component of this project is ds1307 which is a real time. The circuit explained here displays time with two ‘minutes’ digits and two ‘seconds’ digits on four seven segment displays. Interfacing an rtc module to 8051 microcontroller is pretty simple.
from diagramliblt1stals.z13.web.core.windows.net
Drawing a clock circuit for an 8051 involves connecting a crystal oscillator to the microcontroller's interrupt input, timer 1's input capture pin, and timer 0's output pin. A digital clock is one that displays time digitally. The major component of this project is ds1307 which is a real time. An oscillator and a clock generator. You only need to make 2 connections between the rtc module and 8051. This external circuit consists of a quartz crystal and capacitors,. The circuit explained here displays time with two ‘minutes’ digits and two ‘seconds’ digits on four seven segment displays. The primary component of the 8051 clock system is the crystal oscillator. In this project, we are going to demonstrate making a rtc clock using 8051 microcontroller. To control the timing of its operation, the 8051 microcontroller uses a clock circuit.
8051 Microcontroller Circuit Diagram Explanation
Draw Clock Circuit Of 8051 Microcontroller To control the timing of its operation, the 8051 microcontroller uses a clock circuit. Interfacing an rtc module to 8051 microcontroller is pretty simple. This circuit is made up of two components: You only need to make 2 connections between the rtc module and 8051. Drawing a clock circuit for an 8051 involves connecting a crystal oscillator to the microcontroller's interrupt input, timer 1's input capture pin, and timer 0's output pin. An oscillator and a clock generator. This external circuit consists of a quartz crystal and capacitors,. The circuit explained here displays time with two ‘minutes’ digits and two ‘seconds’ digits on four seven segment displays. A digital clock is one that displays time digitally. So lets get to business! The major component of this project is ds1307 which is a real time. To control the timing of its operation, the 8051 microcontroller uses a clock circuit. In this project, we are going to demonstrate making a rtc clock using 8051 microcontroller. The primary component of the 8051 clock system is the crystal oscillator.
From www.youtube.com
Digital clock using 8051 microcontroller Part2 YouTube Draw Clock Circuit Of 8051 Microcontroller Interfacing an rtc module to 8051 microcontroller is pretty simple. Drawing a clock circuit for an 8051 involves connecting a crystal oscillator to the microcontroller's interrupt input, timer 1's input capture pin, and timer 0's output pin. This circuit is made up of two components: So lets get to business! An oscillator and a clock generator. To control the timing. Draw Clock Circuit Of 8051 Microcontroller.
From www.circuitdiagram.co
Draw Clock Circuit Of 8051 Microcontroller Circuit Diagram Draw Clock Circuit Of 8051 Microcontroller The primary component of the 8051 clock system is the crystal oscillator. In this project, we are going to demonstrate making a rtc clock using 8051 microcontroller. This external circuit consists of a quartz crystal and capacitors,. The circuit explained here displays time with two ‘minutes’ digits and two ‘seconds’ digits on four seven segment displays. A digital clock is. Draw Clock Circuit Of 8051 Microcontroller.
From www.circuitdiagram.co
Draw Clock Circuit Of 8051 Microcontroller Circuit Diagram Draw Clock Circuit Of 8051 Microcontroller An oscillator and a clock generator. You only need to make 2 connections between the rtc module and 8051. The primary component of the 8051 clock system is the crystal oscillator. This circuit is made up of two components: Interfacing an rtc module to 8051 microcontroller is pretty simple. A digital clock is one that displays time digitally. To control. Draw Clock Circuit Of 8051 Microcontroller.
From guidemanualgodel.z21.web.core.windows.net
8051 Microcontroller Kit Circuit Diagram Draw Clock Circuit Of 8051 Microcontroller A digital clock is one that displays time digitally. The major component of this project is ds1307 which is a real time. Drawing a clock circuit for an 8051 involves connecting a crystal oscillator to the microcontroller's interrupt input, timer 1's input capture pin, and timer 0's output pin. You only need to make 2 connections between the rtc module. Draw Clock Circuit Of 8051 Microcontroller.
From www.circuitdiagram.co
Simple Digital Clock Using 8051 Microcontroller At89c51 Circuit Diagram Draw Clock Circuit Of 8051 Microcontroller An oscillator and a clock generator. A digital clock is one that displays time digitally. To control the timing of its operation, the 8051 microcontroller uses a clock circuit. This external circuit consists of a quartz crystal and capacitors,. Drawing a clock circuit for an 8051 involves connecting a crystal oscillator to the microcontroller's interrupt input, timer 1's input capture. Draw Clock Circuit Of 8051 Microcontroller.
From diagramliblt1stals.z13.web.core.windows.net
8051 Microcontroller Circuit Diagram Explanation Draw Clock Circuit Of 8051 Microcontroller An oscillator and a clock generator. The major component of this project is ds1307 which is a real time. Interfacing an rtc module to 8051 microcontroller is pretty simple. A digital clock is one that displays time digitally. The circuit explained here displays time with two ‘minutes’ digits and two ‘seconds’ digits on four seven segment displays. You only need. Draw Clock Circuit Of 8051 Microcontroller.
From diagramenginesimpson.z21.web.core.windows.net
8051 Microcontroller Projects Circuit Diagram Draw Clock Circuit Of 8051 Microcontroller A digital clock is one that displays time digitally. You only need to make 2 connections between the rtc module and 8051. The circuit explained here displays time with two ‘minutes’ digits and two ‘seconds’ digits on four seven segment displays. Drawing a clock circuit for an 8051 involves connecting a crystal oscillator to the microcontroller's interrupt input, timer 1's. Draw Clock Circuit Of 8051 Microcontroller.
From diagramenginesilke.z19.web.core.windows.net
8051 Digital Clock Circuit Diagram Draw Clock Circuit Of 8051 Microcontroller This external circuit consists of a quartz crystal and capacitors,. So lets get to business! The circuit explained here displays time with two ‘minutes’ digits and two ‘seconds’ digits on four seven segment displays. An oscillator and a clock generator. In this project, we are going to demonstrate making a rtc clock using 8051 microcontroller. A digital clock is one. Draw Clock Circuit Of 8051 Microcontroller.
From www.engineersgarage.com
Digital Clock with time set option using seven segment and 8051 Draw Clock Circuit Of 8051 Microcontroller The circuit explained here displays time with two ‘minutes’ digits and two ‘seconds’ digits on four seven segment displays. In this project, we are going to demonstrate making a rtc clock using 8051 microcontroller. The major component of this project is ds1307 which is a real time. Interfacing an rtc module to 8051 microcontroller is pretty simple. This external circuit. Draw Clock Circuit Of 8051 Microcontroller.
From diagramfixvalencia.z21.web.core.windows.net
Digital Clock Circuit Diagram Using 8051 Draw Clock Circuit Of 8051 Microcontroller The major component of this project is ds1307 which is a real time. A digital clock is one that displays time digitally. So lets get to business! Drawing a clock circuit for an 8051 involves connecting a crystal oscillator to the microcontroller's interrupt input, timer 1's input capture pin, and timer 0's output pin. This external circuit consists of a. Draw Clock Circuit Of 8051 Microcontroller.
From www.circuitdiagram.co
Simple Digital Clock Using 8051 Microcontroller At89c51 Circuit Diagram Draw Clock Circuit Of 8051 Microcontroller The primary component of the 8051 clock system is the crystal oscillator. An oscillator and a clock generator. This circuit is made up of two components: So lets get to business! Drawing a clock circuit for an 8051 involves connecting a crystal oscillator to the microcontroller's interrupt input, timer 1's input capture pin, and timer 0's output pin. You only. Draw Clock Circuit Of 8051 Microcontroller.
From circuitlibmaxima.z13.web.core.windows.net
8051 Microcontroller Projects Circuit Diagram Draw Clock Circuit Of 8051 Microcontroller The major component of this project is ds1307 which is a real time. Interfacing an rtc module to 8051 microcontroller is pretty simple. A digital clock is one that displays time digitally. An oscillator and a clock generator. This external circuit consists of a quartz crystal and capacitors,. To control the timing of its operation, the 8051 microcontroller uses a. Draw Clock Circuit Of 8051 Microcontroller.
From www.pinterest.com
Digital Clock Circuit using 8051 and DS12C887 Circuit diagram Draw Clock Circuit Of 8051 Microcontroller Drawing a clock circuit for an 8051 involves connecting a crystal oscillator to the microcontroller's interrupt input, timer 1's input capture pin, and timer 0's output pin. So lets get to business! This circuit is made up of two components: The primary component of the 8051 clock system is the crystal oscillator. In this project, we are going to demonstrate. Draw Clock Circuit Of 8051 Microcontroller.
From www.theengineeringprojects.com
Interrupt Based Digital Clock with 8051 Microcontroller The Draw Clock Circuit Of 8051 Microcontroller Interfacing an rtc module to 8051 microcontroller is pretty simple. To control the timing of its operation, the 8051 microcontroller uses a clock circuit. The major component of this project is ds1307 which is a real time. A digital clock is one that displays time digitally. You only need to make 2 connections between the rtc module and 8051. This. Draw Clock Circuit Of 8051 Microcontroller.
From diagramwiringforster.z13.web.core.windows.net
Digital Clock Circuit Diagram Using 8051 Draw Clock Circuit Of 8051 Microcontroller A digital clock is one that displays time digitally. So lets get to business! This circuit is made up of two components: The circuit explained here displays time with two ‘minutes’ digits and two ‘seconds’ digits on four seven segment displays. An oscillator and a clock generator. In this project, we are going to demonstrate making a rtc clock using. Draw Clock Circuit Of 8051 Microcontroller.
From wiredataangelika.z19.web.core.windows.net
Circuit Diagram Of 8051 Programmer Draw Clock Circuit Of 8051 Microcontroller This circuit is made up of two components: The major component of this project is ds1307 which is a real time. So lets get to business! Interfacing an rtc module to 8051 microcontroller is pretty simple. Drawing a clock circuit for an 8051 involves connecting a crystal oscillator to the microcontroller's interrupt input, timer 1's input capture pin, and timer. Draw Clock Circuit Of 8051 Microcontroller.
From github.com
GitHub ashvnv/8051digitalclockrtc 24hr digital clock using 8051 Draw Clock Circuit Of 8051 Microcontroller To control the timing of its operation, the 8051 microcontroller uses a clock circuit. You only need to make 2 connections between the rtc module and 8051. In this project, we are going to demonstrate making a rtc clock using 8051 microcontroller. The primary component of the 8051 clock system is the crystal oscillator. The circuit explained here displays time. Draw Clock Circuit Of 8051 Microcontroller.
From www.circuitdiagram.co
Digital Clock Circuit Diagram Using Microcontroller Circuit Diagram Draw Clock Circuit Of 8051 Microcontroller The major component of this project is ds1307 which is a real time. Interfacing an rtc module to 8051 microcontroller is pretty simple. The circuit explained here displays time with two ‘minutes’ digits and two ‘seconds’ digits on four seven segment displays. So lets get to business! In this project, we are going to demonstrate making a rtc clock using. Draw Clock Circuit Of 8051 Microcontroller.
From www.youtube.com
Digital clock using 8051 microcontroller YouTube Draw Clock Circuit Of 8051 Microcontroller The primary component of the 8051 clock system is the crystal oscillator. Interfacing an rtc module to 8051 microcontroller is pretty simple. This external circuit consists of a quartz crystal and capacitors,. An oscillator and a clock generator. This circuit is made up of two components: In this project, we are going to demonstrate making a rtc clock using 8051. Draw Clock Circuit Of 8051 Microcontroller.
From www.hackster.io
Digital Clock Using 8051 with 7 Segment Display Hackster.io Draw Clock Circuit Of 8051 Microcontroller This circuit is made up of two components: A digital clock is one that displays time digitally. You only need to make 2 connections between the rtc module and 8051. The major component of this project is ds1307 which is a real time. An oscillator and a clock generator. In this project, we are going to demonstrate making a rtc. Draw Clock Circuit Of 8051 Microcontroller.
From userwiringamanda.z14.web.core.windows.net
Draw Clock Circuit Of 8051 Microcontroller Draw Clock Circuit Of 8051 Microcontroller So lets get to business! The circuit explained here displays time with two ‘minutes’ digits and two ‘seconds’ digits on four seven segment displays. In this project, we are going to demonstrate making a rtc clock using 8051 microcontroller. You only need to make 2 connections between the rtc module and 8051. Interfacing an rtc module to 8051 microcontroller is. Draw Clock Circuit Of 8051 Microcontroller.
From guidefixcrims0nheartls.z14.web.core.windows.net
Digital Clock Circuit Diagram Using 8051 Draw Clock Circuit Of 8051 Microcontroller To control the timing of its operation, the 8051 microcontroller uses a clock circuit. The circuit explained here displays time with two ‘minutes’ digits and two ‘seconds’ digits on four seven segment displays. The primary component of the 8051 clock system is the crystal oscillator. So lets get to business! An oscillator and a clock generator. The major component of. Draw Clock Circuit Of 8051 Microcontroller.
From 8051microcontrollerfamily.blogspot.com
Clock circuit of 8051 Microcontroller Family Draw Clock Circuit Of 8051 Microcontroller An oscillator and a clock generator. In this project, we are going to demonstrate making a rtc clock using 8051 microcontroller. To control the timing of its operation, the 8051 microcontroller uses a clock circuit. Interfacing an rtc module to 8051 microcontroller is pretty simple. The circuit explained here displays time with two ‘minutes’ digits and two ‘seconds’ digits on. Draw Clock Circuit Of 8051 Microcontroller.
From www.engineersgarage.com
How to interface ADC0808 with 8051 microcontroller (AT89C51) using Draw Clock Circuit Of 8051 Microcontroller You only need to make 2 connections between the rtc module and 8051. So lets get to business! In this project, we are going to demonstrate making a rtc clock using 8051 microcontroller. Interfacing an rtc module to 8051 microcontroller is pretty simple. A digital clock is one that displays time digitally. This circuit is made up of two components:. Draw Clock Circuit Of 8051 Microcontroller.
From wiringschema.com
[DIAGRAM] Circuit Diagram 8051 Microcontroller Draw Clock Circuit Of 8051 Microcontroller So lets get to business! An oscillator and a clock generator. The circuit explained here displays time with two ‘minutes’ digits and two ‘seconds’ digits on four seven segment displays. You only need to make 2 connections between the rtc module and 8051. A digital clock is one that displays time digitally. Drawing a clock circuit for an 8051 involves. Draw Clock Circuit Of 8051 Microcontroller.
From www.engineersgarage.com
Digital alarm clock using LCD and 8051 microcontroller Draw Clock Circuit Of 8051 Microcontroller Drawing a clock circuit for an 8051 involves connecting a crystal oscillator to the microcontroller's interrupt input, timer 1's input capture pin, and timer 0's output pin. So lets get to business! Interfacing an rtc module to 8051 microcontroller is pretty simple. The primary component of the 8051 clock system is the crystal oscillator. A digital clock is one that. Draw Clock Circuit Of 8051 Microcontroller.
From www.engineersgarage.com
Digital alarm clock with 8051(89c51) microcontroller Draw Clock Circuit Of 8051 Microcontroller This external circuit consists of a quartz crystal and capacitors,. Interfacing an rtc module to 8051 microcontroller is pretty simple. In this project, we are going to demonstrate making a rtc clock using 8051 microcontroller. The circuit explained here displays time with two ‘minutes’ digits and two ‘seconds’ digits on four seven segment displays. An oscillator and a clock generator.. Draw Clock Circuit Of 8051 Microcontroller.
From www.zseries.in
Architecture of 8051 8051 Microcontroller Course Draw Clock Circuit Of 8051 Microcontroller The major component of this project is ds1307 which is a real time. An oscillator and a clock generator. To control the timing of its operation, the 8051 microcontroller uses a clock circuit. Interfacing an rtc module to 8051 microcontroller is pretty simple. So lets get to business! A digital clock is one that displays time digitally. The circuit explained. Draw Clock Circuit Of 8051 Microcontroller.
From www.electronicshub.org
Digital Clock Circuit using 8051 Microcontroller and DS12C887 Draw Clock Circuit Of 8051 Microcontroller Interfacing an rtc module to 8051 microcontroller is pretty simple. The circuit explained here displays time with two ‘minutes’ digits and two ‘seconds’ digits on four seven segment displays. Drawing a clock circuit for an 8051 involves connecting a crystal oscillator to the microcontroller's interrupt input, timer 1's input capture pin, and timer 0's output pin. This circuit is made. Draw Clock Circuit Of 8051 Microcontroller.
From enginelibnatalie.z21.web.core.windows.net
8051 Microcontroller Kit Circuit Diagram Draw Clock Circuit Of 8051 Microcontroller A digital clock is one that displays time digitally. This circuit is made up of two components: You only need to make 2 connections between the rtc module and 8051. In this project, we are going to demonstrate making a rtc clock using 8051 microcontroller. This external circuit consists of a quartz crystal and capacitors,. An oscillator and a clock. Draw Clock Circuit Of 8051 Microcontroller.
From www.youtube.com
Digital clock using 8051 microcontroller Part1 YouTube Draw Clock Circuit Of 8051 Microcontroller So lets get to business! You only need to make 2 connections between the rtc module and 8051. Interfacing an rtc module to 8051 microcontroller is pretty simple. To control the timing of its operation, the 8051 microcontroller uses a clock circuit. An oscillator and a clock generator. A digital clock is one that displays time digitally. In this project,. Draw Clock Circuit Of 8051 Microcontroller.
From diagramenginesilke.z19.web.core.windows.net
8051 Microcontroller Basic Circuit Diagram Draw Clock Circuit Of 8051 Microcontroller To control the timing of its operation, the 8051 microcontroller uses a clock circuit. The major component of this project is ds1307 which is a real time. The primary component of the 8051 clock system is the crystal oscillator. So lets get to business! The circuit explained here displays time with two ‘minutes’ digits and two ‘seconds’ digits on four. Draw Clock Circuit Of 8051 Microcontroller.
From userdiagramwirtz.z19.web.core.windows.net
Digital Clock Circuit Diagram Using 8051 Draw Clock Circuit Of 8051 Microcontroller So lets get to business! This circuit is made up of two components: Drawing a clock circuit for an 8051 involves connecting a crystal oscillator to the microcontroller's interrupt input, timer 1's input capture pin, and timer 0's output pin. In this project, we are going to demonstrate making a rtc clock using 8051 microcontroller. This external circuit consists of. Draw Clock Circuit Of 8051 Microcontroller.
From www.engineersgarage.com
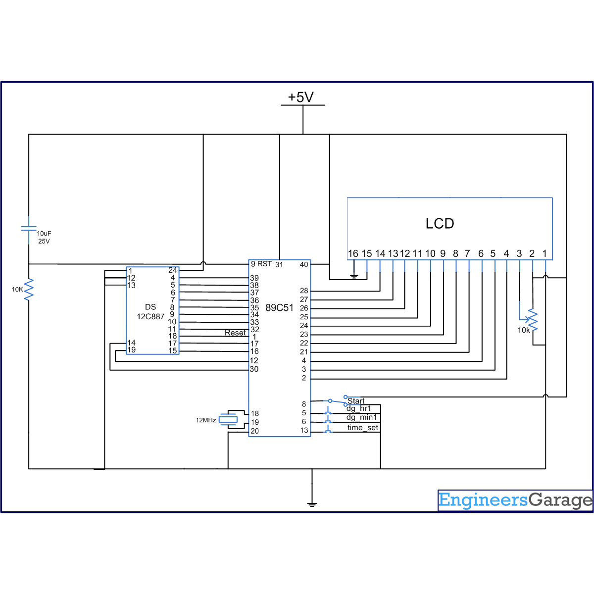
Digital clock using RTC DS12C887 and 8051 microcontroller (AT89C51 Draw Clock Circuit Of 8051 Microcontroller This circuit is made up of two components: An oscillator and a clock generator. So lets get to business! This external circuit consists of a quartz crystal and capacitors,. You only need to make 2 connections between the rtc module and 8051. Drawing a clock circuit for an 8051 involves connecting a crystal oscillator to the microcontroller's interrupt input, timer. Draw Clock Circuit Of 8051 Microcontroller.
From enginelibnatalie.z21.web.core.windows.net
8051 Microcontroller Kit Circuit Diagram Draw Clock Circuit Of 8051 Microcontroller The major component of this project is ds1307 which is a real time. This circuit is made up of two components: The circuit explained here displays time with two ‘minutes’ digits and two ‘seconds’ digits on four seven segment displays. This external circuit consists of a quartz crystal and capacitors,. Drawing a clock circuit for an 8051 involves connecting a. Draw Clock Circuit Of 8051 Microcontroller.