P2537-00 Ignition Accessory Switch Circuit Low Voltage . This means that the vehicle's onboard. Learn what ignition accessory switch circuit low voltage means,. Repair information for p2537 2018 gmc sierra code. The p2537 gmc code refers to the ignition accessory switch circuit low voltage. The p2537 code for chevrolet vehicles indicates a problem with the ignition accessory switch circuit, specifically a low. Ignition switch accessory position circuit low code means that there is insufficient voltage being detected in the. Learn what ignition accessory switch circuit low voltage means, location and. The diagnostic trouble code p2537 indicates that there is a low voltage condition in the ignition accessory switch circuit. If you’re experiencing the p2537 fault code in your automobile, which is indicated by the engine light on or service engine soon warning light, it could be due to a faulty body control module. Repair information for p2537 2016 chevrolet silverado code.
from www.alibaba.com
Learn what ignition accessory switch circuit low voltage means,. The p2537 code for chevrolet vehicles indicates a problem with the ignition accessory switch circuit, specifically a low. Ignition switch accessory position circuit low code means that there is insufficient voltage being detected in the. The diagnostic trouble code p2537 indicates that there is a low voltage condition in the ignition accessory switch circuit. Repair information for p2537 2018 gmc sierra code. The p2537 gmc code refers to the ignition accessory switch circuit low voltage. Learn what ignition accessory switch circuit low voltage means, location and. This means that the vehicle's onboard. Repair information for p2537 2016 chevrolet silverado code. If you’re experiencing the p2537 fault code in your automobile, which is indicated by the engine light on or service engine soon warning light, it could be due to a faulty body control module.
Ignition Switch 1524863590 For Engine Gl11000 Gl6000a Gl7000 Gl9000a
P2537-00 Ignition Accessory Switch Circuit Low Voltage Learn what ignition accessory switch circuit low voltage means,. Repair information for p2537 2018 gmc sierra code. Ignition switch accessory position circuit low code means that there is insufficient voltage being detected in the. Learn what ignition accessory switch circuit low voltage means, location and. The p2537 code for chevrolet vehicles indicates a problem with the ignition accessory switch circuit, specifically a low. Learn what ignition accessory switch circuit low voltage means,. The diagnostic trouble code p2537 indicates that there is a low voltage condition in the ignition accessory switch circuit. Repair information for p2537 2016 chevrolet silverado code. If you’re experiencing the p2537 fault code in your automobile, which is indicated by the engine light on or service engine soon warning light, it could be due to a faulty body control module. The p2537 gmc code refers to the ignition accessory switch circuit low voltage. This means that the vehicle's onboard.
From acsproducts.co
Ignition Switch Installation Instructions ACS Products Company P2537-00 Ignition Accessory Switch Circuit Low Voltage This means that the vehicle's onboard. Learn what ignition accessory switch circuit low voltage means,. The p2537 gmc code refers to the ignition accessory switch circuit low voltage. The p2537 code for chevrolet vehicles indicates a problem with the ignition accessory switch circuit, specifically a low. Ignition switch accessory position circuit low code means that there is insufficient voltage being. P2537-00 Ignition Accessory Switch Circuit Low Voltage.
From bluestarperformance.com
Starter and Ignition Switch 1232508 CH2537 Plymouth Imperial P2537-00 Ignition Accessory Switch Circuit Low Voltage If you’re experiencing the p2537 fault code in your automobile, which is indicated by the engine light on or service engine soon warning light, it could be due to a faulty body control module. Learn what ignition accessory switch circuit low voltage means,. Repair information for p2537 2016 chevrolet silverado code. This means that the vehicle's onboard. The p2537 gmc. P2537-00 Ignition Accessory Switch Circuit Low Voltage.
From www.slideserve.com
PPT Automotive Ignition Systems PowerPoint Presentation, free P2537-00 Ignition Accessory Switch Circuit Low Voltage The p2537 gmc code refers to the ignition accessory switch circuit low voltage. Learn what ignition accessory switch circuit low voltage means,. The p2537 code for chevrolet vehicles indicates a problem with the ignition accessory switch circuit, specifically a low. Ignition switch accessory position circuit low code means that there is insufficient voltage being detected in the. The diagnostic trouble. P2537-00 Ignition Accessory Switch Circuit Low Voltage.
From enginelibmongolians.z21.web.core.windows.net
Badlands Turn Signal Module Wiring Diagram P2537-00 Ignition Accessory Switch Circuit Low Voltage Learn what ignition accessory switch circuit low voltage means,. The p2537 gmc code refers to the ignition accessory switch circuit low voltage. Repair information for p2537 2018 gmc sierra code. The p2537 code for chevrolet vehicles indicates a problem with the ignition accessory switch circuit, specifically a low. Repair information for p2537 2016 chevrolet silverado code. This means that the. P2537-00 Ignition Accessory Switch Circuit Low Voltage.
From saiyingpower.en.made-in-china.com
Electric Motorcycle Scooter Ignition Key Power Switch Lock Set for Two P2537-00 Ignition Accessory Switch Circuit Low Voltage Repair information for p2537 2016 chevrolet silverado code. Ignition switch accessory position circuit low code means that there is insufficient voltage being detected in the. The p2537 gmc code refers to the ignition accessory switch circuit low voltage. Learn what ignition accessory switch circuit low voltage means,. Repair information for p2537 2018 gmc sierra code. Learn what ignition accessory switch. P2537-00 Ignition Accessory Switch Circuit Low Voltage.
From transwikia.com
Does the third "ACC" or accessory wire of this GPS need to be connected P2537-00 Ignition Accessory Switch Circuit Low Voltage Repair information for p2537 2018 gmc sierra code. The p2537 code for chevrolet vehicles indicates a problem with the ignition accessory switch circuit, specifically a low. The p2537 gmc code refers to the ignition accessory switch circuit low voltage. This means that the vehicle's onboard. The diagnostic trouble code p2537 indicates that there is a low voltage condition in the. P2537-00 Ignition Accessory Switch Circuit Low Voltage.
From esquilo.io
Mopar Ignition Switch Wiring Diagram Esquilo.io P2537-00 Ignition Accessory Switch Circuit Low Voltage Learn what ignition accessory switch circuit low voltage means, location and. Repair information for p2537 2016 chevrolet silverado code. Ignition switch accessory position circuit low code means that there is insufficient voltage being detected in the. This means that the vehicle's onboard. The p2537 gmc code refers to the ignition accessory switch circuit low voltage. The diagnostic trouble code p2537. P2537-00 Ignition Accessory Switch Circuit Low Voltage.
From www.walmart.com
Yamaha New OEM PANEL, MAIN IGNITION KEY SWITCH ASSY 704825701100 P2537-00 Ignition Accessory Switch Circuit Low Voltage Ignition switch accessory position circuit low code means that there is insufficient voltage being detected in the. Learn what ignition accessory switch circuit low voltage means,. The p2537 code for chevrolet vehicles indicates a problem with the ignition accessory switch circuit, specifically a low. The p2537 gmc code refers to the ignition accessory switch circuit low voltage. Repair information for. P2537-00 Ignition Accessory Switch Circuit Low Voltage.
From www.autocodes.com
Code P2315 2015 GMC Sierra Ignition Coil 6 Control Circuit Low Voltage P2537-00 Ignition Accessory Switch Circuit Low Voltage If you’re experiencing the p2537 fault code in your automobile, which is indicated by the engine light on or service engine soon warning light, it could be due to a faulty body control module. The p2537 code for chevrolet vehicles indicates a problem with the ignition accessory switch circuit, specifically a low. Repair information for p2537 2018 gmc sierra code.. P2537-00 Ignition Accessory Switch Circuit Low Voltage.
From www.desertcart.nz
Buy HD Switch Made in USA Ignition Key Switch Wiring Harness 18 P2537-00 Ignition Accessory Switch Circuit Low Voltage The diagnostic trouble code p2537 indicates that there is a low voltage condition in the ignition accessory switch circuit. Repair information for p2537 2016 chevrolet silverado code. Repair information for p2537 2018 gmc sierra code. Ignition switch accessory position circuit low code means that there is insufficient voltage being detected in the. Learn what ignition accessory switch circuit low voltage. P2537-00 Ignition Accessory Switch Circuit Low Voltage.
From wiredraw.co
Ignition Switch Wire Diagram Wiring Draw P2537-00 Ignition Accessory Switch Circuit Low Voltage The p2537 gmc code refers to the ignition accessory switch circuit low voltage. Learn what ignition accessory switch circuit low voltage means, location and. Ignition switch accessory position circuit low code means that there is insufficient voltage being detected in the. The diagnostic trouble code p2537 indicates that there is a low voltage condition in the ignition accessory switch circuit.. P2537-00 Ignition Accessory Switch Circuit Low Voltage.
From www.crowleymarine.com
Service Manual 4090 HP Electrical And Ignition [Ignition System P2537-00 Ignition Accessory Switch Circuit Low Voltage Learn what ignition accessory switch circuit low voltage means, location and. Learn what ignition accessory switch circuit low voltage means,. The diagnostic trouble code p2537 indicates that there is a low voltage condition in the ignition accessory switch circuit. The p2537 code for chevrolet vehicles indicates a problem with the ignition accessory switch circuit, specifically a low. This means that. P2537-00 Ignition Accessory Switch Circuit Low Voltage.
From wiring10.blogspot.com
3497644 Ignition Switch Wiring Diagram 29 Lawn Mower Ignition Switch P2537-00 Ignition Accessory Switch Circuit Low Voltage Repair information for p2537 2018 gmc sierra code. Ignition switch accessory position circuit low code means that there is insufficient voltage being detected in the. Repair information for p2537 2016 chevrolet silverado code. Learn what ignition accessory switch circuit low voltage means, location and. The p2537 gmc code refers to the ignition accessory switch circuit low voltage. If you’re experiencing. P2537-00 Ignition Accessory Switch Circuit Low Voltage.
From www.autoserviceprofessional.com
Honda Rocker Oil Switch 20160301 Auto Service Professional P2537-00 Ignition Accessory Switch Circuit Low Voltage Ignition switch accessory position circuit low code means that there is insufficient voltage being detected in the. The p2537 code for chevrolet vehicles indicates a problem with the ignition accessory switch circuit, specifically a low. Repair information for p2537 2018 gmc sierra code. The diagnostic trouble code p2537 indicates that there is a low voltage condition in the ignition accessory. P2537-00 Ignition Accessory Switch Circuit Low Voltage.
From www.walmart.com
Ecoyyzn 5 Pins Mower Ignition Starter Switch With Keys Replacment Part P2537-00 Ignition Accessory Switch Circuit Low Voltage The diagnostic trouble code p2537 indicates that there is a low voltage condition in the ignition accessory switch circuit. Learn what ignition accessory switch circuit low voltage means, location and. The p2537 code for chevrolet vehicles indicates a problem with the ignition accessory switch circuit, specifically a low. This means that the vehicle's onboard. Repair information for p2537 2018 gmc. P2537-00 Ignition Accessory Switch Circuit Low Voltage.
From kwikwire.com
Ignition Switch Kwik Wire Electrify Your Ride P2537-00 Ignition Accessory Switch Circuit Low Voltage Repair information for p2537 2016 chevrolet silverado code. Ignition switch accessory position circuit low code means that there is insufficient voltage being detected in the. The diagnostic trouble code p2537 indicates that there is a low voltage condition in the ignition accessory switch circuit. Repair information for p2537 2018 gmc sierra code. This means that the vehicle's onboard. If you’re. P2537-00 Ignition Accessory Switch Circuit Low Voltage.
From www.minimania.com
DISTRIBUTORS working basics. P2537-00 Ignition Accessory Switch Circuit Low Voltage The p2537 code for chevrolet vehicles indicates a problem with the ignition accessory switch circuit, specifically a low. Learn what ignition accessory switch circuit low voltage means, location and. Repair information for p2537 2016 chevrolet silverado code. The diagnostic trouble code p2537 indicates that there is a low voltage condition in the ignition accessory switch circuit. Learn what ignition accessory. P2537-00 Ignition Accessory Switch Circuit Low Voltage.
From www.alibaba.com
Motorcycle Ignition Switch Lock Key Set For Yamaha 55v8250100 3ly P2537-00 Ignition Accessory Switch Circuit Low Voltage The diagnostic trouble code p2537 indicates that there is a low voltage condition in the ignition accessory switch circuit. This means that the vehicle's onboard. Repair information for p2537 2016 chevrolet silverado code. Learn what ignition accessory switch circuit low voltage means, location and. Ignition switch accessory position circuit low code means that there is insufficient voltage being detected in. P2537-00 Ignition Accessory Switch Circuit Low Voltage.
From kdi-ppi.com
The Ultimate Guide to Understanding Simplicity Ignition Switch Diagrams P2537-00 Ignition Accessory Switch Circuit Low Voltage Repair information for p2537 2018 gmc sierra code. The diagnostic trouble code p2537 indicates that there is a low voltage condition in the ignition accessory switch circuit. The p2537 gmc code refers to the ignition accessory switch circuit low voltage. This means that the vehicle's onboard. Learn what ignition accessory switch circuit low voltage means, location and. Learn what ignition. P2537-00 Ignition Accessory Switch Circuit Low Voltage.
From wiringdiagram99.blogspot.com
Mercury Outboard Wiring Diagram Ignition Switch Wiring Diagram Database P2537-00 Ignition Accessory Switch Circuit Low Voltage Ignition switch accessory position circuit low code means that there is insufficient voltage being detected in the. Repair information for p2537 2018 gmc sierra code. Learn what ignition accessory switch circuit low voltage means,. Repair information for p2537 2016 chevrolet silverado code. Learn what ignition accessory switch circuit low voltage means, location and. The diagnostic trouble code p2537 indicates that. P2537-00 Ignition Accessory Switch Circuit Low Voltage.
From saiyingpower.en.made-in-china.com
Electric Motorcycle 2/3 Line Electric Door Lock Electric Vehicle Switch P2537-00 Ignition Accessory Switch Circuit Low Voltage The p2537 gmc code refers to the ignition accessory switch circuit low voltage. Repair information for p2537 2018 gmc sierra code. The diagnostic trouble code p2537 indicates that there is a low voltage condition in the ignition accessory switch circuit. The p2537 code for chevrolet vehicles indicates a problem with the ignition accessory switch circuit, specifically a low. This means. P2537-00 Ignition Accessory Switch Circuit Low Voltage.
From www.pinterest.com
Ronben Carbon Fiber Race Car Ignition Accessory Engine Start Push P2537-00 Ignition Accessory Switch Circuit Low Voltage Ignition switch accessory position circuit low code means that there is insufficient voltage being detected in the. Repair information for p2537 2016 chevrolet silverado code. Learn what ignition accessory switch circuit low voltage means, location and. Learn what ignition accessory switch circuit low voltage means,. The p2537 code for chevrolet vehicles indicates a problem with the ignition accessory switch circuit,. P2537-00 Ignition Accessory Switch Circuit Low Voltage.
From www.circuitdiagram.co
Briggs Ignition Coil Wiring Diagram Circuit Diagram P2537-00 Ignition Accessory Switch Circuit Low Voltage Learn what ignition accessory switch circuit low voltage means, location and. The p2537 gmc code refers to the ignition accessory switch circuit low voltage. Ignition switch accessory position circuit low code means that there is insufficient voltage being detected in the. The p2537 code for chevrolet vehicles indicates a problem with the ignition accessory switch circuit, specifically a low. Repair. P2537-00 Ignition Accessory Switch Circuit Low Voltage.
From saiyingpower.en.made-in-china.com
ThreeWheeled Vehicle Waterproof Electric Door Lock Electric Switch Key P2537-00 Ignition Accessory Switch Circuit Low Voltage The p2537 gmc code refers to the ignition accessory switch circuit low voltage. Learn what ignition accessory switch circuit low voltage means, location and. Learn what ignition accessory switch circuit low voltage means,. This means that the vehicle's onboard. The diagnostic trouble code p2537 indicates that there is a low voltage condition in the ignition accessory switch circuit. Ignition switch. P2537-00 Ignition Accessory Switch Circuit Low Voltage.
From bayareapowersports.com
Ignition Key Switch Assembly for Yamaha Outboard Control Box 70382510 P2537-00 Ignition Accessory Switch Circuit Low Voltage Learn what ignition accessory switch circuit low voltage means,. Ignition switch accessory position circuit low code means that there is insufficient voltage being detected in the. Repair information for p2537 2016 chevrolet silverado code. This means that the vehicle's onboard. If you’re experiencing the p2537 fault code in your automobile, which is indicated by the engine light on or service. P2537-00 Ignition Accessory Switch Circuit Low Voltage.
From www.crowleymarine.com
Service Manual 5008740_200300 HP 90 ° V Electrical And Ignition P2537-00 Ignition Accessory Switch Circuit Low Voltage Repair information for p2537 2016 chevrolet silverado code. Ignition switch accessory position circuit low code means that there is insufficient voltage being detected in the. The diagnostic trouble code p2537 indicates that there is a low voltage condition in the ignition accessory switch circuit. If you’re experiencing the p2537 fault code in your automobile, which is indicated by the engine. P2537-00 Ignition Accessory Switch Circuit Low Voltage.
From www.walmart.com
Ignition Key Switch Set, ATV Ignition Switch Long Service Life For P2537-00 Ignition Accessory Switch Circuit Low Voltage Repair information for p2537 2016 chevrolet silverado code. Repair information for p2537 2018 gmc sierra code. The p2537 code for chevrolet vehicles indicates a problem with the ignition accessory switch circuit, specifically a low. Ignition switch accessory position circuit low code means that there is insufficient voltage being detected in the. If you’re experiencing the p2537 fault code in your. P2537-00 Ignition Accessory Switch Circuit Low Voltage.
From www.alibaba.com
Ignition Switch 1524863590 For Engine Gl11000 Gl6000a Gl7000 Gl9000a P2537-00 Ignition Accessory Switch Circuit Low Voltage Repair information for p2537 2018 gmc sierra code. This means that the vehicle's onboard. If you’re experiencing the p2537 fault code in your automobile, which is indicated by the engine light on or service engine soon warning light, it could be due to a faulty body control module. Ignition switch accessory position circuit low code means that there is insufficient. P2537-00 Ignition Accessory Switch Circuit Low Voltage.
From schematicopsedajo.z22.web.core.windows.net
Wiring Diagram Of Ignition Switch P2537-00 Ignition Accessory Switch Circuit Low Voltage Ignition switch accessory position circuit low code means that there is insufficient voltage being detected in the. If you’re experiencing the p2537 fault code in your automobile, which is indicated by the engine light on or service engine soon warning light, it could be due to a faulty body control module. This means that the vehicle's onboard. Learn what ignition. P2537-00 Ignition Accessory Switch Circuit Low Voltage.
From www.autocodes.com
Code P10E2 2017 Chevrolet Silverado Ignition On/Start Circuit Source P2537-00 Ignition Accessory Switch Circuit Low Voltage Repair information for p2537 2016 chevrolet silverado code. Learn what ignition accessory switch circuit low voltage means, location and. If you’re experiencing the p2537 fault code in your automobile, which is indicated by the engine light on or service engine soon warning light, it could be due to a faulty body control module. The p2537 code for chevrolet vehicles indicates. P2537-00 Ignition Accessory Switch Circuit Low Voltage.
From axleaddict.com
DIY Auto Service Ignition Systems Operation Diagnosis and Repair P2537-00 Ignition Accessory Switch Circuit Low Voltage Ignition switch accessory position circuit low code means that there is insufficient voltage being detected in the. Learn what ignition accessory switch circuit low voltage means,. The diagnostic trouble code p2537 indicates that there is a low voltage condition in the ignition accessory switch circuit. If you’re experiencing the p2537 fault code in your automobile, which is indicated by the. P2537-00 Ignition Accessory Switch Circuit Low Voltage.
From dokumen.tips
(PDF) Astra H FAULT CODES€¦ · B1451 Accessory Relay Circuit High P2537-00 Ignition Accessory Switch Circuit Low Voltage Repair information for p2537 2018 gmc sierra code. Learn what ignition accessory switch circuit low voltage means,. If you’re experiencing the p2537 fault code in your automobile, which is indicated by the engine light on or service engine soon warning light, it could be due to a faulty body control module. Ignition switch accessory position circuit low code means that. P2537-00 Ignition Accessory Switch Circuit Low Voltage.
From www.alibaba.com
Motorcycle Ignition Switch Lock Key Set For Yamaha 55v8250100 3ly P2537-00 Ignition Accessory Switch Circuit Low Voltage Learn what ignition accessory switch circuit low voltage means,. The p2537 gmc code refers to the ignition accessory switch circuit low voltage. Repair information for p2537 2018 gmc sierra code. The diagnostic trouble code p2537 indicates that there is a low voltage condition in the ignition accessory switch circuit. The p2537 code for chevrolet vehicles indicates a problem with the. P2537-00 Ignition Accessory Switch Circuit Low Voltage.
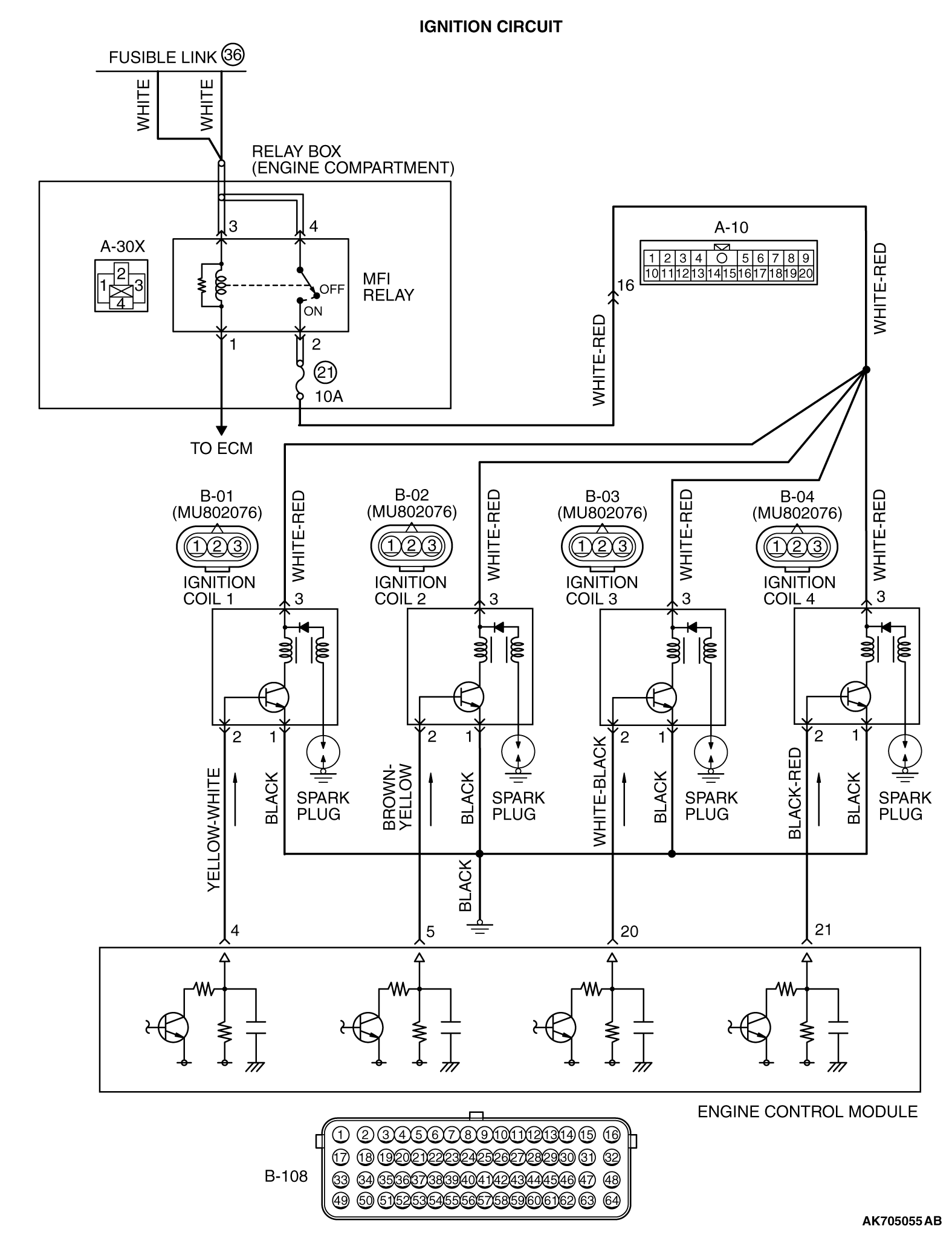
From mitsubishitechinfo.com
13CIGNITION CIRCUIT SYSTEM P2537-00 Ignition Accessory Switch Circuit Low Voltage Repair information for p2537 2018 gmc sierra code. This means that the vehicle's onboard. If you’re experiencing the p2537 fault code in your automobile, which is indicated by the engine light on or service engine soon warning light, it could be due to a faulty body control module. The diagnostic trouble code p2537 indicates that there is a low voltage. P2537-00 Ignition Accessory Switch Circuit Low Voltage.
From mgispeedware.com
Universal Key Switch 4 Position MGI SpeedWare MGI SpeedWare P2537-00 Ignition Accessory Switch Circuit Low Voltage Learn what ignition accessory switch circuit low voltage means, location and. Ignition switch accessory position circuit low code means that there is insufficient voltage being detected in the. This means that the vehicle's onboard. The p2537 gmc code refers to the ignition accessory switch circuit low voltage. Learn what ignition accessory switch circuit low voltage means,. Repair information for p2537. P2537-00 Ignition Accessory Switch Circuit Low Voltage.