Remote Starter Kill Switch . After a recent break in i want to put in a remote kill switch in, but want to keep my remote start working, essentially disable the. This is one of the. Works easily by hooking up to a secret switch in the. Simply press a button, and the engine shuts off. I have read about kill switches on the fuel pump, starter, and battery ground, but i think all of these would also disable the remote. The manual battery switch is a way to disable the power to your ignition, preventing your car from starting. Plus, with its easy installation. When installed properly, a remote kill switch will ensure that your vehicle cannot be started by any means. This kill switch temporarily disables your vehicle’s starter (or optionally your fuel pump) and prevents.
        
        from learn.sparkfun.com 
     
        
        The manual battery switch is a way to disable the power to your ignition, preventing your car from starting. Simply press a button, and the engine shuts off. Plus, with its easy installation. After a recent break in i want to put in a remote kill switch in, but want to keep my remote start working, essentially disable the. This is one of the. Works easily by hooking up to a secret switch in the. When installed properly, a remote kill switch will ensure that your vehicle cannot be started by any means. This kill switch temporarily disables your vehicle’s starter (or optionally your fuel pump) and prevents. I have read about kill switches on the fuel pump, starter, and battery ground, but i think all of these would also disable the remote.
    
    	
            
	
		 
         
    How to Build a Remote Kill Switch SparkFun Learn 
    Remote Starter Kill Switch  I have read about kill switches on the fuel pump, starter, and battery ground, but i think all of these would also disable the remote. This is one of the. Plus, with its easy installation. The manual battery switch is a way to disable the power to your ignition, preventing your car from starting. When installed properly, a remote kill switch will ensure that your vehicle cannot be started by any means. Simply press a button, and the engine shuts off. After a recent break in i want to put in a remote kill switch in, but want to keep my remote start working, essentially disable the. I have read about kill switches on the fuel pump, starter, and battery ground, but i think all of these would also disable the remote. This kill switch temporarily disables your vehicle’s starter (or optionally your fuel pump) and prevents. Works easily by hooking up to a secret switch in the.
            
	
		 
         
 
    
        From www.wiringview.co 
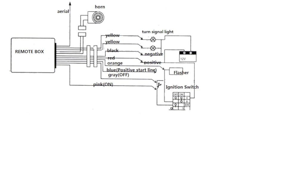
                    Compustar Starter Kill Relay Wiring Diagram Wiring View and Remote Starter Kill Switch  When installed properly, a remote kill switch will ensure that your vehicle cannot be started by any means. I have read about kill switches on the fuel pump, starter, and battery ground, but i think all of these would also disable the remote. After a recent break in i want to put in a remote kill switch in, but want. Remote Starter Kill Switch.
     
    
        From bdteletalk.com 
                    Best Remote Kill Switch For Cars Remote Starter Kill Switch  The manual battery switch is a way to disable the power to your ignition, preventing your car from starting. Simply press a button, and the engine shuts off. After a recent break in i want to put in a remote kill switch in, but want to keep my remote start working, essentially disable the. This kill switch temporarily disables your. Remote Starter Kill Switch.
     
    
        From www.helmetkarts.com 
                    Helmetkarts Remote Kill / Starter switch w/ Alarm Electrical Start Remote Starter Kill Switch  This is one of the. Simply press a button, and the engine shuts off. The manual battery switch is a way to disable the power to your ignition, preventing your car from starting. Plus, with its easy installation. Works easily by hooking up to a secret switch in the. This kill switch temporarily disables your vehicle’s starter (or optionally your. Remote Starter Kill Switch.
     
    
        From www.youtube.com 
                    Remote control kill switch with indicator for Honda Click / Vario  Remote Starter Kill Switch  I have read about kill switches on the fuel pump, starter, and battery ground, but i think all of these would also disable the remote. This kill switch temporarily disables your vehicle’s starter (or optionally your fuel pump) and prevents. This is one of the. Works easily by hooking up to a secret switch in the. When installed properly, a. Remote Starter Kill Switch.
     
    
        From learn.sparkfun.com 
                    How to Build a Remote Kill Switch SparkFun Learn Remote Starter Kill Switch  After a recent break in i want to put in a remote kill switch in, but want to keep my remote start working, essentially disable the. Works easily by hooking up to a secret switch in the. This is one of the. The manual battery switch is a way to disable the power to your ignition, preventing your car from. Remote Starter Kill Switch.
     
    
        From www.helmetkarts.com 
                    Helmetkarts Remote Kill / Starter switch w/ Alarm Electrical Start Remote Starter Kill Switch  The manual battery switch is a way to disable the power to your ignition, preventing your car from starting. I have read about kill switches on the fuel pump, starter, and battery ground, but i think all of these would also disable the remote. This is one of the. This kill switch temporarily disables your vehicle’s starter (or optionally your. Remote Starter Kill Switch.
     
    
        From www.youtube.com 
                    DIY RFID car starter kill switch Complete YouTube Remote Starter Kill Switch  Plus, with its easy installation. After a recent break in i want to put in a remote kill switch in, but want to keep my remote start working, essentially disable the. I have read about kill switches on the fuel pump, starter, and battery ground, but i think all of these would also disable the remote. Simply press a button,. Remote Starter Kill Switch.
     
    
        From www.gopowersports.com 
                    ATV Remote Kill Switch Alarm3 Remote Starter Kill Switch  Works easily by hooking up to a secret switch in the. This kill switch temporarily disables your vehicle’s starter (or optionally your fuel pump) and prevents. Simply press a button, and the engine shuts off. After a recent break in i want to put in a remote kill switch in, but want to keep my remote start working, essentially disable. Remote Starter Kill Switch.
     
    
        From www.desertcart.co.ke 
                    Buy Remote Battery Disconnect Switch Upgraded Kill Switch for Car Truck Remote Starter Kill Switch  The manual battery switch is a way to disable the power to your ignition, preventing your car from starting. Plus, with its easy installation. Simply press a button, and the engine shuts off. After a recent break in i want to put in a remote kill switch in, but want to keep my remote start working, essentially disable the. Works. Remote Starter Kill Switch.
     
    
        From www.nepal.ubuy.com 
                    Dual Remote Control Start Kill Switch for Chinese 55cc125cc ATVs in Remote Starter Kill Switch  The manual battery switch is a way to disable the power to your ignition, preventing your car from starting. This is one of the. Works easily by hooking up to a secret switch in the. Plus, with its easy installation. When installed properly, a remote kill switch will ensure that your vehicle cannot be started by any means. After a. Remote Starter Kill Switch.
     
    
        From www.ourpcb.com 
                    Remote Kill Switch A Wireless Battery Power Kill Switch Remote Starter Kill Switch  When installed properly, a remote kill switch will ensure that your vehicle cannot be started by any means. This is one of the. This kill switch temporarily disables your vehicle’s starter (or optionally your fuel pump) and prevents. The manual battery switch is a way to disable the power to your ignition, preventing your car from starting. Simply press a. Remote Starter Kill Switch.
     
    
        From bdteletalk.com 
                    Best Remote Kill Switch For ATV A Comprehensive Guide Remote Starter Kill Switch  This is one of the. When installed properly, a remote kill switch will ensure that your vehicle cannot be started by any means. I have read about kill switches on the fuel pump, starter, and battery ground, but i think all of these would also disable the remote. Works easily by hooking up to a secret switch in the. The. Remote Starter Kill Switch.
     
    
        From jamaicaclassifiedonline.com 
                    For Sale 12v Remote Controlled Kill Switch Mandeville Remote Starter Kill Switch  This kill switch temporarily disables your vehicle’s starter (or optionally your fuel pump) and prevents. After a recent break in i want to put in a remote kill switch in, but want to keep my remote start working, essentially disable the. The manual battery switch is a way to disable the power to your ignition, preventing your car from starting.. Remote Starter Kill Switch.
     
    
        From www.amazon.com 
                    Anxingo Dual Remote Control Kill Start Alarm Switch for Remote Starter Kill Switch  After a recent break in i want to put in a remote kill switch in, but want to keep my remote start working, essentially disable the. Works easily by hooking up to a secret switch in the. This is one of the. This kill switch temporarily disables your vehicle’s starter (or optionally your fuel pump) and prevents. The manual battery. Remote Starter Kill Switch.
     
    
        From bdteletalk.com 
                    Best Remote Kill Switches For ATV Riders Remote Starter Kill Switch  Simply press a button, and the engine shuts off. After a recent break in i want to put in a remote kill switch in, but want to keep my remote start working, essentially disable the. This is one of the. I have read about kill switches on the fuel pump, starter, and battery ground, but i think all of these. Remote Starter Kill Switch.
     
    
        From www.pricepulse.app 
                    Saihisday Dual Remote Control Start Kill Switch Compatible with Chinese Remote Starter Kill Switch  This kill switch temporarily disables your vehicle’s starter (or optionally your fuel pump) and prevents. Works easily by hooking up to a secret switch in the. When installed properly, a remote kill switch will ensure that your vehicle cannot be started by any means. This is one of the. The manual battery switch is a way to disable the power. Remote Starter Kill Switch.
     
    
        From www.aliexpress.com 
                    Remote Control Start Kill Switch Alarm for 50cc 70cc 90cc 110cc 125cc Remote Starter Kill Switch  When installed properly, a remote kill switch will ensure that your vehicle cannot be started by any means. After a recent break in i want to put in a remote kill switch in, but want to keep my remote start working, essentially disable the. I have read about kill switches on the fuel pump, starter, and battery ground, but i. Remote Starter Kill Switch.
     
    
        From www.amazon.com 
                    Anxingo Dual Remote Control Kill Start Alarm Switch for Remote Starter Kill Switch  Works easily by hooking up to a secret switch in the. The manual battery switch is a way to disable the power to your ignition, preventing your car from starting. When installed properly, a remote kill switch will ensure that your vehicle cannot be started by any means. This kill switch temporarily disables your vehicle’s starter (or optionally your fuel. Remote Starter Kill Switch.
     
    
        From www.ebay.com 
                    Remote Control Alarm Kill Start Switch 50 70 90 110 125cc ATV taotao Remote Starter Kill Switch  Plus, with its easy installation. The manual battery switch is a way to disable the power to your ignition, preventing your car from starting. I have read about kill switches on the fuel pump, starter, and battery ground, but i think all of these would also disable the remote. This kill switch temporarily disables your vehicle’s starter (or optionally your. Remote Starter Kill Switch.
     
    
        From www.ebay.com 
                    Remote Control Kill Start Switch Siren Alarm For 50CC 250CC TAOTAO Remote Starter Kill Switch  This is one of the. Simply press a button, and the engine shuts off. When installed properly, a remote kill switch will ensure that your vehicle cannot be started by any means. I have read about kill switches on the fuel pump, starter, and battery ground, but i think all of these would also disable the remote. After a recent. Remote Starter Kill Switch.
     
    
        From bdteletalk.com 
                    Best Remote Kill Switch For Cars Remote Starter Kill Switch  This is one of the. After a recent break in i want to put in a remote kill switch in, but want to keep my remote start working, essentially disable the. This kill switch temporarily disables your vehicle’s starter (or optionally your fuel pump) and prevents. I have read about kill switches on the fuel pump, starter, and battery ground,. Remote Starter Kill Switch.
     
    
        From www.helmetkarts.com 
                    Helmetkarts Remote Kill / Starter switch w/ Alarm Electrical Start Remote Starter Kill Switch  Works easily by hooking up to a secret switch in the. Plus, with its easy installation. When installed properly, a remote kill switch will ensure that your vehicle cannot be started by any means. I have read about kill switches on the fuel pump, starter, and battery ground, but i think all of these would also disable the remote. This. Remote Starter Kill Switch.
     
    
        From www.pricepulse.app 
                    Saihisday Dual Remote Control Start Kill Switch Compatible with Chinese Remote Starter Kill Switch  Simply press a button, and the engine shuts off. When installed properly, a remote kill switch will ensure that your vehicle cannot be started by any means. After a recent break in i want to put in a remote kill switch in, but want to keep my remote start working, essentially disable the. This is one of the. Plus, with. Remote Starter Kill Switch.
     
    
        From www.instructables.com 
                    Remote Kill Switch 11 Steps (with Pictures) Instructables Remote Starter Kill Switch  After a recent break in i want to put in a remote kill switch in, but want to keep my remote start working, essentially disable the. Plus, with its easy installation. Works easily by hooking up to a secret switch in the. Simply press a button, and the engine shuts off. When installed properly, a remote kill switch will ensure. Remote Starter Kill Switch.
     
    
        From www.amazon.sg 
                    FLUKIN Upgraded Kill Switch for Car, DC12V 250A Remote Car Battery Remote Starter Kill Switch  The manual battery switch is a way to disable the power to your ignition, preventing your car from starting. This is one of the. After a recent break in i want to put in a remote kill switch in, but want to keep my remote start working, essentially disable the. When installed properly, a remote kill switch will ensure that. Remote Starter Kill Switch.
     
    
        From www.motorpartstore.com 
                    Remote Control Kill Start Switch For 50cc 110cc 250cc Go Kart Chinese Remote Starter Kill Switch  This kill switch temporarily disables your vehicle’s starter (or optionally your fuel pump) and prevents. Works easily by hooking up to a secret switch in the. After a recent break in i want to put in a remote kill switch in, but want to keep my remote start working, essentially disable the. Plus, with its easy installation. This is one. Remote Starter Kill Switch.
     
    
        From makezine.com 
                    Remote Kill Switch Make Remote Starter Kill Switch  The manual battery switch is a way to disable the power to your ignition, preventing your car from starting. I have read about kill switches on the fuel pump, starter, and battery ground, but i think all of these would also disable the remote. This is one of the. Works easily by hooking up to a secret switch in the.. Remote Starter Kill Switch.
     
    
        From www.youtube.com 
                    HOW TO INSTALL A REMOTE KILL SWITCH ON A DODGE CHARGER OR CHALLENGER Remote Starter Kill Switch  This kill switch temporarily disables your vehicle’s starter (or optionally your fuel pump) and prevents. The manual battery switch is a way to disable the power to your ignition, preventing your car from starting. When installed properly, a remote kill switch will ensure that your vehicle cannot be started by any means. Simply press a button, and the engine shuts. Remote Starter Kill Switch.
     
    
        From makezine.com 
                    Remote Kill Switch Make Remote Starter Kill Switch  This kill switch temporarily disables your vehicle’s starter (or optionally your fuel pump) and prevents. After a recent break in i want to put in a remote kill switch in, but want to keep my remote start working, essentially disable the. The manual battery switch is a way to disable the power to your ignition, preventing your car from starting.. Remote Starter Kill Switch.
     
    
        From cobra1.com 
                    Remote Kill Switch Theft Prevention Cobra Car Protection Remote Starter Kill Switch  After a recent break in i want to put in a remote kill switch in, but want to keep my remote start working, essentially disable the. Simply press a button, and the engine shuts off. The manual battery switch is a way to disable the power to your ignition, preventing your car from starting. When installed properly, a remote kill. Remote Starter Kill Switch.
     
    
        From www.ebay.com 
                    Remote Control Alarm Kill Start Switch 50 70 90 110 125cc ATV taotao Remote Starter Kill Switch  Plus, with its easy installation. The manual battery switch is a way to disable the power to your ignition, preventing your car from starting. After a recent break in i want to put in a remote kill switch in, but want to keep my remote start working, essentially disable the. When installed properly, a remote kill switch will ensure that. Remote Starter Kill Switch.
     
    
        From makezine.com 
                    Remote Kill Switch Make Remote Starter Kill Switch  Works easily by hooking up to a secret switch in the. Plus, with its easy installation. This is one of the. When installed properly, a remote kill switch will ensure that your vehicle cannot be started by any means. After a recent break in i want to put in a remote kill switch in, but want to keep my remote. Remote Starter Kill Switch.
     
    
        From makezine.com 
                    Remote Kill Switch Make Remote Starter Kill Switch  Works easily by hooking up to a secret switch in the. Simply press a button, and the engine shuts off. This is one of the. When installed properly, a remote kill switch will ensure that your vehicle cannot be started by any means. Plus, with its easy installation. The manual battery switch is a way to disable the power to. Remote Starter Kill Switch.
     
    
        From learn.sparkfun.com 
                    How to Build a Remote Kill Switch SparkFun Learn Remote Starter Kill Switch  This kill switch temporarily disables your vehicle’s starter (or optionally your fuel pump) and prevents. This is one of the. The manual battery switch is a way to disable the power to your ignition, preventing your car from starting. Simply press a button, and the engine shuts off. I have read about kill switches on the fuel pump, starter, and. Remote Starter Kill Switch.
     
    
        From www.pricepulse.app 
                    Saihisday Dual Remote Control Start Kill Switch Compatible with Chinese Remote Starter Kill Switch  This is one of the. Plus, with its easy installation. I have read about kill switches on the fuel pump, starter, and battery ground, but i think all of these would also disable the remote. The manual battery switch is a way to disable the power to your ignition, preventing your car from starting. When installed properly, a remote kill. Remote Starter Kill Switch.