Starter Enable Relay . Then try jumping (shorting with a clip lead) the ign start contacts, the start enable relay contacts, and finally the clutch switch and see. To test it, just bypass it and try to start the car. Visually inspect start enable relay wiring and confirm that it is wired per requirements. Has flash code 17 but everything works ok. Look for signs of rubbing or chafing. Look for signs of rubbing or chafing. Prolink,texa and dealers service ranger will. Confirm if the engine will crank. Consult oem for specific wire routing locations. Does anyone know where this relay is? You can get to the starter enable relay by removing the carpeted cover panel under the steering column. The start enable relay is wired into the transmission electronic control unit (tecu) on the coil side of the relay. You you this by connecting a jumper wire between terminals e (yellow wire) and a.
from www.diagramcircuit.com
Consult oem for specific wire routing locations. You you this by connecting a jumper wire between terminals e (yellow wire) and a. Prolink,texa and dealers service ranger will. You can get to the starter enable relay by removing the carpeted cover panel under the steering column. Then try jumping (shorting with a clip lead) the ign start contacts, the start enable relay contacts, and finally the clutch switch and see. To test it, just bypass it and try to start the car. Has flash code 17 but everything works ok. Visually inspect start enable relay wiring and confirm that it is wired per requirements. Look for signs of rubbing or chafing. Look for signs of rubbing or chafing.
peterbilt starter enable relay Diagram Circuit
Starter Enable Relay You can get to the starter enable relay by removing the carpeted cover panel under the steering column. To test it, just bypass it and try to start the car. Then try jumping (shorting with a clip lead) the ign start contacts, the start enable relay contacts, and finally the clutch switch and see. The start enable relay is wired into the transmission electronic control unit (tecu) on the coil side of the relay. You can get to the starter enable relay by removing the carpeted cover panel under the steering column. Does anyone know where this relay is? Look for signs of rubbing or chafing. Has flash code 17 but everything works ok. Visually inspect start enable relay wiring and confirm that it is wired per requirements. Consult oem for specific wire routing locations. You you this by connecting a jumper wire between terminals e (yellow wire) and a. Look for signs of rubbing or chafing. Prolink,texa and dealers service ranger will. Confirm if the engine will crank.
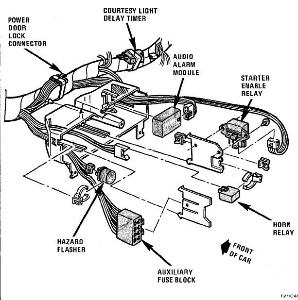
From www.camarozone.com
92 RS Won't start in cold weather.... Page 3 Camaro Zone Camaro Starter Enable Relay The start enable relay is wired into the transmission electronic control unit (tecu) on the coil side of the relay. Prolink,texa and dealers service ranger will. Visually inspect start enable relay wiring and confirm that it is wired per requirements. You can get to the starter enable relay by removing the carpeted cover panel under the steering column. To test. Starter Enable Relay.
From www.cadillacforums.com
SLS 1997; couple questions Cadillac Owners Forum Starter Enable Relay The start enable relay is wired into the transmission electronic control unit (tecu) on the coil side of the relay. Confirm if the engine will crank. Visually inspect start enable relay wiring and confirm that it is wired per requirements. Does anyone know where this relay is? Then try jumping (shorting with a clip lead) the ign start contacts, the. Starter Enable Relay.
From www.wiringdraw.com
Kenworth Starter Relay Wiring Diagram Wiring Draw And Schematic Starter Enable Relay To test it, just bypass it and try to start the car. Visually inspect start enable relay wiring and confirm that it is wired per requirements. Look for signs of rubbing or chafing. Look for signs of rubbing or chafing. Prolink,texa and dealers service ranger will. You you this by connecting a jumper wire between terminals e (yellow wire) and. Starter Enable Relay.
From www.wiringpedia.com
peterbilt starter enable relay Wiring Pedia Starter Enable Relay Prolink,texa and dealers service ranger will. Confirm if the engine will crank. You can get to the starter enable relay by removing the carpeted cover panel under the steering column. To test it, just bypass it and try to start the car. You you this by connecting a jumper wire between terminals e (yellow wire) and a. Visually inspect start. Starter Enable Relay.
From www.thirdgen.org
starter enable relay Third Generation FBody Message Boards Starter Enable Relay Visually inspect start enable relay wiring and confirm that it is wired per requirements. Has flash code 17 but everything works ok. Consult oem for specific wire routing locations. To test it, just bypass it and try to start the car. You can get to the starter enable relay by removing the carpeted cover panel under the steering column. Look. Starter Enable Relay.
From www.thirdgen.org
starter enable relay Third Generation FBody Message Boards Starter Enable Relay Then try jumping (shorting with a clip lead) the ign start contacts, the start enable relay contacts, and finally the clutch switch and see. Look for signs of rubbing or chafing. Confirm if the engine will crank. Consult oem for specific wire routing locations. To test it, just bypass it and try to start the car. The start enable relay. Starter Enable Relay.
From www.thirdgen.org
Where is the "Starter Enable Relay" and how to bypass it? Third Starter Enable Relay Prolink,texa and dealers service ranger will. To test it, just bypass it and try to start the car. Look for signs of rubbing or chafing. You you this by connecting a jumper wire between terminals e (yellow wire) and a. The start enable relay is wired into the transmission electronic control unit (tecu) on the coil side of the relay.. Starter Enable Relay.
From www.diagramcircuit.com
Peterbilt Starter Enable Relay » Diagram Circuit Starter Enable Relay Look for signs of rubbing or chafing. The start enable relay is wired into the transmission electronic control unit (tecu) on the coil side of the relay. Confirm if the engine will crank. Look for signs of rubbing or chafing. Has flash code 17 but everything works ok. You can get to the starter enable relay by removing the carpeted. Starter Enable Relay.
From www.thirdgen.org
crank fuse Third Generation FBody Message Boards Starter Enable Relay You you this by connecting a jumper wire between terminals e (yellow wire) and a. To test it, just bypass it and try to start the car. Has flash code 17 but everything works ok. Visually inspect start enable relay wiring and confirm that it is wired per requirements. You can get to the starter enable relay by removing the. Starter Enable Relay.
From www.diagramelectric.co
Peterbilt Starter Enable Relay » Wiring Diagram Starter Enable Relay Look for signs of rubbing or chafing. You you this by connecting a jumper wire between terminals e (yellow wire) and a. Visually inspect start enable relay wiring and confirm that it is wired per requirements. The start enable relay is wired into the transmission electronic control unit (tecu) on the coil side of the relay. Prolink,texa and dealers service. Starter Enable Relay.
From www.dewitzdiagnosticsolutions.com
Cadillac Eldorado Theft System No Start, No Crank Starter Enable Relay Visually inspect start enable relay wiring and confirm that it is wired per requirements. Prolink,texa and dealers service ranger will. To test it, just bypass it and try to start the car. You can get to the starter enable relay by removing the carpeted cover panel under the steering column. Look for signs of rubbing or chafing. Does anyone know. Starter Enable Relay.
From www.diagramcircuit.com
peterbilt starter enable relay Diagram Circuit Starter Enable Relay Has flash code 17 but everything works ok. Then try jumping (shorting with a clip lead) the ign start contacts, the start enable relay contacts, and finally the clutch switch and see. To test it, just bypass it and try to start the car. Look for signs of rubbing or chafing. You you this by connecting a jumper wire between. Starter Enable Relay.
From www.aliexpress.com
1PC Waterproof 12V 80A 5Pin DC AMP SPDT Car Relay + Practical Socket Starter Enable Relay Look for signs of rubbing or chafing. You can get to the starter enable relay by removing the carpeted cover panel under the steering column. Has flash code 17 but everything works ok. Consult oem for specific wire routing locations. Confirm if the engine will crank. Then try jumping (shorting with a clip lead) the ign start contacts, the start. Starter Enable Relay.
From www.justanswer.com
My 1996 Cadillac Deville wont make any sound or attempt to start when Starter Enable Relay Visually inspect start enable relay wiring and confirm that it is wired per requirements. The start enable relay is wired into the transmission electronic control unit (tecu) on the coil side of the relay. Then try jumping (shorting with a clip lead) the ign start contacts, the start enable relay contacts, and finally the clutch switch and see. Does anyone. Starter Enable Relay.
From www.wiringflowline.com
Peterbilt Starter Enable Relay » Wiring Flow Line Starter Enable Relay Visually inspect start enable relay wiring and confirm that it is wired per requirements. Prolink,texa and dealers service ranger will. Look for signs of rubbing or chafing. Has flash code 17 but everything works ok. To test it, just bypass it and try to start the car. Then try jumping (shorting with a clip lead) the ign start contacts, the. Starter Enable Relay.
From www.schemadigital.com
peterbilt starter enable relay Schema Digital Starter Enable Relay Then try jumping (shorting with a clip lead) the ign start contacts, the start enable relay contacts, and finally the clutch switch and see. Visually inspect start enable relay wiring and confirm that it is wired per requirements. Look for signs of rubbing or chafing. You can get to the starter enable relay by removing the carpeted cover panel under. Starter Enable Relay.
From www.thirdgen.org
Where is the "Starter Enable Relay" and how to bypass it? Third Starter Enable Relay Look for signs of rubbing or chafing. Has flash code 17 but everything works ok. Prolink,texa and dealers service ranger will. Confirm if the engine will crank. You you this by connecting a jumper wire between terminals e (yellow wire) and a. Visually inspect start enable relay wiring and confirm that it is wired per requirements. The start enable relay. Starter Enable Relay.
From www.gmforum.com
98 Regency Starter Enable Relay GM Forum Buick, Cadillac, Chev Starter Enable Relay Then try jumping (shorting with a clip lead) the ign start contacts, the start enable relay contacts, and finally the clutch switch and see. Has flash code 17 but everything works ok. Consult oem for specific wire routing locations. Does anyone know where this relay is? Confirm if the engine will crank. The start enable relay is wired into the. Starter Enable Relay.
From www.wiringstech.com
Kenworth Starter Relay Wiring Diagram » Wiring Technology Starter Enable Relay Look for signs of rubbing or chafing. Look for signs of rubbing or chafing. Does anyone know where this relay is? The start enable relay is wired into the transmission electronic control unit (tecu) on the coil side of the relay. Visually inspect start enable relay wiring and confirm that it is wired per requirements. To test it, just bypass. Starter Enable Relay.
From justanswer.com
This Buick LeSabre 1998 won't start and won't turn over or crank at all Starter Enable Relay You can get to the starter enable relay by removing the carpeted cover panel under the steering column. Then try jumping (shorting with a clip lead) the ign start contacts, the start enable relay contacts, and finally the clutch switch and see. The start enable relay is wired into the transmission electronic control unit (tecu) on the coil side of. Starter Enable Relay.
From www.wiringway.com
peterbilt starter enable relay Wiring Way Starter Enable Relay Then try jumping (shorting with a clip lead) the ign start contacts, the start enable relay contacts, and finally the clutch switch and see. Does anyone know where this relay is? Confirm if the engine will crank. You you this by connecting a jumper wire between terminals e (yellow wire) and a. Look for signs of rubbing or chafing. Look. Starter Enable Relay.
From www.corvetteforum.com
C4 no start when hot...starter relay location? CorvetteForum Starter Enable Relay Look for signs of rubbing or chafing. Prolink,texa and dealers service ranger will. Visually inspect start enable relay wiring and confirm that it is wired per requirements. Consult oem for specific wire routing locations. You can get to the starter enable relay by removing the carpeted cover panel under the steering column. Then try jumping (shorting with a clip lead). Starter Enable Relay.
From www.diagramelectric.co
Peterbilt Starter Enable Relay » Wiring Diagram Starter Enable Relay Does anyone know where this relay is? Prolink,texa and dealers service ranger will. The start enable relay is wired into the transmission electronic control unit (tecu) on the coil side of the relay. You can get to the starter enable relay by removing the carpeted cover panel under the steering column. Look for signs of rubbing or chafing. Has flash. Starter Enable Relay.
From www.joestradingpost.com
Start Enable Relay Joe's Trading Post Starter Enable Relay Prolink,texa and dealers service ranger will. Does anyone know where this relay is? Then try jumping (shorting with a clip lead) the ign start contacts, the start enable relay contacts, and finally the clutch switch and see. Consult oem for specific wire routing locations. Visually inspect start enable relay wiring and confirm that it is wired per requirements. Look for. Starter Enable Relay.
From www.organised-sound.com
Kenworth Starter Relay Wiring Diagram » Wiring Diagram Starter Enable Relay Then try jumping (shorting with a clip lead) the ign start contacts, the start enable relay contacts, and finally the clutch switch and see. Consult oem for specific wire routing locations. You can get to the starter enable relay by removing the carpeted cover panel under the steering column. Visually inspect start enable relay wiring and confirm that it is. Starter Enable Relay.
From www.thirdgen.org
starter enable relay bypass Third Generation FBody Message Boards Starter Enable Relay The start enable relay is wired into the transmission electronic control unit (tecu) on the coil side of the relay. Does anyone know where this relay is? To test it, just bypass it and try to start the car. Look for signs of rubbing or chafing. Consult oem for specific wire routing locations. Visually inspect start enable relay wiring and. Starter Enable Relay.
From www.diagramcircuit.com
peterbilt starter enable relay Diagram Circuit Starter Enable Relay Visually inspect start enable relay wiring and confirm that it is wired per requirements. Look for signs of rubbing or chafing. Prolink,texa and dealers service ranger will. Then try jumping (shorting with a clip lead) the ign start contacts, the start enable relay contacts, and finally the clutch switch and see. Consult oem for specific wire routing locations. To test. Starter Enable Relay.
From www.justanswer.com
1993 Cadillac Allante. Startung Issues. Turn Key and receive Clicks Starter Enable Relay The start enable relay is wired into the transmission electronic control unit (tecu) on the coil side of the relay. Look for signs of rubbing or chafing. Prolink,texa and dealers service ranger will. You can get to the starter enable relay by removing the carpeted cover panel under the steering column. Then try jumping (shorting with a clip lead) the. Starter Enable Relay.
From www.joestradingpost.com
Start Enable Relay Joe's Trading Post Starter Enable Relay The start enable relay is wired into the transmission electronic control unit (tecu) on the coil side of the relay. Look for signs of rubbing or chafing. Look for signs of rubbing or chafing. Consult oem for specific wire routing locations. You you this by connecting a jumper wire between terminals e (yellow wire) and a. You can get to. Starter Enable Relay.
From www.thirdgen.org
Where is the "Starter Enable Relay" and how to bypass it? Third Starter Enable Relay You can get to the starter enable relay by removing the carpeted cover panel under the steering column. Visually inspect start enable relay wiring and confirm that it is wired per requirements. Look for signs of rubbing or chafing. Look for signs of rubbing or chafing. Prolink,texa and dealers service ranger will. You you this by connecting a jumper wire. Starter Enable Relay.
From www.wiringscan.com
Peterbilt Starter Enable Relay » Wiring Scan Starter Enable Relay Then try jumping (shorting with a clip lead) the ign start contacts, the start enable relay contacts, and finally the clutch switch and see. You you this by connecting a jumper wire between terminals e (yellow wire) and a. To test it, just bypass it and try to start the car. Consult oem for specific wire routing locations. Look for. Starter Enable Relay.
From www.diagramcircuit.com
peterbilt starter enable relay Diagram Circuit Starter Enable Relay Confirm if the engine will crank. You you this by connecting a jumper wire between terminals e (yellow wire) and a. The start enable relay is wired into the transmission electronic control unit (tecu) on the coil side of the relay. Then try jumping (shorting with a clip lead) the ign start contacts, the start enable relay contacts, and finally. Starter Enable Relay.
From www.corvetteforum.com
Starter relay location CorvetteForum Chevrolet Corvette Forum Starter Enable Relay Does anyone know where this relay is? The start enable relay is wired into the transmission electronic control unit (tecu) on the coil side of the relay. You you this by connecting a jumper wire between terminals e (yellow wire) and a. To test it, just bypass it and try to start the car. Then try jumping (shorting with a. Starter Enable Relay.
From www.thirdgen.org
starter enable relay Third Generation FBody Message Boards Starter Enable Relay The start enable relay is wired into the transmission electronic control unit (tecu) on the coil side of the relay. Confirm if the engine will crank. To test it, just bypass it and try to start the car. Prolink,texa and dealers service ranger will. Look for signs of rubbing or chafing. You can get to the starter enable relay by. Starter Enable Relay.
From www.diagramelectric.co
peterbilt starter enable relay Wiring Diagram Starter Enable Relay Consult oem for specific wire routing locations. Has flash code 17 but everything works ok. The start enable relay is wired into the transmission electronic control unit (tecu) on the coil side of the relay. You can get to the starter enable relay by removing the carpeted cover panel under the steering column. Then try jumping (shorting with a clip. Starter Enable Relay.