Gmc Safari Vacuum Hose Diagram . easy to use parts catalog. there was a vacuum diagram that someone had helpfully posted some years ago. i pulled the climate control panel and all the vacuum hoses are going to the climate control knob on the right. We searched everywhere for a diagram, found none, and. 2000 gmc safari 6 cyl two wheel drive automatic. we looked at vacuum hoses and found all were deteriorated or not plugged into anything. how to route the ac vacuum hoses, how to troubleshoot the. iv'e been looking around for a vacuum line diagram for a 4.2l i6 and i can't seem to find one. The vacuum line to vent controller broke, i do not know where the. The left knob sets the blower speed.
from www.justanswer.com
how to route the ac vacuum hoses, how to troubleshoot the. The vacuum line to vent controller broke, i do not know where the. 2000 gmc safari 6 cyl two wheel drive automatic. there was a vacuum diagram that someone had helpfully posted some years ago. easy to use parts catalog. The left knob sets the blower speed. iv'e been looking around for a vacuum line diagram for a 4.2l i6 and i can't seem to find one. we looked at vacuum hoses and found all were deteriorated or not plugged into anything. We searched everywhere for a diagram, found none, and. i pulled the climate control panel and all the vacuum hoses are going to the climate control knob on the right.
Chevy Astro Vacuum Hose Diagram JustAnswer
Gmc Safari Vacuum Hose Diagram iv'e been looking around for a vacuum line diagram for a 4.2l i6 and i can't seem to find one. we looked at vacuum hoses and found all were deteriorated or not plugged into anything. easy to use parts catalog. The left knob sets the blower speed. how to route the ac vacuum hoses, how to troubleshoot the. i pulled the climate control panel and all the vacuum hoses are going to the climate control knob on the right. iv'e been looking around for a vacuum line diagram for a 4.2l i6 and i can't seem to find one. The vacuum line to vent controller broke, i do not know where the. there was a vacuum diagram that someone had helpfully posted some years ago. We searched everywhere for a diagram, found none, and. 2000 gmc safari 6 cyl two wheel drive automatic.
From www.astrosafari.com
List of vacuum hoses Chevy Astro and GMC Safari Forum Gmc Safari Vacuum Hose Diagram easy to use parts catalog. i pulled the climate control panel and all the vacuum hoses are going to the climate control knob on the right. there was a vacuum diagram that someone had helpfully posted some years ago. we looked at vacuum hoses and found all were deteriorated or not plugged into anything. The left. Gmc Safari Vacuum Hose Diagram.
From easyautodiagnostics.com
Vacuum Hose Routing Diagram (19901993 2.8L Chevrolet S10 Pickup, GMC S15 Pickup, GMC Sonoma) Gmc Safari Vacuum Hose Diagram 2000 gmc safari 6 cyl two wheel drive automatic. i pulled the climate control panel and all the vacuum hoses are going to the climate control knob on the right. iv'e been looking around for a vacuum line diagram for a 4.2l i6 and i can't seem to find one. The left knob sets the blower speed.. Gmc Safari Vacuum Hose Diagram.
From www.astrosafari.com
Vacuum line routing Chevy Astro and GMC Safari Forum Gmc Safari Vacuum Hose Diagram iv'e been looking around for a vacuum line diagram for a 4.2l i6 and i can't seem to find one. we looked at vacuum hoses and found all were deteriorated or not plugged into anything. We searched everywhere for a diagram, found none, and. how to route the ac vacuum hoses, how to troubleshoot the. 2000. Gmc Safari Vacuum Hose Diagram.
From www.astrosafari.com
Vacuum line Chevy Astro and GMC Safari Forum Gmc Safari Vacuum Hose Diagram i pulled the climate control panel and all the vacuum hoses are going to the climate control knob on the right. 2000 gmc safari 6 cyl two wheel drive automatic. we looked at vacuum hoses and found all were deteriorated or not plugged into anything. The vacuum line to vent controller broke, i do not know where. Gmc Safari Vacuum Hose Diagram.
From www.astrosafari.com
vacuum lines and climate control Chevy Astro and GMC Safari Forum Gmc Safari Vacuum Hose Diagram 2000 gmc safari 6 cyl two wheel drive automatic. The vacuum line to vent controller broke, i do not know where the. how to route the ac vacuum hoses, how to troubleshoot the. we looked at vacuum hoses and found all were deteriorated or not plugged into anything. there was a vacuum diagram that someone had. Gmc Safari Vacuum Hose Diagram.
From socializialschematic.z14.web.core.windows.net
3 6 Engine Vacuum Hose Diagrams Gmc Safari Vacuum Hose Diagram iv'e been looking around for a vacuum line diagram for a 4.2l i6 and i can't seem to find one. easy to use parts catalog. The left knob sets the blower speed. we looked at vacuum hoses and found all were deteriorated or not plugged into anything. We searched everywhere for a diagram, found none, and. . Gmc Safari Vacuum Hose Diagram.
From wiringfixprotectory.z21.web.core.windows.net
Gm 3.8 Engine Vacuum Line Diagram Gmc Safari Vacuum Hose Diagram i pulled the climate control panel and all the vacuum hoses are going to the climate control knob on the right. there was a vacuum diagram that someone had helpfully posted some years ago. easy to use parts catalog. iv'e been looking around for a vacuum line diagram for a 4.2l i6 and i can't seem. Gmc Safari Vacuum Hose Diagram.
From lostanswersproject4.blogspot.com
Vacuum Hose Diagram 2000 Gmc Sonoma Gmc Safari Vacuum Hose Diagram easy to use parts catalog. i pulled the climate control panel and all the vacuum hoses are going to the climate control knob on the right. The left knob sets the blower speed. 2000 gmc safari 6 cyl two wheel drive automatic. We searched everywhere for a diagram, found none, and. we looked at vacuum hoses. Gmc Safari Vacuum Hose Diagram.
From nemigaparts.com
GMC SAFARI AWD LM HOSES & PIPES/HEATER (AUXILIARY HEATER C36) > EPC Online > Gmc Safari Vacuum Hose Diagram we looked at vacuum hoses and found all were deteriorated or not plugged into anything. how to route the ac vacuum hoses, how to troubleshoot the. 2000 gmc safari 6 cyl two wheel drive automatic. The vacuum line to vent controller broke, i do not know where the. i pulled the climate control panel and all. Gmc Safari Vacuum Hose Diagram.
From www.gm-trucks.com
Vacuum lines on 1985 GMC Sierra Ask the GM Technician Gmc Safari Vacuum Hose Diagram iv'e been looking around for a vacuum line diagram for a 4.2l i6 and i can't seem to find one. easy to use parts catalog. there was a vacuum diagram that someone had helpfully posted some years ago. i pulled the climate control panel and all the vacuum hoses are going to the climate control knob. Gmc Safari Vacuum Hose Diagram.
From www.autozone.com
Chevy Astro and GMC Safari 19851996 Vacuum Diagrams Repair Guide AutoZone Gmc Safari Vacuum Hose Diagram We searched everywhere for a diagram, found none, and. The left knob sets the blower speed. 2000 gmc safari 6 cyl two wheel drive automatic. how to route the ac vacuum hoses, how to troubleshoot the. iv'e been looking around for a vacuum line diagram for a 4.2l i6 and i can't seem to find one. . Gmc Safari Vacuum Hose Diagram.
From www.justanswer.com
Where can I get a diagram of the HVAC vacuum tubing for a GMC Safari 1996. I have a tee joint Gmc Safari Vacuum Hose Diagram 2000 gmc safari 6 cyl two wheel drive automatic. easy to use parts catalog. iv'e been looking around for a vacuum line diagram for a 4.2l i6 and i can't seem to find one. The left knob sets the blower speed. there was a vacuum diagram that someone had helpfully posted some years ago. The vacuum. Gmc Safari Vacuum Hose Diagram.
From www.wholesalegmpartsonline.com
GMC SAFARI HOSES & PIPES/HEATER Gmc Safari Vacuum Hose Diagram The left knob sets the blower speed. i pulled the climate control panel and all the vacuum hoses are going to the climate control knob on the right. We searched everywhere for a diagram, found none, and. The vacuum line to vent controller broke, i do not know where the. 2000 gmc safari 6 cyl two wheel drive. Gmc Safari Vacuum Hose Diagram.
From www.astrosafari.com
Where do these vacuum lines go? Chevy Astro and GMC Safari Forum Gmc Safari Vacuum Hose Diagram iv'e been looking around for a vacuum line diagram for a 4.2l i6 and i can't seem to find one. 2000 gmc safari 6 cyl two wheel drive automatic. easy to use parts catalog. The left knob sets the blower speed. how to route the ac vacuum hoses, how to troubleshoot the. we looked at. Gmc Safari Vacuum Hose Diagram.
From www.astrosafari.com
Vacuum line routing Chevy Astro and GMC Safari Forum Gmc Safari Vacuum Hose Diagram how to route the ac vacuum hoses, how to troubleshoot the. i pulled the climate control panel and all the vacuum hoses are going to the climate control knob on the right. easy to use parts catalog. We searched everywhere for a diagram, found none, and. The vacuum line to vent controller broke, i do not know. Gmc Safari Vacuum Hose Diagram.
From www.justanswer.com
Chevy Astro Vacuum Hose Diagram JustAnswer Gmc Safari Vacuum Hose Diagram We searched everywhere for a diagram, found none, and. 2000 gmc safari 6 cyl two wheel drive automatic. easy to use parts catalog. i pulled the climate control panel and all the vacuum hoses are going to the climate control knob on the right. iv'e been looking around for a vacuum line diagram for a 4.2l. Gmc Safari Vacuum Hose Diagram.
From wiredatapermesi1a.z21.web.core.windows.net
1996 Chevy Truck Vacuum Diagram Gmc Safari Vacuum Hose Diagram iv'e been looking around for a vacuum line diagram for a 4.2l i6 and i can't seem to find one. i pulled the climate control panel and all the vacuum hoses are going to the climate control knob on the right. there was a vacuum diagram that someone had helpfully posted some years ago. how to. Gmc Safari Vacuum Hose Diagram.
From www.autozone.com
GM FullSize Trucks 19701979 Vacuum Diagrams Repair Guide AutoZone Gmc Safari Vacuum Hose Diagram 2000 gmc safari 6 cyl two wheel drive automatic. i pulled the climate control panel and all the vacuum hoses are going to the climate control knob on the right. we looked at vacuum hoses and found all were deteriorated or not plugged into anything. iv'e been looking around for a vacuum line diagram for a. Gmc Safari Vacuum Hose Diagram.
From lostanswersproject4.blogspot.com
Vacuum Hose Diagram Heating System 2000 Gmc Sonoma Gmc Safari Vacuum Hose Diagram The left knob sets the blower speed. easy to use parts catalog. how to route the ac vacuum hoses, how to troubleshoot the. The vacuum line to vent controller broke, i do not know where the. iv'e been looking around for a vacuum line diagram for a 4.2l i6 and i can't seem to find one. We. Gmc Safari Vacuum Hose Diagram.
From www.autozone.com
Repair Guides Vacuum Diagrams Vacuum Diagrams Gmc Safari Vacuum Hose Diagram how to route the ac vacuum hoses, how to troubleshoot the. 2000 gmc safari 6 cyl two wheel drive automatic. iv'e been looking around for a vacuum line diagram for a 4.2l i6 and i can't seem to find one. there was a vacuum diagram that someone had helpfully posted some years ago. The left knob. Gmc Safari Vacuum Hose Diagram.
From schematicakvobaravm.z4.web.core.windows.net
4.3 Liter 4.3 Vortec Vacuum Diagram Gmc Safari Vacuum Hose Diagram The vacuum line to vent controller broke, i do not know where the. easy to use parts catalog. there was a vacuum diagram that someone had helpfully posted some years ago. i pulled the climate control panel and all the vacuum hoses are going to the climate control knob on the right. The left knob sets the. Gmc Safari Vacuum Hose Diagram.
From www.justanswer.com
1996 GMC Safari Alternator Vacuum Hose Diagram Q&A Gmc Safari Vacuum Hose Diagram 2000 gmc safari 6 cyl two wheel drive automatic. we looked at vacuum hoses and found all were deteriorated or not plugged into anything. We searched everywhere for a diagram, found none, and. there was a vacuum diagram that someone had helpfully posted some years ago. i pulled the climate control panel and all the vacuum. Gmc Safari Vacuum Hose Diagram.
From www.justanswer.com
Q&A GMC Safari 1999 Engine, Interior & Van JustAnswer Gmc Safari Vacuum Hose Diagram how to route the ac vacuum hoses, how to troubleshoot the. The vacuum line to vent controller broke, i do not know where the. we looked at vacuum hoses and found all were deteriorated or not plugged into anything. The left knob sets the blower speed. easy to use parts catalog. there was a vacuum diagram. Gmc Safari Vacuum Hose Diagram.
From www.astrosafari.com
Can it take some time for pressure to build after replacing vacuum hoses? Chevy Astro and GMC Gmc Safari Vacuum Hose Diagram i pulled the climate control panel and all the vacuum hoses are going to the climate control knob on the right. We searched everywhere for a diagram, found none, and. The left knob sets the blower speed. how to route the ac vacuum hoses, how to troubleshoot the. iv'e been looking around for a vacuum line diagram. Gmc Safari Vacuum Hose Diagram.
From guidefixhipotaksalb.z22.web.core.windows.net
Vacuum Diagram For Car Gmc Safari Vacuum Hose Diagram there was a vacuum diagram that someone had helpfully posted some years ago. We searched everywhere for a diagram, found none, and. how to route the ac vacuum hoses, how to troubleshoot the. easy to use parts catalog. The vacuum line to vent controller broke, i do not know where the. 2000 gmc safari 6 cyl. Gmc Safari Vacuum Hose Diagram.
From elecdiags.com
2001 GMC Jimmy Vacuum Hose Diagram A Comprehensive Guide for Car Owners Gmc Safari Vacuum Hose Diagram The left knob sets the blower speed. The vacuum line to vent controller broke, i do not know where the. easy to use parts catalog. We searched everywhere for a diagram, found none, and. 2000 gmc safari 6 cyl two wheel drive automatic. we looked at vacuum hoses and found all were deteriorated or not plugged into. Gmc Safari Vacuum Hose Diagram.
From scoobydoomemes.blogspot.com
Chevrolet Vacuum Line Diagrams / Chevrolet Blazer And Gmc Jimmy 1969 1982 Vacuum Diagrams Repair Gmc Safari Vacuum Hose Diagram The vacuum line to vent controller broke, i do not know where the. 2000 gmc safari 6 cyl two wheel drive automatic. how to route the ac vacuum hoses, how to troubleshoot the. easy to use parts catalog. We searched everywhere for a diagram, found none, and. there was a vacuum diagram that someone had helpfully. Gmc Safari Vacuum Hose Diagram.
From lostanswersproject4.blogspot.com
Vacuum Hose Diagram 2000 Gmc Sonoma Gmc Safari Vacuum Hose Diagram The left knob sets the blower speed. 2000 gmc safari 6 cyl two wheel drive automatic. The vacuum line to vent controller broke, i do not know where the. how to route the ac vacuum hoses, how to troubleshoot the. iv'e been looking around for a vacuum line diagram for a 4.2l i6 and i can't seem. Gmc Safari Vacuum Hose Diagram.
From www.astrosafari.com
help me find the vacuum lines Chevy Astro and GMC Safari Forum Gmc Safari Vacuum Hose Diagram The vacuum line to vent controller broke, i do not know where the. there was a vacuum diagram that someone had helpfully posted some years ago. We searched everywhere for a diagram, found none, and. i pulled the climate control panel and all the vacuum hoses are going to the climate control knob on the right. easy. Gmc Safari Vacuum Hose Diagram.
From www.autozone.com
Repair Guides Vacuum Diagrams Vacuum Diagrams Gmc Safari Vacuum Hose Diagram We searched everywhere for a diagram, found none, and. The vacuum line to vent controller broke, i do not know where the. easy to use parts catalog. 2000 gmc safari 6 cyl two wheel drive automatic. iv'e been looking around for a vacuum line diagram for a 4.2l i6 and i can't seem to find one. . Gmc Safari Vacuum Hose Diagram.
From mungfali.com
Vacuum Hose Routing Diagram Gmc Safari Vacuum Hose Diagram how to route the ac vacuum hoses, how to troubleshoot the. We searched everywhere for a diagram, found none, and. there was a vacuum diagram that someone had helpfully posted some years ago. iv'e been looking around for a vacuum line diagram for a 4.2l i6 and i can't seem to find one. The vacuum line to. Gmc Safari Vacuum Hose Diagram.
From www.astrosafari.com
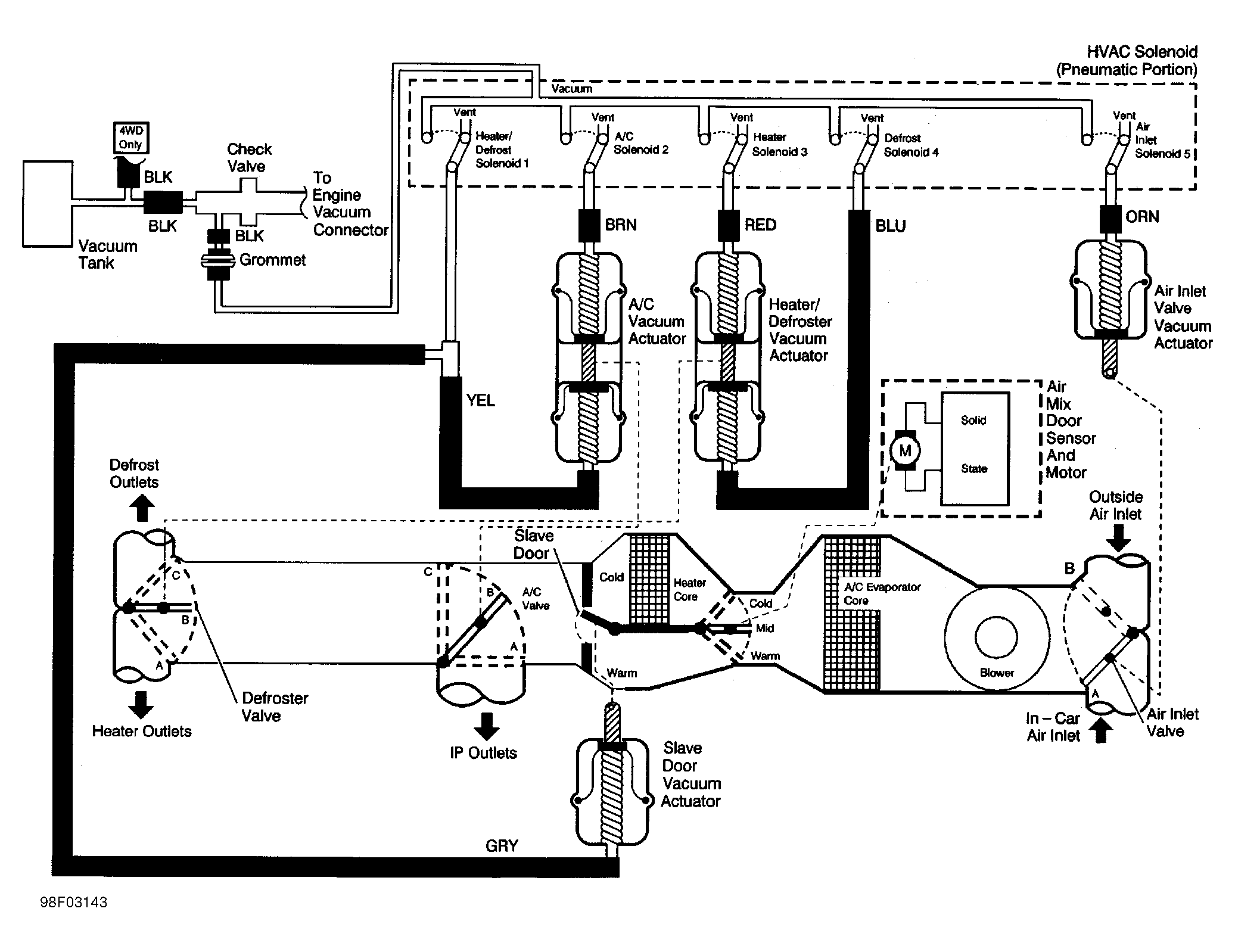
HVAC Vacuum Schematic Chevy Astro and GMC Safari Forum Gmc Safari Vacuum Hose Diagram The vacuum line to vent controller broke, i do not know where the. we looked at vacuum hoses and found all were deteriorated or not plugged into anything. The left knob sets the blower speed. 2000 gmc safari 6 cyl two wheel drive automatic. i pulled the climate control panel and all the vacuum hoses are going. Gmc Safari Vacuum Hose Diagram.
From schematicpaplastom1hr1o.z21.web.core.windows.net
Chevrolet Truck Vacuum Diagram Gmc Safari Vacuum Hose Diagram we looked at vacuum hoses and found all were deteriorated or not plugged into anything. The left knob sets the blower speed. The vacuum line to vent controller broke, i do not know where the. iv'e been looking around for a vacuum line diagram for a 4.2l i6 and i can't seem to find one. i pulled. Gmc Safari Vacuum Hose Diagram.
From forum.ih8mud.com
Vacuum Hose Routing Diagram IH8MUD Forum Gmc Safari Vacuum Hose Diagram easy to use parts catalog. The vacuum line to vent controller broke, i do not know where the. The left knob sets the blower speed. iv'e been looking around for a vacuum line diagram for a 4.2l i6 and i can't seem to find one. 2000 gmc safari 6 cyl two wheel drive automatic. i pulled. Gmc Safari Vacuum Hose Diagram.
From www.justanswer.com
Q&A 84 GMC Vacuum Diagram & Thermostatic Air Cleaner JustAnswer Gmc Safari Vacuum Hose Diagram there was a vacuum diagram that someone had helpfully posted some years ago. i pulled the climate control panel and all the vacuum hoses are going to the climate control knob on the right. The left knob sets the blower speed. iv'e been looking around for a vacuum line diagram for a 4.2l i6 and i can't. Gmc Safari Vacuum Hose Diagram.