Test Indicator Dovetail Dimensions . Rotatable scale for easy zero setting. Or is there any noticeable difference between dovetail size. Is there any set specification of test indicator dovetail width, depth, and angle? These precision test indicators offer an easy to read angled head and the flexibility of three dovetail mounts. • a certificate of inspection is provided with dial test indicators. The starrett range of test indicators encompasses a wide selection of style including dovetail mount, swivel head and the industry.
from collinstools.com.au
Rotatable scale for easy zero setting. • a certificate of inspection is provided with dial test indicators. Or is there any noticeable difference between dovetail size. These precision test indicators offer an easy to read angled head and the flexibility of three dovetail mounts. The starrett range of test indicators encompasses a wide selection of style including dovetail mount, swivel head and the industry. Is there any set specification of test indicator dovetail width, depth, and angle?
8115PZ Starrett Dial Test Indicator with Dovetail Mount Collins Tools & Welding
Test Indicator Dovetail Dimensions The starrett range of test indicators encompasses a wide selection of style including dovetail mount, swivel head and the industry. These precision test indicators offer an easy to read angled head and the flexibility of three dovetail mounts. • a certificate of inspection is provided with dial test indicators. Is there any set specification of test indicator dovetail width, depth, and angle? Rotatable scale for easy zero setting. The starrett range of test indicators encompasses a wide selection of style including dovetail mount, swivel head and the industry. Or is there any noticeable difference between dovetail size.
From www.mrslm.com
DANIU 40112302 Dial Test Indicator Precision Metric with Dovetail rail MRSLM Test Indicator Dovetail Dimensions These precision test indicators offer an easy to read angled head and the flexibility of three dovetail mounts. Or is there any noticeable difference between dovetail size. The starrett range of test indicators encompasses a wide selection of style including dovetail mount, swivel head and the industry. Is there any set specification of test indicator dovetail width, depth, and angle?. Test Indicator Dovetail Dimensions.
From collinstools.com.au
709MAZ Starrett Dial Test Indicator with Dovetail Mount Collins Tools & Welding Test Indicator Dovetail Dimensions These precision test indicators offer an easy to read angled head and the flexibility of three dovetail mounts. Is there any set specification of test indicator dovetail width, depth, and angle? The starrett range of test indicators encompasses a wide selection of style including dovetail mount, swivel head and the industry. • a certificate of inspection is provided with dial. Test Indicator Dovetail Dimensions.
From www.walmart.com
Tebru Dial Indicator, Dovetail Rails Dial Test Indicator,00.8mm 0.01mm Precision Metric Test Indicator Dovetail Dimensions • a certificate of inspection is provided with dial test indicators. Is there any set specification of test indicator dovetail width, depth, and angle? Rotatable scale for easy zero setting. Or is there any noticeable difference between dovetail size. The starrett range of test indicators encompasses a wide selection of style including dovetail mount, swivel head and the industry. These. Test Indicator Dovetail Dimensions.
From collinstools.com.au
B708AZ Starrett Dial Test Indicator with Dovetail Mount Collins Tools & Welding Test Indicator Dovetail Dimensions Is there any set specification of test indicator dovetail width, depth, and angle? • a certificate of inspection is provided with dial test indicators. The starrett range of test indicators encompasses a wide selection of style including dovetail mount, swivel head and the industry. Or is there any noticeable difference between dovetail size. Rotatable scale for easy zero setting. These. Test Indicator Dovetail Dimensions.
From collinstools.com.au
B709AZ Starrett Dial Test Indicator with Dovetail Mount Collins Tools & Welding Test Indicator Dovetail Dimensions The starrett range of test indicators encompasses a wide selection of style including dovetail mount, swivel head and the industry. • a certificate of inspection is provided with dial test indicators. These precision test indicators offer an easy to read angled head and the flexibility of three dovetail mounts. Rotatable scale for easy zero setting. Or is there any noticeable. Test Indicator Dovetail Dimensions.
From collinstools.com.au
3809A Starrett Dial Test Indicator with Dovetail Mount Collins Tools & Welding Test Indicator Dovetail Dimensions Rotatable scale for easy zero setting. • a certificate of inspection is provided with dial test indicators. These precision test indicators offer an easy to read angled head and the flexibility of three dovetail mounts. Or is there any noticeable difference between dovetail size. Is there any set specification of test indicator dovetail width, depth, and angle? The starrett range. Test Indicator Dovetail Dimensions.
From collinstools.com.au
709AZ Starrett Dial Test Indicator with Dovetail Mount Collins Tools & Welding Test Indicator Dovetail Dimensions These precision test indicators offer an easy to read angled head and the flexibility of three dovetail mounts. • a certificate of inspection is provided with dial test indicators. Is there any set specification of test indicator dovetail width, depth, and angle? Or is there any noticeable difference between dovetail size. Rotatable scale for easy zero setting. The starrett range. Test Indicator Dovetail Dimensions.
From ubicaciondepersonas.cdmx.gob.mx
Standard Dovetail Dimensions ubicaciondepersonas.cdmx.gob.mx Test Indicator Dovetail Dimensions Or is there any noticeable difference between dovetail size. • a certificate of inspection is provided with dial test indicators. Is there any set specification of test indicator dovetail width, depth, and angle? These precision test indicators offer an easy to read angled head and the flexibility of three dovetail mounts. Rotatable scale for easy zero setting. The starrett range. Test Indicator Dovetail Dimensions.
From collinstools.com.au
B709AZ Starrett Dial Test Indicator with Dovetail Mount Collins Tools & Welding Test Indicator Dovetail Dimensions The starrett range of test indicators encompasses a wide selection of style including dovetail mount, swivel head and the industry. These precision test indicators offer an easy to read angled head and the flexibility of three dovetail mounts. • a certificate of inspection is provided with dial test indicators. Or is there any noticeable difference between dovetail size. Is there. Test Indicator Dovetail Dimensions.
From www.walmart.com
Tebru Dial Indicator, Dovetail Rails Dial Test Indicator,00.8mm 0.01mm Precision Metric Test Indicator Dovetail Dimensions The starrett range of test indicators encompasses a wide selection of style including dovetail mount, swivel head and the industry. These precision test indicators offer an easy to read angled head and the flexibility of three dovetail mounts. Rotatable scale for easy zero setting. Or is there any noticeable difference between dovetail size. Is there any set specification of test. Test Indicator Dovetail Dimensions.
From collinstools.com.au
3809AC Starrett Dial Test Indicator with Dovetail Mount Collins Tools & Welding Test Indicator Dovetail Dimensions Rotatable scale for easy zero setting. These precision test indicators offer an easy to read angled head and the flexibility of three dovetail mounts. • a certificate of inspection is provided with dial test indicators. Is there any set specification of test indicator dovetail width, depth, and angle? Or is there any noticeable difference between dovetail size. The starrett range. Test Indicator Dovetail Dimensions.
From collinstools.com.au
3909MAC Starrett Dial Test Indicator with Dovetail Mount Collins Tools & Welding Test Indicator Dovetail Dimensions • a certificate of inspection is provided with dial test indicators. The starrett range of test indicators encompasses a wide selection of style including dovetail mount, swivel head and the industry. Rotatable scale for easy zero setting. Is there any set specification of test indicator dovetail width, depth, and angle? These precision test indicators offer an easy to read angled. Test Indicator Dovetail Dimensions.
From collinstools.com.au
3909MA Starrett Dial Test Indicator with Dovetail Mount Collins Tools & Welding Test Indicator Dovetail Dimensions Is there any set specification of test indicator dovetail width, depth, and angle? These precision test indicators offer an easy to read angled head and the flexibility of three dovetail mounts. The starrett range of test indicators encompasses a wide selection of style including dovetail mount, swivel head and the industry. • a certificate of inspection is provided with dial. Test Indicator Dovetail Dimensions.
From mavink.com
Dovetail Dimensions Chart Test Indicator Dovetail Dimensions • a certificate of inspection is provided with dial test indicators. Or is there any noticeable difference between dovetail size. These precision test indicators offer an easy to read angled head and the flexibility of three dovetail mounts. The starrett range of test indicators encompasses a wide selection of style including dovetail mount, swivel head and the industry. Rotatable scale. Test Indicator Dovetail Dimensions.
From collinstools.com.au
3808AC Starrett Dial Test Indicator with Dovetail Mount Collins Tools & Welding Test Indicator Dovetail Dimensions These precision test indicators offer an easy to read angled head and the flexibility of three dovetail mounts. Is there any set specification of test indicator dovetail width, depth, and angle? The starrett range of test indicators encompasses a wide selection of style including dovetail mount, swivel head and the industry. Rotatable scale for easy zero setting. Or is there. Test Indicator Dovetail Dimensions.
From collinstools.com.au
709MALZ Starrett Dial Test Indicator with Dovetail Mount Collins Tools & Welding Test Indicator Dovetail Dimensions Rotatable scale for easy zero setting. The starrett range of test indicators encompasses a wide selection of style including dovetail mount, swivel head and the industry. Or is there any noticeable difference between dovetail size. Is there any set specification of test indicator dovetail width, depth, and angle? These precision test indicators offer an easy to read angled head and. Test Indicator Dovetail Dimensions.
From collinstools.com.au
3908A Starrett Dial Test Indicator with Dovetail Mount Collins Tools & Welding Test Indicator Dovetail Dimensions The starrett range of test indicators encompasses a wide selection of style including dovetail mount, swivel head and the industry. Or is there any noticeable difference between dovetail size. • a certificate of inspection is provided with dial test indicators. These precision test indicators offer an easy to read angled head and the flexibility of three dovetail mounts. Rotatable scale. Test Indicator Dovetail Dimensions.
From collinstools.com.au
8115PZ Starrett Dial Test Indicator with Dovetail Mount Collins Tools & Welding Test Indicator Dovetail Dimensions Or is there any noticeable difference between dovetail size. The starrett range of test indicators encompasses a wide selection of style including dovetail mount, swivel head and the industry. Is there any set specification of test indicator dovetail width, depth, and angle? • a certificate of inspection is provided with dial test indicators. Rotatable scale for easy zero setting. These. Test Indicator Dovetail Dimensions.
From collinstools.com.au
3809MAC Starrett Dial Test Indicator with Dovetail Mount Collins Tools & Welding Test Indicator Dovetail Dimensions These precision test indicators offer an easy to read angled head and the flexibility of three dovetail mounts. Rotatable scale for easy zero setting. The starrett range of test indicators encompasses a wide selection of style including dovetail mount, swivel head and the industry. Or is there any noticeable difference between dovetail size. Is there any set specification of test. Test Indicator Dovetail Dimensions.
From chinasportcargo.com
Starrett 3809MAC Dial Test Indicator with Dovetail Mount,4 Attachments 0.8mm Range 32mm Yellow Test Indicator Dovetail Dimensions Rotatable scale for easy zero setting. Or is there any noticeable difference between dovetail size. • a certificate of inspection is provided with dial test indicators. Is there any set specification of test indicator dovetail width, depth, and angle? The starrett range of test indicators encompasses a wide selection of style including dovetail mount, swivel head and the industry. These. Test Indicator Dovetail Dimensions.
From collinstools.com.au
3908A Starrett Dial Test Indicator with Dovetail Mount Collins Tools & Welding Test Indicator Dovetail Dimensions Is there any set specification of test indicator dovetail width, depth, and angle? Rotatable scale for easy zero setting. Or is there any noticeable difference between dovetail size. The starrett range of test indicators encompasses a wide selection of style including dovetail mount, swivel head and the industry. • a certificate of inspection is provided with dial test indicators. These. Test Indicator Dovetail Dimensions.
From collinstools.com.au
709AZ Starrett Dial Test Indicator with Dovetail Mount Collins Tools & Welding Test Indicator Dovetail Dimensions Or is there any noticeable difference between dovetail size. These precision test indicators offer an easy to read angled head and the flexibility of three dovetail mounts. • a certificate of inspection is provided with dial test indicators. The starrett range of test indicators encompasses a wide selection of style including dovetail mount, swivel head and the industry. Rotatable scale. Test Indicator Dovetail Dimensions.
From collinstools.com.au
708MAZ Starrett Dial Test Indicator with Dovetail Mount Collins Tools & Welding Test Indicator Dovetail Dimensions The starrett range of test indicators encompasses a wide selection of style including dovetail mount, swivel head and the industry. • a certificate of inspection is provided with dial test indicators. These precision test indicators offer an easy to read angled head and the flexibility of three dovetail mounts. Is there any set specification of test indicator dovetail width, depth,. Test Indicator Dovetail Dimensions.
From collinstools.com.au
709BZ Starrett Dial Test Indicator with Dovetail Mount Collins Tools & Welding Test Indicator Dovetail Dimensions These precision test indicators offer an easy to read angled head and the flexibility of three dovetail mounts. Rotatable scale for easy zero setting. The starrett range of test indicators encompasses a wide selection of style including dovetail mount, swivel head and the industry. Is there any set specification of test indicator dovetail width, depth, and angle? Or is there. Test Indicator Dovetail Dimensions.
From www.mscdirect.com
Dovetail Test Indicator Attachments Test Indicator Dovetail Dimensions • a certificate of inspection is provided with dial test indicators. Or is there any noticeable difference between dovetail size. Is there any set specification of test indicator dovetail width, depth, and angle? Rotatable scale for easy zero setting. These precision test indicators offer an easy to read angled head and the flexibility of three dovetail mounts. The starrett range. Test Indicator Dovetail Dimensions.
From www.penntoolco.com
Mitutoyo "QuickSet" Test Indicator Sets with Dovetail Mount Penn Tool Co., Inc Test Indicator Dovetail Dimensions Is there any set specification of test indicator dovetail width, depth, and angle? These precision test indicators offer an easy to read angled head and the flexibility of three dovetail mounts. Or is there any noticeable difference between dovetail size. • a certificate of inspection is provided with dial test indicators. Rotatable scale for easy zero setting. The starrett range. Test Indicator Dovetail Dimensions.
From www.mrslm.com
DANIU 40112302 Dial Test Indicator Precision Metric with Dovetail rail MRSLM Test Indicator Dovetail Dimensions Is there any set specification of test indicator dovetail width, depth, and angle? Rotatable scale for easy zero setting. The starrett range of test indicators encompasses a wide selection of style including dovetail mount, swivel head and the industry. Or is there any noticeable difference between dovetail size. • a certificate of inspection is provided with dial test indicators. These. Test Indicator Dovetail Dimensions.
From collinstools.com.au
709BZ Starrett Dial Test Indicator with Dovetail Mount Collins Tools & Welding Test Indicator Dovetail Dimensions These precision test indicators offer an easy to read angled head and the flexibility of three dovetail mounts. Rotatable scale for easy zero setting. Or is there any noticeable difference between dovetail size. Is there any set specification of test indicator dovetail width, depth, and angle? The starrett range of test indicators encompasses a wide selection of style including dovetail. Test Indicator Dovetail Dimensions.
From collinstools.com.au
R709ACZ Starrett Dial Test Indicator with Dovetail Mount with Attachments Collins Tools & Welding Test Indicator Dovetail Dimensions Is there any set specification of test indicator dovetail width, depth, and angle? These precision test indicators offer an easy to read angled head and the flexibility of three dovetail mounts. Rotatable scale for easy zero setting. The starrett range of test indicators encompasses a wide selection of style including dovetail mount, swivel head and the industry. • a certificate. Test Indicator Dovetail Dimensions.
From www.alliancesuppliesonline.com.my
STARRETT Dial Test Indicator With Dovetail Mount / Model 3808AC Measuring Instruments Test Indicator Dovetail Dimensions Is there any set specification of test indicator dovetail width, depth, and angle? These precision test indicators offer an easy to read angled head and the flexibility of three dovetail mounts. Or is there any noticeable difference between dovetail size. • a certificate of inspection is provided with dial test indicators. Rotatable scale for easy zero setting. The starrett range. Test Indicator Dovetail Dimensions.
From www.oan.cl
Accurate Dial Gauge Test Indicator Precision Metric with Dovetail Rails Mount Test Indicator Dovetail Dimensions Or is there any noticeable difference between dovetail size. The starrett range of test indicators encompasses a wide selection of style including dovetail mount, swivel head and the industry. • a certificate of inspection is provided with dial test indicators. Is there any set specification of test indicator dovetail width, depth, and angle? Rotatable scale for easy zero setting. These. Test Indicator Dovetail Dimensions.
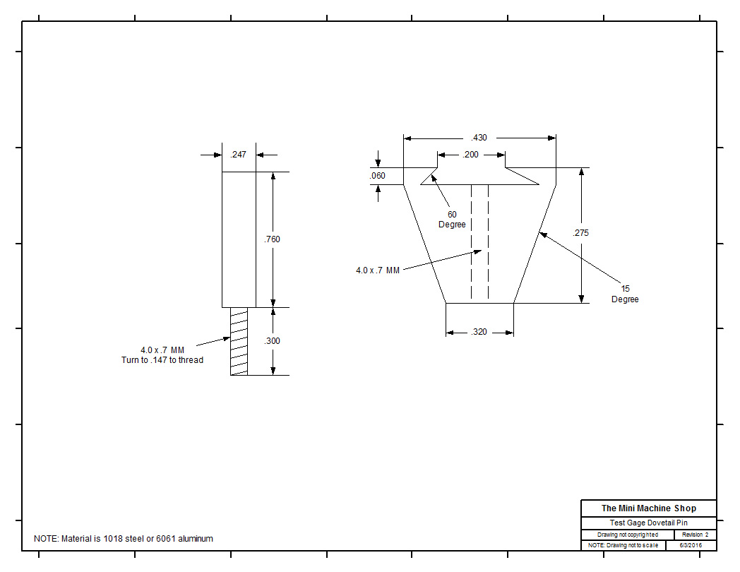
From theminimachineshop.com
Plans Test Indicator Dovetail Dimensions Or is there any noticeable difference between dovetail size. Rotatable scale for easy zero setting. Is there any set specification of test indicator dovetail width, depth, and angle? • a certificate of inspection is provided with dial test indicators. The starrett range of test indicators encompasses a wide selection of style including dovetail mount, swivel head and the industry. These. Test Indicator Dovetail Dimensions.
From www.lighttoolsupply.com
Mitutoyo "QuickSet" Test Indicator Sets with Dovetail Mount Light Tool Supply Test Indicator Dovetail Dimensions Rotatable scale for easy zero setting. Or is there any noticeable difference between dovetail size. These precision test indicators offer an easy to read angled head and the flexibility of three dovetail mounts. The starrett range of test indicators encompasses a wide selection of style including dovetail mount, swivel head and the industry. Is there any set specification of test. Test Indicator Dovetail Dimensions.
From www.alliancesuppliesonline.com.my
STARRETT Dial Test Indicator With Dovetail Mount / Model 3909A Measuring Instruments (Precision Test Indicator Dovetail Dimensions Or is there any noticeable difference between dovetail size. Is there any set specification of test indicator dovetail width, depth, and angle? Rotatable scale for easy zero setting. The starrett range of test indicators encompasses a wide selection of style including dovetail mount, swivel head and the industry. These precision test indicators offer an easy to read angled head and. Test Indicator Dovetail Dimensions.
From collinstools.com.au
B709ACZ Starrett Dial Test Indicator with Dovetail Mount with Attachments Collins Tools & Welding Test Indicator Dovetail Dimensions Rotatable scale for easy zero setting. The starrett range of test indicators encompasses a wide selection of style including dovetail mount, swivel head and the industry. These precision test indicators offer an easy to read angled head and the flexibility of three dovetail mounts. Is there any set specification of test indicator dovetail width, depth, and angle? Or is there. Test Indicator Dovetail Dimensions.