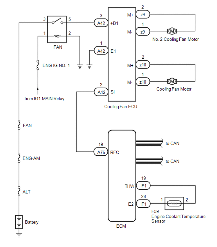
One Radiator Fan Not Spinning . If it’s hard to turn or doesn’t spin smoothly, it might indicate a bad motor. You’ll need a multimeter to test the fan motor’s electrical functionality. However, a bad fan motor, a. Disconnect the fan motor’s electrical connector and set your multimeter to check for resistance (ohms). Check the fuse (s) for the electric radiator fans. • blade blockage— spin the fan blade. It could be a problem with the fan motor, temperature sensor, fan control relay, or wiring. If you pop the hood, you won’t see the radiator fans moving any faster than a lazy spin. The fan isn’t spinning when the engine is warm. The check engine light might come on. If one or more fuses are blown and the replacement fuse blows, check the following: If the radiator fans of your liquid cooler does not spin, it can't maintain cpu temperature. A problem in your radiator fan system can usually be traced to: Radiator fans can stop working because of broken fan motors, problems with the wiring, blown fuses, damaged temperature sensor, insufficient coolant, and failed fan relay. The motor, clutch, or belt.
from www.technewstoday.com
You’ll need a multimeter to test the fan motor’s electrical functionality. It could be a problem with the fan motor, temperature sensor, fan control relay, or wiring. If you pop the hood, you won’t see the radiator fans moving any faster than a lazy spin. The fan isn’t spinning when the engine is warm. However, a bad fan motor, a. A problem in your radiator fan system can usually be traced to: If it’s hard to turn or doesn’t spin smoothly, it might indicate a bad motor. Radiator fans can stop working because of broken fan motors, problems with the wiring, blown fuses, damaged temperature sensor, insufficient coolant, and failed fan relay. If one or more fuses are blown and the replacement fuse blows, check the following: Connect the multimeter probes to the fan motor terminals.
Radiator Fans Not Spinning? 3 Ways To Fix It
One Radiator Fan Not Spinning Check the fuse (s) for the electric radiator fans. If it’s hard to turn or doesn’t spin smoothly, it might indicate a bad motor. If you pop the hood, you won’t see the radiator fans moving any faster than a lazy spin. However, a bad fan motor, a. In most cases, a blown fuse or bad starter relay is responsible for a vehicle's radiator fan not turning on. A problem in your radiator fan system can usually be traced to: The motor, clutch, or belt. Connect the multimeter probes to the fan motor terminals. Disconnect the fan motor’s electrical connector and set your multimeter to check for resistance (ohms). If one or more fuses are blown and the replacement fuse blows, check the following: You’ll need a multimeter to test the fan motor’s electrical functionality. • blade blockage— spin the fan blade. It could be a problem with the fan motor, temperature sensor, fan control relay, or wiring. The fan isn’t spinning when the engine is warm. Check the fuse (s) for the electric radiator fans. The check engine light might come on.
From www.2carpros.com
Radiator Fans Not Working Properly My Radiator Fan on the Drivers... One Radiator Fan Not Spinning Disconnect the fan motor’s electrical connector and set your multimeter to check for resistance (ohms). In most cases, a blown fuse or bad starter relay is responsible for a vehicle's radiator fan not turning on. You’ll need a multimeter to test the fan motor’s electrical functionality. If you pop the hood, you won’t see the radiator fans moving any faster. One Radiator Fan Not Spinning.
From www.youtube.com
Radiator Fan Relay How to bypass Radiator FAN YouTube One Radiator Fan Not Spinning If you pop the hood, you won’t see the radiator fans moving any faster than a lazy spin. The fan isn’t spinning when the engine is warm. A problem in your radiator fan system can usually be traced to: • blade blockage— spin the fan blade. The motor, clutch, or belt. However, a bad fan motor, a. Check the fuse. One Radiator Fan Not Spinning.
From www.reddit.com
Radiator Fan not spinning r/PcBuild One Radiator Fan Not Spinning However, a bad fan motor, a. The fan isn’t spinning when the engine is warm. Check the fuse (s) for the electric radiator fans. The check engine light might come on. If you pop the hood, you won’t see the radiator fans moving any faster than a lazy spin. If it’s hard to turn or doesn’t spin smoothly, it might. One Radiator Fan Not Spinning.
From www.technewstoday.com
Radiator Fans Not Spinning? 3 Ways To Fix It One Radiator Fan Not Spinning If it’s hard to turn or doesn’t spin smoothly, it might indicate a bad motor. The motor, clutch, or belt. Check the fuse (s) for the electric radiator fans. However, a bad fan motor, a. It could be a problem with the fan motor, temperature sensor, fan control relay, or wiring. If one or more fuses are blown and the. One Radiator Fan Not Spinning.
From www.2carpros.com
Radiator Fan Not Working? Radiator Fans Are Not Working, Power to... One Radiator Fan Not Spinning If one or more fuses are blown and the replacement fuse blows, check the following: Check the fuse (s) for the electric radiator fans. However, a bad fan motor, a. You’ll need a multimeter to test the fan motor’s electrical functionality. Disconnect the fan motor’s electrical connector and set your multimeter to check for resistance (ohms). The motor, clutch, or. One Radiator Fan Not Spinning.
From forum.corsair.com
One of H150i Pro XT radiator fans is not spinning Build Hardware Troubleshooting Corsair One Radiator Fan Not Spinning The fan isn’t spinning when the engine is warm. It could be a problem with the fan motor, temperature sensor, fan control relay, or wiring. A problem in your radiator fan system can usually be traced to: Connect the multimeter probes to the fan motor terminals. If the radiator fans of your liquid cooler does not spin, it can't maintain. One Radiator Fan Not Spinning.
From www.2carpros.com
One Radiator Fan Is Not Coming on Engine Overheating? One Radiator Fan Not Spinning • blade blockage— spin the fan blade. Radiator fans can stop working because of broken fan motors, problems with the wiring, blown fuses, damaged temperature sensor, insufficient coolant, and failed fan relay. Check the fuse (s) for the electric radiator fans. If it’s hard to turn or doesn’t spin smoothly, it might indicate a bad motor. In most cases, a. One Radiator Fan Not Spinning.
From upgradedvehicle.com
Radiator Fan Not Working Symptoms, Causes & Troubleshooting Upgraded Vehicle One Radiator Fan Not Spinning Check the fuse (s) for the electric radiator fans. The check engine light might come on. Radiator fans can stop working because of broken fan motors, problems with the wiring, blown fuses, damaged temperature sensor, insufficient coolant, and failed fan relay. The motor, clutch, or belt. It could be a problem with the fan motor, temperature sensor, fan control relay,. One Radiator Fan Not Spinning.
From mechanicbase.com
Radiator Fan Not Working? 7 Common Causes & How To Fix It One Radiator Fan Not Spinning It could be a problem with the fan motor, temperature sensor, fan control relay, or wiring. The check engine light might come on. If you pop the hood, you won’t see the radiator fans moving any faster than a lazy spin. However, a bad fan motor, a. You’ll need a multimeter to test the fan motor’s electrical functionality. Connect the. One Radiator Fan Not Spinning.
From www.technewstoday.com
Radiator Fans Not Spinning? 3 Ways To Fix It One Radiator Fan Not Spinning You’ll need a multimeter to test the fan motor’s electrical functionality. • blade blockage— spin the fan blade. It could be a problem with the fan motor, temperature sensor, fan control relay, or wiring. A problem in your radiator fan system can usually be traced to: The check engine light might come on. If one or more fuses are blown. One Radiator Fan Not Spinning.
From motorvehiclehq.com
Radiator Fan Not Working? 8 Reasons Why and How to Fix Motor Vehicle HQ One Radiator Fan Not Spinning The check engine light might come on. If you pop the hood, you won’t see the radiator fans moving any faster than a lazy spin. A problem in your radiator fan system can usually be traced to: However, a bad fan motor, a. • blade blockage— spin the fan blade. If the radiator fans of your liquid cooler does not. One Radiator Fan Not Spinning.
From www.camarozone.com
Radiator cooling fan not spinning. What could be causing this? Camaro Zone Forums One Radiator Fan Not Spinning However, a bad fan motor, a. Check the fuse (s) for the electric radiator fans. The motor, clutch, or belt. You’ll need a multimeter to test the fan motor’s electrical functionality. • blade blockage— spin the fan blade. Radiator fans can stop working because of broken fan motors, problems with the wiring, blown fuses, damaged temperature sensor, insufficient coolant, and. One Radiator Fan Not Spinning.
From motorvehiclehq.com
Radiator Fan Not Working? 8 Reasons Why and How to Fix Motor Vehicle HQ One Radiator Fan Not Spinning The check engine light might come on. If it’s hard to turn or doesn’t spin smoothly, it might indicate a bad motor. In most cases, a blown fuse or bad starter relay is responsible for a vehicle's radiator fan not turning on. If the radiator fans of your liquid cooler does not spin, it can't maintain cpu temperature. Connect the. One Radiator Fan Not Spinning.
From carfromjapan.com
Car Radiator Fan Not Working Troubleshooting 6 Common Problems One Radiator Fan Not Spinning The check engine light might come on. If one or more fuses are blown and the replacement fuse blows, check the following: However, a bad fan motor, a. If the radiator fans of your liquid cooler does not spin, it can't maintain cpu temperature. Radiator fans can stop working because of broken fan motors, problems with the wiring, blown fuses,. One Radiator Fan Not Spinning.
From www.my.is
Radiator Fans not spinning (radiator boiling) Lexus IS Forum One Radiator Fan Not Spinning The check engine light might come on. If it’s hard to turn or doesn’t spin smoothly, it might indicate a bad motor. Radiator fans can stop working because of broken fan motors, problems with the wiring, blown fuses, damaged temperature sensor, insufficient coolant, and failed fan relay. If the radiator fans of your liquid cooler does not spin, it can't. One Radiator Fan Not Spinning.
From oneandonlady.blogspot.com
radiator fan not working sometimes Carolin Bellamy One Radiator Fan Not Spinning If it’s hard to turn or doesn’t spin smoothly, it might indicate a bad motor. Disconnect the fan motor’s electrical connector and set your multimeter to check for resistance (ohms). • blade blockage— spin the fan blade. If the radiator fans of your liquid cooler does not spin, it can't maintain cpu temperature. You’ll need a multimeter to test the. One Radiator Fan Not Spinning.
From www.pickhvac.com
Why Is My Heat Pump Fan Not Spinning and How to Fix It PICKHVAC One Radiator Fan Not Spinning The fan isn’t spinning when the engine is warm. It could be a problem with the fan motor, temperature sensor, fan control relay, or wiring. The motor, clutch, or belt. The check engine light might come on. A problem in your radiator fan system can usually be traced to: • blade blockage— spin the fan blade. You’ll need a multimeter. One Radiator Fan Not Spinning.
From www.youtube.com
Chevrolet radiator fans not working YouTube One Radiator Fan Not Spinning Check the fuse (s) for the electric radiator fans. However, a bad fan motor, a. If one or more fuses are blown and the replacement fuse blows, check the following: The motor, clutch, or belt. If you pop the hood, you won’t see the radiator fans moving any faster than a lazy spin. • blade blockage— spin the fan blade.. One Radiator Fan Not Spinning.
From www.technewstoday.com
Radiator Fans Not Spinning? 3 Ways To Fix It One Radiator Fan Not Spinning • blade blockage— spin the fan blade. If you pop the hood, you won’t see the radiator fans moving any faster than a lazy spin. If one or more fuses are blown and the replacement fuse blows, check the following: A problem in your radiator fan system can usually be traced to: Disconnect the fan motor’s electrical connector and set. One Radiator Fan Not Spinning.
From sontianmotor.com
Radiator Fan Symptoms, Problems, How to Test Radiator Fan SONTIAN One Radiator Fan Not Spinning The motor, clutch, or belt. Disconnect the fan motor’s electrical connector and set your multimeter to check for resistance (ohms). If the radiator fans of your liquid cooler does not spin, it can't maintain cpu temperature. If you pop the hood, you won’t see the radiator fans moving any faster than a lazy spin. Check the fuse (s) for the. One Radiator Fan Not Spinning.
From schematichorses.z21.web.core.windows.net
Fans Not Working On Radiator One Radiator Fan Not Spinning If one or more fuses are blown and the replacement fuse blows, check the following: If it’s hard to turn or doesn’t spin smoothly, it might indicate a bad motor. If the radiator fans of your liquid cooler does not spin, it can't maintain cpu temperature. A problem in your radiator fan system can usually be traced to: Disconnect the. One Radiator Fan Not Spinning.
From www.youtube.com
AC Not Cooling Condenser Fan Spinning Yet Don't Hear Compressor YouTube One Radiator Fan Not Spinning If one or more fuses are blown and the replacement fuse blows, check the following: You’ll need a multimeter to test the fan motor’s electrical functionality. Radiator fans can stop working because of broken fan motors, problems with the wiring, blown fuses, damaged temperature sensor, insufficient coolant, and failed fan relay. The check engine light might come on. In most. One Radiator Fan Not Spinning.
From www.jeepforum.com
2000 wj radiator fan not spinning Jeep Enthusiast Forums One Radiator Fan Not Spinning Disconnect the fan motor’s electrical connector and set your multimeter to check for resistance (ohms). You’ll need a multimeter to test the fan motor’s electrical functionality. The fan isn’t spinning when the engine is warm. Check the fuse (s) for the electric radiator fans. However, a bad fan motor, a. If it’s hard to turn or doesn’t spin smoothly, it. One Radiator Fan Not Spinning.
From www.youtube.com
Radiatorfan not working properly overheating problem in car solve car overheating problem One Radiator Fan Not Spinning • blade blockage— spin the fan blade. Radiator fans can stop working because of broken fan motors, problems with the wiring, blown fuses, damaged temperature sensor, insufficient coolant, and failed fan relay. The fan isn’t spinning when the engine is warm. However, a bad fan motor, a. Check the fuse (s) for the electric radiator fans. The motor, clutch, or. One Radiator Fan Not Spinning.
From www.2carpros.com
Radiator Fan Not Spinning the Radiator Fan Does Not Seem to Be One Radiator Fan Not Spinning The motor, clutch, or belt. In most cases, a blown fuse or bad starter relay is responsible for a vehicle's radiator fan not turning on. If the radiator fans of your liquid cooler does not spin, it can't maintain cpu temperature. You’ll need a multimeter to test the fan motor’s electrical functionality. The fan isn’t spinning when the engine is. One Radiator Fan Not Spinning.
From carfromjapan.com
Radiator Fan Not Working Troubleshooting 6 Common Problems One Radiator Fan Not Spinning If you pop the hood, you won’t see the radiator fans moving any faster than a lazy spin. If it’s hard to turn or doesn’t spin smoothly, it might indicate a bad motor. However, a bad fan motor, a. A problem in your radiator fan system can usually be traced to: Connect the multimeter probes to the fan motor terminals.. One Radiator Fan Not Spinning.
From www.2carpros.com
Radiator Fan Not Spinning the Radiator Fan Does Not Seem to Be One Radiator Fan Not Spinning If it’s hard to turn or doesn’t spin smoothly, it might indicate a bad motor. However, a bad fan motor, a. Check the fuse (s) for the electric radiator fans. If one or more fuses are blown and the replacement fuse blows, check the following: It could be a problem with the fan motor, temperature sensor, fan control relay, or. One Radiator Fan Not Spinning.
From mbworld.org
Radiator fan not working Forums One Radiator Fan Not Spinning If the radiator fans of your liquid cooler does not spin, it can't maintain cpu temperature. • blade blockage— spin the fan blade. The motor, clutch, or belt. You’ll need a multimeter to test the fan motor’s electrical functionality. It could be a problem with the fan motor, temperature sensor, fan control relay, or wiring. In most cases, a blown. One Radiator Fan Not Spinning.
From www.reddit.com
H100i Radiator Fans Not Spinning? FormD One Radiator Fan Not Spinning If it’s hard to turn or doesn’t spin smoothly, it might indicate a bad motor. Disconnect the fan motor’s electrical connector and set your multimeter to check for resistance (ohms). If the radiator fans of your liquid cooler does not spin, it can't maintain cpu temperature. The motor, clutch, or belt. The check engine light might come on. However, a. One Radiator Fan Not Spinning.
From www.clublexus.com
Help with radiator cooling fans, not spinning, due to fan module? ClubLexus Lexus Forum One Radiator Fan Not Spinning It could be a problem with the fan motor, temperature sensor, fan control relay, or wiring. The fan isn’t spinning when the engine is warm. Check the fuse (s) for the electric radiator fans. • blade blockage— spin the fan blade. You’ll need a multimeter to test the fan motor’s electrical functionality. If one or more fuses are blown and. One Radiator Fan Not Spinning.
From www.youtube.com
Radiator Fan Not Working? Here's How To Fix It YouTube One Radiator Fan Not Spinning In most cases, a blown fuse or bad starter relay is responsible for a vehicle's radiator fan not turning on. • blade blockage— spin the fan blade. If you pop the hood, you won’t see the radiator fans moving any faster than a lazy spin. If the radiator fans of your liquid cooler does not spin, it can't maintain cpu. One Radiator Fan Not Spinning.
From www.youtube.com
How to fix your AC fan not spinning YouTube One Radiator Fan Not Spinning The fan isn’t spinning when the engine is warm. If the radiator fans of your liquid cooler does not spin, it can't maintain cpu temperature. If you pop the hood, you won’t see the radiator fans moving any faster than a lazy spin. The motor, clutch, or belt. Check the fuse (s) for the electric radiator fans. • blade blockage—. One Radiator Fan Not Spinning.
From www.vautobasics.com
Radiator Fan Not Working When Is AC On {SOLVED} One Radiator Fan Not Spinning Connect the multimeter probes to the fan motor terminals. If it’s hard to turn or doesn’t spin smoothly, it might indicate a bad motor. Check the fuse (s) for the electric radiator fans. You’ll need a multimeter to test the fan motor’s electrical functionality. Disconnect the fan motor’s electrical connector and set your multimeter to check for resistance (ohms). The. One Radiator Fan Not Spinning.
From www.technewstoday.com
Radiator Fans Not Spinning? 3 Ways To Fix It One Radiator Fan Not Spinning If one or more fuses are blown and the replacement fuse blows, check the following: It could be a problem with the fan motor, temperature sensor, fan control relay, or wiring. A problem in your radiator fan system can usually be traced to: Disconnect the fan motor’s electrical connector and set your multimeter to check for resistance (ohms). Connect the. One Radiator Fan Not Spinning.
From www.2carpros.com
One Radiator Fan Is Not Coming on Engine Overheating? One Radiator Fan Not Spinning In most cases, a blown fuse or bad starter relay is responsible for a vehicle's radiator fan not turning on. If the radiator fans of your liquid cooler does not spin, it can't maintain cpu temperature. The check engine light might come on. Connect the multimeter probes to the fan motor terminals. The fan isn’t spinning when the engine is. One Radiator Fan Not Spinning.