Inner Track Rod End Vw T4 . For the right side, turn the steering completely left, in order for the right inner tie. Replacement right hand track rod end for all transporter t4 buses from september 1991 to july 1994. Replace tie rod ends in pairs. Meyle hd track rods and ends are an enhanced product when compared to the oe part. Replacing the inner track rod end on a volkswagen transporter t4 swb 1.9 tdi in the video i measure the length of the old rod. Featuring reinforced internal parts and higher quality materials, all hd track rods come supplied with a 4 years warranty! The replacement procedure is identical for the right and left tie rod ends. It's a t4 multivan with 2.5tdi engine. 2x meyle hd vw t4 transporter steering tie track rod & end kit pair left & right. Buy rack end / inner track rod for vw transporter t4 van (70a, 70h, 7da, 7dh) from febi bilstein, mapco, trw, a.b.s., lemförder and other.
from www.youtube.com
For the right side, turn the steering completely left, in order for the right inner tie. Featuring reinforced internal parts and higher quality materials, all hd track rods come supplied with a 4 years warranty! Replacing the inner track rod end on a volkswagen transporter t4 swb 1.9 tdi in the video i measure the length of the old rod. Replace tie rod ends in pairs. 2x meyle hd vw t4 transporter steering tie track rod & end kit pair left & right. Buy rack end / inner track rod for vw transporter t4 van (70a, 70h, 7da, 7dh) from febi bilstein, mapco, trw, a.b.s., lemförder and other. Meyle hd track rods and ends are an enhanced product when compared to the oe part. Replacement right hand track rod end for all transporter t4 buses from september 1991 to july 1994. It's a t4 multivan with 2.5tdi engine. The replacement procedure is identical for the right and left tie rod ends.
How to change tie rod end / track rod end on VW POLO 5 (612) [TUTORIAL
Inner Track Rod End Vw T4 Buy rack end / inner track rod for vw transporter t4 van (70a, 70h, 7da, 7dh) from febi bilstein, mapco, trw, a.b.s., lemförder and other. Replace tie rod ends in pairs. For the right side, turn the steering completely left, in order for the right inner tie. It's a t4 multivan with 2.5tdi engine. Replacing the inner track rod end on a volkswagen transporter t4 swb 1.9 tdi in the video i measure the length of the old rod. Meyle hd track rods and ends are an enhanced product when compared to the oe part. Replacement right hand track rod end for all transporter t4 buses from september 1991 to july 1994. The replacement procedure is identical for the right and left tie rod ends. Featuring reinforced internal parts and higher quality materials, all hd track rods come supplied with a 4 years warranty! 2x meyle hd vw t4 transporter steering tie track rod & end kit pair left & right. Buy rack end / inner track rod for vw transporter t4 van (70a, 70h, 7da, 7dh) from febi bilstein, mapco, trw, a.b.s., lemförder and other.
From bus-ok.nl
T4 Tie Rod End, right for VW T4 8.94 12.95 OEM partnr. 701419812B, 21 Inner Track Rod End Vw T4 Buy rack end / inner track rod for vw transporter t4 van (70a, 70h, 7da, 7dh) from febi bilstein, mapco, trw, a.b.s., lemförder and other. The replacement procedure is identical for the right and left tie rod ends. Replace tie rod ends in pairs. Featuring reinforced internal parts and higher quality materials, all hd track rods come supplied with a. Inner Track Rod End Vw T4.
From brickwerks.co.uk
VW Track Rod T4 / Late / Left Inner Track Rod End Vw T4 Replace tie rod ends in pairs. Meyle hd track rods and ends are an enhanced product when compared to the oe part. The replacement procedure is identical for the right and left tie rod ends. It's a t4 multivan with 2.5tdi engine. Featuring reinforced internal parts and higher quality materials, all hd track rods come supplied with a 4 years. Inner Track Rod End Vw T4.
From www.alfaholics.com
Inner Track Rod Ends • Alfaholics Inner Track Rod End Vw T4 Featuring reinforced internal parts and higher quality materials, all hd track rods come supplied with a 4 years warranty! Meyle hd track rods and ends are an enhanced product when compared to the oe part. It's a t4 multivan with 2.5tdi engine. The replacement procedure is identical for the right and left tie rod ends. 2x meyle hd vw t4. Inner Track Rod End Vw T4.
From www.ebay.com
TRACK ROD ENDS SET for VOLVO V40 HATCHBACK T2 T3 T4 T5 D2 D3 D4 AWD Inner Track Rod End Vw T4 Replacement right hand track rod end for all transporter t4 buses from september 1991 to july 1994. Featuring reinforced internal parts and higher quality materials, all hd track rods come supplied with a 4 years warranty! 2x meyle hd vw t4 transporter steering tie track rod & end kit pair left & right. The replacement procedure is identical for the. Inner Track Rod End Vw T4.
From justgermanparts.co.uk
Meyle HD VW T4 Transporter Steering Tie / Track Rod End N/S Left Inner Track Rod End Vw T4 Meyle hd track rods and ends are an enhanced product when compared to the oe part. Replacing the inner track rod end on a volkswagen transporter t4 swb 1.9 tdi in the video i measure the length of the old rod. It's a t4 multivan with 2.5tdi engine. 2x meyle hd vw t4 transporter steering tie track rod & end. Inner Track Rod End Vw T4.
From www.windowsmediapc.co.uk
VW Transporter T4 Syncro Camper Conversion Steering Tie Rods Inner Track Rod End Vw T4 The replacement procedure is identical for the right and left tie rod ends. Buy rack end / inner track rod for vw transporter t4 van (70a, 70h, 7da, 7dh) from febi bilstein, mapco, trw, a.b.s., lemförder and other. It's a t4 multivan with 2.5tdi engine. Replace tie rod ends in pairs. For the right side, turn the steering completely left,. Inner Track Rod End Vw T4.
From www.heritagepartscentre.com
VW Transporter T4 Steering Inner Track Rod End Vw T4 Meyle hd track rods and ends are an enhanced product when compared to the oe part. Featuring reinforced internal parts and higher quality materials, all hd track rods come supplied with a 4 years warranty! It's a t4 multivan with 2.5tdi engine. Replacement right hand track rod end for all transporter t4 buses from september 1991 to july 1994. 2x. Inner Track Rod End Vw T4.
From www.youtube.com
How to change tie rod end / track rod end on VW POLO 5 (612) [TUTORIAL Inner Track Rod End Vw T4 The replacement procedure is identical for the right and left tie rod ends. Replacement right hand track rod end for all transporter t4 buses from september 1991 to july 1994. Replacing the inner track rod end on a volkswagen transporter t4 swb 1.9 tdi in the video i measure the length of the old rod. Featuring reinforced internal parts and. Inner Track Rod End Vw T4.
From www.thenationalherald.com
2x STEERING TRACK TIE ROD END VW BUS TRANSPORTER T4 £7.93 Inner Track Rod End Vw T4 Featuring reinforced internal parts and higher quality materials, all hd track rods come supplied with a 4 years warranty! Buy rack end / inner track rod for vw transporter t4 van (70a, 70h, 7da, 7dh) from febi bilstein, mapco, trw, a.b.s., lemförder and other. Replacement right hand track rod end for all transporter t4 buses from september 1991 to july. Inner Track Rod End Vw T4.
From tagumdoctors.edu.ph
Suspension & Steering Track Rod END VW Volkswagen Transporter T4 Inner Track Rod End Vw T4 Featuring reinforced internal parts and higher quality materials, all hd track rods come supplied with a 4 years warranty! Replace tie rod ends in pairs. The replacement procedure is identical for the right and left tie rod ends. 2x meyle hd vw t4 transporter steering tie track rod & end kit pair left & right. Buy rack end / inner. Inner Track Rod End Vw T4.
From www.vwt4forum.co.uk
Inner tie rod joint VW T4 Forum VW T5 Forum Inner Track Rod End Vw T4 For the right side, turn the steering completely left, in order for the right inner tie. Replacement right hand track rod end for all transporter t4 buses from september 1991 to july 1994. 2x meyle hd vw t4 transporter steering tie track rod & end kit pair left & right. Buy rack end / inner track rod for vw transporter. Inner Track Rod End Vw T4.
From bookmygarage.com
Track Rod Ends 8 Things You Need to Know BookMyGarage Inner Track Rod End Vw T4 Replacing the inner track rod end on a volkswagen transporter t4 swb 1.9 tdi in the video i measure the length of the old rod. Replacement right hand track rod end for all transporter t4 buses from september 1991 to july 1994. Featuring reinforced internal parts and higher quality materials, all hd track rods come supplied with a 4 years. Inner Track Rod End Vw T4.
From www.jrwadhams.co.uk
J R Wadhams Ltd Track rod end inner Inner Track Rod End Vw T4 For the right side, turn the steering completely left, in order for the right inner tie. Buy rack end / inner track rod for vw transporter t4 van (70a, 70h, 7da, 7dh) from febi bilstein, mapco, trw, a.b.s., lemförder and other. Featuring reinforced internal parts and higher quality materials, all hd track rods come supplied with a 4 years warranty!. Inner Track Rod End Vw T4.
From www.lazada.co.th
ลูกหมากบน (ราคา/ชิ้น) (Tie Rod End) โฟล์คสวาเกน VOLKSWAGEN T4 Caravelle Inner Track Rod End Vw T4 The replacement procedure is identical for the right and left tie rod ends. Buy rack end / inner track rod for vw transporter t4 van (70a, 70h, 7da, 7dh) from febi bilstein, mapco, trw, a.b.s., lemförder and other. Replacement right hand track rod end for all transporter t4 buses from september 1991 to july 1994. Meyle hd track rods and. Inner Track Rod End Vw T4.
From justgermanparts.co.uk
Meyle HD VW T4 Transporter Steering Tie / Track Rod End O/S Right Inner Track Rod End Vw T4 Replace tie rod ends in pairs. It's a t4 multivan with 2.5tdi engine. Meyle hd track rods and ends are an enhanced product when compared to the oe part. Buy rack end / inner track rod for vw transporter t4 van (70a, 70h, 7da, 7dh) from febi bilstein, mapco, trw, a.b.s., lemförder and other. Replacing the inner track rod end. Inner Track Rod End Vw T4.
From www.bus-ok.de
T4 Tie Rod End, right for VW T4 7.90 12.95 OEM partnr. 701419812A Inner Track Rod End Vw T4 Replace tie rod ends in pairs. Meyle hd track rods and ends are an enhanced product when compared to the oe part. Replacement right hand track rod end for all transporter t4 buses from september 1991 to july 1994. Buy rack end / inner track rod for vw transporter t4 van (70a, 70h, 7da, 7dh) from febi bilstein, mapco, trw,. Inner Track Rod End Vw T4.
From www.vwt4forum.co.uk
inner tie rod end VW T4 Forum VW T5 Forum Inner Track Rod End Vw T4 Featuring reinforced internal parts and higher quality materials, all hd track rods come supplied with a 4 years warranty! For the right side, turn the steering completely left, in order for the right inner tie. Replacement right hand track rod end for all transporter t4 buses from september 1991 to july 1994. 2x meyle hd vw t4 transporter steering tie. Inner Track Rod End Vw T4.
From mobilervmaintenance.co.uk
Inner Track Rod End GM Mobile RV Maintenance Inner Track Rod End Vw T4 Replacing the inner track rod end on a volkswagen transporter t4 swb 1.9 tdi in the video i measure the length of the old rod. Featuring reinforced internal parts and higher quality materials, all hd track rods come supplied with a 4 years warranty! For the right side, turn the steering completely left, in order for the right inner tie.. Inner Track Rod End Vw T4.
From club.autodoc.co.uk
How to change track rod end on VW Transporter T4 replacement guide Inner Track Rod End Vw T4 Replace tie rod ends in pairs. 2x meyle hd vw t4 transporter steering tie track rod & end kit pair left & right. The replacement procedure is identical for the right and left tie rod ends. Replacement right hand track rod end for all transporter t4 buses from september 1991 to july 1994. Replacing the inner track rod end on. Inner Track Rod End Vw T4.
From mobilervmaintenance.co.uk
Inner Track Rod End GM Mobile RV Maintenance Inner Track Rod End Vw T4 The replacement procedure is identical for the right and left tie rod ends. Featuring reinforced internal parts and higher quality materials, all hd track rods come supplied with a 4 years warranty! For the right side, turn the steering completely left, in order for the right inner tie. Replace tie rod ends in pairs. Buy rack end / inner track. Inner Track Rod End Vw T4.
From brickwerks.co.uk
VW Track Rod End T4 / '91 only / RIGHT Inner Track Rod End Vw T4 Replacing the inner track rod end on a volkswagen transporter t4 swb 1.9 tdi in the video i measure the length of the old rod. Replacement right hand track rod end for all transporter t4 buses from september 1991 to july 1994. The replacement procedure is identical for the right and left tie rod ends. Replace tie rod ends in. Inner Track Rod End Vw T4.
From brickwerks.co.uk
VW Track Rod T4 / Early / RHD / Right Inner Track Rod End Vw T4 Replacement right hand track rod end for all transporter t4 buses from september 1991 to july 1994. Featuring reinforced internal parts and higher quality materials, all hd track rods come supplied with a 4 years warranty! Buy rack end / inner track rod for vw transporter t4 van (70a, 70h, 7da, 7dh) from febi bilstein, mapco, trw, a.b.s., lemförder and. Inner Track Rod End Vw T4.
From brickwerks.co.uk
VW Track Rod End T4 / '96> / RIGHT Inner Track Rod End Vw T4 The replacement procedure is identical for the right and left tie rod ends. For the right side, turn the steering completely left, in order for the right inner tie. It's a t4 multivan with 2.5tdi engine. Replacement right hand track rod end for all transporter t4 buses from september 1991 to july 1994. 2x meyle hd vw t4 transporter steering. Inner Track Rod End Vw T4.
From www.bus-ok.de
T4 Tie Rod End, right for VW T4 7.90 12.95 OEM partnr. 701419812A Inner Track Rod End Vw T4 Replacement right hand track rod end for all transporter t4 buses from september 1991 to july 1994. It's a t4 multivan with 2.5tdi engine. Featuring reinforced internal parts and higher quality materials, all hd track rods come supplied with a 4 years warranty! 2x meyle hd vw t4 transporter steering tie track rod & end kit pair left & right.. Inner Track Rod End Vw T4.
From www.autodoc.co.uk
Car Inner tie rod Buy cheap Inner track rod end online Inner Track Rod End Vw T4 It's a t4 multivan with 2.5tdi engine. Replace tie rod ends in pairs. Meyle hd track rods and ends are an enhanced product when compared to the oe part. Buy rack end / inner track rod for vw transporter t4 van (70a, 70h, 7da, 7dh) from febi bilstein, mapco, trw, a.b.s., lemförder and other. For the right side, turn the. Inner Track Rod End Vw T4.
From www.ebay.com
2 x VW TRANSPORTER T4 MEYLE HD INNER + OUTER TIE ROD ENDS STEERING Inner Track Rod End Vw T4 For the right side, turn the steering completely left, in order for the right inner tie. 2x meyle hd vw t4 transporter steering tie track rod & end kit pair left & right. Meyle hd track rods and ends are an enhanced product when compared to the oe part. The replacement procedure is identical for the right and left tie. Inner Track Rod End Vw T4.
From www.vwt4forum.co.uk
Knocking from inner track rods? VW T4 Forum VW T5 Forum Inner Track Rod End Vw T4 It's a t4 multivan with 2.5tdi engine. Replacement right hand track rod end for all transporter t4 buses from september 1991 to july 1994. Replacing the inner track rod end on a volkswagen transporter t4 swb 1.9 tdi in the video i measure the length of the old rod. 2x meyle hd vw t4 transporter steering tie track rod &. Inner Track Rod End Vw T4.
From justgermanparts.co.uk
Meyle HD VW T4 Transporter Steering Tie / Track Rod End N/S Left Inner Track Rod End Vw T4 Replace tie rod ends in pairs. 2x meyle hd vw t4 transporter steering tie track rod & end kit pair left & right. Replacing the inner track rod end on a volkswagen transporter t4 swb 1.9 tdi in the video i measure the length of the old rod. It's a t4 multivan with 2.5tdi engine. Featuring reinforced internal parts and. Inner Track Rod End Vw T4.
From www.lazada.co.th
ลูกหมากล่าง (ราคา/ชิ้น) (Tie Rod End) โฟล์คสวาเกน VOLKSWAGEN T4 Inner Track Rod End Vw T4 Replacing the inner track rod end on a volkswagen transporter t4 swb 1.9 tdi in the video i measure the length of the old rod. The replacement procedure is identical for the right and left tie rod ends. 2x meyle hd vw t4 transporter steering tie track rod & end kit pair left & right. Buy rack end / inner. Inner Track Rod End Vw T4.
From classicminisjapan.com
Heavy Duty Inner Track Rod Ends Classic Minis Japan Inner Track Rod End Vw T4 Featuring reinforced internal parts and higher quality materials, all hd track rods come supplied with a 4 years warranty! Meyle hd track rods and ends are an enhanced product when compared to the oe part. Buy rack end / inner track rod for vw transporter t4 van (70a, 70h, 7da, 7dh) from febi bilstein, mapco, trw, a.b.s., lemförder and other.. Inner Track Rod End Vw T4.
From tagumdoctors.edu.ph
Suspension & Steering Track Rod END VW Volkswagen Transporter T4 Inner Track Rod End Vw T4 For the right side, turn the steering completely left, in order for the right inner tie. The replacement procedure is identical for the right and left tie rod ends. Featuring reinforced internal parts and higher quality materials, all hd track rods come supplied with a 4 years warranty! Buy rack end / inner track rod for vw transporter t4 van. Inner Track Rod End Vw T4.
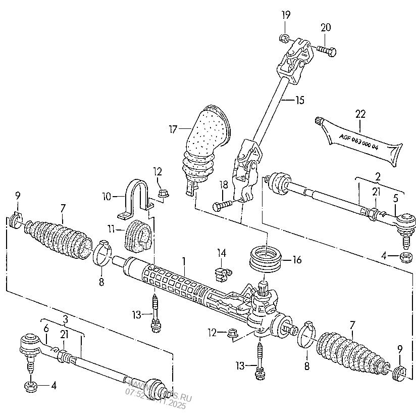
From www.ilcats.ru
steering gear. track rod VW GOLF Inner Track Rod End Vw T4 2x meyle hd vw t4 transporter steering tie track rod & end kit pair left & right. For the right side, turn the steering completely left, in order for the right inner tie. Replacing the inner track rod end on a volkswagen transporter t4 swb 1.9 tdi in the video i measure the length of the old rod. Buy rack. Inner Track Rod End Vw T4.
From www.ebay.com
Front Right Tie Track Rod End VWTRANSPORTER IV T4 701419812D eBay Inner Track Rod End Vw T4 The replacement procedure is identical for the right and left tie rod ends. Replacing the inner track rod end on a volkswagen transporter t4 swb 1.9 tdi in the video i measure the length of the old rod. It's a t4 multivan with 2.5tdi engine. For the right side, turn the steering completely left, in order for the right inner. Inner Track Rod End Vw T4.
From brickwerks.co.uk
VW Track Rod T4 / Late / Right Inner Track Rod End Vw T4 Featuring reinforced internal parts and higher quality materials, all hd track rods come supplied with a 4 years warranty! 2x meyle hd vw t4 transporter steering tie track rod & end kit pair left & right. For the right side, turn the steering completely left, in order for the right inner tie. Meyle hd track rods and ends are an. Inner Track Rod End Vw T4.
From www.retrospeed.fi
Inner track rod end/Tie rod end (x2) Cortina Mk2 Retrospeed Finland Inner Track Rod End Vw T4 Replace tie rod ends in pairs. Replacing the inner track rod end on a volkswagen transporter t4 swb 1.9 tdi in the video i measure the length of the old rod. Featuring reinforced internal parts and higher quality materials, all hd track rods come supplied with a 4 years warranty! Meyle hd track rods and ends are an enhanced product. Inner Track Rod End Vw T4.