Program Traffic Light Menggunakan Avr . The code is written in. an avr program for running traffic lights. perangkat ini menggunakan led dan sensor ldr sebagai pendeteksi jumlah kepadatan kendaraan lalu lintas dan mikrokontroller. The design is also simulated in proteus. avr trafic light this repository is trafic light with digital time display. tutorial membuat traffic light dengan codevision avr yang ke empat, dimana kita akan membuat traffic light. in this project we are going to make atmega16 based traffic light project. here’s a traffic light controller using avr microcontroller. The bottom three leds will. membuat traffic light dengan codevision avr pada atmega 16 (tutorial 1 dari 5) untuk project dan diagram schematic bisa merequest via komentar Here we have taken one 7 segment and 3 leds to denote the signals of traffic light. It can be adopted for a four way road.
from anotherorion.com
The design is also simulated in proteus. perangkat ini menggunakan led dan sensor ldr sebagai pendeteksi jumlah kepadatan kendaraan lalu lintas dan mikrokontroller. Here we have taken one 7 segment and 3 leds to denote the signals of traffic light. It can be adopted for a four way road. membuat traffic light dengan codevision avr pada atmega 16 (tutorial 1 dari 5) untuk project dan diagram schematic bisa merequest via komentar in this project we are going to make atmega16 based traffic light project. an avr program for running traffic lights. here’s a traffic light controller using avr microcontroller. The code is written in. avr trafic light this repository is trafic light with digital time display.
Membuat traffic light dengan codevision AVR(4)
Program Traffic Light Menggunakan Avr The design is also simulated in proteus. The bottom three leds will. It can be adopted for a four way road. tutorial membuat traffic light dengan codevision avr yang ke empat, dimana kita akan membuat traffic light. The code is written in. The design is also simulated in proteus. avr trafic light this repository is trafic light with digital time display. membuat traffic light dengan codevision avr pada atmega 16 (tutorial 1 dari 5) untuk project dan diagram schematic bisa merequest via komentar in this project we are going to make atmega16 based traffic light project. here’s a traffic light controller using avr microcontroller. an avr program for running traffic lights. perangkat ini menggunakan led dan sensor ldr sebagai pendeteksi jumlah kepadatan kendaraan lalu lintas dan mikrokontroller. Here we have taken one 7 segment and 3 leds to denote the signals of traffic light.
From tutorial-mikrokontroler.blogspot.com
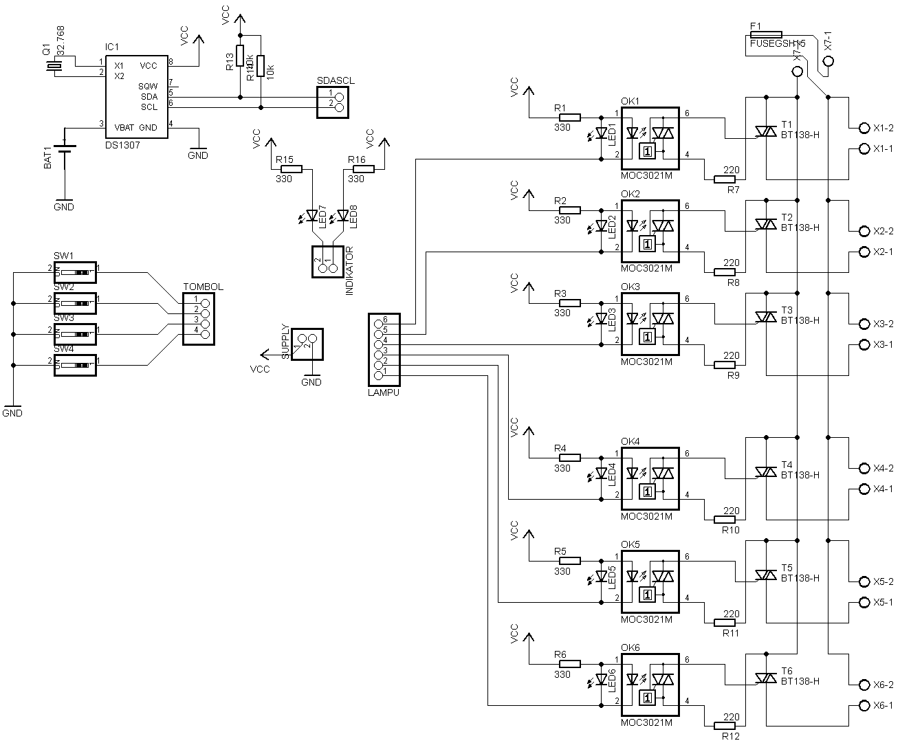
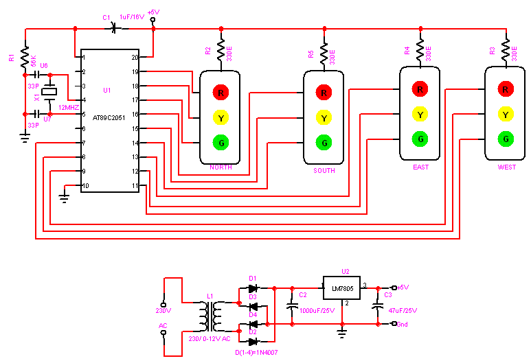
Kontrol Traffic Light Menggunakan 8051/AT89C2051 Tutorial Mikrokontroler Program Traffic Light Menggunakan Avr an avr program for running traffic lights. avr trafic light this repository is trafic light with digital time display. here’s a traffic light controller using avr microcontroller. The design is also simulated in proteus. The bottom three leds will. membuat traffic light dengan codevision avr pada atmega 16 (tutorial 1 dari 5) untuk project dan diagram. Program Traffic Light Menggunakan Avr.
From www.scribd.com
Contoh Program Interrupts Pada Traffic Light Menggunakan Atmega 8535 Program Traffic Light Menggunakan Avr tutorial membuat traffic light dengan codevision avr yang ke empat, dimana kita akan membuat traffic light. here’s a traffic light controller using avr microcontroller. in this project we are going to make atmega16 based traffic light project. perangkat ini menggunakan led dan sensor ldr sebagai pendeteksi jumlah kepadatan kendaraan lalu lintas dan mikrokontroller. an avr. Program Traffic Light Menggunakan Avr.
From create.arduino.cc
Arduino based 4 Way Traffic Signal Control Arduino Project Hub Program Traffic Light Menggunakan Avr membuat traffic light dengan codevision avr pada atmega 16 (tutorial 1 dari 5) untuk project dan diagram schematic bisa merequest via komentar here’s a traffic light controller using avr microcontroller. an avr program for running traffic lights. The design is also simulated in proteus. in this project we are going to make atmega16 based traffic light. Program Traffic Light Menggunakan Avr.
From anotherorion.com
Membuat traffic light dengan codevision AVR (1) Program Traffic Light Menggunakan Avr The bottom three leds will. It can be adopted for a four way road. here’s a traffic light controller using avr microcontroller. in this project we are going to make atmega16 based traffic light project. Here we have taken one 7 segment and 3 leds to denote the signals of traffic light. an avr program for running. Program Traffic Light Menggunakan Avr.
From www.youtube.com
Traffic Light Control using AVR MicroController ByTechieNest YouTube Program Traffic Light Menggunakan Avr avr trafic light this repository is trafic light with digital time display. here’s a traffic light controller using avr microcontroller. It can be adopted for a four way road. Here we have taken one 7 segment and 3 leds to denote the signals of traffic light. an avr program for running traffic lights. The design is also. Program Traffic Light Menggunakan Avr.
From www.semesin.com
Traffic lights (UK sequence) dengan arduino Perancangan mesin Program Traffic Light Menggunakan Avr The bottom three leds will. here’s a traffic light controller using avr microcontroller. tutorial membuat traffic light dengan codevision avr yang ke empat, dimana kita akan membuat traffic light. The code is written in. The design is also simulated in proteus. Here we have taken one 7 segment and 3 leds to denote the signals of traffic light.. Program Traffic Light Menggunakan Avr.
From anotherorion.com
Membuat traffic light dengan codevision AVR(4) Program Traffic Light Menggunakan Avr in this project we are going to make atmega16 based traffic light project. Here we have taken one 7 segment and 3 leds to denote the signals of traffic light. avr trafic light this repository is trafic light with digital time display. an avr program for running traffic lights. The code is written in. The design is. Program Traffic Light Menggunakan Avr.
From www.youtube.com
Simulasi Traffic Light 4 Simpang Menggunakan Mikrokontroler ATMEGA 16 Program Traffic Light Menggunakan Avr The bottom three leds will. perangkat ini menggunakan led dan sensor ldr sebagai pendeteksi jumlah kepadatan kendaraan lalu lintas dan mikrokontroller. in this project we are going to make atmega16 based traffic light project. avr trafic light this repository is trafic light with digital time display. an avr program for running traffic lights. The code is. Program Traffic Light Menggunakan Avr.
From www.youtube.com
TUTORIAL RANGKAIAN TRAFFIC LIGHT MENGGUNAKAN PROTEUS DAN CODEVISION AVR Program Traffic Light Menggunakan Avr tutorial membuat traffic light dengan codevision avr yang ke empat, dimana kita akan membuat traffic light. here’s a traffic light controller using avr microcontroller. The design is also simulated in proteus. Here we have taken one 7 segment and 3 leds to denote the signals of traffic light. It can be adopted for a four way road. . Program Traffic Light Menggunakan Avr.
From www.vrogue.co
Membuat Rangkaian Traffic Light Avr vrogue.co Program Traffic Light Menggunakan Avr The design is also simulated in proteus. It can be adopted for a four way road. in this project we are going to make atmega16 based traffic light project. here’s a traffic light controller using avr microcontroller. The bottom three leds will. perangkat ini menggunakan led dan sensor ldr sebagai pendeteksi jumlah kepadatan kendaraan lalu lintas dan. Program Traffic Light Menggunakan Avr.
From www.vrogue.co
Membuat Rangkaian Traffic Light Avr vrogue.co Program Traffic Light Menggunakan Avr It can be adopted for a four way road. avr trafic light this repository is trafic light with digital time display. here’s a traffic light controller using avr microcontroller. in this project we are going to make atmega16 based traffic light project. The bottom three leds will. perangkat ini menggunakan led dan sensor ldr sebagai pendeteksi. Program Traffic Light Menggunakan Avr.
From indoproteus.blogspot.com
Simulasi Traffict Light dengan ATmega8535 Kumpulan Simulasi Project Program Traffic Light Menggunakan Avr here’s a traffic light controller using avr microcontroller. an avr program for running traffic lights. avr trafic light this repository is trafic light with digital time display. The design is also simulated in proteus. membuat traffic light dengan codevision avr pada atmega 16 (tutorial 1 dari 5) untuk project dan diagram schematic bisa merequest via komentar. Program Traffic Light Menggunakan Avr.
From www.youtube.com
PROGRAM TRAFFIC LIGHT ATMEGA8535 SOAL UKK PAKET 2 PROTEUS CV AVR Program Traffic Light Menggunakan Avr in this project we are going to make atmega16 based traffic light project. avr trafic light this repository is trafic light with digital time display. Here we have taken one 7 segment and 3 leds to denote the signals of traffic light. here’s a traffic light controller using avr microcontroller. an avr program for running traffic. Program Traffic Light Menggunakan Avr.
From www.wiringboards.com
Traffic Light Circuit Diagram Pdf Wiring Boards Program Traffic Light Menggunakan Avr perangkat ini menggunakan led dan sensor ldr sebagai pendeteksi jumlah kepadatan kendaraan lalu lintas dan mikrokontroller. The code is written in. tutorial membuat traffic light dengan codevision avr yang ke empat, dimana kita akan membuat traffic light. membuat traffic light dengan codevision avr pada atmega 16 (tutorial 1 dari 5) untuk project dan diagram schematic bisa merequest. Program Traffic Light Menggunakan Avr.
From www.labelektronika.com
TUTORIAL PROGRAM LAMPU LALU LINTAS TRAFFIC LIGHT MENGGUNAKAN ARDUINO Program Traffic Light Menggunakan Avr an avr program for running traffic lights. tutorial membuat traffic light dengan codevision avr yang ke empat, dimana kita akan membuat traffic light. The code is written in. Here we have taken one 7 segment and 3 leds to denote the signals of traffic light. It can be adopted for a four way road. The design is also. Program Traffic Light Menggunakan Avr.
From www.vrogue.co
Membuat Traffic Light Dengan Codevision Avr4 vrogue.co Program Traffic Light Menggunakan Avr membuat traffic light dengan codevision avr pada atmega 16 (tutorial 1 dari 5) untuk project dan diagram schematic bisa merequest via komentar The design is also simulated in proteus. here’s a traffic light controller using avr microcontroller. Here we have taken one 7 segment and 3 leds to denote the signals of traffic light. avr trafic light. Program Traffic Light Menggunakan Avr.
From www.vrogue.co
Simulasi Traffic Light Menggunakan Arduino Uno R3 Men vrogue.co Program Traffic Light Menggunakan Avr in this project we are going to make atmega16 based traffic light project. It can be adopted for a four way road. an avr program for running traffic lights. The design is also simulated in proteus. Here we have taken one 7 segment and 3 leds to denote the signals of traffic light. perangkat ini menggunakan led. Program Traffic Light Menggunakan Avr.
From kursuselektronikaku.blogspot.com
. Membuat lampu Traffic Light dengan AVR dan Program Traffic Light Menggunakan Avr Here we have taken one 7 segment and 3 leds to denote the signals of traffic light. here’s a traffic light controller using avr microcontroller. The code is written in. The design is also simulated in proteus. perangkat ini menggunakan led dan sensor ldr sebagai pendeteksi jumlah kepadatan kendaraan lalu lintas dan mikrokontroller. It can be adopted for. Program Traffic Light Menggunakan Avr.
From www.vrogue.co
Membuat Rangkaian Traffic Light Avr vrogue.co Program Traffic Light Menggunakan Avr Here we have taken one 7 segment and 3 leds to denote the signals of traffic light. here’s a traffic light controller using avr microcontroller. The code is written in. an avr program for running traffic lights. It can be adopted for a four way road. tutorial membuat traffic light dengan codevision avr yang ke empat, dimana. Program Traffic Light Menggunakan Avr.
From www.hackster.io
Traffic Light using Arduino A Beginner Project Hackster.io Program Traffic Light Menggunakan Avr tutorial membuat traffic light dengan codevision avr yang ke empat, dimana kita akan membuat traffic light. The bottom three leds will. in this project we are going to make atmega16 based traffic light project. It can be adopted for a four way road. The design is also simulated in proteus. perangkat ini menggunakan led dan sensor ldr. Program Traffic Light Menggunakan Avr.
From www.youtube.com
Simulasi Traffic Light menggunakan proteus dan AVR YouTube Program Traffic Light Menggunakan Avr in this project we are going to make atmega16 based traffic light project. here’s a traffic light controller using avr microcontroller. avr trafic light this repository is trafic light with digital time display. It can be adopted for a four way road. Here we have taken one 7 segment and 3 leds to denote the signals of. Program Traffic Light Menggunakan Avr.
From anotherorion.com
Membuat Traffic Light dengan Codevision AVR (5) Program Traffic Light Menggunakan Avr tutorial membuat traffic light dengan codevision avr yang ke empat, dimana kita akan membuat traffic light. Here we have taken one 7 segment and 3 leds to denote the signals of traffic light. The bottom three leds will. perangkat ini menggunakan led dan sensor ldr sebagai pendeteksi jumlah kepadatan kendaraan lalu lintas dan mikrokontroller. The design is also. Program Traffic Light Menggunakan Avr.
From github.com
GitHub HESHAM47GAMAL/ONDemandTrafficLightControlAVR Program Traffic Light Menggunakan Avr perangkat ini menggunakan led dan sensor ldr sebagai pendeteksi jumlah kepadatan kendaraan lalu lintas dan mikrokontroller. here’s a traffic light controller using avr microcontroller. The design is also simulated in proteus. membuat traffic light dengan codevision avr pada atmega 16 (tutorial 1 dari 5) untuk project dan diagram schematic bisa merequest via komentar avr trafic light. Program Traffic Light Menggunakan Avr.
From ganyang-angkara.blogspot.com
Membuat Program Traffic Light Atmega16 Program Traffic Light Menggunakan Avr Here we have taken one 7 segment and 3 leds to denote the signals of traffic light. an avr program for running traffic lights. The design is also simulated in proteus. The code is written in. The bottom three leds will. membuat traffic light dengan codevision avr pada atmega 16 (tutorial 1 dari 5) untuk project dan diagram. Program Traffic Light Menggunakan Avr.
From www.slideshare.net
Traffic light control using Atmel AVR Program Traffic Light Menggunakan Avr membuat traffic light dengan codevision avr pada atmega 16 (tutorial 1 dari 5) untuk project dan diagram schematic bisa merequest via komentar in this project we are going to make atmega16 based traffic light project. Here we have taken one 7 segment and 3 leds to denote the signals of traffic light. tutorial membuat traffic light dengan. Program Traffic Light Menggunakan Avr.
From fdokumen.com
Membuat Traffic Light Dengan Codevision AVR4 [PDF Document] Program Traffic Light Menggunakan Avr The code is written in. membuat traffic light dengan codevision avr pada atmega 16 (tutorial 1 dari 5) untuk project dan diagram schematic bisa merequest via komentar avr trafic light this repository is trafic light with digital time display. an avr program for running traffic lights. The design is also simulated in proteus. tutorial membuat traffic. Program Traffic Light Menggunakan Avr.
From www.edukasielektronika.com
Program Arduino dan Tutorial Traffic Light 4 Way/Jalur (Tutorial Lampu Program Traffic Light Menggunakan Avr The code is written in. The bottom three leds will. avr trafic light this repository is trafic light with digital time display. in this project we are going to make atmega16 based traffic light project. The design is also simulated in proteus. It can be adopted for a four way road. here’s a traffic light controller using. Program Traffic Light Menggunakan Avr.
From ganyang-angkara.blogspot.com
Membuat Traffic Light Menggunakan Arduino Program Traffic Light Menggunakan Avr The design is also simulated in proteus. perangkat ini menggunakan led dan sensor ldr sebagai pendeteksi jumlah kepadatan kendaraan lalu lintas dan mikrokontroller. avr trafic light this repository is trafic light with digital time display. membuat traffic light dengan codevision avr pada atmega 16 (tutorial 1 dari 5) untuk project dan diagram schematic bisa merequest via komentar. Program Traffic Light Menggunakan Avr.
From www.youtube.com
Traffic Light Control Fatek PLC Program Traffic Signal Control Program Traffic Light Menggunakan Avr here’s a traffic light controller using avr microcontroller. tutorial membuat traffic light dengan codevision avr yang ke empat, dimana kita akan membuat traffic light. in this project we are going to make atmega16 based traffic light project. membuat traffic light dengan codevision avr pada atmega 16 (tutorial 1 dari 5) untuk project dan diagram schematic bisa. Program Traffic Light Menggunakan Avr.
From www.slideshare.net
Program traffic light menggunakan software avr PPT Program Traffic Light Menggunakan Avr tutorial membuat traffic light dengan codevision avr yang ke empat, dimana kita akan membuat traffic light. avr trafic light this repository is trafic light with digital time display. an avr program for running traffic lights. The code is written in. Here we have taken one 7 segment and 3 leds to denote the signals of traffic light.. Program Traffic Light Menggunakan Avr.
From justeducation.ir
پروژه چراغ راهنمایی و رانندگی با بسکام AVR — Just Education Program Traffic Light Menggunakan Avr perangkat ini menggunakan led dan sensor ldr sebagai pendeteksi jumlah kepadatan kendaraan lalu lintas dan mikrokontroller. avr trafic light this repository is trafic light with digital time display. The bottom three leds will. an avr program for running traffic lights. The code is written in. The design is also simulated in proteus. membuat traffic light dengan. Program Traffic Light Menggunakan Avr.
From arduino-ku.blogspot.com
ARM, ARDUINO, & AVR PROJECT AND TUTORIAL Aplikasi traffict Light Program Traffic Light Menggunakan Avr in this project we are going to make atmega16 based traffic light project. The code is written in. perangkat ini menggunakan led dan sensor ldr sebagai pendeteksi jumlah kepadatan kendaraan lalu lintas dan mikrokontroller. The design is also simulated in proteus. The bottom three leds will. here’s a traffic light controller using avr microcontroller. avr trafic. Program Traffic Light Menggunakan Avr.
From kursuselektronikaku.blogspot.com
. Membuat lampu Traffic Light dengan AVR dan Program Traffic Light Menggunakan Avr here’s a traffic light controller using avr microcontroller. The bottom three leds will. The design is also simulated in proteus. The code is written in. in this project we are going to make atmega16 based traffic light project. membuat traffic light dengan codevision avr pada atmega 16 (tutorial 1 dari 5) untuk project dan diagram schematic bisa. Program Traffic Light Menggunakan Avr.
From www.vrogue.co
Membuat Rangkaian Traffic Light Avr vrogue.co Program Traffic Light Menggunakan Avr Here we have taken one 7 segment and 3 leds to denote the signals of traffic light. avr trafic light this repository is trafic light with digital time display. tutorial membuat traffic light dengan codevision avr yang ke empat, dimana kita akan membuat traffic light. perangkat ini menggunakan led dan sensor ldr sebagai pendeteksi jumlah kepadatan kendaraan. Program Traffic Light Menggunakan Avr.
From www.youtube.com
Simulasi traffic Light menggunakan Proteus dan Code Vision AVR YouTube Program Traffic Light Menggunakan Avr membuat traffic light dengan codevision avr pada atmega 16 (tutorial 1 dari 5) untuk project dan diagram schematic bisa merequest via komentar The bottom three leds will. here’s a traffic light controller using avr microcontroller. tutorial membuat traffic light dengan codevision avr yang ke empat, dimana kita akan membuat traffic light. It can be adopted for a. Program Traffic Light Menggunakan Avr.