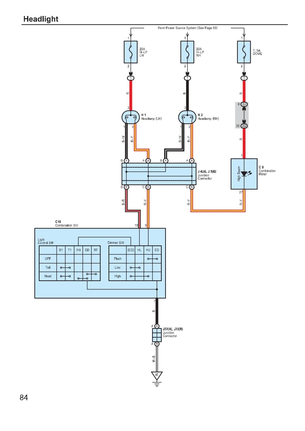
Toyota Hilux Ignition Wiring Diagram . Dr114w foreword this wiring diagram manual has been prepared to provide. ignition sw junction connector junction connector junction connector transmission control ecu br (4wd) (4wd) 100a alt. Instrument panel ie reinforcement lh (lhd) instrument panel reinforcement rh (rhd) interior light 7 8. this wiring diagram manual has been prepared to provide information on the electrical system of the hilux. hilux electrical wiring diagram pub. — the toyota hilux electrical wiring diagram is divided into several sections. Hilux automobile pdf manual download. view and download toyota hilux electrical wiring diagram online. The first section shows the main.
from www.pinterest.co.kr
— the toyota hilux electrical wiring diagram is divided into several sections. hilux electrical wiring diagram pub. ignition sw junction connector junction connector junction connector transmission control ecu br (4wd) (4wd) 100a alt. view and download toyota hilux electrical wiring diagram online. The first section shows the main. Dr114w foreword this wiring diagram manual has been prepared to provide. this wiring diagram manual has been prepared to provide information on the electrical system of the hilux. Hilux automobile pdf manual download. Instrument panel ie reinforcement lh (lhd) instrument panel reinforcement rh (rhd) interior light 7 8.
wiring diagram for toyota hilux d4d 3 Prius Hybrid, Electrical Wiring
Toyota Hilux Ignition Wiring Diagram Instrument panel ie reinforcement lh (lhd) instrument panel reinforcement rh (rhd) interior light 7 8. ignition sw junction connector junction connector junction connector transmission control ecu br (4wd) (4wd) 100a alt. Hilux automobile pdf manual download. view and download toyota hilux electrical wiring diagram online. — the toyota hilux electrical wiring diagram is divided into several sections. The first section shows the main. this wiring diagram manual has been prepared to provide information on the electrical system of the hilux. hilux electrical wiring diagram pub. Instrument panel ie reinforcement lh (lhd) instrument panel reinforcement rh (rhd) interior light 7 8. Dr114w foreword this wiring diagram manual has been prepared to provide.
From wirelibrarymasters.z5.web.core.windows.net
Toyota Hilux Wiring Diagram 1989 Toyota Hilux Ignition Wiring Diagram this wiring diagram manual has been prepared to provide information on the electrical system of the hilux. — the toyota hilux electrical wiring diagram is divided into several sections. view and download toyota hilux electrical wiring diagram online. ignition sw junction connector junction connector junction connector transmission control ecu br (4wd) (4wd) 100a alt. Instrument panel. Toyota Hilux Ignition Wiring Diagram.
From www.vrogue.co
Toyota Hilux Wiring Diagrams Car Electrical Wiring Di vrogue.co Toyota Hilux Ignition Wiring Diagram ignition sw junction connector junction connector junction connector transmission control ecu br (4wd) (4wd) 100a alt. Dr114w foreword this wiring diagram manual has been prepared to provide. — the toyota hilux electrical wiring diagram is divided into several sections. Instrument panel ie reinforcement lh (lhd) instrument panel reinforcement rh (rhd) interior light 7 8. hilux electrical wiring. Toyota Hilux Ignition Wiring Diagram.
From organicled74.blogspot.com
Toyota Hilux Ignition Switch Wiring Diagram Organicled Toyota Hilux Ignition Wiring Diagram hilux electrical wiring diagram pub. The first section shows the main. ignition sw junction connector junction connector junction connector transmission control ecu br (4wd) (4wd) 100a alt. Instrument panel ie reinforcement lh (lhd) instrument panel reinforcement rh (rhd) interior light 7 8. Hilux automobile pdf manual download. this wiring diagram manual has been prepared to provide information. Toyota Hilux Ignition Wiring Diagram.
From www.autorepairmanuals.ws
Toyota Hilux 2017 Electrical Wiring Diagram Auto Repair Manual Forum Toyota Hilux Ignition Wiring Diagram view and download toyota hilux electrical wiring diagram online. Instrument panel ie reinforcement lh (lhd) instrument panel reinforcement rh (rhd) interior light 7 8. — the toyota hilux electrical wiring diagram is divided into several sections. hilux electrical wiring diagram pub. this wiring diagram manual has been prepared to provide information on the electrical system of. Toyota Hilux Ignition Wiring Diagram.
From wiringdiagram.2bitboer.com
Toyota Hilux Electrical Wiring Diagram Pdf Manualslib Toyota Hilux Ignition Wiring Diagram ignition sw junction connector junction connector junction connector transmission control ecu br (4wd) (4wd) 100a alt. — the toyota hilux electrical wiring diagram is divided into several sections. this wiring diagram manual has been prepared to provide information on the electrical system of the hilux. hilux electrical wiring diagram pub. Instrument panel ie reinforcement lh (lhd). Toyota Hilux Ignition Wiring Diagram.
From www.autorepairmanuals.ws
Toyota Hilux 2017 Electrical Wiring Diagram Auto Repair Manual Forum Toyota Hilux Ignition Wiring Diagram hilux electrical wiring diagram pub. Instrument panel ie reinforcement lh (lhd) instrument panel reinforcement rh (rhd) interior light 7 8. ignition sw junction connector junction connector junction connector transmission control ecu br (4wd) (4wd) 100a alt. Dr114w foreword this wiring diagram manual has been prepared to provide. this wiring diagram manual has been prepared to provide information. Toyota Hilux Ignition Wiring Diagram.
From manualwiringwexler.z19.web.core.windows.net
Toyota Hilux Wiring Diagram 2009 Toyota Hilux Ignition Wiring Diagram Hilux automobile pdf manual download. The first section shows the main. Instrument panel ie reinforcement lh (lhd) instrument panel reinforcement rh (rhd) interior light 7 8. Dr114w foreword this wiring diagram manual has been prepared to provide. hilux electrical wiring diagram pub. — the toyota hilux electrical wiring diagram is divided into several sections. view and download. Toyota Hilux Ignition Wiring Diagram.
From www.circuitdiagram.co
Toyota Hilux Ignition Switch Wiring Diagram Circuit Diagram Toyota Hilux Ignition Wiring Diagram The first section shows the main. ignition sw junction connector junction connector junction connector transmission control ecu br (4wd) (4wd) 100a alt. — the toyota hilux electrical wiring diagram is divided into several sections. Instrument panel ie reinforcement lh (lhd) instrument panel reinforcement rh (rhd) interior light 7 8. Dr114w foreword this wiring diagram manual has been prepared. Toyota Hilux Ignition Wiring Diagram.
From organicled74.blogspot.com
Toyota Hilux Ignition Switch Wiring Diagram Organicled Toyota Hilux Ignition Wiring Diagram Hilux automobile pdf manual download. — the toyota hilux electrical wiring diagram is divided into several sections. Dr114w foreword this wiring diagram manual has been prepared to provide. The first section shows the main. this wiring diagram manual has been prepared to provide information on the electrical system of the hilux. Instrument panel ie reinforcement lh (lhd) instrument. Toyota Hilux Ignition Wiring Diagram.
From wiringdiagram.2bitboer.com
Toyota Hilux Ignition Switch Wiring Diagram Wiring Diagram Toyota Hilux Ignition Wiring Diagram view and download toyota hilux electrical wiring diagram online. ignition sw junction connector junction connector junction connector transmission control ecu br (4wd) (4wd) 100a alt. — the toyota hilux electrical wiring diagram is divided into several sections. Instrument panel ie reinforcement lh (lhd) instrument panel reinforcement rh (rhd) interior light 7 8. Hilux automobile pdf manual download.. Toyota Hilux Ignition Wiring Diagram.
From www.wiringview.co
2018 Toyota Hilux Head Unit Wiring Diagram Wiring View and Schematics Toyota Hilux Ignition Wiring Diagram The first section shows the main. hilux electrical wiring diagram pub. view and download toyota hilux electrical wiring diagram online. Hilux automobile pdf manual download. Instrument panel ie reinforcement lh (lhd) instrument panel reinforcement rh (rhd) interior light 7 8. this wiring diagram manual has been prepared to provide information on the electrical system of the hilux.. Toyota Hilux Ignition Wiring Diagram.
From organicled74.blogspot.com
Toyota Hilux Ignition Switch Wiring Diagram Organicled Toyota Hilux Ignition Wiring Diagram — the toyota hilux electrical wiring diagram is divided into several sections. The first section shows the main. hilux electrical wiring diagram pub. view and download toyota hilux electrical wiring diagram online. Hilux automobile pdf manual download. Instrument panel ie reinforcement lh (lhd) instrument panel reinforcement rh (rhd) interior light 7 8. this wiring diagram manual. Toyota Hilux Ignition Wiring Diagram.
From wiredatagalsgreangei3.z22.web.core.windows.net
Toyota Hilux Wiring Diagram Pdf Toyota Hilux Ignition Wiring Diagram Dr114w foreword this wiring diagram manual has been prepared to provide. hilux electrical wiring diagram pub. view and download toyota hilux electrical wiring diagram online. Hilux automobile pdf manual download. The first section shows the main. ignition sw junction connector junction connector junction connector transmission control ecu br (4wd) (4wd) 100a alt. this wiring diagram manual. Toyota Hilux Ignition Wiring Diagram.
From organicled74.blogspot.com
Toyota Hilux Ignition Switch Wiring Diagram Organicled Toyota Hilux Ignition Wiring Diagram The first section shows the main. view and download toyota hilux electrical wiring diagram online. this wiring diagram manual has been prepared to provide information on the electrical system of the hilux. ignition sw junction connector junction connector junction connector transmission control ecu br (4wd) (4wd) 100a alt. Instrument panel ie reinforcement lh (lhd) instrument panel reinforcement. Toyota Hilux Ignition Wiring Diagram.
From wiredatagalsgreangei3.z22.web.core.windows.net
Toyota Hilux Wiring Diagram Pdf Toyota Hilux Ignition Wiring Diagram Instrument panel ie reinforcement lh (lhd) instrument panel reinforcement rh (rhd) interior light 7 8. Dr114w foreword this wiring diagram manual has been prepared to provide. — the toyota hilux electrical wiring diagram is divided into several sections. hilux electrical wiring diagram pub. view and download toyota hilux electrical wiring diagram online. The first section shows the. Toyota Hilux Ignition Wiring Diagram.
From dhtauto.com
TOYOTA HILUX WIRING DIAGRAM Automotive Software, Repair Manuals Toyota Hilux Ignition Wiring Diagram Instrument panel ie reinforcement lh (lhd) instrument panel reinforcement rh (rhd) interior light 7 8. ignition sw junction connector junction connector junction connector transmission control ecu br (4wd) (4wd) 100a alt. hilux electrical wiring diagram pub. Hilux automobile pdf manual download. The first section shows the main. — the toyota hilux electrical wiring diagram is divided into. Toyota Hilux Ignition Wiring Diagram.
From www.newkidscar.com
Toyota Hilux Wiring Diagram Car Anatomy Toyota Hilux Ignition Wiring Diagram ignition sw junction connector junction connector junction connector transmission control ecu br (4wd) (4wd) 100a alt. Instrument panel ie reinforcement lh (lhd) instrument panel reinforcement rh (rhd) interior light 7 8. this wiring diagram manual has been prepared to provide information on the electrical system of the hilux. The first section shows the main. Hilux automobile pdf manual. Toyota Hilux Ignition Wiring Diagram.
From wiredraw.co
Toyota Hilux D4d Wiring Diagram Pdf Wiring Draw Toyota Hilux Ignition Wiring Diagram view and download toyota hilux electrical wiring diagram online. — the toyota hilux electrical wiring diagram is divided into several sections. Instrument panel ie reinforcement lh (lhd) instrument panel reinforcement rh (rhd) interior light 7 8. Hilux automobile pdf manual download. The first section shows the main. ignition sw junction connector junction connector junction connector transmission control. Toyota Hilux Ignition Wiring Diagram.
From design1systems.com
The Ultimate Guide to Understanding Toyota Hilux Wiring Diagrams Toyota Hilux Ignition Wiring Diagram Dr114w foreword this wiring diagram manual has been prepared to provide. this wiring diagram manual has been prepared to provide information on the electrical system of the hilux. Instrument panel ie reinforcement lh (lhd) instrument panel reinforcement rh (rhd) interior light 7 8. The first section shows the main. — the toyota hilux electrical wiring diagram is divided. Toyota Hilux Ignition Wiring Diagram.
From www.wiringdigital.com
Electrical Wiring Diagram Toyota Hilux Wiring Digital and Schematic Toyota Hilux Ignition Wiring Diagram Dr114w foreword this wiring diagram manual has been prepared to provide. — the toyota hilux electrical wiring diagram is divided into several sections. hilux electrical wiring diagram pub. view and download toyota hilux electrical wiring diagram online. Hilux automobile pdf manual download. The first section shows the main. this wiring diagram manual has been prepared to. Toyota Hilux Ignition Wiring Diagram.
From www.tankbig.com
Hilux Wiring Diagram Toyota Hilux Ignition Wiring Diagram Hilux automobile pdf manual download. Dr114w foreword this wiring diagram manual has been prepared to provide. hilux electrical wiring diagram pub. The first section shows the main. this wiring diagram manual has been prepared to provide information on the electrical system of the hilux. ignition sw junction connector junction connector junction connector transmission control ecu br (4wd). Toyota Hilux Ignition Wiring Diagram.
From www.pinterest.co.kr
wiring diagram for toyota hilux d4d 3 Prius Hybrid, Electrical Wiring Toyota Hilux Ignition Wiring Diagram The first section shows the main. view and download toyota hilux electrical wiring diagram online. ignition sw junction connector junction connector junction connector transmission control ecu br (4wd) (4wd) 100a alt. Hilux automobile pdf manual download. — the toyota hilux electrical wiring diagram is divided into several sections. this wiring diagram manual has been prepared to. Toyota Hilux Ignition Wiring Diagram.
From www.pinterest.com
1990 toyota hilux wiring diagram 1 Toyota hilux, Electrical wiring Toyota Hilux Ignition Wiring Diagram view and download toyota hilux electrical wiring diagram online. Instrument panel ie reinforcement lh (lhd) instrument panel reinforcement rh (rhd) interior light 7 8. — the toyota hilux electrical wiring diagram is divided into several sections. ignition sw junction connector junction connector junction connector transmission control ecu br (4wd) (4wd) 100a alt. Dr114w foreword this wiring diagram. Toyota Hilux Ignition Wiring Diagram.
From userlibfrueh.z19.web.core.windows.net
Electrical Wiring Diagram Toyota Hilux Toyota Hilux Ignition Wiring Diagram The first section shows the main. view and download toyota hilux electrical wiring diagram online. Instrument panel ie reinforcement lh (lhd) instrument panel reinforcement rh (rhd) interior light 7 8. — the toyota hilux electrical wiring diagram is divided into several sections. Hilux automobile pdf manual download. Dr114w foreword this wiring diagram manual has been prepared to provide.. Toyota Hilux Ignition Wiring Diagram.
From organicled74.blogspot.com
Toyota Hilux Ignition Switch Wiring Diagram Organicled Toyota Hilux Ignition Wiring Diagram hilux electrical wiring diagram pub. ignition sw junction connector junction connector junction connector transmission control ecu br (4wd) (4wd) 100a alt. Hilux automobile pdf manual download. Instrument panel ie reinforcement lh (lhd) instrument panel reinforcement rh (rhd) interior light 7 8. The first section shows the main. this wiring diagram manual has been prepared to provide information. Toyota Hilux Ignition Wiring Diagram.
From manualwiringwexler.z19.web.core.windows.net
Toyota Hilux D4d Wiring Diagram Toyota Hilux Ignition Wiring Diagram Dr114w foreword this wiring diagram manual has been prepared to provide. this wiring diagram manual has been prepared to provide information on the electrical system of the hilux. Hilux automobile pdf manual download. view and download toyota hilux electrical wiring diagram online. ignition sw junction connector junction connector junction connector transmission control ecu br (4wd) (4wd) 100a. Toyota Hilux Ignition Wiring Diagram.
From enginedbinsulation.z5.web.core.windows.net
Toyota Hilux Wiring Diagram Pdf Toyota Hilux Ignition Wiring Diagram Hilux automobile pdf manual download. — the toyota hilux electrical wiring diagram is divided into several sections. Instrument panel ie reinforcement lh (lhd) instrument panel reinforcement rh (rhd) interior light 7 8. The first section shows the main. this wiring diagram manual has been prepared to provide information on the electrical system of the hilux. view and. Toyota Hilux Ignition Wiring Diagram.
From circuitdbbesancon.z21.web.core.windows.net
Toyota Hilux Wiring Diagram Toyota Hilux Ignition Wiring Diagram Instrument panel ie reinforcement lh (lhd) instrument panel reinforcement rh (rhd) interior light 7 8. view and download toyota hilux electrical wiring diagram online. ignition sw junction connector junction connector junction connector transmission control ecu br (4wd) (4wd) 100a alt. Dr114w foreword this wiring diagram manual has been prepared to provide. Hilux automobile pdf manual download. this. Toyota Hilux Ignition Wiring Diagram.
From car-diagrams.jimdofree.com
TOYOTA HILUX Wiring Diagrams Car Electrical Wiring Diagram Toyota Hilux Ignition Wiring Diagram — the toyota hilux electrical wiring diagram is divided into several sections. The first section shows the main. Instrument panel ie reinforcement lh (lhd) instrument panel reinforcement rh (rhd) interior light 7 8. Dr114w foreword this wiring diagram manual has been prepared to provide. hilux electrical wiring diagram pub. view and download toyota hilux electrical wiring diagram. Toyota Hilux Ignition Wiring Diagram.
From wiringdiagram.2bitboer.com
Toyota Hilux Wiring Diagram 2003 Wiring Diagram Toyota Hilux Ignition Wiring Diagram hilux electrical wiring diagram pub. — the toyota hilux electrical wiring diagram is divided into several sections. Instrument panel ie reinforcement lh (lhd) instrument panel reinforcement rh (rhd) interior light 7 8. Hilux automobile pdf manual download. The first section shows the main. Dr114w foreword this wiring diagram manual has been prepared to provide. view and download. Toyota Hilux Ignition Wiring Diagram.
From www.autorepairmanuals.ws
Toyota Hilux 20162019 Electrical Wiring Diagram Auto Repair Manual Toyota Hilux Ignition Wiring Diagram this wiring diagram manual has been prepared to provide information on the electrical system of the hilux. Dr114w foreword this wiring diagram manual has been prepared to provide. The first section shows the main. ignition sw junction connector junction connector junction connector transmission control ecu br (4wd) (4wd) 100a alt. hilux electrical wiring diagram pub. Hilux automobile. Toyota Hilux Ignition Wiring Diagram.
From prsteyer.blogspot.com
Toyota Hilux Wiring Diagram Toyota Hilux Ignition Wiring Diagram this wiring diagram manual has been prepared to provide information on the electrical system of the hilux. Dr114w foreword this wiring diagram manual has been prepared to provide. The first section shows the main. Hilux automobile pdf manual download. view and download toyota hilux electrical wiring diagram online. ignition sw junction connector junction connector junction connector transmission. Toyota Hilux Ignition Wiring Diagram.
From www.pinterest.ie
TOYOTA HILUX Wiring Diagrams Car Electrical Wiring Diagram Sensor Toyota Hilux Ignition Wiring Diagram hilux electrical wiring diagram pub. The first section shows the main. view and download toyota hilux electrical wiring diagram online. Instrument panel ie reinforcement lh (lhd) instrument panel reinforcement rh (rhd) interior light 7 8. Dr114w foreword this wiring diagram manual has been prepared to provide. Hilux automobile pdf manual download. this wiring diagram manual has been. Toyota Hilux Ignition Wiring Diagram.
From design1systems.com
The Ultimate Guide to Understanding Toyota Hilux Wiring Diagrams Toyota Hilux Ignition Wiring Diagram ignition sw junction connector junction connector junction connector transmission control ecu br (4wd) (4wd) 100a alt. Dr114w foreword this wiring diagram manual has been prepared to provide. view and download toyota hilux electrical wiring diagram online. Hilux automobile pdf manual download. Instrument panel ie reinforcement lh (lhd) instrument panel reinforcement rh (rhd) interior light 7 8. —. Toyota Hilux Ignition Wiring Diagram.
From organicled74.blogspot.com
Toyota Hilux Ignition Switch Wiring Diagram Organicled Toyota Hilux Ignition Wiring Diagram Instrument panel ie reinforcement lh (lhd) instrument panel reinforcement rh (rhd) interior light 7 8. Dr114w foreword this wiring diagram manual has been prepared to provide. this wiring diagram manual has been prepared to provide information on the electrical system of the hilux. view and download toyota hilux electrical wiring diagram online. — the toyota hilux electrical. Toyota Hilux Ignition Wiring Diagram.