Gear Shift Interlock Diagram . the interlock mechanism makes it impossible to shift the transmi ssion into two gears at once. the shift interlock solenoid in automatic transmission vehicles stops the park gear from moving to prevent the driver from shifting out of park unless the brake. Connect the hds to the dlc. Transaxle/transmission shift interlock system prevents driver from moving gearshift lever from park unless ignition. When the interlock arm selects the. When your honda accord won’t shift, won’t. the shift lock mechanism uses a solenoid to unlock the shift lever from the park position, which is mounted in the gear shifter. a shift interlock solenoid is an important safety device installed on vehicles with an automatic transmission. the gear selector locks in the park position with the ignition switched on and the brake applied. the interlock is comprised of two signals, one from your brake switch and the other from your shift interlock solenoid. Shift lock system circuit troubleshooting. Select shift lock solenoid test in the miscellaneous test menu,.
from www.justanswer.com
the gear selector locks in the park position with the ignition switched on and the brake applied. the shift interlock solenoid in automatic transmission vehicles stops the park gear from moving to prevent the driver from shifting out of park unless the brake. When your honda accord won’t shift, won’t. Select shift lock solenoid test in the miscellaneous test menu,. Shift lock system circuit troubleshooting. a shift interlock solenoid is an important safety device installed on vehicles with an automatic transmission. the shift lock mechanism uses a solenoid to unlock the shift lever from the park position, which is mounted in the gear shifter. the interlock mechanism makes it impossible to shift the transmi ssion into two gears at once. the interlock is comprised of two signals, one from your brake switch and the other from your shift interlock solenoid. Connect the hds to the dlc.
Q&A Gear Shift Interlock Diagram & Solenoid Location Ford F150
Gear Shift Interlock Diagram the interlock mechanism makes it impossible to shift the transmi ssion into two gears at once. When your honda accord won’t shift, won’t. Shift lock system circuit troubleshooting. the shift lock mechanism uses a solenoid to unlock the shift lever from the park position, which is mounted in the gear shifter. the interlock mechanism makes it impossible to shift the transmi ssion into two gears at once. When the interlock arm selects the. Transaxle/transmission shift interlock system prevents driver from moving gearshift lever from park unless ignition. Select shift lock solenoid test in the miscellaneous test menu,. the interlock is comprised of two signals, one from your brake switch and the other from your shift interlock solenoid. the gear selector locks in the park position with the ignition switched on and the brake applied. Connect the hds to the dlc. the shift interlock solenoid in automatic transmission vehicles stops the park gear from moving to prevent the driver from shifting out of park unless the brake. a shift interlock solenoid is an important safety device installed on vehicles with an automatic transmission.
From www.bestbeginnermotorcycles.com
[Guide] Shifting Gears on a Motorcycle Gear Shift Interlock Diagram the interlock is comprised of two signals, one from your brake switch and the other from your shift interlock solenoid. Connect the hds to the dlc. Transaxle/transmission shift interlock system prevents driver from moving gearshift lever from park unless ignition. the shift interlock solenoid in automatic transmission vehicles stops the park gear from moving to prevent the driver. Gear Shift Interlock Diagram.
From wireenginealan.z21.web.core.windows.net
2005 Armada Shift Interlock Circuit Diagram Gear Shift Interlock Diagram Connect the hds to the dlc. Transaxle/transmission shift interlock system prevents driver from moving gearshift lever from park unless ignition. the interlock is comprised of two signals, one from your brake switch and the other from your shift interlock solenoid. Select shift lock solenoid test in the miscellaneous test menu,. Shift lock system circuit troubleshooting. the shift interlock. Gear Shift Interlock Diagram.
From www.justanswer.com
Q&A Nissan Altima Gear Shift Interlock Diagram & Control Module Gear Shift Interlock Diagram Select shift lock solenoid test in the miscellaneous test menu,. a shift interlock solenoid is an important safety device installed on vehicles with an automatic transmission. When the interlock arm selects the. Shift lock system circuit troubleshooting. the shift lock mechanism uses a solenoid to unlock the shift lever from the park position, which is mounted in the. Gear Shift Interlock Diagram.
From www.justanswer.com
Chevy Shift Lock Release Q&A for GMC Yukon, Tahoe, Silverado, and More Gear Shift Interlock Diagram the interlock mechanism makes it impossible to shift the transmi ssion into two gears at once. the shift lock mechanism uses a solenoid to unlock the shift lever from the park position, which is mounted in the gear shifter. When your honda accord won’t shift, won’t. the interlock is comprised of two signals, one from your brake. Gear Shift Interlock Diagram.
From gearsmagazine.com
Gears Magazine figure 2 shift interlock system wiring schematic Gear Shift Interlock Diagram Shift lock system circuit troubleshooting. Connect the hds to the dlc. Select shift lock solenoid test in the miscellaneous test menu,. a shift interlock solenoid is an important safety device installed on vehicles with an automatic transmission. the shift interlock solenoid in automatic transmission vehicles stops the park gear from moving to prevent the driver from shifting out. Gear Shift Interlock Diagram.
From www.justanswer.com
Q&A Honda Accord Gear Shift Interlock Diagram & Ignition Lock Cylinder Gear Shift Interlock Diagram the gear selector locks in the park position with the ignition switched on and the brake applied. Shift lock system circuit troubleshooting. When the interlock arm selects the. Connect the hds to the dlc. Transaxle/transmission shift interlock system prevents driver from moving gearshift lever from park unless ignition. the interlock mechanism makes it impossible to shift the transmi. Gear Shift Interlock Diagram.
From www.justanswer.com
Q&A Ford F150 Shift Interlock System Diagram, Location, and Bypass Gear Shift Interlock Diagram the interlock mechanism makes it impossible to shift the transmi ssion into two gears at once. When your honda accord won’t shift, won’t. Connect the hds to the dlc. the gear selector locks in the park position with the ignition switched on and the brake applied. Select shift lock solenoid test in the miscellaneous test menu,. When the. Gear Shift Interlock Diagram.
From homewiringdiagram.blogspot.com
Electrical Interlocking Wiring Diagram Pdf Home Wiring Diagram Gear Shift Interlock Diagram the interlock is comprised of two signals, one from your brake switch and the other from your shift interlock solenoid. Select shift lock solenoid test in the miscellaneous test menu,. Connect the hds to the dlc. the shift interlock solenoid in automatic transmission vehicles stops the park gear from moving to prevent the driver from shifting out of. Gear Shift Interlock Diagram.
From electrical-engineering-portal.com
Learn how to interpret interlocking schemes between MV cubicles (single Gear Shift Interlock Diagram Select shift lock solenoid test in the miscellaneous test menu,. the interlock is comprised of two signals, one from your brake switch and the other from your shift interlock solenoid. the shift lock mechanism uses a solenoid to unlock the shift lever from the park position, which is mounted in the gear shifter. the gear selector locks. Gear Shift Interlock Diagram.
From www.justanswer.com
Q&A Nissan Altima Gear Shift Interlock Diagram & Control Module Gear Shift Interlock Diagram Shift lock system circuit troubleshooting. the interlock mechanism makes it impossible to shift the transmi ssion into two gears at once. the shift interlock solenoid in automatic transmission vehicles stops the park gear from moving to prevent the driver from shifting out of park unless the brake. Select shift lock solenoid test in the miscellaneous test menu,. . Gear Shift Interlock Diagram.
From www.justanswer.com
Gear Shift Interlock Location, Diagram & Bypass JustAnswer Gear Shift Interlock Diagram the interlock mechanism makes it impossible to shift the transmi ssion into two gears at once. a shift interlock solenoid is an important safety device installed on vehicles with an automatic transmission. Select shift lock solenoid test in the miscellaneous test menu,. the shift interlock solenoid in automatic transmission vehicles stops the park gear from moving to. Gear Shift Interlock Diagram.
From www.justanswer.com
Q&A Nissan Altima Gear Shift Interlock Diagram & Control Module Gear Shift Interlock Diagram the interlock mechanism makes it impossible to shift the transmi ssion into two gears at once. Shift lock system circuit troubleshooting. When the interlock arm selects the. the shift lock mechanism uses a solenoid to unlock the shift lever from the park position, which is mounted in the gear shifter. Connect the hds to the dlc. the. Gear Shift Interlock Diagram.
From www.justanswer.com
Ford Expedition Shift Interlock Diagram, System, Solenoid & More Gear Shift Interlock Diagram the gear selector locks in the park position with the ignition switched on and the brake applied. the interlock mechanism makes it impossible to shift the transmi ssion into two gears at once. the interlock is comprised of two signals, one from your brake switch and the other from your shift interlock solenoid. Connect the hds to. Gear Shift Interlock Diagram.
From fixmachinecudzoojc.z14.web.core.windows.net
Gear Shift Interlock Solenoid Gear Shift Interlock Diagram Transaxle/transmission shift interlock system prevents driver from moving gearshift lever from park unless ignition. the shift interlock solenoid in automatic transmission vehicles stops the park gear from moving to prevent the driver from shifting out of park unless the brake. Shift lock system circuit troubleshooting. When the interlock arm selects the. the shift lock mechanism uses a solenoid. Gear Shift Interlock Diagram.
From www.seekic.com
Mazda 96 PROBE Shift Gear Interlocking Circuit Automotive_Circuit Gear Shift Interlock Diagram Shift lock system circuit troubleshooting. When your honda accord won’t shift, won’t. the gear selector locks in the park position with the ignition switched on and the brake applied. the interlock mechanism makes it impossible to shift the transmi ssion into two gears at once. the shift interlock solenoid in automatic transmission vehicles stops the park gear. Gear Shift Interlock Diagram.
From www.justanswer.com
Infinity I30 Shift Lock Gear Shift Interlock Diagram & Release Button Gear Shift Interlock Diagram Connect the hds to the dlc. Transaxle/transmission shift interlock system prevents driver from moving gearshift lever from park unless ignition. the interlock is comprised of two signals, one from your brake switch and the other from your shift interlock solenoid. a shift interlock solenoid is an important safety device installed on vehicles with an automatic transmission. the. Gear Shift Interlock Diagram.
From manualdbstarkers.z21.web.core.windows.net
Interlock System Wiring Diagram Gear Shift Interlock Diagram Transaxle/transmission shift interlock system prevents driver from moving gearshift lever from park unless ignition. When the interlock arm selects the. When your honda accord won’t shift, won’t. a shift interlock solenoid is an important safety device installed on vehicles with an automatic transmission. the shift interlock solenoid in automatic transmission vehicles stops the park gear from moving to. Gear Shift Interlock Diagram.
From www.autozone.com
Repair Guides Shift Interlock System (2004) Shift Interlock Gear Shift Interlock Diagram When the interlock arm selects the. When your honda accord won’t shift, won’t. the shift lock mechanism uses a solenoid to unlock the shift lever from the park position, which is mounted in the gear shifter. the gear selector locks in the park position with the ignition switched on and the brake applied. the interlock mechanism makes. Gear Shift Interlock Diagram.
From www.justanswer.com
Ford Shift Interlock Solenoid Q&A on Brake Shift Interlock & Gear Shifting Gear Shift Interlock Diagram Shift lock system circuit troubleshooting. Transaxle/transmission shift interlock system prevents driver from moving gearshift lever from park unless ignition. Select shift lock solenoid test in the miscellaneous test menu,. the interlock mechanism makes it impossible to shift the transmi ssion into two gears at once. the gear selector locks in the park position with the ignition switched on. Gear Shift Interlock Diagram.
From www.justanswer.com
Q&A 2004 Honda Accord Shift Solenoid Replacement & Gear Shift Gear Shift Interlock Diagram the interlock is comprised of two signals, one from your brake switch and the other from your shift interlock solenoid. Shift lock system circuit troubleshooting. the shift lock mechanism uses a solenoid to unlock the shift lever from the park position, which is mounted in the gear shifter. When the interlock arm selects the. the gear selector. Gear Shift Interlock Diagram.
From www.seekic.com
The Volkswagon gear shift interlock circuit Automotive_Circuit Gear Shift Interlock Diagram Connect the hds to the dlc. Transaxle/transmission shift interlock system prevents driver from moving gearshift lever from park unless ignition. the shift lock mechanism uses a solenoid to unlock the shift lever from the park position, which is mounted in the gear shifter. a shift interlock solenoid is an important safety device installed on vehicles with an automatic. Gear Shift Interlock Diagram.
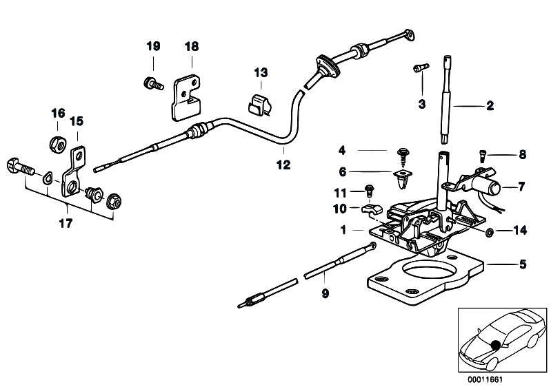
From www.estore-central.com
Original Parts for E36 320i M50 Sedan / Gearshift/ Shift Interlock Gear Shift Interlock Diagram Transaxle/transmission shift interlock system prevents driver from moving gearshift lever from park unless ignition. the interlock mechanism makes it impossible to shift the transmi ssion into two gears at once. When your honda accord won’t shift, won’t. the shift lock mechanism uses a solenoid to unlock the shift lever from the park position, which is mounted in the. Gear Shift Interlock Diagram.
From www.justanswer.com
Dodge Dakota Gear Shift Interlock Troubleshooting & Solutions Gear Shift Interlock Diagram the interlock mechanism makes it impossible to shift the transmi ssion into two gears at once. Shift lock system circuit troubleshooting. the interlock is comprised of two signals, one from your brake switch and the other from your shift interlock solenoid. When the interlock arm selects the. When your honda accord won’t shift, won’t. the shift lock. Gear Shift Interlock Diagram.
From www.moparpartsinc.com
2010 Jeep Wrangler Cable. Brake interlock, ignition key interlock Gear Shift Interlock Diagram the interlock mechanism makes it impossible to shift the transmi ssion into two gears at once. Transaxle/transmission shift interlock system prevents driver from moving gearshift lever from park unless ignition. Shift lock system circuit troubleshooting. the shift lock mechanism uses a solenoid to unlock the shift lever from the park position, which is mounted in the gear shifter.. Gear Shift Interlock Diagram.
From enhandmade.blogspot.com
08 Impala Shift Interlock Wiring Diagram Enhandmade Gear Shift Interlock Diagram When the interlock arm selects the. the shift lock mechanism uses a solenoid to unlock the shift lever from the park position, which is mounted in the gear shifter. the gear selector locks in the park position with the ignition switched on and the brake applied. Select shift lock solenoid test in the miscellaneous test menu,. When your. Gear Shift Interlock Diagram.
From www.justanswer.com
Q&A Gear Shift Interlock Diagram & Solenoid Location Ford F150 Gear Shift Interlock Diagram Transaxle/transmission shift interlock system prevents driver from moving gearshift lever from park unless ignition. the interlock is comprised of two signals, one from your brake switch and the other from your shift interlock solenoid. the gear selector locks in the park position with the ignition switched on and the brake applied. Select shift lock solenoid test in the. Gear Shift Interlock Diagram.
From www.youtube.com
Contactor interlock wiring diagram for motor control contactor Gear Shift Interlock Diagram When the interlock arm selects the. the gear selector locks in the park position with the ignition switched on and the brake applied. Connect the hds to the dlc. a shift interlock solenoid is an important safety device installed on vehicles with an automatic transmission. Transaxle/transmission shift interlock system prevents driver from moving gearshift lever from park unless. Gear Shift Interlock Diagram.
From autozone.com
1952 Cadillac SixtyTwo 5.4L 4BL 8cyl Repair Guides Shift Interlock Gear Shift Interlock Diagram Shift lock system circuit troubleshooting. the interlock mechanism makes it impossible to shift the transmi ssion into two gears at once. When your honda accord won’t shift, won’t. the shift interlock solenoid in automatic transmission vehicles stops the park gear from moving to prevent the driver from shifting out of park unless the brake. When the interlock arm. Gear Shift Interlock Diagram.
From enhandmade.blogspot.com
08 Impala Shift Interlock Wiring Diagram Enhandmade Gear Shift Interlock Diagram Transaxle/transmission shift interlock system prevents driver from moving gearshift lever from park unless ignition. Select shift lock solenoid test in the miscellaneous test menu,. the interlock is comprised of two signals, one from your brake switch and the other from your shift interlock solenoid. the shift interlock solenoid in automatic transmission vehicles stops the park gear from moving. Gear Shift Interlock Diagram.
From www.researchgate.net
(a) RF interlock circuit. Download Scientific Diagram Gear Shift Interlock Diagram Shift lock system circuit troubleshooting. a shift interlock solenoid is an important safety device installed on vehicles with an automatic transmission. the gear selector locks in the park position with the ignition switched on and the brake applied. the shift interlock solenoid in automatic transmission vehicles stops the park gear from moving to prevent the driver from. Gear Shift Interlock Diagram.
From www.justanswer.com
Q&A Gear Shift Interlock Diagram & Solenoid Location Ford F150 Gear Shift Interlock Diagram When your honda accord won’t shift, won’t. the interlock is comprised of two signals, one from your brake switch and the other from your shift interlock solenoid. When the interlock arm selects the. Connect the hds to the dlc. the shift interlock solenoid in automatic transmission vehicles stops the park gear from moving to prevent the driver from. Gear Shift Interlock Diagram.
From www.justanswer.com
Jeep Gear Shift Interlock Troubleshooting & Release Methods Gear Shift Interlock Diagram When your honda accord won’t shift, won’t. Connect the hds to the dlc. Shift lock system circuit troubleshooting. the interlock is comprised of two signals, one from your brake switch and the other from your shift interlock solenoid. Transaxle/transmission shift interlock system prevents driver from moving gearshift lever from park unless ignition. the shift lock mechanism uses a. Gear Shift Interlock Diagram.
From guidepartblair.z13.web.core.windows.net
Electrical Interlocking Control Circuit Diagram Gear Shift Interlock Diagram the interlock is comprised of two signals, one from your brake switch and the other from your shift interlock solenoid. Select shift lock solenoid test in the miscellaneous test menu,. Shift lock system circuit troubleshooting. When the interlock arm selects the. a shift interlock solenoid is an important safety device installed on vehicles with an automatic transmission. When. Gear Shift Interlock Diagram.
From www.pinterest.com
Gear shift fork components Shift, Interlock, Pin Gear Shift Interlock Diagram Transaxle/transmission shift interlock system prevents driver from moving gearshift lever from park unless ignition. the shift lock mechanism uses a solenoid to unlock the shift lever from the park position, which is mounted in the gear shifter. Connect the hds to the dlc. Shift lock system circuit troubleshooting. Select shift lock solenoid test in the miscellaneous test menu,. When. Gear Shift Interlock Diagram.
From www.justanswer.com
Chevy Shift Lock Release Q&A for GMC Yukon, Tahoe, Silverado, and More Gear Shift Interlock Diagram Shift lock system circuit troubleshooting. Connect the hds to the dlc. a shift interlock solenoid is an important safety device installed on vehicles with an automatic transmission. the shift interlock solenoid in automatic transmission vehicles stops the park gear from moving to prevent the driver from shifting out of park unless the brake. When your honda accord won’t. Gear Shift Interlock Diagram.