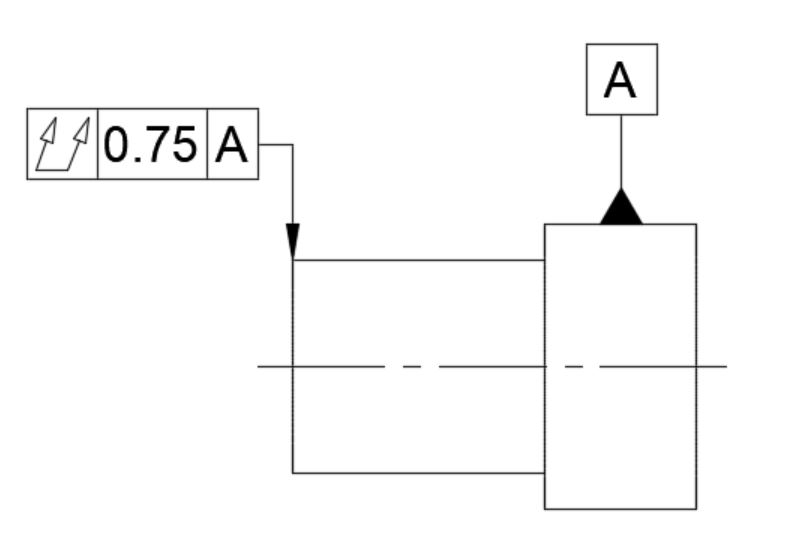
Circular Runout Gd&T . Learn the differences between circular runout and total runout, two gd&t callouts that control the form and location of cylindrical features. Learn what circular runout is, how to measure it, and how it differs from total runout in gd&t. Does runout or size control the circularity/form error in gd&t? In gd&t, circular runout defines a circular tolerance zone associated with a datum axis. It controls how much a feature or surface can vary with respect to a datum if the part is rotated 360. Circular runout measures how much “wobble” occurs on the controlled surface when the part is rotated 360 around a. Circular runout controls the shape of the circular elements of the surface and their relationship with the reference axis. It depends) in this article video, we aim to answer. Runout is how much one given reference feature or features vary with respect to another datum when the part is. Learn how to apply circular runout control on drawings or cad models, and how to measure it with an optical cmm.
from www.gdandtbasics.com
It controls how much a feature or surface can vary with respect to a datum if the part is rotated 360. Learn what circular runout is, how to measure it, and how it differs from total runout in gd&t. Circular runout measures how much “wobble” occurs on the controlled surface when the part is rotated 360 around a. Learn the differences between circular runout and total runout, two gd&t callouts that control the form and location of cylindrical features. Does runout or size control the circularity/form error in gd&t? Runout is how much one given reference feature or features vary with respect to another datum when the part is. Learn how to apply circular runout control on drawings or cad models, and how to measure it with an optical cmm. In gd&t, circular runout defines a circular tolerance zone associated with a datum axis. Circular runout controls the shape of the circular elements of the surface and their relationship with the reference axis. It depends) in this article video, we aim to answer.
GDandT Symbol GD&T Basics Part 2
Circular Runout Gd&T Learn how to apply circular runout control on drawings or cad models, and how to measure it with an optical cmm. Does runout or size control the circularity/form error in gd&t? Learn how to apply circular runout control on drawings or cad models, and how to measure it with an optical cmm. It controls how much a feature or surface can vary with respect to a datum if the part is rotated 360. Learn what circular runout is, how to measure it, and how it differs from total runout in gd&t. Learn the differences between circular runout and total runout, two gd&t callouts that control the form and location of cylindrical features. Circular runout measures how much “wobble” occurs on the controlled surface when the part is rotated 360 around a. Runout is how much one given reference feature or features vary with respect to another datum when the part is. In gd&t, circular runout defines a circular tolerance zone associated with a datum axis. Circular runout controls the shape of the circular elements of the surface and their relationship with the reference axis. It depends) in this article video, we aim to answer.
From www.slideserve.com
PPT Geometric Dimensioning and Tolerancing (GD&T) PowerPoint Circular Runout Gd&T Circular runout measures how much “wobble” occurs on the controlled surface when the part is rotated 360 around a. Circular runout controls the shape of the circular elements of the surface and their relationship with the reference axis. Learn how to apply circular runout control on drawings or cad models, and how to measure it with an optical cmm. In. Circular Runout Gd&T.
From www.gdandtbasics.com
Runout GD&T Basics Circular Runout Gd&T Circular runout measures how much “wobble” occurs on the controlled surface when the part is rotated 360 around a. Learn what circular runout is, how to measure it, and how it differs from total runout in gd&t. It depends) in this article video, we aim to answer. Learn how to apply circular runout control on drawings or cad models, and. Circular Runout Gd&T.
From be-cu.com
GD&T Runout Tolerance Types And Its Distinguishing Circular Runout Gd&T In gd&t, circular runout defines a circular tolerance zone associated with a datum axis. Circular runout controls the shape of the circular elements of the surface and their relationship with the reference axis. It depends) in this article video, we aim to answer. Learn what circular runout is, how to measure it, and how it differs from total runout in. Circular Runout Gd&T.
From redlux.net
Practical GD&T Circular Runout Measurement Basic Concepts Redlux Circular Runout Gd&T Circular runout controls the shape of the circular elements of the surface and their relationship with the reference axis. Learn the differences between circular runout and total runout, two gd&t callouts that control the form and location of cylindrical features. It controls how much a feature or surface can vary with respect to a datum if the part is rotated. Circular Runout Gd&T.
From www.slideserve.com
PPT Metrology PowerPoint Presentation ID334107 Circular Runout Gd&T Circular runout measures how much “wobble” occurs on the controlled surface when the part is rotated 360 around a. It controls how much a feature or surface can vary with respect to a datum if the part is rotated 360. Learn how to apply circular runout control on drawings or cad models, and how to measure it with an optical. Circular Runout Gd&T.
From www.youtube.com
GD&T Difference between Circularity & Circular Runout Circularity vs Circular Runout Gd&T Learn how to apply circular runout control on drawings or cad models, and how to measure it with an optical cmm. Learn what circular runout is, how to measure it, and how it differs from total runout in gd&t. Learn the differences between circular runout and total runout, two gd&t callouts that control the form and location of cylindrical features.. Circular Runout Gd&T.
From redlux.net
Practical GD&T Circular Runout Measurement Basic Concepts Redlux Circular Runout Gd&T Runout is how much one given reference feature or features vary with respect to another datum when the part is. Learn the differences between circular runout and total runout, two gd&t callouts that control the form and location of cylindrical features. Circular runout controls the shape of the circular elements of the surface and their relationship with the reference axis.. Circular Runout Gd&T.
From www.tec-ease.com
GD&T Tips Runout Circular Runout Gd&T Runout is how much one given reference feature or features vary with respect to another datum when the part is. It controls how much a feature or surface can vary with respect to a datum if the part is rotated 360. It depends) in this article video, we aim to answer. Circular runout controls the shape of the circular elements. Circular Runout Gd&T.
From americanbobcat.blog
GD & T ENGINEERING Computer Aided Design & The 118 Elements Circular Runout Gd&T Circular runout measures how much “wobble” occurs on the controlled surface when the part is rotated 360 around a. It controls how much a feature or surface can vary with respect to a datum if the part is rotated 360. It depends) in this article video, we aim to answer. Learn what circular runout is, how to measure it, and. Circular Runout Gd&T.
From www.eng-tips.com
Value of secondary B in the circular runout Drafting Standards, GD&T Circular Runout Gd&T Learn how to apply circular runout control on drawings or cad models, and how to measure it with an optical cmm. It depends) in this article video, we aim to answer. Learn what circular runout is, how to measure it, and how it differs from total runout in gd&t. It controls how much a feature or surface can vary with. Circular Runout Gd&T.
From www.slideserve.com
PPT MFGT 124 Solid Design in Manufacturing GD&T PowerPoint Circular Runout Gd&T It depends) in this article video, we aim to answer. Circular runout measures how much “wobble” occurs on the controlled surface when the part is rotated 360 around a. Runout is how much one given reference feature or features vary with respect to another datum when the part is. Learn how to apply circular runout control on drawings or cad. Circular Runout Gd&T.
From fractory.com
Circular Runout (GD&T) Explained GD&T Symbols Fractory Circular Runout Gd&T Runout is how much one given reference feature or features vary with respect to another datum when the part is. Learn what circular runout is, how to measure it, and how it differs from total runout in gd&t. Circular runout controls the shape of the circular elements of the surface and their relationship with the reference axis. In gd&t, circular. Circular Runout Gd&T.
From redlux.net
Practical GD&T Circular Runout Measurement Basic Concepts Redlux Circular Runout Gd&T Circular runout measures how much “wobble” occurs on the controlled surface when the part is rotated 360 around a. Runout is how much one given reference feature or features vary with respect to another datum when the part is. It depends) in this article video, we aim to answer. Learn how to apply circular runout control on drawings or cad. Circular Runout Gd&T.
From www.tec-ease.com
GD&T Tips Runout Circular Runout Gd&T Learn what circular runout is, how to measure it, and how it differs from total runout in gd&t. It depends) in this article video, we aim to answer. It controls how much a feature or surface can vary with respect to a datum if the part is rotated 360. Circular runout measures how much “wobble” occurs on the controlled surface. Circular Runout Gd&T.
From www.gdandtbasics.com
GDandT Symbol GD&T Basics Part 2 Circular Runout Gd&T In gd&t, circular runout defines a circular tolerance zone associated with a datum axis. It controls how much a feature or surface can vary with respect to a datum if the part is rotated 360. Learn the differences between circular runout and total runout, two gd&t callouts that control the form and location of cylindrical features. It depends) in this. Circular Runout Gd&T.
From redlux.net
Practical GD&T Circular Runout Measurement Basic Concepts Redlux Circular Runout Gd&T Learn the differences between circular runout and total runout, two gd&t callouts that control the form and location of cylindrical features. Circular runout measures how much “wobble” occurs on the controlled surface when the part is rotated 360 around a. In gd&t, circular runout defines a circular tolerance zone associated with a datum axis. Runout is how much one given. Circular Runout Gd&T.
From redlux.net
Practical GD&T Total Runout Measurement Basic Concepts Redlux Circular Runout Gd&T It depends) in this article video, we aim to answer. It controls how much a feature or surface can vary with respect to a datum if the part is rotated 360. Does runout or size control the circularity/form error in gd&t? Runout is how much one given reference feature or features vary with respect to another datum when the part. Circular Runout Gd&T.
From www.eng-tips.com
Difference between axial total runout and perpendicularity Drafting Circular Runout Gd&T It depends) in this article video, we aim to answer. Circular runout controls the shape of the circular elements of the surface and their relationship with the reference axis. Runout is how much one given reference feature or features vary with respect to another datum when the part is. Learn what circular runout is, how to measure it, and how. Circular Runout Gd&T.
From www.wasyresearch.com
Examples on how to interpret GD&T Form, orientation, location and run Circular Runout Gd&T It depends) in this article video, we aim to answer. Does runout or size control the circularity/form error in gd&t? Circular runout measures how much “wobble” occurs on the controlled surface when the part is rotated 360 around a. In gd&t, circular runout defines a circular tolerance zone associated with a datum axis. It controls how much a feature or. Circular Runout Gd&T.
From redlux.net
Practical GD&T Circular Runout Measurement Basic Concepts Redlux Circular Runout Gd&T It controls how much a feature or surface can vary with respect to a datum if the part is rotated 360. In gd&t, circular runout defines a circular tolerance zone associated with a datum axis. It depends) in this article video, we aim to answer. Runout is how much one given reference feature or features vary with respect to another. Circular Runout Gd&T.
From www.gdandtbasics.com
Circular vs. Total Runout GD&T Basics Circular Runout Gd&T Does runout or size control the circularity/form error in gd&t? Learn the differences between circular runout and total runout, two gd&t callouts that control the form and location of cylindrical features. It depends) in this article video, we aim to answer. Learn what circular runout is, how to measure it, and how it differs from total runout in gd&t. Runout. Circular Runout Gd&T.
From americanbobcat.blog
GD & T ENGINEERING Computer Aided Design & The 118 Elements Circular Runout Gd&T It depends) in this article video, we aim to answer. Learn what circular runout is, how to measure it, and how it differs from total runout in gd&t. In gd&t, circular runout defines a circular tolerance zone associated with a datum axis. Learn how to apply circular runout control on drawings or cad models, and how to measure it with. Circular Runout Gd&T.
From www.gdandtbasics.com
Runout GD&T Basics Circular Runout Gd&T Circular runout measures how much “wobble” occurs on the controlled surface when the part is rotated 360 around a. Circular runout controls the shape of the circular elements of the surface and their relationship with the reference axis. Does runout or size control the circularity/form error in gd&t? Learn what circular runout is, how to measure it, and how it. Circular Runout Gd&T.
From redlux.net
Practical GD&T Circular Runout Measurement Basic Concepts Redlux Circular Runout Gd&T In gd&t, circular runout defines a circular tolerance zone associated with a datum axis. Does runout or size control the circularity/form error in gd&t? It depends) in this article video, we aim to answer. Circular runout measures how much “wobble” occurs on the controlled surface when the part is rotated 360 around a. Runout is how much one given reference. Circular Runout Gd&T.
From www.school-mechademic.com
GD&T Runout Circular Runout Gd&T Circular runout measures how much “wobble” occurs on the controlled surface when the part is rotated 360 around a. Learn what circular runout is, how to measure it, and how it differs from total runout in gd&t. In gd&t, circular runout defines a circular tolerance zone associated with a datum axis. Circular runout controls the shape of the circular elements. Circular Runout Gd&T.
From redlux.net
Practical GD&T Total Runout Measurement Basic Concepts Redlux Circular Runout Gd&T In gd&t, circular runout defines a circular tolerance zone associated with a datum axis. Runout is how much one given reference feature or features vary with respect to another datum when the part is. Learn how to apply circular runout control on drawings or cad models, and how to measure it with an optical cmm. It controls how much a. Circular Runout Gd&T.
From www.youtube.com
GD&T Runout Symbol (Animations and Examples) YouTube Circular Runout Gd&T Does runout or size control the circularity/form error in gd&t? Learn how to apply circular runout control on drawings or cad models, and how to measure it with an optical cmm. It depends) in this article video, we aim to answer. In gd&t, circular runout defines a circular tolerance zone associated with a datum axis. Learn what circular runout is,. Circular Runout Gd&T.
From redlux.net
Practical GD&T Circular Runout Measurement Basic Concepts Redlux Circular Runout Gd&T Learn the differences between circular runout and total runout, two gd&t callouts that control the form and location of cylindrical features. Does runout or size control the circularity/form error in gd&t? It depends) in this article video, we aim to answer. In gd&t, circular runout defines a circular tolerance zone associated with a datum axis. Learn what circular runout is,. Circular Runout Gd&T.
From www.smlease.com
Circular Runout in GD&T Geometric Dimension and Control Circular Runout Gd&T Runout is how much one given reference feature or features vary with respect to another datum when the part is. Learn the differences between circular runout and total runout, two gd&t callouts that control the form and location of cylindrical features. Learn how to apply circular runout control on drawings or cad models, and how to measure it with an. Circular Runout Gd&T.
From www.gdandtbasics.com
Total Runout GD&T Basics Circular Runout Gd&T It depends) in this article video, we aim to answer. Learn how to apply circular runout control on drawings or cad models, and how to measure it with an optical cmm. Circular runout measures how much “wobble” occurs on the controlled surface when the part is rotated 360 around a. Learn the differences between circular runout and total runout, two. Circular Runout Gd&T.
From fractory.com
Circular Runout (GD&T) Explained GD&T Symbols Fractory Circular Runout Gd&T Does runout or size control the circularity/form error in gd&t? Learn how to apply circular runout control on drawings or cad models, and how to measure it with an optical cmm. Runout is how much one given reference feature or features vary with respect to another datum when the part is. In gd&t, circular runout defines a circular tolerance zone. Circular Runout Gd&T.
From www.modumic.com
总的跳动(GD&T)解释了骨折 manbetx2.0.ios Circular Runout Gd&T Runout is how much one given reference feature or features vary with respect to another datum when the part is. Circular runout controls the shape of the circular elements of the surface and their relationship with the reference axis. Does runout or size control the circularity/form error in gd&t? Circular runout measures how much “wobble” occurs on the controlled surface. Circular Runout Gd&T.
From redlux.net
Practical GD&T Circular Runout Measurement Basic Concepts Redlux Circular Runout Gd&T In gd&t, circular runout defines a circular tolerance zone associated with a datum axis. Learn how to apply circular runout control on drawings or cad models, and how to measure it with an optical cmm. It depends) in this article video, we aim to answer. Learn what circular runout is, how to measure it, and how it differs from total. Circular Runout Gd&T.
From www.youtube.com
GD&T, Total Runout, Total Runout vs Runout, Positioning, and Circular Runout Gd&T It depends) in this article video, we aim to answer. Learn the differences between circular runout and total runout, two gd&t callouts that control the form and location of cylindrical features. In gd&t, circular runout defines a circular tolerance zone associated with a datum axis. It controls how much a feature or surface can vary with respect to a datum. Circular Runout Gd&T.
From www.school-mechademic.com
GD&T Runout Circular Runout Gd&T Learn what circular runout is, how to measure it, and how it differs from total runout in gd&t. Learn the differences between circular runout and total runout, two gd&t callouts that control the form and location of cylindrical features. In gd&t, circular runout defines a circular tolerance zone associated with a datum axis. It controls how much a feature or. Circular Runout Gd&T.