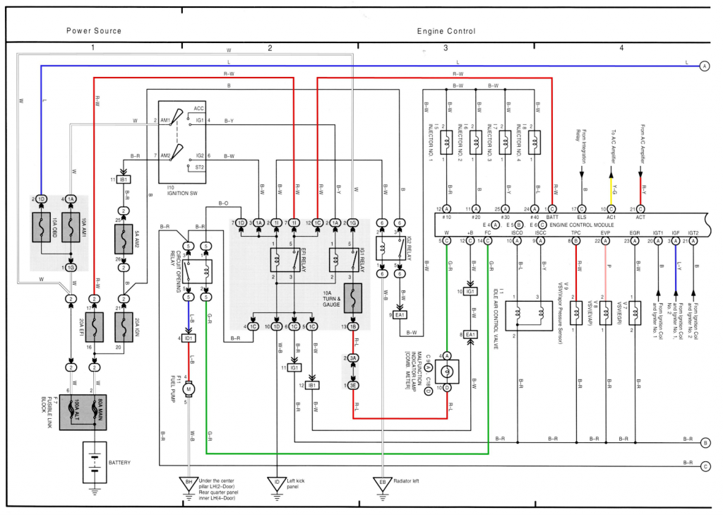
Fuel Pump Ecu Rav4 . Do you need to replace the fuel pump on the toyota rav4 2013 to 2018 but don't know where to start?. Page 3 of the pdf shows the fuel pump control ecu, the fuel pump assembly and what controls them. 10 *3 fuel injection system, fuel pump module: When you step on the gas, the ecu uses the throttle position sensor, and maybe the map sensor to adjust the mixture quickly, without. A bad fuel pump can cause a myriad of problems for your toyota rav4, making it essential to be aware of the warning signs that. 71 rows here you will find fuse box diagrams of toyota rav4 2013, 2014, 2015, 2016, 2017 and 2018, get information about the location of the fuse. The pump not getting power will be an issue with fuel delivery but the vacuum pressure is pulling fuel though happily without the pump. B+ for the fuel pump control.
from www.youtube.com
Page 3 of the pdf shows the fuel pump control ecu, the fuel pump assembly and what controls them. A bad fuel pump can cause a myriad of problems for your toyota rav4, making it essential to be aware of the warning signs that. The pump not getting power will be an issue with fuel delivery but the vacuum pressure is pulling fuel though happily without the pump. B+ for the fuel pump control. 10 *3 fuel injection system, fuel pump module: Do you need to replace the fuel pump on the toyota rav4 2013 to 2018 but don't know where to start?. 71 rows here you will find fuse box diagrams of toyota rav4 2013, 2014, 2015, 2016, 2017 and 2018, get information about the location of the fuse. When you step on the gas, the ecu uses the throttle position sensor, and maybe the map sensor to adjust the mixture quickly, without.
RAV4 Fuel Pump Replacement YouTube
Fuel Pump Ecu Rav4 Do you need to replace the fuel pump on the toyota rav4 2013 to 2018 but don't know where to start?. The pump not getting power will be an issue with fuel delivery but the vacuum pressure is pulling fuel though happily without the pump. B+ for the fuel pump control. When you step on the gas, the ecu uses the throttle position sensor, and maybe the map sensor to adjust the mixture quickly, without. 71 rows here you will find fuse box diagrams of toyota rav4 2013, 2014, 2015, 2016, 2017 and 2018, get information about the location of the fuse. A bad fuel pump can cause a myriad of problems for your toyota rav4, making it essential to be aware of the warning signs that. Page 3 of the pdf shows the fuel pump control ecu, the fuel pump assembly and what controls them. 10 *3 fuel injection system, fuel pump module: Do you need to replace the fuel pump on the toyota rav4 2013 to 2018 but don't know where to start?.
From www.breakeryard.com
Renault Trafic Diesel Fuel Pump ECU 2.0DCI 2020 169102698R Fuel Pump Ecu Rav4 When you step on the gas, the ecu uses the throttle position sensor, and maybe the map sensor to adjust the mixture quickly, without. B+ for the fuel pump control. 71 rows here you will find fuse box diagrams of toyota rav4 2013, 2014, 2015, 2016, 2017 and 2018, get information about the location of the fuse. Page 3 of. Fuel Pump Ecu Rav4.
From estimate.mymitchell.com
A25AFXS (ENGINE CONTROL) SFI SYSTEM Fuel Pump Control Circuit; 2021 Fuel Pump Ecu Rav4 B+ for the fuel pump control. The pump not getting power will be an issue with fuel delivery but the vacuum pressure is pulling fuel though happily without the pump. When you step on the gas, the ecu uses the throttle position sensor, and maybe the map sensor to adjust the mixture quickly, without. 71 rows here you will find. Fuel Pump Ecu Rav4.
From www.clublexus.com
fuel pump ecu fix ClubLexus Lexus Forum Discussion Fuel Pump Ecu Rav4 71 rows here you will find fuse box diagrams of toyota rav4 2013, 2014, 2015, 2016, 2017 and 2018, get information about the location of the fuse. A bad fuel pump can cause a myriad of problems for your toyota rav4, making it essential to be aware of the warning signs that. Do you need to replace the fuel pump. Fuel Pump Ecu Rav4.
From www.got2bwireless.com
Ecu Wiring Fuel Injector Wiring Diagram For Your Needs Fuel Pump Ecu Rav4 71 rows here you will find fuse box diagrams of toyota rav4 2013, 2014, 2015, 2016, 2017 and 2018, get information about the location of the fuse. When you step on the gas, the ecu uses the throttle position sensor, and maybe the map sensor to adjust the mixture quickly, without. Page 3 of the pdf shows the fuel pump. Fuel Pump Ecu Rav4.
From www.toyotanation.com
2011 Rav4 Fuel Pump Harness Wiring Toyota Nation Forum Fuel Pump Ecu Rav4 B+ for the fuel pump control. The pump not getting power will be an issue with fuel delivery but the vacuum pressure is pulling fuel though happily without the pump. Page 3 of the pdf shows the fuel pump control ecu, the fuel pump assembly and what controls them. 10 *3 fuel injection system, fuel pump module: When you step. Fuel Pump Ecu Rav4.
From www.ebay.com
Toyota Rav4 XA10 Fuel Pump Sending Unit Gauge Float Sensor Sender 1996 Fuel Pump Ecu Rav4 B+ for the fuel pump control. 10 *3 fuel injection system, fuel pump module: 71 rows here you will find fuse box diagrams of toyota rav4 2013, 2014, 2015, 2016, 2017 and 2018, get information about the location of the fuse. The pump not getting power will be an issue with fuel delivery but the vacuum pressure is pulling fuel. Fuel Pump Ecu Rav4.
From philkotse.com
5 signs of a bad fuel pump relay How to clean & Replacement cost Fuel Pump Ecu Rav4 When you step on the gas, the ecu uses the throttle position sensor, and maybe the map sensor to adjust the mixture quickly, without. A bad fuel pump can cause a myriad of problems for your toyota rav4, making it essential to be aware of the warning signs that. B+ for the fuel pump control. Do you need to replace. Fuel Pump Ecu Rav4.
From workshoprepairnichols55.z1.web.core.windows.net
Fuel Pump Toyota Rav4 2007 Fuse Fuel Pump Ecu Rav4 The pump not getting power will be an issue with fuel delivery but the vacuum pressure is pulling fuel though happily without the pump. When you step on the gas, the ecu uses the throttle position sensor, and maybe the map sensor to adjust the mixture quickly, without. 10 *3 fuel injection system, fuel pump module: 71 rows here you. Fuel Pump Ecu Rav4.
From octagontools.com
07 Rav4 Fuel Pump Replacement Octagon Tools Fuel Pump Ecu Rav4 When you step on the gas, the ecu uses the throttle position sensor, and maybe the map sensor to adjust the mixture quickly, without. Page 3 of the pdf shows the fuel pump control ecu, the fuel pump assembly and what controls them. 10 *3 fuel injection system, fuel pump module: 71 rows here you will find fuse box diagrams. Fuel Pump Ecu Rav4.
From www.trav4.net
Toyota RAV4 (XA40) 20132018 Service Manual Fuel pump control circuit Fuel Pump Ecu Rav4 A bad fuel pump can cause a myriad of problems for your toyota rav4, making it essential to be aware of the warning signs that. Do you need to replace the fuel pump on the toyota rav4 2013 to 2018 but don't know where to start?. The pump not getting power will be an issue with fuel delivery but the. Fuel Pump Ecu Rav4.
From www.trav4.net
Toyota RAV4 (XA40) 20132018 Service Manual Fuel pump control circuit Fuel Pump Ecu Rav4 The pump not getting power will be an issue with fuel delivery but the vacuum pressure is pulling fuel though happily without the pump. 10 *3 fuel injection system, fuel pump module: 71 rows here you will find fuse box diagrams of toyota rav4 2013, 2014, 2015, 2016, 2017 and 2018, get information about the location of the fuse. A. Fuel Pump Ecu Rav4.
From wiringdiagram.2bitboer.com
1999 Rav4 Fuel Pump Wiring Diagram Wiring Diagram Fuel Pump Ecu Rav4 B+ for the fuel pump control. 10 *3 fuel injection system, fuel pump module: A bad fuel pump can cause a myriad of problems for your toyota rav4, making it essential to be aware of the warning signs that. Do you need to replace the fuel pump on the toyota rav4 2013 to 2018 but don't know where to start?.. Fuel Pump Ecu Rav4.
From ecuconnection.co.uk
Toyota RAV4 ECU Denso 8966142730 1752005943 *Plug & Play* (Exchange Fuel Pump Ecu Rav4 Page 3 of the pdf shows the fuel pump control ecu, the fuel pump assembly and what controls them. B+ for the fuel pump control. When you step on the gas, the ecu uses the throttle position sensor, and maybe the map sensor to adjust the mixture quickly, without. 71 rows here you will find fuse box diagrams of toyota. Fuel Pump Ecu Rav4.
From masterpump.en.made-in-china.com
Toyota RAV4 20092012 770240r020 Fuel Pump Electric Fuel Pump China Fuel Pump Ecu Rav4 A bad fuel pump can cause a myriad of problems for your toyota rav4, making it essential to be aware of the warning signs that. When you step on the gas, the ecu uses the throttle position sensor, and maybe the map sensor to adjust the mixture quickly, without. The pump not getting power will be an issue with fuel. Fuel Pump Ecu Rav4.
From www.yotatech.com
Toyota Tundra How to Replace Fuel Pump Yotatech Fuel Pump Ecu Rav4 When you step on the gas, the ecu uses the throttle position sensor, and maybe the map sensor to adjust the mixture quickly, without. 10 *3 fuel injection system, fuel pump module: 71 rows here you will find fuse box diagrams of toyota rav4 2013, 2014, 2015, 2016, 2017 and 2018, get information about the location of the fuse. Do. Fuel Pump Ecu Rav4.
From hollanderparts.com.au
Ecu Rav4 Toyota 2021 Fuel Pump Ecu Rav4 When you step on the gas, the ecu uses the throttle position sensor, and maybe the map sensor to adjust the mixture quickly, without. Page 3 of the pdf shows the fuel pump control ecu, the fuel pump assembly and what controls them. B+ for the fuel pump control. 71 rows here you will find fuse box diagrams of toyota. Fuel Pump Ecu Rav4.
From www.rav4world.com
CrankNoStart when Engine is Warm Bad Fuel PUMP? Toyota RAV4 Forums Fuel Pump Ecu Rav4 When you step on the gas, the ecu uses the throttle position sensor, and maybe the map sensor to adjust the mixture quickly, without. 10 *3 fuel injection system, fuel pump module: B+ for the fuel pump control. Do you need to replace the fuel pump on the toyota rav4 2013 to 2018 but don't know where to start?. 71. Fuel Pump Ecu Rav4.
From www.rav4world.com
Does 2007 RAV4 have EFI relay, Fuel Pump Relay or Both? Toyota RAV4 Fuel Pump Ecu Rav4 10 *3 fuel injection system, fuel pump module: B+ for the fuel pump control. When you step on the gas, the ecu uses the throttle position sensor, and maybe the map sensor to adjust the mixture quickly, without. Page 3 of the pdf shows the fuel pump control ecu, the fuel pump assembly and what controls them. 71 rows here. Fuel Pump Ecu Rav4.
From fixrepairhardy55.z19.web.core.windows.net
1997 Toyota Rav4 Fuel Pump Fuel Pump Ecu Rav4 B+ for the fuel pump control. A bad fuel pump can cause a myriad of problems for your toyota rav4, making it essential to be aware of the warning signs that. When you step on the gas, the ecu uses the throttle position sensor, and maybe the map sensor to adjust the mixture quickly, without. Page 3 of the pdf. Fuel Pump Ecu Rav4.
From pelicandiagnostics.uk
Toyota Rav4 ECU Repair Quick Service Gearbox Faults Fixed Fuel Pump Ecu Rav4 Do you need to replace the fuel pump on the toyota rav4 2013 to 2018 but don't know where to start?. 71 rows here you will find fuse box diagrams of toyota rav4 2013, 2014, 2015, 2016, 2017 and 2018, get information about the location of the fuse. A bad fuel pump can cause a myriad of problems for your. Fuel Pump Ecu Rav4.
From www.ebay.com
Toyota Rav4 XA10 Fuel Level Tank Sender Unit Gauge Float 1996 1997 1998 Fuel Pump Ecu Rav4 The pump not getting power will be an issue with fuel delivery but the vacuum pressure is pulling fuel though happily without the pump. When you step on the gas, the ecu uses the throttle position sensor, and maybe the map sensor to adjust the mixture quickly, without. 10 *3 fuel injection system, fuel pump module: 71 rows here you. Fuel Pump Ecu Rav4.
From www.ebay.com
B04 19922000 Lexus SC SC300 SC400 OEM FUEL PUMP ECU CONTROL 89570 Fuel Pump Ecu Rav4 When you step on the gas, the ecu uses the throttle position sensor, and maybe the map sensor to adjust the mixture quickly, without. 10 *3 fuel injection system, fuel pump module: 71 rows here you will find fuse box diagrams of toyota rav4 2013, 2014, 2015, 2016, 2017 and 2018, get information about the location of the fuse. The. Fuel Pump Ecu Rav4.
From www.ebay.com
8957034010 Fuel Gas Pump Control Module Fits 0710 TUNDRA eBay Fuel Pump Ecu Rav4 10 *3 fuel injection system, fuel pump module: When you step on the gas, the ecu uses the throttle position sensor, and maybe the map sensor to adjust the mixture quickly, without. 71 rows here you will find fuse box diagrams of toyota rav4 2013, 2014, 2015, 2016, 2017 and 2018, get information about the location of the fuse. Page. Fuel Pump Ecu Rav4.
From jiji.ng
Toyota RAV4 Fuel Pump Kit in Lagos Island (Eko) Vehicle Parts Fuel Pump Ecu Rav4 A bad fuel pump can cause a myriad of problems for your toyota rav4, making it essential to be aware of the warning signs that. 71 rows here you will find fuse box diagrams of toyota rav4 2013, 2014, 2015, 2016, 2017 and 2018, get information about the location of the fuse. B+ for the fuel pump control. Do you. Fuel Pump Ecu Rav4.
From aleto.ua
FUEL PUMP CONTROL Toyota Rav4 1318 8957042030 купить в Киеве и Fuel Pump Ecu Rav4 The pump not getting power will be an issue with fuel delivery but the vacuum pressure is pulling fuel though happily without the pump. 71 rows here you will find fuse box diagrams of toyota rav4 2013, 2014, 2015, 2016, 2017 and 2018, get information about the location of the fuse. A bad fuel pump can cause a myriad of. Fuel Pump Ecu Rav4.
From www.rav4world.com
Toyota RAV4 Forums Fuel Pump relay not getting ground signal from ECM Fuel Pump Ecu Rav4 A bad fuel pump can cause a myriad of problems for your toyota rav4, making it essential to be aware of the warning signs that. 71 rows here you will find fuse box diagrams of toyota rav4 2013, 2014, 2015, 2016, 2017 and 2018, get information about the location of the fuse. 10 *3 fuel injection system, fuel pump module:. Fuel Pump Ecu Rav4.
From www.godpt.com
20092016 Toyota RAV4 Electric Fuel Pump E9004M Dynamic Performance Fuel Pump Ecu Rav4 The pump not getting power will be an issue with fuel delivery but the vacuum pressure is pulling fuel though happily without the pump. 10 *3 fuel injection system, fuel pump module: 71 rows here you will find fuse box diagrams of toyota rav4 2013, 2014, 2015, 2016, 2017 and 2018, get information about the location of the fuse. B+. Fuel Pump Ecu Rav4.
From fusesdiagram.com
Fuse box Toyota Rav4 20052012 Fuel Pump Ecu Rav4 10 *3 fuel injection system, fuel pump module: B+ for the fuel pump control. The pump not getting power will be an issue with fuel delivery but the vacuum pressure is pulling fuel though happily without the pump. 71 rows here you will find fuse box diagrams of toyota rav4 2013, 2014, 2015, 2016, 2017 and 2018, get information about. Fuel Pump Ecu Rav4.
From www.ebay.com
For Toyota RAV4 20062008 Spectra Premium Fuel Pump Module Assembly eBay Fuel Pump Ecu Rav4 When you step on the gas, the ecu uses the throttle position sensor, and maybe the map sensor to adjust the mixture quickly, without. Page 3 of the pdf shows the fuel pump control ecu, the fuel pump assembly and what controls them. Do you need to replace the fuel pump on the toyota rav4 2013 to 2018 but don't. Fuel Pump Ecu Rav4.
From www.aliexpress.com
Fuel Pump Module Assembly for Toyota RAV4 77020 0R010 DSF FT012A Fuel Pump Ecu Rav4 Page 3 of the pdf shows the fuel pump control ecu, the fuel pump assembly and what controls them. 71 rows here you will find fuse box diagrams of toyota rav4 2013, 2014, 2015, 2016, 2017 and 2018, get information about the location of the fuse. B+ for the fuel pump control. The pump not getting power will be an. Fuel Pump Ecu Rav4.
From shop.alfissimo.com
Fuel Pump ECU Alfa Romeo Giulia/Stelvio 2.0L/2.9L Fuel Pump Ecu Rav4 B+ for the fuel pump control. Page 3 of the pdf shows the fuel pump control ecu, the fuel pump assembly and what controls them. A bad fuel pump can cause a myriad of problems for your toyota rav4, making it essential to be aware of the warning signs that. 10 *3 fuel injection system, fuel pump module: The pump. Fuel Pump Ecu Rav4.
From www.tundras.com
Fuel Pump Control Module? Ground side circuit voltage drop Toyota Fuel Pump Ecu Rav4 10 *3 fuel injection system, fuel pump module: B+ for the fuel pump control. Do you need to replace the fuel pump on the toyota rav4 2013 to 2018 but don't know where to start?. 71 rows here you will find fuse box diagrams of toyota rav4 2013, 2014, 2015, 2016, 2017 and 2018, get information about the location of. Fuel Pump Ecu Rav4.
From www.ebay.com
770200R010; OEM TOYOTA RAV4 Fuel Pump Assembly; (2.5L, 4 cylinder), AWD Fuel Pump Ecu Rav4 Do you need to replace the fuel pump on the toyota rav4 2013 to 2018 but don't know where to start?. 10 *3 fuel injection system, fuel pump module: Page 3 of the pdf shows the fuel pump control ecu, the fuel pump assembly and what controls them. When you step on the gas, the ecu uses the throttle position. Fuel Pump Ecu Rav4.
From www.youcanic.com
Everything You Need to Know about Toyota ECU YOUCANIC Fuel Pump Ecu Rav4 When you step on the gas, the ecu uses the throttle position sensor, and maybe the map sensor to adjust the mixture quickly, without. 10 *3 fuel injection system, fuel pump module: A bad fuel pump can cause a myriad of problems for your toyota rav4, making it essential to be aware of the warning signs that. B+ for the. Fuel Pump Ecu Rav4.
From www.youtube.com
RAV4 Fuel Pump Replacement YouTube Fuel Pump Ecu Rav4 B+ for the fuel pump control. The pump not getting power will be an issue with fuel delivery but the vacuum pressure is pulling fuel though happily without the pump. 10 *3 fuel injection system, fuel pump module: A bad fuel pump can cause a myriad of problems for your toyota rav4, making it essential to be aware of the. Fuel Pump Ecu Rav4.