Determine Z Parameters Of The Network . Z parameters of two port network are also called impedance parameters. Z parameters analyze the relationship between voltages and currents in two port networks, helping to understand how input currents affect output voltages. Z parameter is a factor by which input voltage and current & output voltage and current of two port network is related with. These are obtained by expressing voltages at two ports in terms of. For any two port network, input voltage v 1 and output voltage v. Units of z parameters are ohm (Ω). Y parameters provide insights into how voltages affect currents, crucial for analyzing two port network parameters. V 2 = z3i2 + z2 (i1 + i2) + (z21 z12)i1 = z12i1 + (z3 + z12)i2 + (z21 z12)i1 so z3 = z22 z12 z11 z12 z22 z12 (z21. Z parameters are called as impedance parameters because these are simply the ratios of voltages and currents. V2 = z21i1 + z22i2 n2 0 : By making i 1 = 0.
from www.youtube.com
By making i 1 = 0. V2 = z21i1 + z22i2 n2 0 : Y parameters provide insights into how voltages affect currents, crucial for analyzing two port network parameters. Z parameters analyze the relationship between voltages and currents in two port networks, helping to understand how input currents affect output voltages. For any two port network, input voltage v 1 and output voltage v. V 2 = z3i2 + z2 (i1 + i2) + (z21 z12)i1 = z12i1 + (z3 + z12)i2 + (z21 z12)i1 so z3 = z22 z12 z11 z12 z22 z12 (z21. These are obtained by expressing voltages at two ports in terms of. Z parameters of two port network are also called impedance parameters. Units of z parameters are ohm (Ω). Z parameter is a factor by which input voltage and current & output voltage and current of two port network is related with.
Trick to solve Z parameters of Lattice Network Two port Networks
Determine Z Parameters Of The Network Z parameters are called as impedance parameters because these are simply the ratios of voltages and currents. Z parameters of two port network are also called impedance parameters. For any two port network, input voltage v 1 and output voltage v. V 2 = z3i2 + z2 (i1 + i2) + (z21 z12)i1 = z12i1 + (z3 + z12)i2 + (z21 z12)i1 so z3 = z22 z12 z11 z12 z22 z12 (z21. Z parameter is a factor by which input voltage and current & output voltage and current of two port network is related with. Y parameters provide insights into how voltages affect currents, crucial for analyzing two port network parameters. Z parameters analyze the relationship between voltages and currents in two port networks, helping to understand how input currents affect output voltages. By making i 1 = 0. Z parameters are called as impedance parameters because these are simply the ratios of voltages and currents. These are obtained by expressing voltages at two ports in terms of. Units of z parameters are ohm (Ω). V2 = z21i1 + z22i2 n2 0 :
From www.numerade.com
Find the Z parameters of the network shown by considering the circuit Determine Z Parameters Of The Network Z parameters are called as impedance parameters because these are simply the ratios of voltages and currents. V 2 = z3i2 + z2 (i1 + i2) + (z21 z12)i1 = z12i1 + (z3 + z12)i2 + (z21 z12)i1 so z3 = z22 z12 z11 z12 z22 z12 (z21. Z parameters of two port network are also called impedance parameters. Y. Determine Z Parameters Of The Network.
From www.youtube.com
Impedance Parameters of Two Port Network Solved Example Z Parameter Determine Z Parameters Of The Network Z parameter is a factor by which input voltage and current & output voltage and current of two port network is related with. V 2 = z3i2 + z2 (i1 + i2) + (z21 z12)i1 = z12i1 + (z3 + z12)i2 + (z21 z12)i1 so z3 = z22 z12 z11 z12 z22 z12 (z21. For any two port network, input. Determine Z Parameters Of The Network.
From www.chegg.com
Solved Determine the z parameters of the network below. Determine Z Parameters Of The Network Z parameter is a factor by which input voltage and current & output voltage and current of two port network is related with. Units of z parameters are ohm (Ω). Z parameters analyze the relationship between voltages and currents in two port networks, helping to understand how input currents affect output voltages. V 2 = z3i2 + z2 (i1 +. Determine Z Parameters Of The Network.
From www.chegg.com
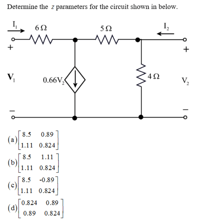
Solved Determine the z parameters for the circuit shown in Determine Z Parameters Of The Network For any two port network, input voltage v 1 and output voltage v. Z parameter is a factor by which input voltage and current & output voltage and current of two port network is related with. Z parameters are called as impedance parameters because these are simply the ratios of voltages and currents. Z parameters of two port network are. Determine Z Parameters Of The Network.
From www.anyanswer.org
What is Z parameter in two port network? Any Answer Determine Z Parameters Of The Network Z parameters analyze the relationship between voltages and currents in two port networks, helping to understand how input currents affect output voltages. Y parameters provide insights into how voltages affect currents, crucial for analyzing two port network parameters. Z parameter is a factor by which input voltage and current & output voltage and current of two port network is related. Determine Z Parameters Of The Network.
From www.youtube.com
3 Example of Z Parameters Input & Output Impedance, Forward Determine Z Parameters Of The Network By making i 1 = 0. V 2 = z3i2 + z2 (i1 + i2) + (z21 z12)i1 = z12i1 + (z3 + z12)i2 + (z21 z12)i1 so z3 = z22 z12 z11 z12 z22 z12 (z21. V2 = z21i1 + z22i2 n2 0 : For any two port network, input voltage v 1 and output voltage v. Z parameters. Determine Z Parameters Of The Network.
From www.youtube.com
Z parameter interms of other parameter numerical finding ABCD by Z Determine Z Parameters Of The Network These are obtained by expressing voltages at two ports in terms of. Z parameters of two port network are also called impedance parameters. By making i 1 = 0. Z parameters analyze the relationship between voltages and currents in two port networks, helping to understand how input currents affect output voltages. Y parameters provide insights into how voltages affect currents,. Determine Z Parameters Of The Network.
From studylib.net
Chapter 19, Problem 1. Obtain the z parameters for the network in Determine Z Parameters Of The Network Y parameters provide insights into how voltages affect currents, crucial for analyzing two port network parameters. For any two port network, input voltage v 1 and output voltage v. Z parameter is a factor by which input voltage and current & output voltage and current of two port network is related with. Z parameters of two port network are also. Determine Z Parameters Of The Network.
From www.chegg.com
Solved Obtain the z parameters for the network shown. Take Determine Z Parameters Of The Network Y parameters provide insights into how voltages affect currents, crucial for analyzing two port network parameters. Z parameters analyze the relationship between voltages and currents in two port networks, helping to understand how input currents affect output voltages. Z parameters of two port network are also called impedance parameters. These are obtained by expressing voltages at two ports in terms. Determine Z Parameters Of The Network.
From www.chegg.com
Solved 11 Z12 I. For the circuit in Fig. P1, find the Determine Z Parameters Of The Network Z parameters are called as impedance parameters because these are simply the ratios of voltages and currents. These are obtained by expressing voltages at two ports in terms of. Y parameters provide insights into how voltages affect currents, crucial for analyzing two port network parameters. Z parameters analyze the relationship between voltages and currents in two port networks, helping to. Determine Z Parameters Of The Network.
From www.youtube.com
Solved Problems on Z Parameters YouTube Determine Z Parameters Of The Network By making i 1 = 0. These are obtained by expressing voltages at two ports in terms of. For any two port network, input voltage v 1 and output voltage v. Y parameters provide insights into how voltages affect currents, crucial for analyzing two port network parameters. Units of z parameters are ohm (Ω). Z parameter is a factor by. Determine Z Parameters Of The Network.
From www.youtube.com
Y Parameters to Z Parameters Conversion YouTube Determine Z Parameters Of The Network Z parameters analyze the relationship between voltages and currents in two port networks, helping to understand how input currents affect output voltages. Z parameters of two port network are also called impedance parameters. V 2 = z3i2 + z2 (i1 + i2) + (z21 z12)i1 = z12i1 + (z3 + z12)i2 + (z21 z12)i1 so z3 = z22 z12 z11. Determine Z Parameters Of The Network.
From www.youtube.com
Z Parameters Explained Condition for Reciprocity and Symmetry for Z Determine Z Parameters Of The Network By making i 1 = 0. Z parameters analyze the relationship between voltages and currents in two port networks, helping to understand how input currents affect output voltages. Z parameters are called as impedance parameters because these are simply the ratios of voltages and currents. V2 = z21i1 + z22i2 n2 0 : Units of z parameters are ohm (Ω).. Determine Z Parameters Of The Network.
From www.youtube.com
H Parameters to Z Parameters Conversion & Z Parameters to H Parameters Determine Z Parameters Of The Network These are obtained by expressing voltages at two ports in terms of. Units of z parameters are ohm (Ω). Y parameters provide insights into how voltages affect currents, crucial for analyzing two port network parameters. For any two port network, input voltage v 1 and output voltage v. V 2 = z3i2 + z2 (i1 + i2) + (z21 z12)i1. Determine Z Parameters Of The Network.
From www.youtube.com
Impedance Parameters of Two Port Network Solved Example Z Parameter Determine Z Parameters Of The Network Z parameter is a factor by which input voltage and current & output voltage and current of two port network is related with. Units of z parameters are ohm (Ω). V 2 = z3i2 + z2 (i1 + i2) + (z21 z12)i1 = z12i1 + (z3 + z12)i2 + (z21 z12)i1 so z3 = z22 z12 z11 z12 z22 z12. Determine Z Parameters Of The Network.
From www.youtube.com
Hindi Z parameter example The zparameters of the shown Determine Z Parameters Of The Network Z parameters of two port network are also called impedance parameters. Y parameters provide insights into how voltages affect currents, crucial for analyzing two port network parameters. For any two port network, input voltage v 1 and output voltage v. Units of z parameters are ohm (Ω). Z parameter is a factor by which input voltage and current & output. Determine Z Parameters Of The Network.
From www.youtube.com
network parameters z parameters and y parameters YouTube Determine Z Parameters Of The Network Y parameters provide insights into how voltages affect currents, crucial for analyzing two port network parameters. For any two port network, input voltage v 1 and output voltage v. Units of z parameters are ohm (Ω). These are obtained by expressing voltages at two ports in terms of. Z parameters of two port network are also called impedance parameters. Z. Determine Z Parameters Of The Network.
From www.youtube.com
Z−Parameters (Solved Problem 1) YouTube Determine Z Parameters Of The Network For any two port network, input voltage v 1 and output voltage v. Z parameters are called as impedance parameters because these are simply the ratios of voltages and currents. These are obtained by expressing voltages at two ports in terms of. V 2 = z3i2 + z2 (i1 + i2) + (z21 z12)i1 = z12i1 + (z3 + z12)i2. Determine Z Parameters Of The Network.
From www.youtube.com
Determine Z parameters for the given T type network. YouTube Determine Z Parameters Of The Network These are obtained by expressing voltages at two ports in terms of. For any two port network, input voltage v 1 and output voltage v. Z parameters analyze the relationship between voltages and currents in two port networks, helping to understand how input currents affect output voltages. Y parameters provide insights into how voltages affect currents, crucial for analyzing two. Determine Z Parameters Of The Network.
From electronics.stackexchange.com
Determine the z parameters of two port network Electrical Engineering Determine Z Parameters Of The Network Z parameters of two port network are also called impedance parameters. For any two port network, input voltage v 1 and output voltage v. Y parameters provide insights into how voltages affect currents, crucial for analyzing two port network parameters. Z parameters are called as impedance parameters because these are simply the ratios of voltages and currents. These are obtained. Determine Z Parameters Of The Network.
From www.youtube.com
Z Parameters. How to use Z Impedance or Open Circuit Parameters to Determine Z Parameters Of The Network Y parameters provide insights into how voltages affect currents, crucial for analyzing two port network parameters. Units of z parameters are ohm (Ω). For any two port network, input voltage v 1 and output voltage v. By making i 1 = 0. These are obtained by expressing voltages at two ports in terms of. Z parameters analyze the relationship between. Determine Z Parameters Of The Network.
From www.youtube.com
Z parameters solved problem YouTube Determine Z Parameters Of The Network For any two port network, input voltage v 1 and output voltage v. By making i 1 = 0. Units of z parameters are ohm (Ω). Y parameters provide insights into how voltages affect currents, crucial for analyzing two port network parameters. Z parameters of two port network are also called impedance parameters. Z parameters are called as impedance parameters. Determine Z Parameters Of The Network.
From slidetodoc.com
Network Parameters Impedance and Admittance matrices For n Determine Z Parameters Of The Network These are obtained by expressing voltages at two ports in terms of. V2 = z21i1 + z22i2 n2 0 : By making i 1 = 0. Units of z parameters are ohm (Ω). Y parameters provide insights into how voltages affect currents, crucial for analyzing two port network parameters. Z parameters are called as impedance parameters because these are simply. Determine Z Parameters Of The Network.
From electronics.stackexchange.com
electrical Two port network z parameter determination Electrical Determine Z Parameters Of The Network Z parameters are called as impedance parameters because these are simply the ratios of voltages and currents. By making i 1 = 0. Z parameters analyze the relationship between voltages and currents in two port networks, helping to understand how input currents affect output voltages. These are obtained by expressing voltages at two ports in terms of. Z parameters of. Determine Z Parameters Of The Network.
From www.youtube.com
Z parameters in terms of Y parameters YouTube Determine Z Parameters Of The Network Z parameters of two port network are also called impedance parameters. Z parameters analyze the relationship between voltages and currents in two port networks, helping to understand how input currents affect output voltages. Z parameters are called as impedance parameters because these are simply the ratios of voltages and currents. For any two port network, input voltage v 1 and. Determine Z Parameters Of The Network.
From www.youtube.com
Trick to solve Z parameters of Lattice Network Two port Networks Determine Z Parameters Of The Network V 2 = z3i2 + z2 (i1 + i2) + (z21 z12)i1 = z12i1 + (z3 + z12)i2 + (z21 z12)i1 so z3 = z22 z12 z11 z12 z22 z12 (z21. By making i 1 = 0. Z parameters of two port network are also called impedance parameters. These are obtained by expressing voltages at two ports in terms of.. Determine Z Parameters Of The Network.
From www.youtube.com
Numerical on Z parameters. Determine Z parameters for the give circuit Determine Z Parameters Of The Network By making i 1 = 0. Z parameters of two port network are also called impedance parameters. Z parameters analyze the relationship between voltages and currents in two port networks, helping to understand how input currents affect output voltages. Z parameter is a factor by which input voltage and current & output voltage and current of two port network is. Determine Z Parameters Of The Network.
From www.youtube.com
Two Port Network Parameters (Y, Z, H, g & ABCD) YouTube Determine Z Parameters Of The Network Units of z parameters are ohm (Ω). Z parameters analyze the relationship between voltages and currents in two port networks, helping to understand how input currents affect output voltages. For any two port network, input voltage v 1 and output voltage v. Y parameters provide insights into how voltages affect currents, crucial for analyzing two port network parameters. By making. Determine Z Parameters Of The Network.
From www.chegg.com
Solved Find the Z parameters for the twoport network shown Determine Z Parameters Of The Network By making i 1 = 0. Units of z parameters are ohm (Ω). For any two port network, input voltage v 1 and output voltage v. V2 = z21i1 + z22i2 n2 0 : Y parameters provide insights into how voltages affect currents, crucial for analyzing two port network parameters. V 2 = z3i2 + z2 (i1 + i2) +. Determine Z Parameters Of The Network.
From www.chegg.com
Solved OBJECTIVE To determine the Z, and Y parameters of a Determine Z Parameters Of The Network Z parameters of two port network are also called impedance parameters. Units of z parameters are ohm (Ω). Z parameters are called as impedance parameters because these are simply the ratios of voltages and currents. By making i 1 = 0. V2 = z21i1 + z22i2 n2 0 : These are obtained by expressing voltages at two ports in terms. Determine Z Parameters Of The Network.
From www.youtube.com
Z parameters of two port network YouTube Determine Z Parameters Of The Network Z parameters analyze the relationship between voltages and currents in two port networks, helping to understand how input currents affect output voltages. Y parameters provide insights into how voltages affect currents, crucial for analyzing two port network parameters. Z parameter is a factor by which input voltage and current & output voltage and current of two port network is related. Determine Z Parameters Of The Network.
From www.chegg.com
Solved 4. Find the z parameters for the circuit shown below. Determine Z Parameters Of The Network Z parameters analyze the relationship between voltages and currents in two port networks, helping to understand how input currents affect output voltages. V2 = z21i1 + z22i2 n2 0 : Y parameters provide insights into how voltages affect currents, crucial for analyzing two port network parameters. Z parameter is a factor by which input voltage and current & output voltage. Determine Z Parameters Of The Network.
From www.youtube.com
Trick to Solve Z Parameter Sums Z parameter Tricks Short circuit Determine Z Parameters Of The Network Units of z parameters are ohm (Ω). These are obtained by expressing voltages at two ports in terms of. V 2 = z3i2 + z2 (i1 + i2) + (z21 z12)i1 = z12i1 + (z3 + z12)i2 + (z21 z12)i1 so z3 = z22 z12 z11 z12 z22 z12 (z21. For any two port network, input voltage v 1 and. Determine Z Parameters Of The Network.
From wireless-square.com
Z parameters of the coupled inductors network Wireless Square Determine Z Parameters Of The Network Z parameters analyze the relationship between voltages and currents in two port networks, helping to understand how input currents affect output voltages. Y parameters provide insights into how voltages affect currents, crucial for analyzing two port network parameters. By making i 1 = 0. Z parameters are called as impedance parameters because these are simply the ratios of voltages and. Determine Z Parameters Of The Network.
From www.youtube.com
hparameters to Zparameters conversion Two port network YouTube Determine Z Parameters Of The Network Units of z parameters are ohm (Ω). Z parameter is a factor by which input voltage and current & output voltage and current of two port network is related with. These are obtained by expressing voltages at two ports in terms of. V2 = z21i1 + z22i2 n2 0 : Z parameters analyze the relationship between voltages and currents in. Determine Z Parameters Of The Network.