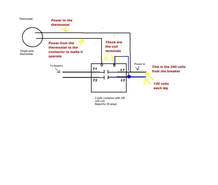
Wiring A Double Pole Thermostat . I am attempting to wire a new double pole four wire 240 volt thermostat to replace the single pole thermostat that is pictured. Ensure proper installation and functionality. How to wire a double pole thermostat you might wonder what exactly a double pole thermostat is and how it differs from single pole varieties. Coming into the junction box on the right are two komax. Learn how to wire a dimplex double pole thermostat with our detailed wiring diagram. A double pole thermostat has an “off” setting and a double pole model can be turned “off” completely by isolating the electric heater from the power supply line. If you are looking to install or repair a double pole thermostat, it's important to understand the wiring behind the device before you begin. Learn how to properly wire a honeywell double pole thermostat with a detailed wiring diagram. Line voltage refers to the voltage that is. One key component of a 240v thermostat wiring is the line voltage.
from guidepartheike.z19.web.core.windows.net
Learn how to wire a dimplex double pole thermostat with our detailed wiring diagram. How to wire a double pole thermostat you might wonder what exactly a double pole thermostat is and how it differs from single pole varieties. Learn how to properly wire a honeywell double pole thermostat with a detailed wiring diagram. A double pole thermostat has an “off” setting and a double pole model can be turned “off” completely by isolating the electric heater from the power supply line. Ensure proper installation and functionality. Line voltage refers to the voltage that is. Coming into the junction box on the right are two komax. I am attempting to wire a new double pole four wire 240 volt thermostat to replace the single pole thermostat that is pictured. One key component of a 240v thermostat wiring is the line voltage. If you are looking to install or repair a double pole thermostat, it's important to understand the wiring behind the device before you begin.
Double Pole Thermostat Wiring
Wiring A Double Pole Thermostat Learn how to properly wire a honeywell double pole thermostat with a detailed wiring diagram. How to wire a double pole thermostat you might wonder what exactly a double pole thermostat is and how it differs from single pole varieties. If you are looking to install or repair a double pole thermostat, it's important to understand the wiring behind the device before you begin. One key component of a 240v thermostat wiring is the line voltage. I am attempting to wire a new double pole four wire 240 volt thermostat to replace the single pole thermostat that is pictured. Learn how to wire a dimplex double pole thermostat with our detailed wiring diagram. Coming into the junction box on the right are two komax. Line voltage refers to the voltage that is. Learn how to properly wire a honeywell double pole thermostat with a detailed wiring diagram. Ensure proper installation and functionality. A double pole thermostat has an “off” setting and a double pole model can be turned “off” completely by isolating the electric heater from the power supply line.
From kdi-ppi.com
Detailed Guide Wiring Diagram for Dimplex Double Pole Thermostat Wiring A Double Pole Thermostat Learn how to wire a dimplex double pole thermostat with our detailed wiring diagram. Learn how to properly wire a honeywell double pole thermostat with a detailed wiring diagram. If you are looking to install or repair a double pole thermostat, it's important to understand the wiring behind the device before you begin. I am attempting to wire a new. Wiring A Double Pole Thermostat.
From wiring.hpricorpcom.com
Dimplex Double Pole Thermostat Wiring Diagram Wiring Diagram and Wiring A Double Pole Thermostat How to wire a double pole thermostat you might wonder what exactly a double pole thermostat is and how it differs from single pole varieties. A double pole thermostat has an “off” setting and a double pole model can be turned “off” completely by isolating the electric heater from the power supply line. Learn how to properly wire a honeywell. Wiring A Double Pole Thermostat.
From fixwiringscott.z19.web.core.windows.net
Cadet Double Pole Thermostat Wiring Diagram Wiring A Double Pole Thermostat One key component of a 240v thermostat wiring is the line voltage. Learn how to wire a dimplex double pole thermostat with our detailed wiring diagram. Ensure proper installation and functionality. If you are looking to install or repair a double pole thermostat, it's important to understand the wiring behind the device before you begin. I am attempting to wire. Wiring A Double Pole Thermostat.
From wiring.hpricorpcom.com
Dimplex Double Pole Thermostat Wiring Diagram Wiring Diagram and Wiring A Double Pole Thermostat A double pole thermostat has an “off” setting and a double pole model can be turned “off” completely by isolating the electric heater from the power supply line. Ensure proper installation and functionality. One key component of a 240v thermostat wiring is the line voltage. Learn how to properly wire a honeywell double pole thermostat with a detailed wiring diagram.. Wiring A Double Pole Thermostat.
From kdi-ppi.com
Detailed Guide Wiring Diagram for Dimplex Double Pole Thermostat Wiring A Double Pole Thermostat If you are looking to install or repair a double pole thermostat, it's important to understand the wiring behind the device before you begin. Learn how to properly wire a honeywell double pole thermostat with a detailed wiring diagram. One key component of a 240v thermostat wiring is the line voltage. Line voltage refers to the voltage that is. How. Wiring A Double Pole Thermostat.
From manuals.plus
DynaGlo DGT240 28 Amp 240 Volt Double Pole Wall Thermostat Wiring A Double Pole Thermostat I am attempting to wire a new double pole four wire 240 volt thermostat to replace the single pole thermostat that is pictured. Learn how to properly wire a honeywell double pole thermostat with a detailed wiring diagram. If you are looking to install or repair a double pole thermostat, it's important to understand the wiring behind the device before. Wiring A Double Pole Thermostat.
From diy.stackexchange.com
electrical Need wiring instructions for 2 pole thermostat, 2 heaters Wiring A Double Pole Thermostat I am attempting to wire a new double pole four wire 240 volt thermostat to replace the single pole thermostat that is pictured. Learn how to wire a dimplex double pole thermostat with our detailed wiring diagram. If you are looking to install or repair a double pole thermostat, it's important to understand the wiring behind the device before you. Wiring A Double Pole Thermostat.
From wiring.hpricorpcom.com
Dimplex Double Pole Thermostat Wiring Diagram Wiring Diagram and Wiring A Double Pole Thermostat How to wire a double pole thermostat you might wonder what exactly a double pole thermostat is and how it differs from single pole varieties. Ensure proper installation and functionality. Learn how to properly wire a honeywell double pole thermostat with a detailed wiring diagram. One key component of a 240v thermostat wiring is the line voltage. A double pole. Wiring A Double Pole Thermostat.
From 2020cadillac.com
Double Pole Thermostat Wiring Diagram Cadician's Blog Wiring A Double Pole Thermostat A double pole thermostat has an “off” setting and a double pole model can be turned “off” completely by isolating the electric heater from the power supply line. Learn how to wire a dimplex double pole thermostat with our detailed wiring diagram. Coming into the junction box on the right are two komax. I am attempting to wire a new. Wiring A Double Pole Thermostat.
From fixenginedragonish.z19.web.core.windows.net
Connect Double Pole Thermostat To Two Wires Wiring A Double Pole Thermostat Learn how to properly wire a honeywell double pole thermostat with a detailed wiring diagram. Coming into the junction box on the right are two komax. If you are looking to install or repair a double pole thermostat, it's important to understand the wiring behind the device before you begin. How to wire a double pole thermostat you might wonder. Wiring A Double Pole Thermostat.
From enginedatapisceans.z13.web.core.windows.net
How To Wire A 2 Pole Thermostat Wiring A Double Pole Thermostat Learn how to wire a dimplex double pole thermostat with our detailed wiring diagram. A double pole thermostat has an “off” setting and a double pole model can be turned “off” completely by isolating the electric heater from the power supply line. Coming into the junction box on the right are two komax. If you are looking to install or. Wiring A Double Pole Thermostat.
From circuitdataheritrixes.z14.web.core.windows.net
How To Wire A Two Pole Thermostat Wiring A Double Pole Thermostat Learn how to properly wire a honeywell double pole thermostat with a detailed wiring diagram. Learn how to wire a dimplex double pole thermostat with our detailed wiring diagram. One key component of a 240v thermostat wiring is the line voltage. I am attempting to wire a new double pole four wire 240 volt thermostat to replace the single pole. Wiring A Double Pole Thermostat.
From www.flowschema.com
Dimplex Double Pole Thermostat Wiring Diagram Wiring Flow Schema Wiring A Double Pole Thermostat A double pole thermostat has an “off” setting and a double pole model can be turned “off” completely by isolating the electric heater from the power supply line. How to wire a double pole thermostat you might wonder what exactly a double pole thermostat is and how it differs from single pole varieties. Coming into the junction box on the. Wiring A Double Pole Thermostat.
From guidepartheike.z19.web.core.windows.net
Double Pole Thermostat Wiring Wiring A Double Pole Thermostat Learn how to properly wire a honeywell double pole thermostat with a detailed wiring diagram. Learn how to wire a dimplex double pole thermostat with our detailed wiring diagram. How to wire a double pole thermostat you might wonder what exactly a double pole thermostat is and how it differs from single pole varieties. Ensure proper installation and functionality. Line. Wiring A Double Pole Thermostat.
From www.tankbig.com
Double Pole Thermostat Wiring Wiring A Double Pole Thermostat I am attempting to wire a new double pole four wire 240 volt thermostat to replace the single pole thermostat that is pictured. How to wire a double pole thermostat you might wonder what exactly a double pole thermostat is and how it differs from single pole varieties. One key component of a 240v thermostat wiring is the line voltage.. Wiring A Double Pole Thermostat.
From life-improver.com
Wiring Installing doublepole linevoltage thermostat Love Wiring A Double Pole Thermostat Learn how to properly wire a honeywell double pole thermostat with a detailed wiring diagram. I am attempting to wire a new double pole four wire 240 volt thermostat to replace the single pole thermostat that is pictured. Learn how to wire a dimplex double pole thermostat with our detailed wiring diagram. Coming into the junction box on the right. Wiring A Double Pole Thermostat.
From schematickrangs.z13.web.core.windows.net
How To Wire A 2 Pole Thermostat Wiring A Double Pole Thermostat Ensure proper installation and functionality. If you are looking to install or repair a double pole thermostat, it's important to understand the wiring behind the device before you begin. Line voltage refers to the voltage that is. Learn how to wire a dimplex double pole thermostat with our detailed wiring diagram. A double pole thermostat has an “off” setting and. Wiring A Double Pole Thermostat.
From wiringdiagramimages.blogspot.com
wiring diagram 240v Double Pole Thermostat Wiring Diagram Wiring A Double Pole Thermostat Line voltage refers to the voltage that is. Learn how to wire a dimplex double pole thermostat with our detailed wiring diagram. How to wire a double pole thermostat you might wonder what exactly a double pole thermostat is and how it differs from single pole varieties. Learn how to properly wire a honeywell double pole thermostat with a detailed. Wiring A Double Pole Thermostat.
From www.heatersplus.com
Aube Technologies TH115A Series, Line Voltage Thermostat, Double Pole 240V Wiring A Double Pole Thermostat Coming into the junction box on the right are two komax. One key component of a 240v thermostat wiring is the line voltage. How to wire a double pole thermostat you might wonder what exactly a double pole thermostat is and how it differs from single pole varieties. Line voltage refers to the voltage that is. I am attempting to. Wiring A Double Pole Thermostat.
From stewart-switch.com
2 Pole Thermostat Wiring Diagram Wiring A Double Pole Thermostat Ensure proper installation and functionality. Learn how to properly wire a honeywell double pole thermostat with a detailed wiring diagram. How to wire a double pole thermostat you might wonder what exactly a double pole thermostat is and how it differs from single pole varieties. One key component of a 240v thermostat wiring is the line voltage. Learn how to. Wiring A Double Pole Thermostat.
From detoxicrecenze.com
Double Pole thermostat Wiring Diagram My Wiring DIagram Wiring A Double Pole Thermostat Coming into the junction box on the right are two komax. Learn how to properly wire a honeywell double pole thermostat with a detailed wiring diagram. How to wire a double pole thermostat you might wonder what exactly a double pole thermostat is and how it differs from single pole varieties. One key component of a 240v thermostat wiring is. Wiring A Double Pole Thermostat.
From wiringschemas.blogspot.com
Honeywell Line Voltage Thermostat Wiring Diagram Wiring Diagram Schemas Wiring A Double Pole Thermostat Learn how to wire a dimplex double pole thermostat with our detailed wiring diagram. If you are looking to install or repair a double pole thermostat, it's important to understand the wiring behind the device before you begin. Line voltage refers to the voltage that is. Learn how to properly wire a honeywell double pole thermostat with a detailed wiring. Wiring A Double Pole Thermostat.
From wiringdiagram.2bitboer.com
Cadet Double Pole Thermostat Wiring Diagram Wiring Diagram Wiring A Double Pole Thermostat Learn how to properly wire a honeywell double pole thermostat with a detailed wiring diagram. Coming into the junction box on the right are two komax. Line voltage refers to the voltage that is. I am attempting to wire a new double pole four wire 240 volt thermostat to replace the single pole thermostat that is pictured. One key component. Wiring A Double Pole Thermostat.
From annawiringdiagram.com
How To Install Wall Thermostat , DoublePole On 240V Baseboard 240 Wiring A Double Pole Thermostat Coming into the junction box on the right are two komax. A double pole thermostat has an “off” setting and a double pole model can be turned “off” completely by isolating the electric heater from the power supply line. One key component of a 240v thermostat wiring is the line voltage. Line voltage refers to the voltage that is. Learn. Wiring A Double Pole Thermostat.
From fixlibsean.z21.web.core.windows.net
Double Pole Thermostat Wiring Diagram Wiring A Double Pole Thermostat Coming into the junction box on the right are two komax. Ensure proper installation and functionality. Learn how to properly wire a honeywell double pole thermostat with a detailed wiring diagram. I am attempting to wire a new double pole four wire 240 volt thermostat to replace the single pole thermostat that is pictured. One key component of a 240v. Wiring A Double Pole Thermostat.
From guidefixbikegirlnyct1.z22.web.core.windows.net
Cadet Double Pole Thermostat Wiring Diagram Wiring A Double Pole Thermostat Line voltage refers to the voltage that is. Coming into the junction box on the right are two komax. I am attempting to wire a new double pole four wire 240 volt thermostat to replace the single pole thermostat that is pictured. A double pole thermostat has an “off” setting and a double pole model can be turned “off” completely. Wiring A Double Pole Thermostat.
From circuitwiringroman.z4.web.core.windows.net
How To Wire A Double Pole Thermostat Wiring A Double Pole Thermostat Line voltage refers to the voltage that is. Learn how to wire a dimplex double pole thermostat with our detailed wiring diagram. If you are looking to install or repair a double pole thermostat, it's important to understand the wiring behind the device before you begin. One key component of a 240v thermostat wiring is the line voltage. I am. Wiring A Double Pole Thermostat.
From wiringdiagram.2bitboer.com
Dimplex Double Pole Thermostat Wiring Diagram Wiring Diagram Wiring A Double Pole Thermostat Ensure proper installation and functionality. A double pole thermostat has an “off” setting and a double pole model can be turned “off” completely by isolating the electric heater from the power supply line. One key component of a 240v thermostat wiring is the line voltage. Coming into the junction box on the right are two komax. Line voltage refers to. Wiring A Double Pole Thermostat.
From www.got2bwireless.com
Double Pole Wall Thermostat Wiring Diagram For Your Needs Wiring A Double Pole Thermostat Coming into the junction box on the right are two komax. Line voltage refers to the voltage that is. A double pole thermostat has an “off” setting and a double pole model can be turned “off” completely by isolating the electric heater from the power supply line. How to wire a double pole thermostat you might wonder what exactly a. Wiring A Double Pole Thermostat.
From kdi-ppi.com
Detailed Guide Wiring Diagram for Dimplex Double Pole Thermostat Wiring A Double Pole Thermostat Ensure proper installation and functionality. How to wire a double pole thermostat you might wonder what exactly a double pole thermostat is and how it differs from single pole varieties. Line voltage refers to the voltage that is. A double pole thermostat has an “off” setting and a double pole model can be turned “off” completely by isolating the electric. Wiring A Double Pole Thermostat.
From www.andersgarnow.com
Double Pole Thermostat Wiring Diagram AndersGarnow Wiring A Double Pole Thermostat A double pole thermostat has an “off” setting and a double pole model can be turned “off” completely by isolating the electric heater from the power supply line. Line voltage refers to the voltage that is. Coming into the junction box on the right are two komax. Learn how to properly wire a honeywell double pole thermostat with a detailed. Wiring A Double Pole Thermostat.
From enginepartglockner.z19.web.core.windows.net
How To Wire A Double Pole Thermostat Wiring A Double Pole Thermostat Learn how to wire a dimplex double pole thermostat with our detailed wiring diagram. One key component of a 240v thermostat wiring is the line voltage. Learn how to properly wire a honeywell double pole thermostat with a detailed wiring diagram. If you are looking to install or repair a double pole thermostat, it's important to understand the wiring behind. Wiring A Double Pole Thermostat.
From www.diychatroom.com
Using 1 Thermostat For 2 Heaters On Separate Breakers.. Switching From Wiring A Double Pole Thermostat One key component of a 240v thermostat wiring is the line voltage. A double pole thermostat has an “off” setting and a double pole model can be turned “off” completely by isolating the electric heater from the power supply line. I am attempting to wire a new double pole four wire 240 volt thermostat to replace the single pole thermostat. Wiring A Double Pole Thermostat.
From manualdbgordon.z21.web.core.windows.net
How To Wire A 2 Pole Thermostat Wiring A Double Pole Thermostat Coming into the junction box on the right are two komax. If you are looking to install or repair a double pole thermostat, it's important to understand the wiring behind the device before you begin. How to wire a double pole thermostat you might wonder what exactly a double pole thermostat is and how it differs from single pole varieties.. Wiring A Double Pole Thermostat.
From 2020cadillac.com
2 Pole Thermostat Wiring Diagram Manual EBooks Double Pole Wiring A Double Pole Thermostat Line voltage refers to the voltage that is. A double pole thermostat has an “off” setting and a double pole model can be turned “off” completely by isolating the electric heater from the power supply line. I am attempting to wire a new double pole four wire 240 volt thermostat to replace the single pole thermostat that is pictured. Ensure. Wiring A Double Pole Thermostat.