How To Connect 3 Wire Rtd To Temperature Controller . learn all the wiring basics about connecting 2 wire rtd to temperature. in this tutorial you will learn how to use rtd sensors with the max31865 and arduino. Rtd sensors are highly accurate, robust temperature. learn how to measure temperature using an rtd and a temperature transmitter to convert resistance into. learn how to wire a 3 wire pt100 temperature sensor with a wiring diagram. An article describing the advantages of each type along with colour codes,. One for the positive sensing wire, one for the negative sensing.
from www.walmart.com
Rtd sensors are highly accurate, robust temperature. learn all the wiring basics about connecting 2 wire rtd to temperature. in this tutorial you will learn how to use rtd sensors with the max31865 and arduino. learn how to wire a 3 wire pt100 temperature sensor with a wiring diagram. One for the positive sensing wire, one for the negative sensing. learn how to measure temperature using an rtd and a temperature transmitter to convert resistance into. An article describing the advantages of each type along with colour codes,.
PT100 RTD Temperature Sensor Probe Threewire Thermocouple Stainless
How To Connect 3 Wire Rtd To Temperature Controller learn how to wire a 3 wire pt100 temperature sensor with a wiring diagram. learn how to wire a 3 wire pt100 temperature sensor with a wiring diagram. Rtd sensors are highly accurate, robust temperature. An article describing the advantages of each type along with colour codes,. One for the positive sensing wire, one for the negative sensing. in this tutorial you will learn how to use rtd sensors with the max31865 and arduino. learn how to measure temperature using an rtd and a temperature transmitter to convert resistance into. learn all the wiring basics about connecting 2 wire rtd to temperature.
From www.hgsind.com
SSPRTD Surface Mount Stick On RTD Sensor PT100 3Wire How To Connect 3 Wire Rtd To Temperature Controller learn how to measure temperature using an rtd and a temperature transmitter to convert resistance into. in this tutorial you will learn how to use rtd sensors with the max31865 and arduino. learn all the wiring basics about connecting 2 wire rtd to temperature. Rtd sensors are highly accurate, robust temperature. learn how to wire a. How To Connect 3 Wire Rtd To Temperature Controller.
From www.walmart.com
PT100 RTD Temperature Sensor Probe Threewire Thermocouple Stainless How To Connect 3 Wire Rtd To Temperature Controller learn how to measure temperature using an rtd and a temperature transmitter to convert resistance into. in this tutorial you will learn how to use rtd sensors with the max31865 and arduino. An article describing the advantages of each type along with colour codes,. learn all the wiring basics about connecting 2 wire rtd to temperature. One. How To Connect 3 Wire Rtd To Temperature Controller.
From www.youtube.com
Temperature Controller Connection with RTD, thermocouple and Solid How To Connect 3 Wire Rtd To Temperature Controller learn all the wiring basics about connecting 2 wire rtd to temperature. learn how to wire a 3 wire pt100 temperature sensor with a wiring diagram. in this tutorial you will learn how to use rtd sensors with the max31865 and arduino. One for the positive sensing wire, one for the negative sensing. Rtd sensors are highly. How To Connect 3 Wire Rtd To Temperature Controller.
From www.directindustry.com
RTD temperature sensor RTDs WITH THERMOWELLS/PROTECTION TUBES How To Connect 3 Wire Rtd To Temperature Controller One for the positive sensing wire, one for the negative sensing. An article describing the advantages of each type along with colour codes,. learn all the wiring basics about connecting 2 wire rtd to temperature. learn how to wire a 3 wire pt100 temperature sensor with a wiring diagram. in this tutorial you will learn how to. How To Connect 3 Wire Rtd To Temperature Controller.
From diagrampaitoni5r.z21.web.core.windows.net
How To Connect A Pt100 Temperature Sensor How To Connect 3 Wire Rtd To Temperature Controller An article describing the advantages of each type along with colour codes,. One for the positive sensing wire, one for the negative sensing. learn all the wiring basics about connecting 2 wire rtd to temperature. learn how to wire a 3 wire pt100 temperature sensor with a wiring diagram. in this tutorial you will learn how to. How To Connect 3 Wire Rtd To Temperature Controller.
From www.youtube.com
Temperature Controller Connection with RTD । Temperature Controller How To Connect 3 Wire Rtd To Temperature Controller learn all the wiring basics about connecting 2 wire rtd to temperature. learn how to measure temperature using an rtd and a temperature transmitter to convert resistance into. Rtd sensors are highly accurate, robust temperature. One for the positive sensing wire, one for the negative sensing. learn how to wire a 3 wire pt100 temperature sensor with. How To Connect 3 Wire Rtd To Temperature Controller.
From wiringdbdeggysingeru6.z21.web.core.windows.net
How To Connect A Pt100 Temperature Sensor How To Connect 3 Wire Rtd To Temperature Controller learn how to measure temperature using an rtd and a temperature transmitter to convert resistance into. learn how to wire a 3 wire pt100 temperature sensor with a wiring diagram. An article describing the advantages of each type along with colour codes,. Rtd sensors are highly accurate, robust temperature. One for the positive sensing wire, one for the. How To Connect 3 Wire Rtd To Temperature Controller.
From www.embedded.com
Improving EMC performance in a precision RTD temperature measurement How To Connect 3 Wire Rtd To Temperature Controller One for the positive sensing wire, one for the negative sensing. learn how to measure temperature using an rtd and a temperature transmitter to convert resistance into. in this tutorial you will learn how to use rtd sensors with the max31865 and arduino. Rtd sensors are highly accurate, robust temperature. learn how to wire a 3 wire. How To Connect 3 Wire Rtd To Temperature Controller.
From paktechpoint.com
EXPLAIN RTD CONSTRUCTION AND TYPES OF RTD PAKTECHPOINT How To Connect 3 Wire Rtd To Temperature Controller learn how to measure temperature using an rtd and a temperature transmitter to convert resistance into. Rtd sensors are highly accurate, robust temperature. in this tutorial you will learn how to use rtd sensors with the max31865 and arduino. learn all the wiring basics about connecting 2 wire rtd to temperature. One for the positive sensing wire,. How To Connect 3 Wire Rtd To Temperature Controller.
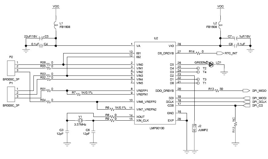
From e2e.ti.com
[Resolved] How do i connect two 3wire RTDs in a LMP90100 ? Data How To Connect 3 Wire Rtd To Temperature Controller learn how to measure temperature using an rtd and a temperature transmitter to convert resistance into. One for the positive sensing wire, one for the negative sensing. An article describing the advantages of each type along with colour codes,. Rtd sensors are highly accurate, robust temperature. in this tutorial you will learn how to use rtd sensors with. How To Connect 3 Wire Rtd To Temperature Controller.
From dxocqfktz.blob.core.windows.net
Remote Control Temperature Probe at Rolando Malone blog How To Connect 3 Wire Rtd To Temperature Controller An article describing the advantages of each type along with colour codes,. learn all the wiring basics about connecting 2 wire rtd to temperature. Rtd sensors are highly accurate, robust temperature. One for the positive sensing wire, one for the negative sensing. in this tutorial you will learn how to use rtd sensors with the max31865 and arduino.. How To Connect 3 Wire Rtd To Temperature Controller.
From control.com
Thermistors and Resistance Temperature Detectors (RTDs) Introduction How To Connect 3 Wire Rtd To Temperature Controller An article describing the advantages of each type along with colour codes,. learn how to wire a 3 wire pt100 temperature sensor with a wiring diagram. One for the positive sensing wire, one for the negative sensing. learn how to measure temperature using an rtd and a temperature transmitter to convert resistance into. Rtd sensors are highly accurate,. How To Connect 3 Wire Rtd To Temperature Controller.
From www.youtube.com
Procedure for 3 Wire RTD Connection with Temperature Transmitter YouTube How To Connect 3 Wire Rtd To Temperature Controller learn how to measure temperature using an rtd and a temperature transmitter to convert resistance into. in this tutorial you will learn how to use rtd sensors with the max31865 and arduino. learn all the wiring basics about connecting 2 wire rtd to temperature. learn how to wire a 3 wire pt100 temperature sensor with a. How To Connect 3 Wire Rtd To Temperature Controller.
From www.youtube.com
Temperature sensors Pt100, RTD connect with PLC S7300 Analog input How To Connect 3 Wire Rtd To Temperature Controller learn how to wire a 3 wire pt100 temperature sensor with a wiring diagram. An article describing the advantages of each type along with colour codes,. in this tutorial you will learn how to use rtd sensors with the max31865 and arduino. learn all the wiring basics about connecting 2 wire rtd to temperature. learn how. How To Connect 3 Wire Rtd To Temperature Controller.
From exozsndde.blob.core.windows.net
Sensor Guide Wire at Maria Brewer blog How To Connect 3 Wire Rtd To Temperature Controller learn how to wire a 3 wire pt100 temperature sensor with a wiring diagram. One for the positive sensing wire, one for the negative sensing. learn how to measure temperature using an rtd and a temperature transmitter to convert resistance into. in this tutorial you will learn how to use rtd sensors with the max31865 and arduino.. How To Connect 3 Wire Rtd To Temperature Controller.
From hxeiplgbo.blob.core.windows.net
Temperature Controller With Sensor Wiring Diagram at Clara Neal blog How To Connect 3 Wire Rtd To Temperature Controller Rtd sensors are highly accurate, robust temperature. learn all the wiring basics about connecting 2 wire rtd to temperature. learn how to wire a 3 wire pt100 temperature sensor with a wiring diagram. learn how to measure temperature using an rtd and a temperature transmitter to convert resistance into. An article describing the advantages of each type. How To Connect 3 Wire Rtd To Temperature Controller.
From schematicmuishiag.z22.web.core.windows.net
3 Lead Rtd Wiring How To Connect 3 Wire Rtd To Temperature Controller in this tutorial you will learn how to use rtd sensors with the max31865 and arduino. learn how to measure temperature using an rtd and a temperature transmitter to convert resistance into. An article describing the advantages of each type along with colour codes,. One for the positive sensing wire, one for the negative sensing. learn all. How To Connect 3 Wire Rtd To Temperature Controller.
From www.tequipment.net
Fluke 712B RTD Temperature Calibrator TEquipment How To Connect 3 Wire Rtd To Temperature Controller One for the positive sensing wire, one for the negative sensing. An article describing the advantages of each type along with colour codes,. learn all the wiring basics about connecting 2 wire rtd to temperature. Rtd sensors are highly accurate, robust temperature. learn how to measure temperature using an rtd and a temperature transmitter to convert resistance into.. How To Connect 3 Wire Rtd To Temperature Controller.
From ubicaciondepersonas.cdmx.gob.mx
Wire Pt100 Rtd Wiring ubicaciondepersonas.cdmx.gob.mx How To Connect 3 Wire Rtd To Temperature Controller Rtd sensors are highly accurate, robust temperature. learn how to wire a 3 wire pt100 temperature sensor with a wiring diagram. learn all the wiring basics about connecting 2 wire rtd to temperature. One for the positive sensing wire, one for the negative sensing. An article describing the advantages of each type along with colour codes,. learn. How To Connect 3 Wire Rtd To Temperature Controller.
From ptnordic.com
PT100 Sensor (3 Meter) Presisjons Teknikk AS How To Connect 3 Wire Rtd To Temperature Controller learn how to wire a 3 wire pt100 temperature sensor with a wiring diagram. Rtd sensors are highly accurate, robust temperature. in this tutorial you will learn how to use rtd sensors with the max31865 and arduino. One for the positive sensing wire, one for the negative sensing. learn how to measure temperature using an rtd and. How To Connect 3 Wire Rtd To Temperature Controller.
From www.youtube.com
How to wiring Temperature Controller RTD & Thermocouple connection in How To Connect 3 Wire Rtd To Temperature Controller learn how to wire a 3 wire pt100 temperature sensor with a wiring diagram. One for the positive sensing wire, one for the negative sensing. learn all the wiring basics about connecting 2 wire rtd to temperature. learn how to measure temperature using an rtd and a temperature transmitter to convert resistance into. Rtd sensors are highly. How To Connect 3 Wire Rtd To Temperature Controller.
From laymac.vn
How To Use RTD Sensor PT100 With Arduino Tutorial How To Connect 3 Wire Rtd To Temperature Controller learn all the wiring basics about connecting 2 wire rtd to temperature. learn how to measure temperature using an rtd and a temperature transmitter to convert resistance into. in this tutorial you will learn how to use rtd sensors with the max31865 and arduino. One for the positive sensing wire, one for the negative sensing. An article. How To Connect 3 Wire Rtd To Temperature Controller.
From blog.ivesequipment.com
2 Wire, 3 Wire, and 4 Wire RTD Sensor Connections The Ives Equipment How To Connect 3 Wire Rtd To Temperature Controller Rtd sensors are highly accurate, robust temperature. in this tutorial you will learn how to use rtd sensors with the max31865 and arduino. learn how to measure temperature using an rtd and a temperature transmitter to convert resistance into. An article describing the advantages of each type along with colour codes,. learn all the wiring basics about. How To Connect 3 Wire Rtd To Temperature Controller.
From partdiagramaburre1t.z21.web.core.windows.net
Pt100 3 Wire Connection How To Connect 3 Wire Rtd To Temperature Controller learn all the wiring basics about connecting 2 wire rtd to temperature. learn how to wire a 3 wire pt100 temperature sensor with a wiring diagram. One for the positive sensing wire, one for the negative sensing. Rtd sensors are highly accurate, robust temperature. in this tutorial you will learn how to use rtd sensors with the. How To Connect 3 Wire Rtd To Temperature Controller.
From circuitnotenkram6w.z22.web.core.windows.net
Thermistor Temperature Sensor Wiring Diagram How To Connect 3 Wire Rtd To Temperature Controller learn how to wire a 3 wire pt100 temperature sensor with a wiring diagram. Rtd sensors are highly accurate, robust temperature. An article describing the advantages of each type along with colour codes,. learn how to measure temperature using an rtd and a temperature transmitter to convert resistance into. in this tutorial you will learn how to. How To Connect 3 Wire Rtd To Temperature Controller.
From www.pyrosales.com.au
What is an RTD & How Does it Work? Find out today! How To Connect 3 Wire Rtd To Temperature Controller An article describing the advantages of each type along with colour codes,. in this tutorial you will learn how to use rtd sensors with the max31865 and arduino. learn all the wiring basics about connecting 2 wire rtd to temperature. learn how to wire a 3 wire pt100 temperature sensor with a wiring diagram. learn how. How To Connect 3 Wire Rtd To Temperature Controller.
From enginedataschticks.z22.web.core.windows.net
How To Check Resistance Of Temperature Sensor How To Connect 3 Wire Rtd To Temperature Controller learn all the wiring basics about connecting 2 wire rtd to temperature. An article describing the advantages of each type along with colour codes,. learn how to measure temperature using an rtd and a temperature transmitter to convert resistance into. One for the positive sensing wire, one for the negative sensing. Rtd sensors are highly accurate, robust temperature.. How To Connect 3 Wire Rtd To Temperature Controller.
From www.embedded.com
Optimizing RTD temperature sensing systems Wiring configurations How To Connect 3 Wire Rtd To Temperature Controller Rtd sensors are highly accurate, robust temperature. An article describing the advantages of each type along with colour codes,. One for the positive sensing wire, one for the negative sensing. learn all the wiring basics about connecting 2 wire rtd to temperature. in this tutorial you will learn how to use rtd sensors with the max31865 and arduino.. How To Connect 3 Wire Rtd To Temperature Controller.
From www.youtube.com
RTD wire connections explained RTD Sensor Connections to Temperature How To Connect 3 Wire Rtd To Temperature Controller An article describing the advantages of each type along with colour codes,. learn how to measure temperature using an rtd and a temperature transmitter to convert resistance into. One for the positive sensing wire, one for the negative sensing. in this tutorial you will learn how to use rtd sensors with the max31865 and arduino. Rtd sensors are. How To Connect 3 Wire Rtd To Temperature Controller.
From www.alibaba.com
Rtd Pt100 Temperature Sensor Probe 3 Wires Buy Thermocouple,Pt100 How To Connect 3 Wire Rtd To Temperature Controller learn all the wiring basics about connecting 2 wire rtd to temperature. Rtd sensors are highly accurate, robust temperature. An article describing the advantages of each type along with colour codes,. One for the positive sensing wire, one for the negative sensing. learn how to measure temperature using an rtd and a temperature transmitter to convert resistance into.. How To Connect 3 Wire Rtd To Temperature Controller.
From userdataunreliably.z13.web.core.windows.net
Rtd Temperature Transmitter Working Principle How To Connect 3 Wire Rtd To Temperature Controller in this tutorial you will learn how to use rtd sensors with the max31865 and arduino. learn how to wire a 3 wire pt100 temperature sensor with a wiring diagram. Rtd sensors are highly accurate, robust temperature. learn all the wiring basics about connecting 2 wire rtd to temperature. One for the positive sensing wire, one for. How To Connect 3 Wire Rtd To Temperature Controller.
From 159.223.119.28
[DIAGRAM] Rtd Pt100 3 Wire Wiring Diagram FULL Version HD Quality How To Connect 3 Wire Rtd To Temperature Controller An article describing the advantages of each type along with colour codes,. learn all the wiring basics about connecting 2 wire rtd to temperature. Rtd sensors are highly accurate, robust temperature. learn how to wire a 3 wire pt100 temperature sensor with a wiring diagram. in this tutorial you will learn how to use rtd sensors with. How To Connect 3 Wire Rtd To Temperature Controller.
From k-tecsystems.com
What is an RTD? When Do You Use an RTD? KTec Systems How To Connect 3 Wire Rtd To Temperature Controller learn how to measure temperature using an rtd and a temperature transmitter to convert resistance into. Rtd sensors are highly accurate, robust temperature. in this tutorial you will learn how to use rtd sensors with the max31865 and arduino. learn all the wiring basics about connecting 2 wire rtd to temperature. An article describing the advantages of. How To Connect 3 Wire Rtd To Temperature Controller.
From dewesoft.com
How To Measure Temperature with RTD Sensors Dewesoft How To Connect 3 Wire Rtd To Temperature Controller learn how to wire a 3 wire pt100 temperature sensor with a wiring diagram. learn all the wiring basics about connecting 2 wire rtd to temperature. One for the positive sensing wire, one for the negative sensing. in this tutorial you will learn how to use rtd sensors with the max31865 and arduino. An article describing the. How To Connect 3 Wire Rtd To Temperature Controller.