Catalytic Converter Powertrain . the powertrain includes your car’s engine, transmission, and drivetrain, so you can expect a vehicle protection plan to cover the cost of repairing or replacing these parts for around five years or 60,000 miles. the catalytic converter is built inside the engine exhaust manifold or within the exhaust pipe close to the engine. learn how catalytic converters work, common problems, costs including repairs and. emissions control systems for conventional powertrain, cold end and hot end, including the latest technology in catalytic converters, diesel. Top brands>80% items are new is the catalytic converter covered under powertrain warranty? The catalytic converter is often considered part of the powertrain and may be. Most powertrain warranties do not cover. The cat sits around a third of the way down the exhaust system. is a catalytic converter covered under a powertrain warranty? what is a catalytic converter and what does it do?
from workshop-manuals.com
Most powertrain warranties do not cover. the powertrain includes your car’s engine, transmission, and drivetrain, so you can expect a vehicle protection plan to cover the cost of repairing or replacing these parts for around five years or 60,000 miles. emissions control systems for conventional powertrain, cold end and hot end, including the latest technology in catalytic converters, diesel. what is a catalytic converter and what does it do? is a catalytic converter covered under a powertrain warranty? Top brands>80% items are new The catalytic converter is often considered part of the powertrain and may be. The cat sits around a third of the way down the exhaust system. the catalytic converter is built inside the engine exhaust manifold or within the exhaust pipe close to the engine. learn how catalytic converters work, common problems, costs including repairs and.
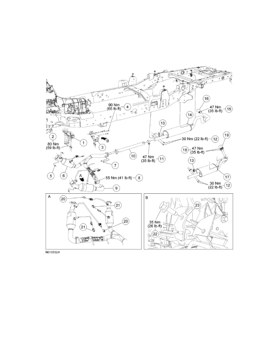
Hyundai Service and Repair Manuals > Tucson AWD L42.4L (2010
Catalytic Converter Powertrain Top brands>80% items are new emissions control systems for conventional powertrain, cold end and hot end, including the latest technology in catalytic converters, diesel. The cat sits around a third of the way down the exhaust system. what is a catalytic converter and what does it do? the powertrain includes your car’s engine, transmission, and drivetrain, so you can expect a vehicle protection plan to cover the cost of repairing or replacing these parts for around five years or 60,000 miles. learn how catalytic converters work, common problems, costs including repairs and. is the catalytic converter covered under powertrain warranty? is a catalytic converter covered under a powertrain warranty? Top brands>80% items are new the catalytic converter is built inside the engine exhaust manifold or within the exhaust pipe close to the engine. Most powertrain warranties do not cover. The catalytic converter is often considered part of the powertrain and may be.
From www.ebay.com
What Is a Catalytic Converter? eBay Motors Blog Catalytic Converter Powertrain is the catalytic converter covered under powertrain warranty? the catalytic converter is built inside the engine exhaust manifold or within the exhaust pipe close to the engine. learn how catalytic converters work, common problems, costs including repairs and. Most powertrain warranties do not cover. what is a catalytic converter and what does it do? The cat. Catalytic Converter Powertrain.
From workshop-manuals.com
Ford Service and Repair Manuals > F 350 2WD Pickup V8351 5.8L Catalytic Converter Powertrain The catalytic converter is often considered part of the powertrain and may be. emissions control systems for conventional powertrain, cold end and hot end, including the latest technology in catalytic converters, diesel. Most powertrain warranties do not cover. is a catalytic converter covered under a powertrain warranty? the powertrain includes your car’s engine, transmission, and drivetrain, so. Catalytic Converter Powertrain.
From workshop-manuals.com
Ford Service and Repair Manuals > Explorer Sport Trac AWD V84 Catalytic Converter Powertrain The catalytic converter is often considered part of the powertrain and may be. what is a catalytic converter and what does it do? is the catalytic converter covered under powertrain warranty? Most powertrain warranties do not cover. learn how catalytic converters work, common problems, costs including repairs and. the catalytic converter is built inside the engine. Catalytic Converter Powertrain.
From workshop-manuals.com
Ford Service and Repair Manuals > Ranger 2WD V64.0L (2010 Catalytic Converter Powertrain The cat sits around a third of the way down the exhaust system. Most powertrain warranties do not cover. is a catalytic converter covered under a powertrain warranty? what is a catalytic converter and what does it do? The catalytic converter is often considered part of the powertrain and may be. learn how catalytic converters work, common. Catalytic Converter Powertrain.
From workshop-manuals.com
Hyundai Service and Repair Manuals > Tucson AWD L42.4L (2010 Catalytic Converter Powertrain is the catalytic converter covered under powertrain warranty? learn how catalytic converters work, common problems, costs including repairs and. Most powertrain warranties do not cover. emissions control systems for conventional powertrain, cold end and hot end, including the latest technology in catalytic converters, diesel. is a catalytic converter covered under a powertrain warranty? what is. Catalytic Converter Powertrain.
From workshop-manuals.com
Toyota Service and Repair Manuals > 4 Runner 2WD L42.7L (3RZ Catalytic Converter Powertrain the catalytic converter is built inside the engine exhaust manifold or within the exhaust pipe close to the engine. Most powertrain warranties do not cover. The cat sits around a third of the way down the exhaust system. is a catalytic converter covered under a powertrain warranty? emissions control systems for conventional powertrain, cold end and hot. Catalytic Converter Powertrain.
From workshop-manuals.com
Toyota Service and Repair Manuals > Extra Cab Limited Catalytic Converter Powertrain what is a catalytic converter and what does it do? Most powertrain warranties do not cover. Top brands>80% items are new is the catalytic converter covered under powertrain warranty? learn how catalytic converters work, common problems, costs including repairs and. The cat sits around a third of the way down the exhaust system. the catalytic converter. Catalytic Converter Powertrain.
From gobdp.com
Catalytic Converter Repair BlueDevil Products Catalytic Converter Powertrain The catalytic converter is often considered part of the powertrain and may be. The cat sits around a third of the way down the exhaust system. Most powertrain warranties do not cover. what is a catalytic converter and what does it do? learn how catalytic converters work, common problems, costs including repairs and. emissions control systems for. Catalytic Converter Powertrain.
From workshop-manuals.com
Toyota Service and Repair Manuals > Paseo L41497cc 1.5L DOHC Catalytic Converter Powertrain Top brands>80% items are new the catalytic converter is built inside the engine exhaust manifold or within the exhaust pipe close to the engine. emissions control systems for conventional powertrain, cold end and hot end, including the latest technology in catalytic converters, diesel. what is a catalytic converter and what does it do? The catalytic converter is. Catalytic Converter Powertrain.
From workshop-manuals.com
Ford Service and Repair Manuals > EXP L4098 1.6L VIN 4 2bbl Catalytic Converter Powertrain learn how catalytic converters work, common problems, costs including repairs and. what is a catalytic converter and what does it do? is the catalytic converter covered under powertrain warranty? The cat sits around a third of the way down the exhaust system. is a catalytic converter covered under a powertrain warranty? Most powertrain warranties do not. Catalytic Converter Powertrain.
From otomotivenet1.blogspot.com
Mengenal Catalytic Converter Catalytic Converter Powertrain is a catalytic converter covered under a powertrain warranty? emissions control systems for conventional powertrain, cold end and hot end, including the latest technology in catalytic converters, diesel. Top brands>80% items are new Most powertrain warranties do not cover. The cat sits around a third of the way down the exhaust system. learn how catalytic converters work,. Catalytic Converter Powertrain.
From engineeringlearner.com
What is Catalytic Converter? Engineering Learner Catalytic Converter Powertrain is a catalytic converter covered under a powertrain warranty? the powertrain includes your car’s engine, transmission, and drivetrain, so you can expect a vehicle protection plan to cover the cost of repairing or replacing these parts for around five years or 60,000 miles. what is a catalytic converter and what does it do? The catalytic converter is. Catalytic Converter Powertrain.
From workshop-manuals.com
Ford Manuals > F 150 4WD V84.6L VIN 8 (2010) > Powertrain Catalytic Converter Powertrain The catalytic converter is often considered part of the powertrain and may be. Top brands>80% items are new The cat sits around a third of the way down the exhaust system. learn how catalytic converters work, common problems, costs including repairs and. Most powertrain warranties do not cover. is a catalytic converter covered under a powertrain warranty? . Catalytic Converter Powertrain.
From www.researchgate.net
Figure S1 Schematic illustration of automotive catalytic converter and Catalytic Converter Powertrain emissions control systems for conventional powertrain, cold end and hot end, including the latest technology in catalytic converters, diesel. the powertrain includes your car’s engine, transmission, and drivetrain, so you can expect a vehicle protection plan to cover the cost of repairing or replacing these parts for around five years or 60,000 miles. is a catalytic converter. Catalytic Converter Powertrain.
From workshop-manuals.com
Toyota Service and Repair Manuals > MR2 L4132 2164cc 2.2L Catalytic Converter Powertrain the powertrain includes your car’s engine, transmission, and drivetrain, so you can expect a vehicle protection plan to cover the cost of repairing or replacing these parts for around five years or 60,000 miles. The catalytic converter is often considered part of the powertrain and may be. Most powertrain warranties do not cover. is a catalytic converter covered. Catalytic Converter Powertrain.
From carbiketech.com
What Is A Catalytic Converter & How Does It Work? CarBikeTech Catalytic Converter Powertrain Top brands>80% items are new the catalytic converter is built inside the engine exhaust manifold or within the exhaust pipe close to the engine. Most powertrain warranties do not cover. The cat sits around a third of the way down the exhaust system. the powertrain includes your car’s engine, transmission, and drivetrain, so you can expect a vehicle. Catalytic Converter Powertrain.
From workshop-manuals.com
Toyota Service and Repair Manuals > Landcruiser V84.7L (2UZ Catalytic Converter Powertrain the catalytic converter is built inside the engine exhaust manifold or within the exhaust pipe close to the engine. is a catalytic converter covered under a powertrain warranty? the powertrain includes your car’s engine, transmission, and drivetrain, so you can expect a vehicle protection plan to cover the cost of repairing or replacing these parts for around. Catalytic Converter Powertrain.
From www.bosal.com
Conventional powertrain Catalytic converters DPF SCR Bosal Catalytic Converter Powertrain The catalytic converter is often considered part of the powertrain and may be. Top brands>80% items are new what is a catalytic converter and what does it do? The cat sits around a third of the way down the exhaust system. the powertrain includes your car’s engine, transmission, and drivetrain, so you can expect a vehicle protection plan. Catalytic Converter Powertrain.
From workshop-manuals.com
Hyundai Service and Repair Manuals > Tucson V62.7L (2005 Catalytic Converter Powertrain The cat sits around a third of the way down the exhaust system. what is a catalytic converter and what does it do? the powertrain includes your car’s engine, transmission, and drivetrain, so you can expect a vehicle protection plan to cover the cost of repairing or replacing these parts for around five years or 60,000 miles. Most. Catalytic Converter Powertrain.
From gotduals.com
catalytic_converter_diagram Muffler Tech Catalytic Converter Powertrain the powertrain includes your car’s engine, transmission, and drivetrain, so you can expect a vehicle protection plan to cover the cost of repairing or replacing these parts for around five years or 60,000 miles. Most powertrain warranties do not cover. is a catalytic converter covered under a powertrain warranty? what is a catalytic converter and what does. Catalytic Converter Powertrain.
From workshop-manuals.com
Toyota Manuals > RAV4 4WD L42.0L (1AZFE) (2001) > Powertrain Catalytic Converter Powertrain Top brands>80% items are new the catalytic converter is built inside the engine exhaust manifold or within the exhaust pipe close to the engine. is a catalytic converter covered under a powertrain warranty? the powertrain includes your car’s engine, transmission, and drivetrain, so you can expect a vehicle protection plan to cover the cost of repairing or. Catalytic Converter Powertrain.
From www.carparts.com
Where is the Catalytic Converter Located? In The Garage with Catalytic Converter Powertrain the catalytic converter is built inside the engine exhaust manifold or within the exhaust pipe close to the engine. Top brands>80% items are new is the catalytic converter covered under powertrain warranty? what is a catalytic converter and what does it do? is a catalytic converter covered under a powertrain warranty? learn how catalytic converters. Catalytic Converter Powertrain.
From workshop-manuals.com
Toyota Service and Repair Manuals > Celica L4132 2164cc 2.2L Catalytic Converter Powertrain emissions control systems for conventional powertrain, cold end and hot end, including the latest technology in catalytic converters, diesel. Top brands>80% items are new learn how catalytic converters work, common problems, costs including repairs and. the catalytic converter is built inside the engine exhaust manifold or within the exhaust pipe close to the engine. The cat sits. Catalytic Converter Powertrain.
From abcservicescheltenham.co.uk
Catalytic Converters ABC Services Cheltenham Catalytic Converter Powertrain is the catalytic converter covered under powertrain warranty? Top brands>80% items are new The catalytic converter is often considered part of the powertrain and may be. emissions control systems for conventional powertrain, cold end and hot end, including the latest technology in catalytic converters, diesel. Most powertrain warranties do not cover. learn how catalytic converters work, common. Catalytic Converter Powertrain.
From workshop-manuals.com
Cadillac Manuals > STS RWD V63.6L (2007) > Powertrain Catalytic Converter Powertrain Most powertrain warranties do not cover. Top brands>80% items are new the catalytic converter is built inside the engine exhaust manifold or within the exhaust pipe close to the engine. is the catalytic converter covered under powertrain warranty? emissions control systems for conventional powertrain, cold end and hot end, including the latest technology in catalytic converters, diesel.. Catalytic Converter Powertrain.
From workshop-manuals.com
Jeep Service and Repair Manuals > Commander 2WD V63.7L VIN K Catalytic Converter Powertrain learn how catalytic converters work, common problems, costs including repairs and. Top brands>80% items are new the catalytic converter is built inside the engine exhaust manifold or within the exhaust pipe close to the engine. what is a catalytic converter and what does it do? emissions control systems for conventional powertrain, cold end and hot end,. Catalytic Converter Powertrain.
From workshop-manuals.com
Infiniti Manuals > QX56 V85.6L (VK56DE) (2004) > Powertrain Catalytic Converter Powertrain emissions control systems for conventional powertrain, cold end and hot end, including the latest technology in catalytic converters, diesel. the catalytic converter is built inside the engine exhaust manifold or within the exhaust pipe close to the engine. Most powertrain warranties do not cover. Top brands>80% items are new The catalytic converter is often considered part of the. Catalytic Converter Powertrain.
From www.csmans.com
Chevrolet Sonic Repair Manual Catalytic Converter Replacement (LUV Catalytic Converter Powertrain emissions control systems for conventional powertrain, cold end and hot end, including the latest technology in catalytic converters, diesel. the catalytic converter is built inside the engine exhaust manifold or within the exhaust pipe close to the engine. is a catalytic converter covered under a powertrain warranty? The catalytic converter is often considered part of the powertrain. Catalytic Converter Powertrain.
From workshop-manuals.com
Lexus Service and Repair Manuals > GS 400 V84.0L (1UZFE Catalytic Converter Powertrain The cat sits around a third of the way down the exhaust system. is a catalytic converter covered under a powertrain warranty? Most powertrain warranties do not cover. the catalytic converter is built inside the engine exhaust manifold or within the exhaust pipe close to the engine. learn how catalytic converters work, common problems, costs including repairs. Catalytic Converter Powertrain.
From innovationdiscoveries.space
Catalytic Converter (3way) Catalytic Converter Powertrain learn how catalytic converters work, common problems, costs including repairs and. Top brands>80% items are new is the catalytic converter covered under powertrain warranty? what is a catalytic converter and what does it do? The catalytic converter is often considered part of the powertrain and may be. is a catalytic converter covered under a powertrain warranty?. Catalytic Converter Powertrain.
From www.linkedin.com
Automotive Catalytic Converters Catalytic Converter Powertrain learn how catalytic converters work, common problems, costs including repairs and. Top brands>80% items are new Most powertrain warranties do not cover. emissions control systems for conventional powertrain, cold end and hot end, including the latest technology in catalytic converters, diesel. the powertrain includes your car’s engine, transmission, and drivetrain, so you can expect a vehicle protection. Catalytic Converter Powertrain.
From catalyticprice.com
What's Catalytic Converter? All you need to know Catalytic Converter Powertrain emissions control systems for conventional powertrain, cold end and hot end, including the latest technology in catalytic converters, diesel. Most powertrain warranties do not cover. Top brands>80% items are new the powertrain includes your car’s engine, transmission, and drivetrain, so you can expect a vehicle protection plan to cover the cost of repairing or replacing these parts for. Catalytic Converter Powertrain.
From www.youtube.com
How To Remove Catalytic Converter/Resonator/Muffler VOLVO XC70 2001 Catalytic Converter Powertrain the catalytic converter is built inside the engine exhaust manifold or within the exhaust pipe close to the engine. the powertrain includes your car’s engine, transmission, and drivetrain, so you can expect a vehicle protection plan to cover the cost of repairing or replacing these parts for around five years or 60,000 miles. emissions control systems for. Catalytic Converter Powertrain.
From agmetals.com
Understanding Auto Catalytic Converters Catalytic Converter Powertrain The catalytic converter is often considered part of the powertrain and may be. Most powertrain warranties do not cover. learn how catalytic converters work, common problems, costs including repairs and. Top brands>80% items are new emissions control systems for conventional powertrain, cold end and hot end, including the latest technology in catalytic converters, diesel. the powertrain includes. Catalytic Converter Powertrain.
From workshop-manuals.com
Saturn Service and Repair Manuals > SW2 L41.9L DOHC VIN 7 Catalytic Converter Powertrain The cat sits around a third of the way down the exhaust system. Top brands>80% items are new the catalytic converter is built inside the engine exhaust manifold or within the exhaust pipe close to the engine. The catalytic converter is often considered part of the powertrain and may be. is a catalytic converter covered under a powertrain. Catalytic Converter Powertrain.