How To Remove Seat Leon Headrest . Is there a small pin hole at one of the headrest bars? — can't get the headrest to come out of your vehicle? — how to remove seat headrest our website: after removing grab the sides of the headrests with both a child seat, refit the headrest immediately. remove headrest from seat back. — on pretty much every headrest i've ever seen, there is a button you have to press in to release it, normally found on. The process is extremely simple, and i truly. page 137 adjusting the height of the headrests remove the rear headrests only when it is removing the rear headrests necessary to fit a child seat. — in this video, i show you how to remove a car seat headrest easily.
from workshop-manuals.com
— in this video, i show you how to remove a car seat headrest easily. The process is extremely simple, and i truly. — on pretty much every headrest i've ever seen, there is a button you have to press in to release it, normally found on. remove headrest from seat back. — how to remove seat headrest our website: after removing grab the sides of the headrests with both a child seat, refit the headrest immediately. page 137 adjusting the height of the headrests remove the rear headrests only when it is removing the rear headrests necessary to fit a child seat. — can't get the headrest to come out of your vehicle? Is there a small pin hole at one of the headrest bars?
SEAT Service and Repair Manuals > Leon Mk2 > Body Bodywork, Interior fitting work
How To Remove Seat Leon Headrest page 137 adjusting the height of the headrests remove the rear headrests only when it is removing the rear headrests necessary to fit a child seat. The process is extremely simple, and i truly. after removing grab the sides of the headrests with both a child seat, refit the headrest immediately. — can't get the headrest to come out of your vehicle? remove headrest from seat back. — in this video, i show you how to remove a car seat headrest easily. — how to remove seat headrest our website: Is there a small pin hole at one of the headrest bars? page 137 adjusting the height of the headrests remove the rear headrests only when it is removing the rear headrests necessary to fit a child seat. — on pretty much every headrest i've ever seen, there is a button you have to press in to release it, normally found on.
From www.youtube.com
2014 Ford Edge how to remove headrest Iggee custom seat covers blue YouTube How To Remove Seat Leon Headrest — how to remove seat headrest our website: The process is extremely simple, and i truly. — on pretty much every headrest i've ever seen, there is a button you have to press in to release it, normally found on. Is there a small pin hole at one of the headrest bars? page 137 adjusting the height. How To Remove Seat Leon Headrest.
From www.youtube.com
How to Remove Your Front Seat YouTube How To Remove Seat Leon Headrest — in this video, i show you how to remove a car seat headrest easily. — can't get the headrest to come out of your vehicle? — how to remove seat headrest our website: page 137 adjusting the height of the headrests remove the rear headrests only when it is removing the rear headrests necessary to. How To Remove Seat Leon Headrest.
From www.youtube.com
HOW TO REMOVE SEAT HEAD REST HEADREST ON FORD FOCUS FUSION FIESTA ESCAPE EDGE EXPLORER F150 How To Remove Seat Leon Headrest — can't get the headrest to come out of your vehicle? after removing grab the sides of the headrests with both a child seat, refit the headrest immediately. — on pretty much every headrest i've ever seen, there is a button you have to press in to release it, normally found on. The process is extremely simple,. How To Remove Seat Leon Headrest.
From www.youtube.com
Leon 8" headrest monitor demo video YouTube How To Remove Seat Leon Headrest Is there a small pin hole at one of the headrest bars? page 137 adjusting the height of the headrests remove the rear headrests only when it is removing the rear headrests necessary to fit a child seat. The process is extremely simple, and i truly. remove headrest from seat back. after removing grab the sides of. How To Remove Seat Leon Headrest.
From workshop-manuals.com
SEAT Service and Repair Manuals > Leon Mk2 > Body Bodywork, Interior fitting work How To Remove Seat Leon Headrest after removing grab the sides of the headrests with both a child seat, refit the headrest immediately. — can't get the headrest to come out of your vehicle? — in this video, i show you how to remove a car seat headrest easily. Is there a small pin hole at one of the headrest bars? The process. How To Remove Seat Leon Headrest.
From www.youtube.com
Seat Leon Removal YouTube How To Remove Seat Leon Headrest remove headrest from seat back. The process is extremely simple, and i truly. — how to remove seat headrest our website: — in this video, i show you how to remove a car seat headrest easily. page 137 adjusting the height of the headrests remove the rear headrests only when it is removing the rear headrests. How To Remove Seat Leon Headrest.
From www.youtube.com
How to Remove a SEAT HEADREST AnthonyJ350 YouTube How To Remove Seat Leon Headrest Is there a small pin hole at one of the headrest bars? — can't get the headrest to come out of your vehicle? The process is extremely simple, and i truly. — in this video, i show you how to remove a car seat headrest easily. page 137 adjusting the height of the headrests remove the rear. How To Remove Seat Leon Headrest.
From www.youtube.com
SEAT LEON MK3 How To Remove Front Seat Removal Replacement 20132019 YouTube How To Remove Seat Leon Headrest The process is extremely simple, and i truly. remove headrest from seat back. page 137 adjusting the height of the headrests remove the rear headrests only when it is removing the rear headrests necessary to fit a child seat. — in this video, i show you how to remove a car seat headrest easily. — on. How To Remove Seat Leon Headrest.
From www.youtube.com
Headrest removal for seat covers YouTube How To Remove Seat Leon Headrest — can't get the headrest to come out of your vehicle? remove headrest from seat back. Is there a small pin hole at one of the headrest bars? — how to remove seat headrest our website: — on pretty much every headrest i've ever seen, there is a button you have to press in to release. How To Remove Seat Leon Headrest.
From www.velcromag.com
How To Remove Back Seat Headrests Velcromag How To Remove Seat Leon Headrest remove headrest from seat back. — how to remove seat headrest our website: — on pretty much every headrest i've ever seen, there is a button you have to press in to release it, normally found on. — in this video, i show you how to remove a car seat headrest easily. Is there a small. How To Remove Seat Leon Headrest.
From seatdirectparts.co.uk
SEAT Leon 20132020 Headrest Guide Adjustable SEAT Direct Parts How To Remove Seat Leon Headrest page 137 adjusting the height of the headrests remove the rear headrests only when it is removing the rear headrests necessary to fit a child seat. — in this video, i show you how to remove a car seat headrest easily. — on pretty much every headrest i've ever seen, there is a button you have to. How To Remove Seat Leon Headrest.
From workshop-manuals.com
SEAT Service and Repair Manuals > Leon Mk2 > Body Bodywork, Interior fitting work How To Remove Seat Leon Headrest remove headrest from seat back. — in this video, i show you how to remove a car seat headrest easily. Is there a small pin hole at one of the headrest bars? — can't get the headrest to come out of your vehicle? page 137 adjusting the height of the headrests remove the rear headrests only. How To Remove Seat Leon Headrest.
From www.youtube.com
HOW TO REMOVE SEAT HEADREST YouTube How To Remove Seat Leon Headrest — can't get the headrest to come out of your vehicle? Is there a small pin hole at one of the headrest bars? remove headrest from seat back. The process is extremely simple, and i truly. — how to remove seat headrest our website: — in this video, i show you how to remove a car. How To Remove Seat Leon Headrest.
From www.youtube.com
How To Remove Seats From A Car DIY YouTube How To Remove Seat Leon Headrest — on pretty much every headrest i've ever seen, there is a button you have to press in to release it, normally found on. — in this video, i show you how to remove a car seat headrest easily. — can't get the headrest to come out of your vehicle? remove headrest from seat back. . How To Remove Seat Leon Headrest.
From www.youtube.com
How to remove headrest in a 2011 BMW YouTube How To Remove Seat Leon Headrest page 137 adjusting the height of the headrests remove the rear headrests only when it is removing the rear headrests necessary to fit a child seat. Is there a small pin hole at one of the headrest bars? after removing grab the sides of the headrests with both a child seat, refit the headrest immediately. — can't. How To Remove Seat Leon Headrest.
From workshop-manuals.com
SEAT Service and Repair Manuals > Leon Mk2 > Body Bodywork, Interior fitting work How To Remove Seat Leon Headrest — how to remove seat headrest our website: — on pretty much every headrest i've ever seen, there is a button you have to press in to release it, normally found on. remove headrest from seat back. after removing grab the sides of the headrests with both a child seat, refit the headrest immediately. —. How To Remove Seat Leon Headrest.
From workshop-manuals.com
SEAT Service and Repair Manuals > Leon Mk2 > Body Bodywork, Interior fitting work How To Remove Seat Leon Headrest page 137 adjusting the height of the headrests remove the rear headrests only when it is removing the rear headrests necessary to fit a child seat. — can't get the headrest to come out of your vehicle? remove headrest from seat back. — on pretty much every headrest i've ever seen, there is a button you. How To Remove Seat Leon Headrest.
From www.youtube.com
How to remove Seat Leon climate control unit. YouTube How To Remove Seat Leon Headrest — can't get the headrest to come out of your vehicle? — how to remove seat headrest our website: Is there a small pin hole at one of the headrest bars? — on pretty much every headrest i've ever seen, there is a button you have to press in to release it, normally found on. after. How To Remove Seat Leon Headrest.
From workshop-manuals.com
SEAT Service and Repair Manuals > Leon Mk2 > Body Bodywork, Interior fitting work How To Remove Seat Leon Headrest after removing grab the sides of the headrests with both a child seat, refit the headrest immediately. — can't get the headrest to come out of your vehicle? remove headrest from seat back. — how to remove seat headrest our website: page 137 adjusting the height of the headrests remove the rear headrests only when. How To Remove Seat Leon Headrest.
From www.youtube.com
How To Adjust And Remove Car Seat Headrest YouTube How To Remove Seat Leon Headrest — can't get the headrest to come out of your vehicle? Is there a small pin hole at one of the headrest bars? — on pretty much every headrest i've ever seen, there is a button you have to press in to release it, normally found on. The process is extremely simple, and i truly. remove headrest. How To Remove Seat Leon Headrest.
From www.theultimatejeep.com
How To Remove Headrest!! How To Remove Seat Leon Headrest — how to remove seat headrest our website: after removing grab the sides of the headrests with both a child seat, refit the headrest immediately. — on pretty much every headrest i've ever seen, there is a button you have to press in to release it, normally found on. remove headrest from seat back. page. How To Remove Seat Leon Headrest.
From dxoblhzpq.blob.core.windows.net
How To Remove Front Seat Headrest at Valeria Sanchez blog How To Remove Seat Leon Headrest after removing grab the sides of the headrests with both a child seat, refit the headrest immediately. The process is extremely simple, and i truly. — in this video, i show you how to remove a car seat headrest easily. — on pretty much every headrest i've ever seen, there is a button you have to press. How To Remove Seat Leon Headrest.
From www.youtube.com
VW Golf How to Remove Headrests from Seats for Cleaning YouTube How To Remove Seat Leon Headrest — how to remove seat headrest our website: — can't get the headrest to come out of your vehicle? — on pretty much every headrest i've ever seen, there is a button you have to press in to release it, normally found on. Is there a small pin hole at one of the headrest bars? after. How To Remove Seat Leon Headrest.
From workshop-manuals.com
SEAT Service and Repair Manuals > Leon Mk2 > Body General body repairs, interior How To Remove Seat Leon Headrest after removing grab the sides of the headrests with both a child seat, refit the headrest immediately. — how to remove seat headrest our website: The process is extremely simple, and i truly. — in this video, i show you how to remove a car seat headrest easily. page 137 adjusting the height of the headrests. How To Remove Seat Leon Headrest.
From service.tesla.com
Trim Headrest Driver's (Remove and Replace) How To Remove Seat Leon Headrest page 137 adjusting the height of the headrests remove the rear headrests only when it is removing the rear headrests necessary to fit a child seat. — on pretty much every headrest i've ever seen, there is a button you have to press in to release it, normally found on. Is there a small pin hole at one. How To Remove Seat Leon Headrest.
From workshop-manuals.com
SEAT Manuals > Leon Mk1 > Bodywork > Bodywork, Interior fitting work > Seat padding How To Remove Seat Leon Headrest Is there a small pin hole at one of the headrest bars? after removing grab the sides of the headrests with both a child seat, refit the headrest immediately. page 137 adjusting the height of the headrests remove the rear headrests only when it is removing the rear headrests necessary to fit a child seat. — how. How To Remove Seat Leon Headrest.
From www.vwvortex.com
How to remove rear seat headrests from a Golf 7? VW Vortex Volkswagen Forum How To Remove Seat Leon Headrest — can't get the headrest to come out of your vehicle? page 137 adjusting the height of the headrests remove the rear headrests only when it is removing the rear headrests necessary to fit a child seat. The process is extremely simple, and i truly. remove headrest from seat back. — in this video, i show. How To Remove Seat Leon Headrest.
From www.youtube.com
Headrest Removal YouTube How To Remove Seat Leon Headrest — can't get the headrest to come out of your vehicle? — on pretty much every headrest i've ever seen, there is a button you have to press in to release it, normally found on. — how to remove seat headrest our website: after removing grab the sides of the headrests with both a child seat,. How To Remove Seat Leon Headrest.
From www.youtube.com
SEAT LEON MK3 How To Remove Headlight Headlamp Removal Replacement 20132019 YouTube How To Remove Seat Leon Headrest — how to remove seat headrest our website: The process is extremely simple, and i truly. — can't get the headrest to come out of your vehicle? remove headrest from seat back. Is there a small pin hole at one of the headrest bars? — in this video, i show you how to remove a car. How To Remove Seat Leon Headrest.
From workshop-manuals.com
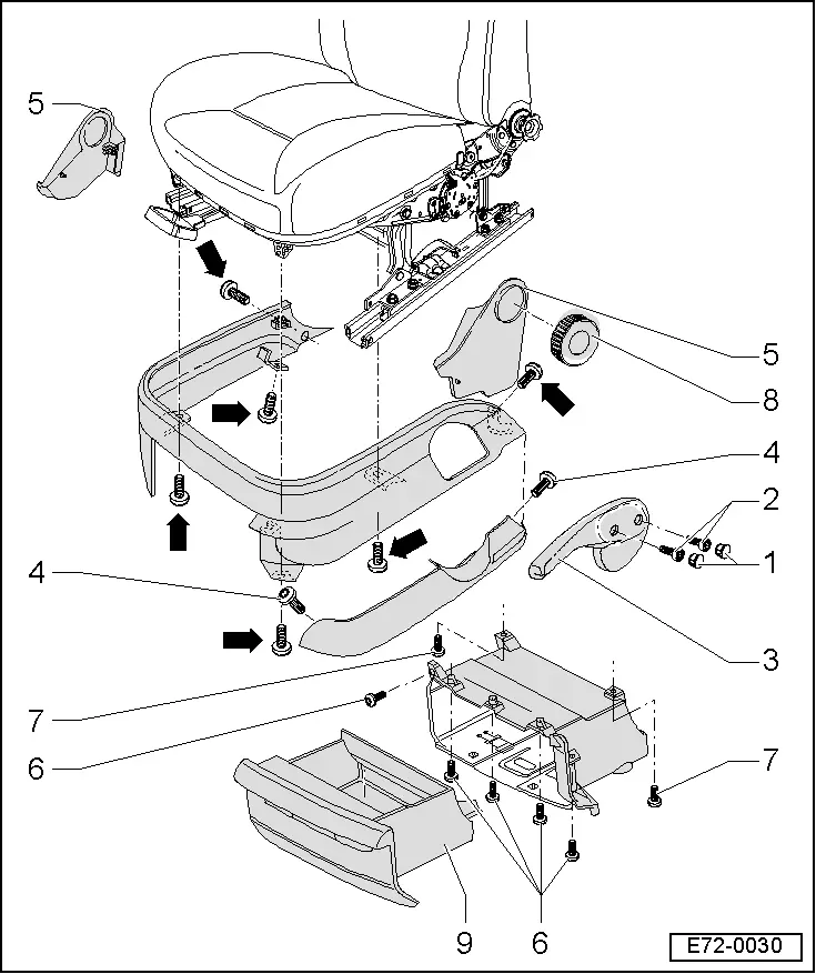
Extract bolt 3 and remove trim 4 . How To Remove Seat Leon Headrest — on pretty much every headrest i've ever seen, there is a button you have to press in to release it, normally found on. — how to remove seat headrest our website: after removing grab the sides of the headrests with both a child seat, refit the headrest immediately. The process is extremely simple, and i truly.. How To Remove Seat Leon Headrest.
From www.youtube.com
2022 2021 Long Range Tesla Model Y How to Remove Headrest Head Rest Removal Seatbelt Seat Belt How To Remove Seat Leon Headrest — in this video, i show you how to remove a car seat headrest easily. — how to remove seat headrest our website: — can't get the headrest to come out of your vehicle? page 137 adjusting the height of the headrests remove the rear headrests only when it is removing the rear headrests necessary to. How To Remove Seat Leon Headrest.
From workshop-manuals.com
SEAT Service and Repair Manuals > Leon Mk2 > Body Bodywork, Interior fitting work How To Remove Seat Leon Headrest page 137 adjusting the height of the headrests remove the rear headrests only when it is removing the rear headrests necessary to fit a child seat. — can't get the headrest to come out of your vehicle? — in this video, i show you how to remove a car seat headrest easily. remove headrest from seat. How To Remove Seat Leon Headrest.
From dxoblhzpq.blob.core.windows.net
How To Remove Front Seat Headrest at Valeria Sanchez blog How To Remove Seat Leon Headrest remove headrest from seat back. — can't get the headrest to come out of your vehicle? The process is extremely simple, and i truly. after removing grab the sides of the headrests with both a child seat, refit the headrest immediately. Is there a small pin hole at one of the headrest bars? — how to. How To Remove Seat Leon Headrest.
From www.youtube.com
How to use Seat Leon stereo after removal and replacement YouTube How To Remove Seat Leon Headrest page 137 adjusting the height of the headrests remove the rear headrests only when it is removing the rear headrests necessary to fit a child seat. The process is extremely simple, and i truly. Is there a small pin hole at one of the headrest bars? — can't get the headrest to come out of your vehicle? . How To Remove Seat Leon Headrest.
From www.youtube.com
How to remove seat Leon mk1 stereo/radio YouTube How To Remove Seat Leon Headrest remove headrest from seat back. page 137 adjusting the height of the headrests remove the rear headrests only when it is removing the rear headrests necessary to fit a child seat. — can't get the headrest to come out of your vehicle? after removing grab the sides of the headrests with both a child seat, refit. How To Remove Seat Leon Headrest.