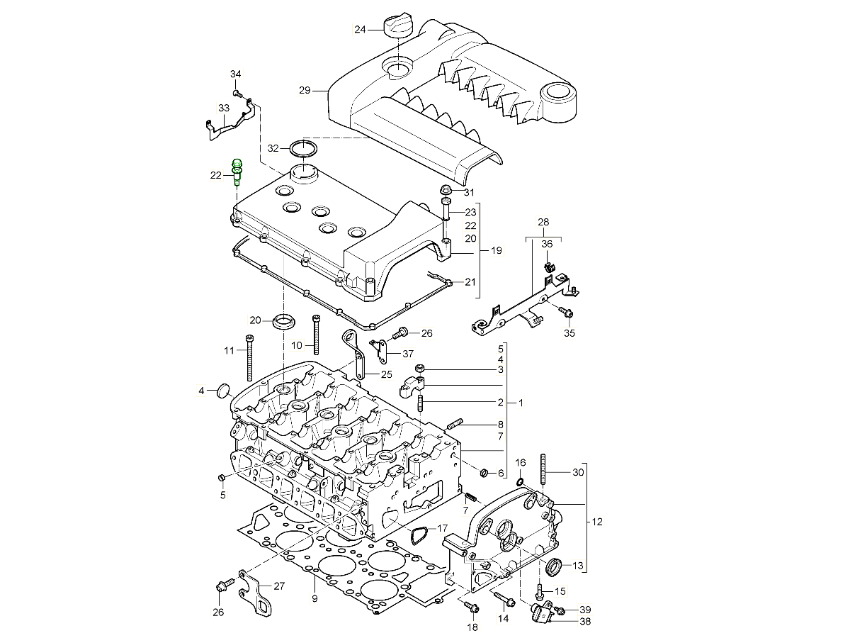
Porsche Cayenne Valve Cover . What's up regulars, today we will be replacing the. whats up everyone today i will be showing you how to change your valve. The information i found online were invaluable along with this one. quickly find valve cover parts for the porsche cayenne (2007) using the exploded parts diagram at eurospares. over time, heat and engine oil can cause the valve cover gaskets to crack and start to weep oil both out the sides of the valve cover and into the spark plug holes. i just did the valve cover gasket job on my 2006 cayenne turbo s. quickly find valve cover parts for the porsche cayenne (2008) using the exploded parts diagram at eurospares.
from www.gaudinporscheparts.com
What's up regulars, today we will be replacing the. whats up everyone today i will be showing you how to change your valve. over time, heat and engine oil can cause the valve cover gaskets to crack and start to weep oil both out the sides of the valve cover and into the spark plug holes. quickly find valve cover parts for the porsche cayenne (2007) using the exploded parts diagram at eurospares. quickly find valve cover parts for the porsche cayenne (2008) using the exploded parts diagram at eurospares. i just did the valve cover gasket job on my 2006 cayenne turbo s. The information i found online were invaluable along with this one.
20132016 Porsche Cayenne Valve Cover 95810513611 Gaudin Porsche Parts
Porsche Cayenne Valve Cover i just did the valve cover gasket job on my 2006 cayenne turbo s. whats up everyone today i will be showing you how to change your valve. quickly find valve cover parts for the porsche cayenne (2008) using the exploded parts diagram at eurospares. over time, heat and engine oil can cause the valve cover gaskets to crack and start to weep oil both out the sides of the valve cover and into the spark plug holes. What's up regulars, today we will be replacing the. i just did the valve cover gasket job on my 2006 cayenne turbo s. quickly find valve cover parts for the porsche cayenne (2007) using the exploded parts diagram at eurospares. The information i found online were invaluable along with this one.
From www.design911.co.uk
Porsche Cayenne Engine Valve Cover Gasket 94810593300 94810593300 Porsche Cayenne Valve Cover The information i found online were invaluable along with this one. quickly find valve cover parts for the porsche cayenne (2008) using the exploded parts diagram at eurospares. whats up everyone today i will be showing you how to change your valve. quickly find valve cover parts for the porsche cayenne (2007) using the exploded parts diagram. Porsche Cayenne Valve Cover.
From www.ebay.com
20112018 PORSCHE CAYENNE S 4.8L LEFT DRIVER ENGINE VALVE COVER OEM eBay Porsche Cayenne Valve Cover quickly find valve cover parts for the porsche cayenne (2007) using the exploded parts diagram at eurospares. whats up everyone today i will be showing you how to change your valve. quickly find valve cover parts for the porsche cayenne (2008) using the exploded parts diagram at eurospares. The information i found online were invaluable along with. Porsche Cayenne Valve Cover.
From www.sunsetporscheparts.com
20132016 Porsche Cayenne Valve Cover 95810513511 Sunset Porsche Parts Porsche Cayenne Valve Cover quickly find valve cover parts for the porsche cayenne (2008) using the exploded parts diagram at eurospares. quickly find valve cover parts for the porsche cayenne (2007) using the exploded parts diagram at eurospares. over time, heat and engine oil can cause the valve cover gaskets to crack and start to weep oil both out the sides. Porsche Cayenne Valve Cover.
From www.design911.com
Engine Valve Cover for Porsche Cayenne 957 958 95810513530 Porsche Cayenne Valve Cover What's up regulars, today we will be replacing the. quickly find valve cover parts for the porsche cayenne (2008) using the exploded parts diagram at eurospares. The information i found online were invaluable along with this one. over time, heat and engine oil can cause the valve cover gaskets to crack and start to weep oil both out. Porsche Cayenne Valve Cover.
From www.youtube.com
Porsche Cayenne Intake & Valve Cover Removal for PCV fix YouTube Porsche Cayenne Valve Cover What's up regulars, today we will be replacing the. quickly find valve cover parts for the porsche cayenne (2007) using the exploded parts diagram at eurospares. i just did the valve cover gasket job on my 2006 cayenne turbo s. over time, heat and engine oil can cause the valve cover gaskets to crack and start to. Porsche Cayenne Valve Cover.
From www.pelicanparts.com
Porsche Cayenne Valve Cover Gasket Replacement 20032008 Pelican Porsche Cayenne Valve Cover The information i found online were invaluable along with this one. quickly find valve cover parts for the porsche cayenne (2007) using the exploded parts diagram at eurospares. What's up regulars, today we will be replacing the. over time, heat and engine oil can cause the valve cover gaskets to crack and start to weep oil both out. Porsche Cayenne Valve Cover.
From www.design911.com
Engine Valve Cover for Porsche Cayenne 957 958 95810513530 Porsche Cayenne Valve Cover The information i found online were invaluable along with this one. whats up everyone today i will be showing you how to change your valve. quickly find valve cover parts for the porsche cayenne (2008) using the exploded parts diagram at eurospares. What's up regulars, today we will be replacing the. i just did the valve cover. Porsche Cayenne Valve Cover.
From www.design911.co.uk
Porsche 955 Cayenne Valve cover bolt with seal and guide sleeve Porsche Cayenne Valve Cover i just did the valve cover gasket job on my 2006 cayenne turbo s. whats up everyone today i will be showing you how to change your valve. over time, heat and engine oil can cause the valve cover gaskets to crack and start to weep oil both out the sides of the valve cover and into. Porsche Cayenne Valve Cover.
From www.ebay.com
For Porsche Cayenne Turbo 20032006 PCV Valve Cover Repair Kit Porsche Cayenne Valve Cover whats up everyone today i will be showing you how to change your valve. quickly find valve cover parts for the porsche cayenne (2008) using the exploded parts diagram at eurospares. over time, heat and engine oil can cause the valve cover gaskets to crack and start to weep oil both out the sides of the valve. Porsche Cayenne Valve Cover.
From www.ebay.com
20042006 PORSCHE CAYENNE (955) 3.2L VR6 ENGINE CYLINDER HEAD VALVE Porsche Cayenne Valve Cover whats up everyone today i will be showing you how to change your valve. quickly find valve cover parts for the porsche cayenne (2008) using the exploded parts diagram at eurospares. quickly find valve cover parts for the porsche cayenne (2007) using the exploded parts diagram at eurospares. i just did the valve cover gasket job. Porsche Cayenne Valve Cover.
From partworks.de
Pressure control valve for Porsche Cayenne S Turbo 955 9PA valve cover Porsche Cayenne Valve Cover quickly find valve cover parts for the porsche cayenne (2008) using the exploded parts diagram at eurospares. The information i found online were invaluable along with this one. over time, heat and engine oil can cause the valve cover gaskets to crack and start to weep oil both out the sides of the valve cover and into the. Porsche Cayenne Valve Cover.
From parts.byersporsche.com
2017 Porsche Cayenne Engine Valve Cover. Cayenne Hybrid; Cylinder Porsche Cayenne Valve Cover whats up everyone today i will be showing you how to change your valve. What's up regulars, today we will be replacing the. The information i found online were invaluable along with this one. quickly find valve cover parts for the porsche cayenne (2008) using the exploded parts diagram at eurospares. quickly find valve cover parts for. Porsche Cayenne Valve Cover.
From satuned.com
Genuine Porsche 957 Cayenne Valve Cover Set SATuned Porsche Cayenne Valve Cover i just did the valve cover gasket job on my 2006 cayenne turbo s. over time, heat and engine oil can cause the valve cover gaskets to crack and start to weep oil both out the sides of the valve cover and into the spark plug holes. quickly find valve cover parts for the porsche cayenne (2007). Porsche Cayenne Valve Cover.
From www.autoatlanta.com
Porsche Cayenne Valve Cover Results Porsche Cayenne Valve Cover quickly find valve cover parts for the porsche cayenne (2008) using the exploded parts diagram at eurospares. over time, heat and engine oil can cause the valve cover gaskets to crack and start to weep oil both out the sides of the valve cover and into the spark plug holes. quickly find valve cover parts for the. Porsche Cayenne Valve Cover.
From shop.euroimpex.lt
022103475Q USED Valve cover Porsche Cayenne 2003 3.2L EIS00421938 Porsche Cayenne Valve Cover The information i found online were invaluable along with this one. What's up regulars, today we will be replacing the. i just did the valve cover gasket job on my 2006 cayenne turbo s. quickly find valve cover parts for the porsche cayenne (2008) using the exploded parts diagram at eurospares. quickly find valve cover parts for. Porsche Cayenne Valve Cover.
From www.ebay.co.uk
Diaphragm Valve Cover Porsche Cayenne 4.5L 450PS Membrane 94810513107 Porsche Cayenne Valve Cover over time, heat and engine oil can cause the valve cover gaskets to crack and start to weep oil both out the sides of the valve cover and into the spark plug holes. i just did the valve cover gasket job on my 2006 cayenne turbo s. quickly find valve cover parts for the porsche cayenne (2007). Porsche Cayenne Valve Cover.
From www.porscheatlantaperimeterparts.com
Porsche Cayenne valve cover Porsche Cayenne Valve Cover whats up everyone today i will be showing you how to change your valve. over time, heat and engine oil can cause the valve cover gaskets to crack and start to weep oil both out the sides of the valve cover and into the spark plug holes. The information i found online were invaluable along with this one.. Porsche Cayenne Valve Cover.
From partsouq.com
PORSCHE CAYENNE VALVE COVER 95810513531 Porsche Parts PartSouq Porsche Cayenne Valve Cover i just did the valve cover gasket job on my 2006 cayenne turbo s. whats up everyone today i will be showing you how to change your valve. The information i found online were invaluable along with this one. What's up regulars, today we will be replacing the. quickly find valve cover parts for the porsche cayenne. Porsche Cayenne Valve Cover.
From www.pelicanparts.com
Porsche Cayenne Valve Cover Gasket Replacement 20032008 Pelican Porsche Cayenne Valve Cover quickly find valve cover parts for the porsche cayenne (2008) using the exploded parts diagram at eurospares. whats up everyone today i will be showing you how to change your valve. quickly find valve cover parts for the porsche cayenne (2007) using the exploded parts diagram at eurospares. The information i found online were invaluable along with. Porsche Cayenne Valve Cover.
From www.desertcart.ae
Buy New Valve Cover for Porsche Cayenne 20032006 94810513206 Porsche Cayenne Valve Cover i just did the valve cover gasket job on my 2006 cayenne turbo s. over time, heat and engine oil can cause the valve cover gaskets to crack and start to weep oil both out the sides of the valve cover and into the spark plug holes. The information i found online were invaluable along with this one.. Porsche Cayenne Valve Cover.
From www.gaudinporscheparts.com
20132016 Porsche Cayenne Valve Cover 95810513611 Gaudin Porsche Parts Porsche Cayenne Valve Cover over time, heat and engine oil can cause the valve cover gaskets to crack and start to weep oil both out the sides of the valve cover and into the spark plug holes. quickly find valve cover parts for the porsche cayenne (2007) using the exploded parts diagram at eurospares. quickly find valve cover parts for the. Porsche Cayenne Valve Cover.
From parts.byersporsche.com
Porsche Cayenne Engine Valve Cover. 3.6 LITER. 3.6 LITER 95810513531 Porsche Cayenne Valve Cover i just did the valve cover gasket job on my 2006 cayenne turbo s. The information i found online were invaluable along with this one. quickly find valve cover parts for the porsche cayenne (2008) using the exploded parts diagram at eurospares. quickly find valve cover parts for the porsche cayenne (2007) using the exploded parts diagram. Porsche Cayenne Valve Cover.
From partsouq.com
PORSCHE CAYENNE VALVE COVER 95810513531 Porsche Parts PartSouq Porsche Cayenne Valve Cover The information i found online were invaluable along with this one. i just did the valve cover gasket job on my 2006 cayenne turbo s. whats up everyone today i will be showing you how to change your valve. quickly find valve cover parts for the porsche cayenne (2007) using the exploded parts diagram at eurospares. . Porsche Cayenne Valve Cover.
From klifex.ua
Diaphragm PCV Valve Cover Porsche Cayenne 3.6 M55.01 95510513501 buy Porsche Cayenne Valve Cover i just did the valve cover gasket job on my 2006 cayenne turbo s. What's up regulars, today we will be replacing the. over time, heat and engine oil can cause the valve cover gaskets to crack and start to weep oil both out the sides of the valve cover and into the spark plug holes. whats. Porsche Cayenne Valve Cover.
From www.partsgeek.com
20082014, 20162018 Porsche Cayenne Valve Cover Genuine 958 105 135 Porsche Cayenne Valve Cover quickly find valve cover parts for the porsche cayenne (2008) using the exploded parts diagram at eurospares. The information i found online were invaluable along with this one. whats up everyone today i will be showing you how to change your valve. quickly find valve cover parts for the porsche cayenne (2007) using the exploded parts diagram. Porsche Cayenne Valve Cover.
From www.porscheatlantaperimeterparts.com
Porsche Cayenne valve cover Porsche Cayenne Valve Cover i just did the valve cover gasket job on my 2006 cayenne turbo s. quickly find valve cover parts for the porsche cayenne (2008) using the exploded parts diagram at eurospares. What's up regulars, today we will be replacing the. The information i found online were invaluable along with this one. whats up everyone today i will. Porsche Cayenne Valve Cover.
From www.aliexpress.com
Left Engine Valve Cover 95810513500+Gasket For PORSCHE Cayenne 2011 Porsche Cayenne Valve Cover The information i found online were invaluable along with this one. over time, heat and engine oil can cause the valve cover gaskets to crack and start to weep oil both out the sides of the valve cover and into the spark plug holes. What's up regulars, today we will be replacing the. quickly find valve cover parts. Porsche Cayenne Valve Cover.
From www.aliexpress.com
MANERI 94810513207 Engine Valve Cover Cap Lid Repair Kit Membrane For Porsche Cayenne Valve Cover i just did the valve cover gasket job on my 2006 cayenne turbo s. quickly find valve cover parts for the porsche cayenne (2007) using the exploded parts diagram at eurospares. The information i found online were invaluable along with this one. quickly find valve cover parts for the porsche cayenne (2008) using the exploded parts diagram. Porsche Cayenne Valve Cover.
From www.ebay.com
valve cover right Porsche Cayenne 958 4.8 Turbo 94810513521 eBay Porsche Cayenne Valve Cover i just did the valve cover gasket job on my 2006 cayenne turbo s. quickly find valve cover parts for the porsche cayenne (2007) using the exploded parts diagram at eurospares. quickly find valve cover parts for the porsche cayenne (2008) using the exploded parts diagram at eurospares. The information i found online were invaluable along with. Porsche Cayenne Valve Cover.
From www.youtube.com
PORSCHE CAYENNE S VALVE COVER TORQUE SPECS SEQUENCE YouTube Porsche Cayenne Valve Cover quickly find valve cover parts for the porsche cayenne (2007) using the exploded parts diagram at eurospares. over time, heat and engine oil can cause the valve cover gaskets to crack and start to weep oil both out the sides of the valve cover and into the spark plug holes. quickly find valve cover parts for the. Porsche Cayenne Valve Cover.
From www.pelicanparts.com
Porsche Cayenne Valve Cover Gasket Replacement 20032008 Pelican Porsche Cayenne Valve Cover quickly find valve cover parts for the porsche cayenne (2008) using the exploded parts diagram at eurospares. The information i found online were invaluable along with this one. quickly find valve cover parts for the porsche cayenne (2007) using the exploded parts diagram at eurospares. whats up everyone today i will be showing you how to change. Porsche Cayenne Valve Cover.
From partsouq.com
PORSCHE CAYENNE VALVE COVER 95810513531 Porsche Parts PartSouq Porsche Cayenne Valve Cover quickly find valve cover parts for the porsche cayenne (2007) using the exploded parts diagram at eurospares. i just did the valve cover gasket job on my 2006 cayenne turbo s. over time, heat and engine oil can cause the valve cover gaskets to crack and start to weep oil both out the sides of the valve. Porsche Cayenne Valve Cover.
From partsouq.com
PORSCHE CAYENNE VALVE COVER 95810513531 Porsche Parts PartSouq Porsche Cayenne Valve Cover The information i found online were invaluable along with this one. quickly find valve cover parts for the porsche cayenne (2007) using the exploded parts diagram at eurospares. whats up everyone today i will be showing you how to change your valve. over time, heat and engine oil can cause the valve cover gaskets to crack and. Porsche Cayenne Valve Cover.
From satuned.com
Genuine Porsche 957 Cayenne Valve Cover Set SATuned Porsche Cayenne Valve Cover whats up everyone today i will be showing you how to change your valve. over time, heat and engine oil can cause the valve cover gaskets to crack and start to weep oil both out the sides of the valve cover and into the spark plug holes. quickly find valve cover parts for the porsche cayenne (2008). Porsche Cayenne Valve Cover.
From parts.byersporsche.com
2017 Porsche Cayenne Engine Valve Cover. Cayenne Hybrid; Cylinder Porsche Cayenne Valve Cover over time, heat and engine oil can cause the valve cover gaskets to crack and start to weep oil both out the sides of the valve cover and into the spark plug holes. whats up everyone today i will be showing you how to change your valve. quickly find valve cover parts for the porsche cayenne (2008). Porsche Cayenne Valve Cover.