Alarm Door Lock Relay Wiring . When one wire is put to 12volts (+) and the other. Learn about reverse polarity door lock relay wiring, how it works, and why it is important in securing your doors. Reverse polarity door locks are when the door lock actuator has 2 wires. This video will show you how to wire relays to control aftermarket door lock actuators. One of the most common uses of a relay is for reverse polarity door locks. The door locks may function correctly one moment, and in the next will. Learn how to wire a door lock relay for enhanced security and convenience. If the door lock relay has any internal or wiring issues, it can cause the door locks to function intermittently.
from wiringdiagram.2bitboer.com
This video will show you how to wire relays to control aftermarket door lock actuators. Reverse polarity door locks are when the door lock actuator has 2 wires. When one wire is put to 12volts (+) and the other. If the door lock relay has any internal or wiring issues, it can cause the door locks to function intermittently. Learn about reverse polarity door lock relay wiring, how it works, and why it is important in securing your doors. One of the most common uses of a relay is for reverse polarity door locks. Learn how to wire a door lock relay for enhanced security and convenience. The door locks may function correctly one moment, and in the next will.
maglock wiring diagram Wiring Diagram
Alarm Door Lock Relay Wiring When one wire is put to 12volts (+) and the other. Reverse polarity door locks are when the door lock actuator has 2 wires. The door locks may function correctly one moment, and in the next will. This video will show you how to wire relays to control aftermarket door lock actuators. When one wire is put to 12volts (+) and the other. One of the most common uses of a relay is for reverse polarity door locks. Learn how to wire a door lock relay for enhanced security and convenience. If the door lock relay has any internal or wiring issues, it can cause the door locks to function intermittently. Learn about reverse polarity door lock relay wiring, how it works, and why it is important in securing your doors.
From thechill-icystreets.blogspot.com
Volt Relay Wiring Diagram Door Locks thechillicystreets Alarm Door Lock Relay Wiring Learn about reverse polarity door lock relay wiring, how it works, and why it is important in securing your doors. This video will show you how to wire relays to control aftermarket door lock actuators. One of the most common uses of a relay is for reverse polarity door locks. If the door lock relay has any internal or wiring. Alarm Door Lock Relay Wiring.
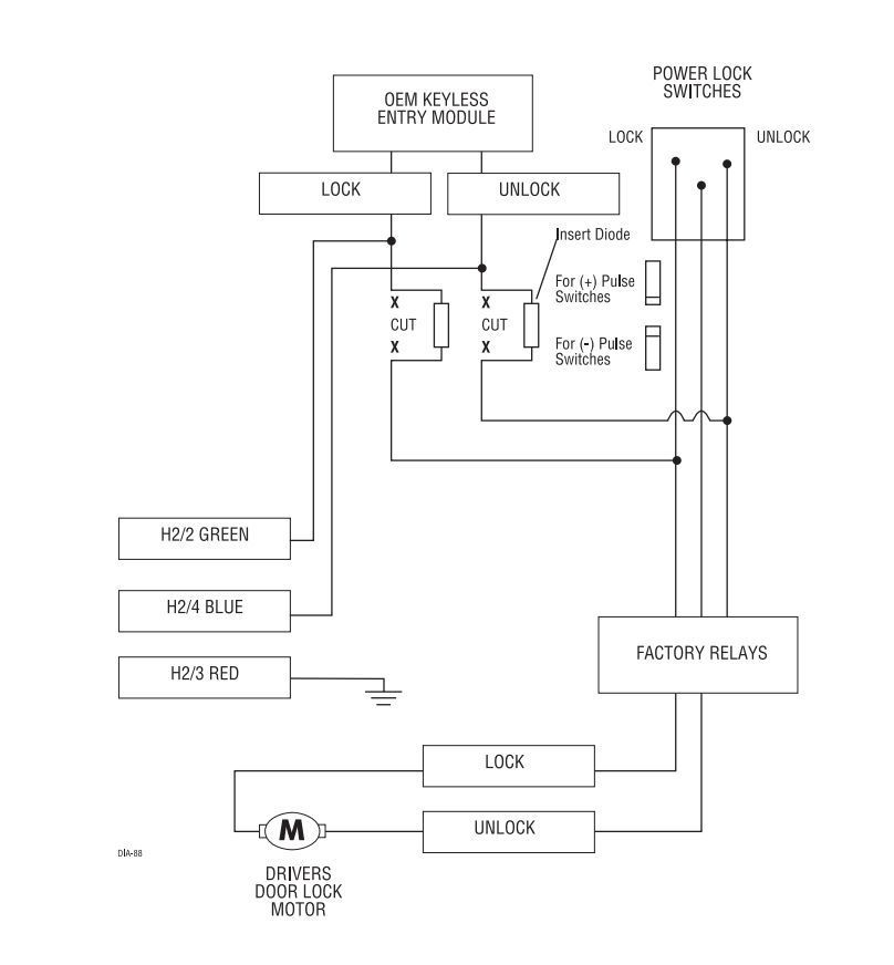
From galvinconanstuart.blogspot.com
Power Door Lock Wiring Diagram General Wiring Diagram Alarm Door Lock Relay Wiring When one wire is put to 12volts (+) and the other. Learn about reverse polarity door lock relay wiring, how it works, and why it is important in securing your doors. Learn how to wire a door lock relay for enhanced security and convenience. One of the most common uses of a relay is for reverse polarity door locks. This. Alarm Door Lock Relay Wiring.
From www.wiringdraw.com
door lock relay wiring diagram 2 wire Wiring Draw And Schematic Alarm Door Lock Relay Wiring Reverse polarity door locks are when the door lock actuator has 2 wires. The door locks may function correctly one moment, and in the next will. When one wire is put to 12volts (+) and the other. Learn about reverse polarity door lock relay wiring, how it works, and why it is important in securing your doors. This video will. Alarm Door Lock Relay Wiring.
From www.youtube.com
How To Wire Your Alarm To A Car With Negative Door Lock System YouTube Alarm Door Lock Relay Wiring This video will show you how to wire relays to control aftermarket door lock actuators. When one wire is put to 12volts (+) and the other. Learn about reverse polarity door lock relay wiring, how it works, and why it is important in securing your doors. The door locks may function correctly one moment, and in the next will. Reverse. Alarm Door Lock Relay Wiring.
From www.youtube.com
How To Wire Up A 5 wire Relay For Positive Door Locks Actuators Invert Alarm Door Lock Relay Wiring This video will show you how to wire relays to control aftermarket door lock actuators. Learn how to wire a door lock relay for enhanced security and convenience. Learn about reverse polarity door lock relay wiring, how it works, and why it is important in securing your doors. The door locks may function correctly one moment, and in the next. Alarm Door Lock Relay Wiring.
From www.eaton.com
Door release module for addressable fire alarm systems Eaton Alarm Door Lock Relay Wiring When one wire is put to 12volts (+) and the other. Learn how to wire a door lock relay for enhanced security and convenience. This video will show you how to wire relays to control aftermarket door lock actuators. The door locks may function correctly one moment, and in the next will. Learn about reverse polarity door lock relay wiring,. Alarm Door Lock Relay Wiring.
From www.youtube.com
ANTI THEFT 2 WAY ALARM ( WIRING DIAGRAM ) EASIEST WAY TO INSTALL YouTube Alarm Door Lock Relay Wiring The door locks may function correctly one moment, and in the next will. Learn how to wire a door lock relay for enhanced security and convenience. Learn about reverse polarity door lock relay wiring, how it works, and why it is important in securing your doors. When one wire is put to 12volts (+) and the other. Reverse polarity door. Alarm Door Lock Relay Wiring.
From wiringdiagram.2bitboer.com
maglock wiring diagram Wiring Diagram Alarm Door Lock Relay Wiring Learn about reverse polarity door lock relay wiring, how it works, and why it is important in securing your doors. One of the most common uses of a relay is for reverse polarity door locks. If the door lock relay has any internal or wiring issues, it can cause the door locks to function intermittently. The door locks may function. Alarm Door Lock Relay Wiring.
From fixlistandreas123.z13.web.core.windows.net
Door Lock Alarm Wiring Diagram Alarm Door Lock Relay Wiring One of the most common uses of a relay is for reverse polarity door locks. Reverse polarity door locks are when the door lock actuator has 2 wires. The door locks may function correctly one moment, and in the next will. Learn about reverse polarity door lock relay wiring, how it works, and why it is important in securing your. Alarm Door Lock Relay Wiring.
From wiringall.com
Maglock Wiring Diagram Alarm Door Lock Relay Wiring The door locks may function correctly one moment, and in the next will. If the door lock relay has any internal or wiring issues, it can cause the door locks to function intermittently. Learn how to wire a door lock relay for enhanced security and convenience. This video will show you how to wire relays to control aftermarket door lock. Alarm Door Lock Relay Wiring.
From esp32io.com
ESP32 Door Lock System using Password ESP32 Tutorial Alarm Door Lock Relay Wiring The door locks may function correctly one moment, and in the next will. If the door lock relay has any internal or wiring issues, it can cause the door locks to function intermittently. One of the most common uses of a relay is for reverse polarity door locks. This video will show you how to wire relays to control aftermarket. Alarm Door Lock Relay Wiring.
From diagramlisteards.z13.web.core.windows.net
Power Door Lock Relay Wiring Diagram Alarm Door Lock Relay Wiring Learn about reverse polarity door lock relay wiring, how it works, and why it is important in securing your doors. Reverse polarity door locks are when the door lock actuator has 2 wires. One of the most common uses of a relay is for reverse polarity door locks. When one wire is put to 12volts (+) and the other. This. Alarm Door Lock Relay Wiring.
From userfixmauer.z19.web.core.windows.net
Car Alarm Central Locking Wiring Diagram Alarm Door Lock Relay Wiring The door locks may function correctly one moment, and in the next will. Learn about reverse polarity door lock relay wiring, how it works, and why it is important in securing your doors. When one wire is put to 12volts (+) and the other. One of the most common uses of a relay is for reverse polarity door locks. This. Alarm Door Lock Relay Wiring.
From galvinconanstuart.blogspot.com
5 Wire Door Lock Relay Diagram General Wiring Diagram Alarm Door Lock Relay Wiring Learn about reverse polarity door lock relay wiring, how it works, and why it is important in securing your doors. This video will show you how to wire relays to control aftermarket door lock actuators. The door locks may function correctly one moment, and in the next will. One of the most common uses of a relay is for reverse. Alarm Door Lock Relay Wiring.
From kintronics.com
How to Wire Your Door Access Control System Kintronics Alarm Door Lock Relay Wiring This video will show you how to wire relays to control aftermarket door lock actuators. If the door lock relay has any internal or wiring issues, it can cause the door locks to function intermittently. Learn how to wire a door lock relay for enhanced security and convenience. Learn about reverse polarity door lock relay wiring, how it works, and. Alarm Door Lock Relay Wiring.
From wiringdiagram.2bitboer.com
Central Door Lock Wiring Diagram Wiring Diagram Alarm Door Lock Relay Wiring Reverse polarity door locks are when the door lock actuator has 2 wires. Learn about reverse polarity door lock relay wiring, how it works, and why it is important in securing your doors. The door locks may function correctly one moment, and in the next will. This video will show you how to wire relays to control aftermarket door lock. Alarm Door Lock Relay Wiring.
From wiringlibmessier.z21.web.core.windows.net
Relay Wiring Diagram Door Locks Alarm Door Lock Relay Wiring When one wire is put to 12volts (+) and the other. Learn how to wire a door lock relay for enhanced security and convenience. The door locks may function correctly one moment, and in the next will. Learn about reverse polarity door lock relay wiring, how it works, and why it is important in securing your doors. One of the. Alarm Door Lock Relay Wiring.
From www.caretxdigital.com
Wiring Diagram For Car Door Lock Wiring Diagram and Schematics Alarm Door Lock Relay Wiring Learn how to wire a door lock relay for enhanced security and convenience. This video will show you how to wire relays to control aftermarket door lock actuators. Reverse polarity door locks are when the door lock actuator has 2 wires. The door locks may function correctly one moment, and in the next will. One of the most common uses. Alarm Door Lock Relay Wiring.
From galvinconanstuart.blogspot.com
5 Wire Door Lock Relay Diagram General Wiring Diagram Alarm Door Lock Relay Wiring One of the most common uses of a relay is for reverse polarity door locks. Learn about reverse polarity door lock relay wiring, how it works, and why it is important in securing your doors. Learn how to wire a door lock relay for enhanced security and convenience. This video will show you how to wire relays to control aftermarket. Alarm Door Lock Relay Wiring.
From wiredraw.co
Door Lock Relay Wiring Diagram 2 Wire Wiring Draw Alarm Door Lock Relay Wiring One of the most common uses of a relay is for reverse polarity door locks. Reverse polarity door locks are when the door lock actuator has 2 wires. If the door lock relay has any internal or wiring issues, it can cause the door locks to function intermittently. When one wire is put to 12volts (+) and the other. This. Alarm Door Lock Relay Wiring.
From wiringmanualsplanchnic.z5.web.core.windows.net
Door Lock Relay Wiring Alarm Door Lock Relay Wiring This video will show you how to wire relays to control aftermarket door lock actuators. Reverse polarity door locks are when the door lock actuator has 2 wires. Learn about reverse polarity door lock relay wiring, how it works, and why it is important in securing your doors. If the door lock relay has any internal or wiring issues, it. Alarm Door Lock Relay Wiring.
From kintronics.com
Access Control and Fire Alarm System Integration Kintronics Alarm Door Lock Relay Wiring The door locks may function correctly one moment, and in the next will. This video will show you how to wire relays to control aftermarket door lock actuators. One of the most common uses of a relay is for reverse polarity door locks. If the door lock relay has any internal or wiring issues, it can cause the door locks. Alarm Door Lock Relay Wiring.
From www.wiringdigital.com
Door Lock Relay Wiring Diagram 2 Wire » Wiring Digital And Schematic Alarm Door Lock Relay Wiring The door locks may function correctly one moment, and in the next will. When one wire is put to 12volts (+) and the other. Learn about reverse polarity door lock relay wiring, how it works, and why it is important in securing your doors. This video will show you how to wire relays to control aftermarket door lock actuators. If. Alarm Door Lock Relay Wiring.
From blog.dga.com
Fire Relays Integrating Your Access Control and Fire Alarm Systems Alarm Door Lock Relay Wiring One of the most common uses of a relay is for reverse polarity door locks. Learn how to wire a door lock relay for enhanced security and convenience. The door locks may function correctly one moment, and in the next will. Reverse polarity door locks are when the door lock actuator has 2 wires. If the door lock relay has. Alarm Door Lock Relay Wiring.
From kiwikellz.blogspot.com
25 5 Wire Door Lock Actuator Wiring Diagram Labels Ideas For You Alarm Door Lock Relay Wiring Reverse polarity door locks are when the door lock actuator has 2 wires. Learn how to wire a door lock relay for enhanced security and convenience. The door locks may function correctly one moment, and in the next will. One of the most common uses of a relay is for reverse polarity door locks. If the door lock relay has. Alarm Door Lock Relay Wiring.
From www.wiringdigital.com
Door Lock Relay Wiring Diagram 2 Wire » Wiring Digital And Schematic Alarm Door Lock Relay Wiring Learn how to wire a door lock relay for enhanced security and convenience. Reverse polarity door locks are when the door lock actuator has 2 wires. The door locks may function correctly one moment, and in the next will. One of the most common uses of a relay is for reverse polarity door locks. Learn about reverse polarity door lock. Alarm Door Lock Relay Wiring.
From www.wiringdigital.com
Door Lock Relay Wiring Diagram 2 Wire » Wiring Digital And Schematic Alarm Door Lock Relay Wiring One of the most common uses of a relay is for reverse polarity door locks. The door locks may function correctly one moment, and in the next will. Learn how to wire a door lock relay for enhanced security and convenience. Reverse polarity door locks are when the door lock actuator has 2 wires. Learn about reverse polarity door lock. Alarm Door Lock Relay Wiring.
From www.circuitdiagram.co
Door Lock Alarm Wiring Diagram Circuit Diagram Alarm Door Lock Relay Wiring When one wire is put to 12volts (+) and the other. This video will show you how to wire relays to control aftermarket door lock actuators. One of the most common uses of a relay is for reverse polarity door locks. If the door lock relay has any internal or wiring issues, it can cause the door locks to function. Alarm Door Lock Relay Wiring.
From www.pinterest.com
Door Lock Actuator Wiring Diagram Mes 5 Wire Great Central Locking New Alarm Door Lock Relay Wiring Learn how to wire a door lock relay for enhanced security and convenience. Learn about reverse polarity door lock relay wiring, how it works, and why it is important in securing your doors. One of the most common uses of a relay is for reverse polarity door locks. The door locks may function correctly one moment, and in the next. Alarm Door Lock Relay Wiring.
From www.youtube.com
How to wire a positive type door locking system with car alarm Alarm Door Lock Relay Wiring Learn how to wire a door lock relay for enhanced security and convenience. Learn about reverse polarity door lock relay wiring, how it works, and why it is important in securing your doors. This video will show you how to wire relays to control aftermarket door lock actuators. When one wire is put to 12volts (+) and the other. If. Alarm Door Lock Relay Wiring.
From ls1tech.com
Installing a Viper 5706 Remote Start + Alarm LS1TECH Camaro and Alarm Door Lock Relay Wiring Learn how to wire a door lock relay for enhanced security and convenience. This video will show you how to wire relays to control aftermarket door lock actuators. One of the most common uses of a relay is for reverse polarity door locks. When one wire is put to 12volts (+) and the other. If the door lock relay has. Alarm Door Lock Relay Wiring.
From www.wiringdraw.com
door lock relay wiring diagram 2 wire Wiring Draw And Schematic Alarm Door Lock Relay Wiring If the door lock relay has any internal or wiring issues, it can cause the door locks to function intermittently. Reverse polarity door locks are when the door lock actuator has 2 wires. Learn about reverse polarity door lock relay wiring, how it works, and why it is important in securing your doors. Learn how to wire a door lock. Alarm Door Lock Relay Wiring.
From fyolvspku.blob.core.windows.net
Reverse Polarity Door Lock Relay Wiring at Dale Carr blog Alarm Door Lock Relay Wiring This video will show you how to wire relays to control aftermarket door lock actuators. When one wire is put to 12volts (+) and the other. Reverse polarity door locks are when the door lock actuator has 2 wires. If the door lock relay has any internal or wiring issues, it can cause the door locks to function intermittently. The. Alarm Door Lock Relay Wiring.
From wiringlibmary.z6.web.core.windows.net
Power Door Lock Relay Wiring Diagram Alarm Door Lock Relay Wiring Reverse polarity door locks are when the door lock actuator has 2 wires. When one wire is put to 12volts (+) and the other. If the door lock relay has any internal or wiring issues, it can cause the door locks to function intermittently. The door locks may function correctly one moment, and in the next will. One of the. Alarm Door Lock Relay Wiring.
From www.youtube.com
Car Alarm / Keyless Entry / Central Lock Diagram YouTube Alarm Door Lock Relay Wiring The door locks may function correctly one moment, and in the next will. Reverse polarity door locks are when the door lock actuator has 2 wires. This video will show you how to wire relays to control aftermarket door lock actuators. Learn how to wire a door lock relay for enhanced security and convenience. If the door lock relay has. Alarm Door Lock Relay Wiring.