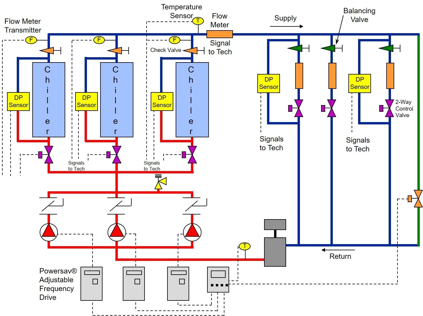
Chilled Water System Process Flow Diagram . The schematic diagram of a chiller system illustrates the components and flow of the system that is used to cool water or other liquids for various applications. This diagram provides an overview of how the. The chilled water schematic diagram is a visual representation of a chilled water system. Air handling unit, chiller and cooling. It shows the flow of chilled water from the chiller to the cooling coils and throughout the building. In this article we’l be covering chilled and condenser water schematics to learn how to read them, how to identify the main components. A chilled water flow diagram is a schematic representation of the flow of chilled water in a cooling system. A basic chilled water system diagram is a representation of the components and flow of a typical chilled water system. Chilled water systems are commonly used in commercial and industrial.
from cadbull.com
Chilled water systems are commonly used in commercial and industrial. The schematic diagram of a chiller system illustrates the components and flow of the system that is used to cool water or other liquids for various applications. It shows the flow of chilled water from the chiller to the cooling coils and throughout the building. A basic chilled water system diagram is a representation of the components and flow of a typical chilled water system. Air handling unit, chiller and cooling. The chilled water schematic diagram is a visual representation of a chilled water system. In this article we’l be covering chilled and condenser water schematics to learn how to read them, how to identify the main components. A chilled water flow diagram is a schematic representation of the flow of chilled water in a cooling system. This diagram provides an overview of how the.
Chilled Water System Diagram AutoCAD File Cadbull
Chilled Water System Process Flow Diagram The chilled water schematic diagram is a visual representation of a chilled water system. It shows the flow of chilled water from the chiller to the cooling coils and throughout the building. Air handling unit, chiller and cooling. Chilled water systems are commonly used in commercial and industrial. A basic chilled water system diagram is a representation of the components and flow of a typical chilled water system. The chilled water schematic diagram is a visual representation of a chilled water system. A chilled water flow diagram is a schematic representation of the flow of chilled water in a cooling system. In this article we’l be covering chilled and condenser water schematics to learn how to read them, how to identify the main components. This diagram provides an overview of how the. The schematic diagram of a chiller system illustrates the components and flow of the system that is used to cool water or other liquids for various applications.
From course.aircondlounge.com
Chilled Water System (eBook) Chilled Water System Process Flow Diagram This diagram provides an overview of how the. The schematic diagram of a chiller system illustrates the components and flow of the system that is used to cool water or other liquids for various applications. A basic chilled water system diagram is a representation of the components and flow of a typical chilled water system. It shows the flow of. Chilled Water System Process Flow Diagram.
From www.stylesgurus.com
Water Cooled Chiller Schematic Diagram Science and Education Chilled Water System Process Flow Diagram Air handling unit, chiller and cooling. This diagram provides an overview of how the. A basic chilled water system diagram is a representation of the components and flow of a typical chilled water system. It shows the flow of chilled water from the chiller to the cooling coils and throughout the building. In this article we’l be covering chilled and. Chilled Water System Process Flow Diagram.
From aircondlounge.com
Chilled Water System Components, Diagrams & Applications Chilled Water System Process Flow Diagram The schematic diagram of a chiller system illustrates the components and flow of the system that is used to cool water or other liquids for various applications. In this article we’l be covering chilled and condenser water schematics to learn how to read them, how to identify the main components. This diagram provides an overview of how the. Air handling. Chilled Water System Process Flow Diagram.
From wiredraw.co
Water Cooled Chiller Diagram Wiring Draw Chilled Water System Process Flow Diagram A basic chilled water system diagram is a representation of the components and flow of a typical chilled water system. The chilled water schematic diagram is a visual representation of a chilled water system. The schematic diagram of a chiller system illustrates the components and flow of the system that is used to cool water or other liquids for various. Chilled Water System Process Flow Diagram.
From wiringall.com
Primary Secondary Chilled Water Piping Diagram Chilled Water System Process Flow Diagram This diagram provides an overview of how the. Chilled water systems are commonly used in commercial and industrial. A chilled water flow diagram is a schematic representation of the flow of chilled water in a cooling system. The chilled water schematic diagram is a visual representation of a chilled water system. It shows the flow of chilled water from the. Chilled Water System Process Flow Diagram.
From www.researchgate.net
Chilled water system diagram. Download Scientific Diagram Chilled Water System Process Flow Diagram A basic chilled water system diagram is a representation of the components and flow of a typical chilled water system. The schematic diagram of a chiller system illustrates the components and flow of the system that is used to cool water or other liquids for various applications. It shows the flow of chilled water from the chiller to the cooling. Chilled Water System Process Flow Diagram.
From joifzsutq.blob.core.windows.net
What Is The Role Of A Water Chiller at Manuel Alvarez blog Chilled Water System Process Flow Diagram Chilled water systems are commonly used in commercial and industrial. The chilled water schematic diagram is a visual representation of a chilled water system. A chilled water flow diagram is a schematic representation of the flow of chilled water in a cooling system. This diagram provides an overview of how the. A basic chilled water system diagram is a representation. Chilled Water System Process Flow Diagram.
From be-exchange.org
Tech Primer Chilled Water Plant Optimization Building Energy Exchange Chilled Water System Process Flow Diagram This diagram provides an overview of how the. A chilled water flow diagram is a schematic representation of the flow of chilled water in a cooling system. It shows the flow of chilled water from the chiller to the cooling coils and throughout the building. The schematic diagram of a chiller system illustrates the components and flow of the system. Chilled Water System Process Flow Diagram.
From www.chemtreat.com
How Cooling Towers Work ChemTreat Chilled Water System Process Flow Diagram Chilled water systems are commonly used in commercial and industrial. This diagram provides an overview of how the. In this article we’l be covering chilled and condenser water schematics to learn how to read them, how to identify the main components. It shows the flow of chilled water from the chiller to the cooling coils and throughout the building. The. Chilled Water System Process Flow Diagram.
From www.176iot.com
Chiller System Schematic Diagram IOT Wiring Diagram Chilled Water System Process Flow Diagram The schematic diagram of a chiller system illustrates the components and flow of the system that is used to cool water or other liquids for various applications. A basic chilled water system diagram is a representation of the components and flow of a typical chilled water system. In this article we’l be covering chilled and condenser water schematics to learn. Chilled Water System Process Flow Diagram.
From www.slideserve.com
PPT Variable Primary Flow Chilled Water System PowerPoint Chilled Water System Process Flow Diagram The schematic diagram of a chiller system illustrates the components and flow of the system that is used to cool water or other liquids for various applications. A basic chilled water system diagram is a representation of the components and flow of a typical chilled water system. Air handling unit, chiller and cooling. It shows the flow of chilled water. Chilled Water System Process Flow Diagram.
From aircondlounge.com
Chilled Water System Components, Diagrams & Applications aircondlounge Chilled Water System Process Flow Diagram This diagram provides an overview of how the. A chilled water flow diagram is a schematic representation of the flow of chilled water in a cooling system. The chilled water schematic diagram is a visual representation of a chilled water system. Air handling unit, chiller and cooling. A basic chilled water system diagram is a representation of the components and. Chilled Water System Process Flow Diagram.
From mungfali.com
Chilled Water System Schematic Diagram Chilled Water System Process Flow Diagram Chilled water systems are commonly used in commercial and industrial. In this article we’l be covering chilled and condenser water schematics to learn how to read them, how to identify the main components. A basic chilled water system diagram is a representation of the components and flow of a typical chilled water system. It shows the flow of chilled water. Chilled Water System Process Flow Diagram.
From www.wastechengineering.com
Process Chilled Water Chilled Water System Process Flow Diagram This diagram provides an overview of how the. A chilled water flow diagram is a schematic representation of the flow of chilled water in a cooling system. Chilled water systems are commonly used in commercial and industrial. In this article we’l be covering chilled and condenser water schematics to learn how to read them, how to identify the main components.. Chilled Water System Process Flow Diagram.
From www.stxaviersschooljaipur.com
Sale > industrial chilled water system > in stock Chilled Water System Process Flow Diagram In this article we’l be covering chilled and condenser water schematics to learn how to read them, how to identify the main components. A basic chilled water system diagram is a representation of the components and flow of a typical chilled water system. The schematic diagram of a chiller system illustrates the components and flow of the system that is. Chilled Water System Process Flow Diagram.
From cexzqilr.blob.core.windows.net
Chilled Water System Definition at Sara Guzzi blog Chilled Water System Process Flow Diagram Chilled water systems are commonly used in commercial and industrial. This diagram provides an overview of how the. It shows the flow of chilled water from the chiller to the cooling coils and throughout the building. Air handling unit, chiller and cooling. A basic chilled water system diagram is a representation of the components and flow of a typical chilled. Chilled Water System Process Flow Diagram.
From www.stoutenergy.me
Primary and secondary chilled water systems — Stout Energy Energy Chilled Water System Process Flow Diagram A basic chilled water system diagram is a representation of the components and flow of a typical chilled water system. Air handling unit, chiller and cooling. This diagram provides an overview of how the. It shows the flow of chilled water from the chiller to the cooling coils and throughout the building. Chilled water systems are commonly used in commercial. Chilled Water System Process Flow Diagram.
From www.withairgroup.com
Integrated Chilled Water Systems Withair® Heating and Cooling, Air Chilled Water System Process Flow Diagram The chilled water schematic diagram is a visual representation of a chilled water system. Air handling unit, chiller and cooling. Chilled water systems are commonly used in commercial and industrial. This diagram provides an overview of how the. In this article we’l be covering chilled and condenser water schematics to learn how to read them, how to identify the main. Chilled Water System Process Flow Diagram.
From in.pinterest.com
Chilled Water Pump Connection Details Chilled Water System Process Flow Diagram Chilled water systems are commonly used in commercial and industrial. This diagram provides an overview of how the. In this article we’l be covering chilled and condenser water schematics to learn how to read them, how to identify the main components. A basic chilled water system diagram is a representation of the components and flow of a typical chilled water. Chilled Water System Process Flow Diagram.
From jmpcoblog.com
HVAC Blog Chilled Water System Process Flow Diagram Chilled water systems are commonly used in commercial and industrial. The chilled water schematic diagram is a visual representation of a chilled water system. It shows the flow of chilled water from the chiller to the cooling coils and throughout the building. This diagram provides an overview of how the. The schematic diagram of a chiller system illustrates the components. Chilled Water System Process Flow Diagram.
From www.esmagazine.com
A Holistic Approach to Upgrading a Chilled Water Plant 20181015 Chilled Water System Process Flow Diagram The schematic diagram of a chiller system illustrates the components and flow of the system that is used to cool water or other liquids for various applications. Air handling unit, chiller and cooling. In this article we’l be covering chilled and condenser water schematics to learn how to read them, how to identify the main components. It shows the flow. Chilled Water System Process Flow Diagram.
From www.youtube.com
Variable Primary Flow Chilled Water System Working and functions HVAC Chilled Water System Process Flow Diagram The schematic diagram of a chiller system illustrates the components and flow of the system that is used to cool water or other liquids for various applications. In this article we’l be covering chilled and condenser water schematics to learn how to read them, how to identify the main components. It shows the flow of chilled water from the chiller. Chilled Water System Process Flow Diagram.
From cadbull.com
Chilled Water System Diagram AutoCAD File Cadbull Chilled Water System Process Flow Diagram The chilled water schematic diagram is a visual representation of a chilled water system. This diagram provides an overview of how the. Chilled water systems are commonly used in commercial and industrial. Air handling unit, chiller and cooling. A basic chilled water system diagram is a representation of the components and flow of a typical chilled water system. A chilled. Chilled Water System Process Flow Diagram.
From wastechengineering.com
Process Chilled Water Chilled Water System Process Flow Diagram Air handling unit, chiller and cooling. Chilled water systems are commonly used in commercial and industrial. It shows the flow of chilled water from the chiller to the cooling coils and throughout the building. This diagram provides an overview of how the. In this article we’l be covering chilled and condenser water schematics to learn how to read them, how. Chilled Water System Process Flow Diagram.
From www.dynamicdraintechnologies.com
Chilled Water Line Repair And Replacement Without Digging Dynamic Drain Chilled Water System Process Flow Diagram The schematic diagram of a chiller system illustrates the components and flow of the system that is used to cool water or other liquids for various applications. Air handling unit, chiller and cooling. Chilled water systems are commonly used in commercial and industrial. In this article we’l be covering chilled and condenser water schematics to learn how to read them,. Chilled Water System Process Flow Diagram.
From methodstatementhq.com
Procedure for Cleaning and Flushing of the Chilled Water Piping System Chilled Water System Process Flow Diagram It shows the flow of chilled water from the chiller to the cooling coils and throughout the building. The schematic diagram of a chiller system illustrates the components and flow of the system that is used to cool water or other liquids for various applications. The chilled water schematic diagram is a visual representation of a chilled water system. A. Chilled Water System Process Flow Diagram.
From www.degreesplus.ae
Chilled Water Systems DEGREES PLUS Chilled Water System Process Flow Diagram Air handling unit, chiller and cooling. The chilled water schematic diagram is a visual representation of a chilled water system. It shows the flow of chilled water from the chiller to the cooling coils and throughout the building. Chilled water systems are commonly used in commercial and industrial. A chilled water flow diagram is a schematic representation of the flow. Chilled Water System Process Flow Diagram.
From www.mdpi.com
Accelerating Optimal Control Strategy Generation for HVAC Systems Using Chilled Water System Process Flow Diagram A basic chilled water system diagram is a representation of the components and flow of a typical chilled water system. A chilled water flow diagram is a schematic representation of the flow of chilled water in a cooling system. This diagram provides an overview of how the. Air handling unit, chiller and cooling. Chilled water systems are commonly used in. Chilled Water System Process Flow Diagram.
From aircondlounge.com
Chilled Water System Components, Diagrams & Applications Chilled Water System Process Flow Diagram A chilled water flow diagram is a schematic representation of the flow of chilled water in a cooling system. Air handling unit, chiller and cooling. Chilled water systems are commonly used in commercial and industrial. The chilled water schematic diagram is a visual representation of a chilled water system. It shows the flow of chilled water from the chiller to. Chilled Water System Process Flow Diagram.
From diagrampartunimparted.z21.web.core.windows.net
Heat Pump Chiller Schematic Chilled Water System Process Flow Diagram Air handling unit, chiller and cooling. A basic chilled water system diagram is a representation of the components and flow of a typical chilled water system. The chilled water schematic diagram is a visual representation of a chilled water system. This diagram provides an overview of how the. It shows the flow of chilled water from the chiller to the. Chilled Water System Process Flow Diagram.
From hvactrainingshop.com
How a Chilled Water System Works HVAC Training Shop Chilled Water System Process Flow Diagram A chilled water flow diagram is a schematic representation of the flow of chilled water in a cooling system. Chilled water systems are commonly used in commercial and industrial. It shows the flow of chilled water from the chiller to the cooling coils and throughout the building. In this article we’l be covering chilled and condenser water schematics to learn. Chilled Water System Process Flow Diagram.
From www.linkedin.com
The Need for Balancing Valves in Chilled Water System Chilled Water System Process Flow Diagram In this article we’l be covering chilled and condenser water schematics to learn how to read them, how to identify the main components. The schematic diagram of a chiller system illustrates the components and flow of the system that is used to cool water or other liquids for various applications. A basic chilled water system diagram is a representation of. Chilled Water System Process Flow Diagram.
From guidediagrammarco.z19.web.core.windows.net
Chilled Water System Schematic Diagram Chilled Water System Process Flow Diagram The schematic diagram of a chiller system illustrates the components and flow of the system that is used to cool water or other liquids for various applications. The chilled water schematic diagram is a visual representation of a chilled water system. Chilled water systems are commonly used in commercial and industrial. This diagram provides an overview of how the. In. Chilled Water System Process Flow Diagram.
From www.wastechengineering.com
Process Chilled Water Chilled Water System Process Flow Diagram The chilled water schematic diagram is a visual representation of a chilled water system. Chilled water systems are commonly used in commercial and industrial. This diagram provides an overview of how the. It shows the flow of chilled water from the chiller to the cooling coils and throughout the building. The schematic diagram of a chiller system illustrates the components. Chilled Water System Process Flow Diagram.
From course.aircondlounge.com
Chilled Water System Design Course Chilled Water System Process Flow Diagram This diagram provides an overview of how the. Air handling unit, chiller and cooling. In this article we’l be covering chilled and condenser water schematics to learn how to read them, how to identify the main components. The chilled water schematic diagram is a visual representation of a chilled water system. A basic chilled water system diagram is a representation. Chilled Water System Process Flow Diagram.