How To Install Banjo Bulkhead Fitting . They range in size from 1/2 in. I just have bad luck with them leaking. It’s a quick and easy. How to install a water tank outlet tap for home and irrigation use. Note that over tightening plastic fittings can cause the threads to strip. Drill your hole ensure to wear ppe! Make sure you have your necessary tools. The gasket will go on the inside of the tank. Hi there, i've been looking for better bulkheads than the standard abs schedule 40 fittings. This banjo bulkhead fitting is made of polypropylene and has double sided female npt threads and is available with epdm or fkm gasket. Cross check the spec sheet and the install instructions from the manufacturer of your bulkhead before you begin; Watch this quick video on how to install a bulkhead fitting on your water tank.
from www.shoratic.com
They range in size from 1/2 in. Drill your hole ensure to wear ppe! Cross check the spec sheet and the install instructions from the manufacturer of your bulkhead before you begin; Watch this quick video on how to install a bulkhead fitting on your water tank. The gasket will go on the inside of the tank. Note that over tightening plastic fittings can cause the threads to strip. Make sure you have your necessary tools. How to install a water tank outlet tap for home and irrigation use. Hi there, i've been looking for better bulkheads than the standard abs schedule 40 fittings. I just have bad luck with them leaking.
Banjo Banjo 3/4" Polypropylene Bulkhead Tank Fitting With EPDM
How To Install Banjo Bulkhead Fitting Make sure you have your necessary tools. Make sure you have your necessary tools. Note that over tightening plastic fittings can cause the threads to strip. Watch this quick video on how to install a bulkhead fitting on your water tank. I just have bad luck with them leaking. They range in size from 1/2 in. It’s a quick and easy. Hi there, i've been looking for better bulkheads than the standard abs schedule 40 fittings. Cross check the spec sheet and the install instructions from the manufacturer of your bulkhead before you begin; How to install a water tank outlet tap for home and irrigation use. This banjo bulkhead fitting is made of polypropylene and has double sided female npt threads and is available with epdm or fkm gasket. Drill your hole ensure to wear ppe! The gasket will go on the inside of the tank.
From www.kroger.com
Banjo Bulkhead Tank Fitting,1 1/4 In,316 SS TF125SS, 1 Kroger How To Install Banjo Bulkhead Fitting Hi there, i've been looking for better bulkheads than the standard abs schedule 40 fittings. Drill your hole ensure to wear ppe! It’s a quick and easy. The gasket will go on the inside of the tank. How to install a water tank outlet tap for home and irrigation use. This banjo bulkhead fitting is made of polypropylene and has. How To Install Banjo Bulkhead Fitting.
From support.farmchem.com
Banjo TF100 Bulkhead Tank Fitting Diagram How To Install Banjo Bulkhead Fitting I just have bad luck with them leaking. They range in size from 1/2 in. Cross check the spec sheet and the install instructions from the manufacturer of your bulkhead before you begin; This banjo bulkhead fitting is made of polypropylene and has double sided female npt threads and is available with epdm or fkm gasket. It’s a quick and. How To Install Banjo Bulkhead Fitting.
From www.dbsupply.com
BANJO TF300 Bulkhead Tank Fitting, 3 in, FNPT, Polypropylene D&B Supply How To Install Banjo Bulkhead Fitting They range in size from 1/2 in. Note that over tightening plastic fittings can cause the threads to strip. The gasket will go on the inside of the tank. It’s a quick and easy. Hi there, i've been looking for better bulkheads than the standard abs schedule 40 fittings. How to install a water tank outlet tap for home and. How To Install Banjo Bulkhead Fitting.
From www.theaquaponicsource.com
Banjo Bulkhead Fittings The Aquaponic Source How To Install Banjo Bulkhead Fitting I just have bad luck with them leaking. How to install a water tank outlet tap for home and irrigation use. Hi there, i've been looking for better bulkheads than the standard abs schedule 40 fittings. This banjo bulkhead fitting is made of polypropylene and has double sided female npt threads and is available with epdm or fkm gasket. Drill. How To Install Banjo Bulkhead Fitting.
From www.theaquaponicsource.com
Banjo Bulkhead Fittings The Aquaponic Source How To Install Banjo Bulkhead Fitting Hi there, i've been looking for better bulkheads than the standard abs schedule 40 fittings. Drill your hole ensure to wear ppe! I just have bad luck with them leaking. Make sure you have your necessary tools. Watch this quick video on how to install a bulkhead fitting on your water tank. It’s a quick and easy. They range in. How To Install Banjo Bulkhead Fitting.
From exobpqolh.blob.core.windows.net
Banjo Bulkhead Fitting Installation at Deborah Hess blog How To Install Banjo Bulkhead Fitting How to install a water tank outlet tap for home and irrigation use. Make sure you have your necessary tools. Drill your hole ensure to wear ppe! Watch this quick video on how to install a bulkhead fitting on your water tank. This banjo bulkhead fitting is made of polypropylene and has double sided female npt threads and is available. How To Install Banjo Bulkhead Fitting.
From www.walmart.com
Banjo TF220 2" Bulkhead EPDM Tank Fitting How To Install Banjo Bulkhead Fitting Cross check the spec sheet and the install instructions from the manufacturer of your bulkhead before you begin; How to install a water tank outlet tap for home and irrigation use. They range in size from 1/2 in. Note that over tightening plastic fittings can cause the threads to strip. Make sure you have your necessary tools. Hi there, i've. How To Install Banjo Bulkhead Fitting.
From www.youtube.com
How to Install a Bulkhead Fitting YouTube How To Install Banjo Bulkhead Fitting It’s a quick and easy. The gasket will go on the inside of the tank. Make sure you have your necessary tools. This banjo bulkhead fitting is made of polypropylene and has double sided female npt threads and is available with epdm or fkm gasket. Watch this quick video on how to install a bulkhead fitting on your water tank.. How To Install Banjo Bulkhead Fitting.
From www.grainger.com
BANJO Polypropylene Bulkhead Tank Fitting, 3/4 in Pipe Size, FNPT x How To Install Banjo Bulkhead Fitting They range in size from 1/2 in. Note that over tightening plastic fittings can cause the threads to strip. This banjo bulkhead fitting is made of polypropylene and has double sided female npt threads and is available with epdm or fkm gasket. It’s a quick and easy. Cross check the spec sheet and the install instructions from the manufacturer of. How To Install Banjo Bulkhead Fitting.
From www.zoro.com
Banjo Bulkhead Tank Fitting, EPDM, 3 3/8"L, Poly TF220 Zoro How To Install Banjo Bulkhead Fitting Watch this quick video on how to install a bulkhead fitting on your water tank. The gasket will go on the inside of the tank. Drill your hole ensure to wear ppe! Cross check the spec sheet and the install instructions from the manufacturer of your bulkhead before you begin; Note that over tightening plastic fittings can cause the threads. How To Install Banjo Bulkhead Fitting.
From exobpqolh.blob.core.windows.net
Banjo Bulkhead Fitting Installation at Deborah Hess blog How To Install Banjo Bulkhead Fitting This banjo bulkhead fitting is made of polypropylene and has double sided female npt threads and is available with epdm or fkm gasket. They range in size from 1/2 in. I just have bad luck with them leaking. Note that over tightening plastic fittings can cause the threads to strip. The gasket will go on the inside of the tank.. How To Install Banjo Bulkhead Fitting.
From aviationmiscmanuals.tpub.com
Figure 424. Bulkhead Flareless Fitting Installation How To Install Banjo Bulkhead Fitting Make sure you have your necessary tools. Watch this quick video on how to install a bulkhead fitting on your water tank. How to install a water tank outlet tap for home and irrigation use. This banjo bulkhead fitting is made of polypropylene and has double sided female npt threads and is available with epdm or fkm gasket. Drill your. How To Install Banjo Bulkhead Fitting.
From www.spraymart.com.au
Banjo Bulkhead Tank Fitting How To Install Banjo Bulkhead Fitting Hi there, i've been looking for better bulkheads than the standard abs schedule 40 fittings. This banjo bulkhead fitting is made of polypropylene and has double sided female npt threads and is available with epdm or fkm gasket. Note that over tightening plastic fittings can cause the threads to strip. Cross check the spec sheet and the install instructions from. How To Install Banjo Bulkhead Fitting.
From www.sprayshop.com.au
Banjo Poly Bulkhead Fittings How To Install Banjo Bulkhead Fitting The gasket will go on the inside of the tank. Drill your hole ensure to wear ppe! I just have bad luck with them leaking. Note that over tightening plastic fittings can cause the threads to strip. Hi there, i've been looking for better bulkheads than the standard abs schedule 40 fittings. This banjo bulkhead fitting is made of polypropylene. How To Install Banjo Bulkhead Fitting.
From www.jmesales.com
Banjo 1/2 in. 316 SS Bulkhead EPDM Fitting John M. Ellsworth Co. Inc. How To Install Banjo Bulkhead Fitting Hi there, i've been looking for better bulkheads than the standard abs schedule 40 fittings. They range in size from 1/2 in. Cross check the spec sheet and the install instructions from the manufacturer of your bulkhead before you begin; Note that over tightening plastic fittings can cause the threads to strip. How to install a water tank outlet tap. How To Install Banjo Bulkhead Fitting.
From www.zoro.com
Banjo Bulkhead Fitting, EPDM, 5 1/2"L, Poly MBF300 Zoro How To Install Banjo Bulkhead Fitting It’s a quick and easy. Hi there, i've been looking for better bulkheads than the standard abs schedule 40 fittings. How to install a water tank outlet tap for home and irrigation use. They range in size from 1/2 in. Drill your hole ensure to wear ppe! I just have bad luck with them leaking. This banjo bulkhead fitting is. How To Install Banjo Bulkhead Fitting.
From www.americangrazinglands.com
Banjo Bulkhead Tank Fitting — American GrazingLands Services LLC How To Install Banjo Bulkhead Fitting Make sure you have your necessary tools. Hi there, i've been looking for better bulkheads than the standard abs schedule 40 fittings. Watch this quick video on how to install a bulkhead fitting on your water tank. Cross check the spec sheet and the install instructions from the manufacturer of your bulkhead before you begin; The gasket will go on. How To Install Banjo Bulkhead Fitting.
From exobpqolh.blob.core.windows.net
Banjo Bulkhead Fitting Installation at Deborah Hess blog How To Install Banjo Bulkhead Fitting The gasket will go on the inside of the tank. They range in size from 1/2 in. Drill your hole ensure to wear ppe! This banjo bulkhead fitting is made of polypropylene and has double sided female npt threads and is available with epdm or fkm gasket. Note that over tightening plastic fittings can cause the threads to strip. Cross. How To Install Banjo Bulkhead Fitting.
From exobpqolh.blob.core.windows.net
Banjo Bulkhead Fitting Installation at Deborah Hess blog How To Install Banjo Bulkhead Fitting Hi there, i've been looking for better bulkheads than the standard abs schedule 40 fittings. Cross check the spec sheet and the install instructions from the manufacturer of your bulkhead before you begin; How to install a water tank outlet tap for home and irrigation use. Drill your hole ensure to wear ppe! It’s a quick and easy. Make sure. How To Install Banjo Bulkhead Fitting.
From polytanksales.com
2" BANJO POLY BULKHEAD EPDM TANK FITTING HEAVY DUTY How To Install Banjo Bulkhead Fitting Hi there, i've been looking for better bulkheads than the standard abs schedule 40 fittings. I just have bad luck with them leaking. It’s a quick and easy. This banjo bulkhead fitting is made of polypropylene and has double sided female npt threads and is available with epdm or fkm gasket. Drill your hole ensure to wear ppe! They range. How To Install Banjo Bulkhead Fitting.
From www.zoro.com
Banjo Bulkhead Tank Fitting, EPDM, 5 1/2"L, Poly BF300BD Zoro How To Install Banjo Bulkhead Fitting Make sure you have your necessary tools. They range in size from 1/2 in. This banjo bulkhead fitting is made of polypropylene and has double sided female npt threads and is available with epdm or fkm gasket. Drill your hole ensure to wear ppe! I just have bad luck with them leaking. The gasket will go on the inside of. How To Install Banjo Bulkhead Fitting.
From www.shoratic.com
Banjo Banjo 3/4" Polypropylene Bulkhead Tank Fitting With EPDM How To Install Banjo Bulkhead Fitting Make sure you have your necessary tools. I just have bad luck with them leaking. Drill your hole ensure to wear ppe! Hi there, i've been looking for better bulkheads than the standard abs schedule 40 fittings. Cross check the spec sheet and the install instructions from the manufacturer of your bulkhead before you begin; It’s a quick and easy.. How To Install Banjo Bulkhead Fitting.
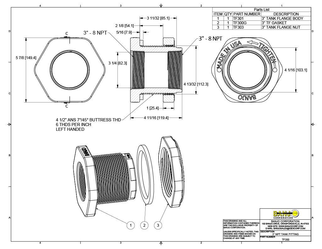
From support.farmchem.com
Banjo TF300 Bulkhead Tank Fitting Diagram How To Install Banjo Bulkhead Fitting Note that over tightening plastic fittings can cause the threads to strip. Cross check the spec sheet and the install instructions from the manufacturer of your bulkhead before you begin; They range in size from 1/2 in. This banjo bulkhead fitting is made of polypropylene and has double sided female npt threads and is available with epdm or fkm gasket.. How To Install Banjo Bulkhead Fitting.
From www.theaquaponicsource.com
Banjo Bulkhead Fittings The Aquaponic Source How To Install Banjo Bulkhead Fitting Watch this quick video on how to install a bulkhead fitting on your water tank. Make sure you have your necessary tools. They range in size from 1/2 in. I just have bad luck with them leaking. The gasket will go on the inside of the tank. Note that over tightening plastic fittings can cause the threads to strip. Hi. How To Install Banjo Bulkhead Fitting.
From barndoorag.com
Banjo 4" Poly Bulkhead EPDM Tank Fitting TF400 Banjo Barndoor Ag How To Install Banjo Bulkhead Fitting Make sure you have your necessary tools. Hi there, i've been looking for better bulkheads than the standard abs schedule 40 fittings. They range in size from 1/2 in. The gasket will go on the inside of the tank. Watch this quick video on how to install a bulkhead fitting on your water tank. I just have bad luck with. How To Install Banjo Bulkhead Fitting.
From www.jmesales.com
Banjo 3 in. Poly Bulkhead EPDM Tank Fitting John M. Ellsworth Co. Inc. How To Install Banjo Bulkhead Fitting Hi there, i've been looking for better bulkheads than the standard abs schedule 40 fittings. It’s a quick and easy. Note that over tightening plastic fittings can cause the threads to strip. I just have bad luck with them leaking. Make sure you have your necessary tools. Drill your hole ensure to wear ppe! Watch this quick video on how. How To Install Banjo Bulkhead Fitting.
From sddrums.com
Banjo Bulkhead Fitting 2" San Diego Drums And Totes How To Install Banjo Bulkhead Fitting Cross check the spec sheet and the install instructions from the manufacturer of your bulkhead before you begin; Drill your hole ensure to wear ppe! How to install a water tank outlet tap for home and irrigation use. I just have bad luck with them leaking. It’s a quick and easy. Make sure you have your necessary tools. This banjo. How To Install Banjo Bulkhead Fitting.
From www.youtube.com
ARB 170114 Bulkhead Banjo Bolt Install LSxHumvee YouTube How To Install Banjo Bulkhead Fitting Cross check the spec sheet and the install instructions from the manufacturer of your bulkhead before you begin; Watch this quick video on how to install a bulkhead fitting on your water tank. Note that over tightening plastic fittings can cause the threads to strip. They range in size from 1/2 in. This banjo bulkhead fitting is made of polypropylene. How To Install Banjo Bulkhead Fitting.
From www.zoro.com
Banjo Bulkhead Fitting, EPDM, 3 1/8"L, Poly MTF220BD Zoro How To Install Banjo Bulkhead Fitting They range in size from 1/2 in. Make sure you have your necessary tools. Drill your hole ensure to wear ppe! I just have bad luck with them leaking. It’s a quick and easy. Note that over tightening plastic fittings can cause the threads to strip. The gasket will go on the inside of the tank. How to install a. How To Install Banjo Bulkhead Fitting.
From www.noveltyhorse.tech
Bulkhead Tank Fitting, 3/4" 316 SS (BANJO) How To Install Banjo Bulkhead Fitting This banjo bulkhead fitting is made of polypropylene and has double sided female npt threads and is available with epdm or fkm gasket. Watch this quick video on how to install a bulkhead fitting on your water tank. Note that over tightening plastic fittings can cause the threads to strip. Make sure you have your necessary tools. Drill your hole. How To Install Banjo Bulkhead Fitting.
From shop.farmchem.com
Banjo 3" Bulkhead Tank Fitting (EPDM) How To Install Banjo Bulkhead Fitting Drill your hole ensure to wear ppe! Note that over tightening plastic fittings can cause the threads to strip. I just have bad luck with them leaking. Make sure you have your necessary tools. How to install a water tank outlet tap for home and irrigation use. Cross check the spec sheet and the install instructions from the manufacturer of. How To Install Banjo Bulkhead Fitting.
From www.pumpsandpressure.co.uk
Banjo Bulkhead Fitting 9901TF200 How To Install Banjo Bulkhead Fitting It’s a quick and easy. They range in size from 1/2 in. Drill your hole ensure to wear ppe! This banjo bulkhead fitting is made of polypropylene and has double sided female npt threads and is available with epdm or fkm gasket. Note that over tightening plastic fittings can cause the threads to strip. Cross check the spec sheet and. How To Install Banjo Bulkhead Fitting.
From www.walmart.com
Banjo TF200 Polypropylene Bulkhead Tank Fitting, 2" NPT Female How To Install Banjo Bulkhead Fitting I just have bad luck with them leaking. They range in size from 1/2 in. The gasket will go on the inside of the tank. It’s a quick and easy. How to install a water tank outlet tap for home and irrigation use. Hi there, i've been looking for better bulkheads than the standard abs schedule 40 fittings. Note that. How To Install Banjo Bulkhead Fitting.
From www.sprayerbarn.com.au
Banjo Tank Fittings Bulkhead How To Install Banjo Bulkhead Fitting How to install a water tank outlet tap for home and irrigation use. It’s a quick and easy. Make sure you have your necessary tools. Note that over tightening plastic fittings can cause the threads to strip. Drill your hole ensure to wear ppe! Cross check the spec sheet and the install instructions from the manufacturer of your bulkhead before. How To Install Banjo Bulkhead Fitting.
From www.jmesales.com
Banjo 4 in. Poly Bulkhead EPDM Tank Fitting John M. Ellsworth Co. Inc. How To Install Banjo Bulkhead Fitting Note that over tightening plastic fittings can cause the threads to strip. It’s a quick and easy. Cross check the spec sheet and the install instructions from the manufacturer of your bulkhead before you begin; I just have bad luck with them leaking. Hi there, i've been looking for better bulkheads than the standard abs schedule 40 fittings. They range. How To Install Banjo Bulkhead Fitting.