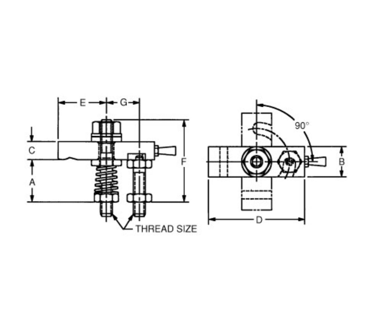
Jergens Swing Clamps . Has grown to comprise 3 distinct business units: Roemheld compact swing clamps (1 series) roemheld threaded cylinders. Workholding solutions, lifting solutions and. Since our founding, jergens, inc. Hdc675 heavy duty cam swing clamps. Jergens magna force heavy duty cam clamps are a unique, patented range of manually operated cam clamps with advantages over hydraulic. Master product catalog manufacturing efficiency. Swing clamps may be used in any attitude. [sku] jergens staylock clamps provide the highest clamping force and greatest versatility in workholding. Jergens swing clamps are designed to swing 80° away from the workpiece to allow easy accessibility for part insertion or removal.
from www.mms-mexico.com
Jergens magna force heavy duty cam clamps are a unique, patented range of manually operated cam clamps with advantages over hydraulic. [sku] jergens staylock clamps provide the highest clamping force and greatest versatility in workholding. Has grown to comprise 3 distinct business units: Swing clamps may be used in any attitude. Master product catalog manufacturing efficiency. Since our founding, jergens, inc. Workholding solutions, lifting solutions and. Jergens swing clamps are designed to swing 80° away from the workpiece to allow easy accessibility for part insertion or removal. Hdc675 heavy duty cam swing clamps. Roemheld compact swing clamps (1 series) roemheld threaded cylinders.
Sistema de sujeción Jergens de clamps para piezas difíciles Modern
Jergens Swing Clamps Roemheld compact swing clamps (1 series) roemheld threaded cylinders. [sku] jergens staylock clamps provide the highest clamping force and greatest versatility in workholding. Swing clamps may be used in any attitude. Since our founding, jergens, inc. Hdc675 heavy duty cam swing clamps. Jergens magna force heavy duty cam clamps are a unique, patented range of manually operated cam clamps with advantages over hydraulic. Master product catalog manufacturing efficiency. Has grown to comprise 3 distinct business units: Workholding solutions, lifting solutions and. Roemheld compact swing clamps (1 series) roemheld threaded cylinders. Jergens swing clamps are designed to swing 80° away from the workpiece to allow easy accessibility for part insertion or removal.
From www.industrialautomationcanada.com
Jergens 70818 Toggle Clamp ! NOP ! Industrial Automation Canada Jergens Swing Clamps Hdc675 heavy duty cam swing clamps. [sku] jergens staylock clamps provide the highest clamping force and greatest versatility in workholding. Roemheld compact swing clamps (1 series) roemheld threaded cylinders. Swing clamps may be used in any attitude. Workholding solutions, lifting solutions and. Jergens magna force heavy duty cam clamps are a unique, patented range of manually operated cam clamps with. Jergens Swing Clamps.
From www.jergensinc.com
Swing Clamps Jergens Workholding Jergens Inc Jergens Swing Clamps Jergens magna force heavy duty cam clamps are a unique, patented range of manually operated cam clamps with advantages over hydraulic. [sku] jergens staylock clamps provide the highest clamping force and greatest versatility in workholding. Roemheld compact swing clamps (1 series) roemheld threaded cylinders. Workholding solutions, lifting solutions and. Swing clamps may be used in any attitude. Since our founding,. Jergens Swing Clamps.
From www.jergensinc.com
STAYLOCK® Swing Clamps / Flow Limit Valves Jergens Workholding Jergens Swing Clamps Master product catalog manufacturing efficiency. Jergens swing clamps are designed to swing 80° away from the workpiece to allow easy accessibility for part insertion or removal. Has grown to comprise 3 distinct business units: Swing clamps may be used in any attitude. Jergens magna force heavy duty cam clamps are a unique, patented range of manually operated cam clamps with. Jergens Swing Clamps.
From www.amazon.com.mx
Jergens 19101 Adjustable Clamp Jergens Swing Clamps [sku] jergens staylock clamps provide the highest clamping force and greatest versatility in workholding. Swing clamps may be used in any attitude. Jergens swing clamps are designed to swing 80° away from the workpiece to allow easy accessibility for part insertion or removal. Roemheld compact swing clamps (1 series) roemheld threaded cylinders. Master product catalog manufacturing efficiency. Since our founding,. Jergens Swing Clamps.
From www.youtube.com
Clamps Jergens YouTube Jergens Swing Clamps Master product catalog manufacturing efficiency. Jergens swing clamps are designed to swing 80° away from the workpiece to allow easy accessibility for part insertion or removal. Workholding solutions, lifting solutions and. Since our founding, jergens, inc. [sku] jergens staylock clamps provide the highest clamping force and greatest versatility in workholding. Has grown to comprise 3 distinct business units: Hdc675 heavy. Jergens Swing Clamps.
From www.jergensinc.com
Jergens, Inc. Manufacturing Efficiency Jergens Swing Clamps Master product catalog manufacturing efficiency. Jergens magna force heavy duty cam clamps are a unique, patented range of manually operated cam clamps with advantages over hydraulic. Roemheld compact swing clamps (1 series) roemheld threaded cylinders. Workholding solutions, lifting solutions and. Since our founding, jergens, inc. Jergens swing clamps are designed to swing 80° away from the workpiece to allow easy. Jergens Swing Clamps.
From www.jergensinc.com
STAYLOCK® Rocker Clamps Jergens Workholding Jergens Inc Jergens Swing Clamps Swing clamps may be used in any attitude. Jergens magna force heavy duty cam clamps are a unique, patented range of manually operated cam clamps with advantages over hydraulic. Master product catalog manufacturing efficiency. [sku] jergens staylock clamps provide the highest clamping force and greatest versatility in workholding. Hdc675 heavy duty cam swing clamps. Has grown to comprise 3 distinct. Jergens Swing Clamps.
From www.jergensinc.com
HDC2600 Heavy Duty Cam Swing Clamps Jergens Workholding Jergens Inc Jergens Swing Clamps Since our founding, jergens, inc. Jergens swing clamps are designed to swing 80° away from the workpiece to allow easy accessibility for part insertion or removal. Has grown to comprise 3 distinct business units: Jergens magna force heavy duty cam clamps are a unique, patented range of manually operated cam clamps with advantages over hydraulic. Swing clamps may be used. Jergens Swing Clamps.
From www.directindustry.com
Mechanical clamp STAYLOCK® Jergens, Inc. horizontal / vertical Jergens Swing Clamps Has grown to comprise 3 distinct business units: [sku] jergens staylock clamps provide the highest clamping force and greatest versatility in workholding. Hdc675 heavy duty cam swing clamps. Workholding solutions, lifting solutions and. Master product catalog manufacturing efficiency. Swing clamps may be used in any attitude. Jergens swing clamps are designed to swing 80° away from the workpiece to allow. Jergens Swing Clamps.
From www.jergensinc.com
Jergens, Inc. Manufacturing Efficiency Jergens Swing Clamps Since our founding, jergens, inc. Hdc675 heavy duty cam swing clamps. Jergens swing clamps are designed to swing 80° away from the workpiece to allow easy accessibility for part insertion or removal. Has grown to comprise 3 distinct business units: Master product catalog manufacturing efficiency. Swing clamps may be used in any attitude. [sku] jergens staylock clamps provide the highest. Jergens Swing Clamps.
From www.mms-mexico.com
Sistema de sujeción Jergens de clamps para piezas difíciles Modern Jergens Swing Clamps Roemheld compact swing clamps (1 series) roemheld threaded cylinders. Has grown to comprise 3 distinct business units: Hdc675 heavy duty cam swing clamps. Jergens swing clamps are designed to swing 80° away from the workpiece to allow easy accessibility for part insertion or removal. Master product catalog manufacturing efficiency. Since our founding, jergens, inc. Workholding solutions, lifting solutions and. Swing. Jergens Swing Clamps.
From www.jergensinc.com
HDP5500/L Heavy Duty Long Handle PushPull Clamp Jergens Workholding Jergens Swing Clamps Since our founding, jergens, inc. Swing clamps may be used in any attitude. Has grown to comprise 3 distinct business units: Workholding solutions, lifting solutions and. Roemheld compact swing clamps (1 series) roemheld threaded cylinders. Hdc675 heavy duty cam swing clamps. [sku] jergens staylock clamps provide the highest clamping force and greatest versatility in workholding. Jergens swing clamps are designed. Jergens Swing Clamps.
From www.jergensinc.com
Swing Bolts Jergens Workholding Jergens Inc Jergens Swing Clamps Swing clamps may be used in any attitude. Jergens magna force heavy duty cam clamps are a unique, patented range of manually operated cam clamps with advantages over hydraulic. Since our founding, jergens, inc. Roemheld compact swing clamps (1 series) roemheld threaded cylinders. [sku] jergens staylock clamps provide the highest clamping force and greatest versatility in workholding. Master product catalog. Jergens Swing Clamps.
From www.directindustry.com
Mechanical clamp 6068 series Jergens, Inc. workpiece / swing Jergens Swing Clamps Workholding solutions, lifting solutions and. Swing clamps may be used in any attitude. Hdc675 heavy duty cam swing clamps. Roemheld compact swing clamps (1 series) roemheld threaded cylinders. Jergens magna force heavy duty cam clamps are a unique, patented range of manually operated cam clamps with advantages over hydraulic. Since our founding, jergens, inc. Jergens swing clamps are designed to. Jergens Swing Clamps.
From www.directindustry.com
Hydraulic clamp 60 series Jergens, Inc. swing Jergens Swing Clamps Since our founding, jergens, inc. Jergens swing clamps are designed to swing 80° away from the workpiece to allow easy accessibility for part insertion or removal. Roemheld compact swing clamps (1 series) roemheld threaded cylinders. Swing clamps may be used in any attitude. Jergens magna force heavy duty cam clamps are a unique, patented range of manually operated cam clamps. Jergens Swing Clamps.
From www.govets.com
Mastering the Art of Clamping Your Comprehensive Guide to Clamps and Jergens Swing Clamps Workholding solutions, lifting solutions and. [sku] jergens staylock clamps provide the highest clamping force and greatest versatility in workholding. Jergens swing clamps are designed to swing 80° away from the workpiece to allow easy accessibility for part insertion or removal. Has grown to comprise 3 distinct business units: Roemheld compact swing clamps (1 series) roemheld threaded cylinders. Hdc675 heavy duty. Jergens Swing Clamps.
From www.freertool.com
JERGENS SWING BOLT, 5/811 X 43/4, 5/8 PIN HOLE 29508 Freer Tool Jergens Swing Clamps Jergens swing clamps are designed to swing 80° away from the workpiece to allow easy accessibility for part insertion or removal. Roemheld compact swing clamps (1 series) roemheld threaded cylinders. [sku] jergens staylock clamps provide the highest clamping force and greatest versatility in workholding. Since our founding, jergens, inc. Workholding solutions, lifting solutions and. Jergens magna force heavy duty cam. Jergens Swing Clamps.
From www.jergensinc.com
Swing Clamps Jergens Workholding Jergens Inc Jergens Swing Clamps Master product catalog manufacturing efficiency. [sku] jergens staylock clamps provide the highest clamping force and greatest versatility in workholding. Swing clamps may be used in any attitude. Workholding solutions, lifting solutions and. Has grown to comprise 3 distinct business units: Jergens swing clamps are designed to swing 80° away from the workpiece to allow easy accessibility for part insertion or. Jergens Swing Clamps.
From news.thomasnet.com
New Extra Heavy Duty Cam Clamps Introduced Jergens Swing Clamps Master product catalog manufacturing efficiency. Jergens swing clamps are designed to swing 80° away from the workpiece to allow easy accessibility for part insertion or removal. [sku] jergens staylock clamps provide the highest clamping force and greatest versatility in workholding. Workholding solutions, lifting solutions and. Roemheld compact swing clamps (1 series) roemheld threaded cylinders. Swing clamps may be used in. Jergens Swing Clamps.
From www.jergensinc.com
HDC1800 Heavy Duty Cam Swing Clamps Jergens Workholding Jergens Inc Jergens Swing Clamps Since our founding, jergens, inc. Master product catalog manufacturing efficiency. Swing clamps may be used in any attitude. Jergens magna force heavy duty cam clamps are a unique, patented range of manually operated cam clamps with advantages over hydraulic. Workholding solutions, lifting solutions and. Jergens swing clamps are designed to swing 80° away from the workpiece to allow easy accessibility. Jergens Swing Clamps.
From www.jergensinc.com
HDC675 Heavy Duty Cam Swing Clamps Jergens Workholding Jergens Inc Jergens Swing Clamps [sku] jergens staylock clamps provide the highest clamping force and greatest versatility in workholding. Master product catalog manufacturing efficiency. Hdc675 heavy duty cam swing clamps. Jergens magna force heavy duty cam clamps are a unique, patented range of manually operated cam clamps with advantages over hydraulic. Workholding solutions, lifting solutions and. Swing clamps may be used in any attitude. Has. Jergens Swing Clamps.
From www.freertool.com
JERGENS CLAMP ASSY,RADIUS SWING,1/420 14123 Freer Tool and Supply Jergens Swing Clamps Since our founding, jergens, inc. Has grown to comprise 3 distinct business units: Swing clamps may be used in any attitude. Jergens swing clamps are designed to swing 80° away from the workpiece to allow easy accessibility for part insertion or removal. Master product catalog manufacturing efficiency. Hdc675 heavy duty cam swing clamps. [sku] jergens staylock clamps provide the highest. Jergens Swing Clamps.
From www.jergensinc.com
HDC675 Heavy Duty Cam Swing Clamps Jergens Workholding Jergens Inc Jergens Swing Clamps Workholding solutions, lifting solutions and. [sku] jergens staylock clamps provide the highest clamping force and greatest versatility in workholding. Hdc675 heavy duty cam swing clamps. Master product catalog manufacturing efficiency. Roemheld compact swing clamps (1 series) roemheld threaded cylinders. Swing clamps may be used in any attitude. Jergens magna force heavy duty cam clamps are a unique, patented range of. Jergens Swing Clamps.
From www.jergensinc.com
Radius Swing Clamp Assemblies Jergens Workholding Jergens Inc Jergens Swing Clamps Since our founding, jergens, inc. [sku] jergens staylock clamps provide the highest clamping force and greatest versatility in workholding. Roemheld compact swing clamps (1 series) roemheld threaded cylinders. Workholding solutions, lifting solutions and. Hdc675 heavy duty cam swing clamps. Has grown to comprise 3 distinct business units: Jergens magna force heavy duty cam clamps are a unique, patented range of. Jergens Swing Clamps.
From www.jergensinc.com
Jergens, Inc. Manufacturing Efficiency Jergens Swing Clamps Jergens magna force heavy duty cam clamps are a unique, patented range of manually operated cam clamps with advantages over hydraulic. Hdc675 heavy duty cam swing clamps. Workholding solutions, lifting solutions and. Has grown to comprise 3 distinct business units: Roemheld compact swing clamps (1 series) roemheld threaded cylinders. Master product catalog manufacturing efficiency. Since our founding, jergens, inc. Jergens. Jergens Swing Clamps.
From www.jergensinc.com
Jergens, Inc. Manufacturing Efficiency Jergens Swing Clamps Roemheld compact swing clamps (1 series) roemheld threaded cylinders. [sku] jergens staylock clamps provide the highest clamping force and greatest versatility in workholding. Has grown to comprise 3 distinct business units: Since our founding, jergens, inc. Jergens swing clamps are designed to swing 80° away from the workpiece to allow easy accessibility for part insertion or removal. Master product catalog. Jergens Swing Clamps.
From www.jergensinc.com
Micro™ Clamps Jergens Workholding Jergens Inc Jergens Swing Clamps Swing clamps may be used in any attitude. [sku] jergens staylock clamps provide the highest clamping force and greatest versatility in workholding. Jergens swing clamps are designed to swing 80° away from the workpiece to allow easy accessibility for part insertion or removal. Master product catalog manufacturing efficiency. Has grown to comprise 3 distinct business units: Workholding solutions, lifting solutions. Jergens Swing Clamps.
From exyxucrqo.blob.core.windows.net
Jergens Hydraulic Clamping at Winnie Torres blog Jergens Swing Clamps Master product catalog manufacturing efficiency. [sku] jergens staylock clamps provide the highest clamping force and greatest versatility in workholding. Roemheld compact swing clamps (1 series) roemheld threaded cylinders. Swing clamps may be used in any attitude. Workholding solutions, lifting solutions and. Jergens magna force heavy duty cam clamps are a unique, patented range of manually operated cam clamps with advantages. Jergens Swing Clamps.
From www.freertool.com
JERGENS CLAMP ARM, DOUBLE FOR 60680 60923 Freer Tool and Supply Jergens Swing Clamps Swing clamps may be used in any attitude. Since our founding, jergens, inc. Master product catalog manufacturing efficiency. Hdc675 heavy duty cam swing clamps. [sku] jergens staylock clamps provide the highest clamping force and greatest versatility in workholding. Jergens magna force heavy duty cam clamps are a unique, patented range of manually operated cam clamps with advantages over hydraulic. Workholding. Jergens Swing Clamps.
From www.jergensinc.com
STAYLOCK® Swing Clamps / Flow Limit Valves Jergens Workholding Jergens Swing Clamps [sku] jergens staylock clamps provide the highest clamping force and greatest versatility in workholding. Jergens swing clamps are designed to swing 80° away from the workpiece to allow easy accessibility for part insertion or removal. Master product catalog manufacturing efficiency. Since our founding, jergens, inc. Swing clamps may be used in any attitude. Has grown to comprise 3 distinct business. Jergens Swing Clamps.
From www.freertool.com
JERGENS CLAMP HEEL, ADJ 18 X 6 47211 Freer Tool and Supply Jergens Swing Clamps Workholding solutions, lifting solutions and. Has grown to comprise 3 distinct business units: Hdc675 heavy duty cam swing clamps. Jergens magna force heavy duty cam clamps are a unique, patented range of manually operated cam clamps with advantages over hydraulic. Roemheld compact swing clamps (1 series) roemheld threaded cylinders. Jergens swing clamps are designed to swing 80° away from the. Jergens Swing Clamps.
From www.jergensinc.com
Hook Clamp Assemblies Jergens Workholding Jergens Inc Jergens Swing Clamps Master product catalog manufacturing efficiency. Jergens swing clamps are designed to swing 80° away from the workpiece to allow easy accessibility for part insertion or removal. Workholding solutions, lifting solutions and. Jergens magna force heavy duty cam clamps are a unique, patented range of manually operated cam clamps with advantages over hydraulic. Roemheld compact swing clamps (1 series) roemheld threaded. Jergens Swing Clamps.
From www.mscdirect.com
Jergens Clamp Cylinder Accessories; Accessory Type QUICKLOC Cube Jergens Swing Clamps Master product catalog manufacturing efficiency. Has grown to comprise 3 distinct business units: Hdc675 heavy duty cam swing clamps. Workholding solutions, lifting solutions and. Roemheld compact swing clamps (1 series) roemheld threaded cylinders. Swing clamps may be used in any attitude. Since our founding, jergens, inc. [sku] jergens staylock clamps provide the highest clamping force and greatest versatility in workholding.. Jergens Swing Clamps.
From www.jergensinc.com
HDC2600 Heavy Duty Cam Swing Clamps Jergens Workholding Jergens Inc Jergens Swing Clamps Swing clamps may be used in any attitude. Jergens swing clamps are designed to swing 80° away from the workpiece to allow easy accessibility for part insertion or removal. Roemheld compact swing clamps (1 series) roemheld threaded cylinders. Has grown to comprise 3 distinct business units: Jergens magna force heavy duty cam clamps are a unique, patented range of manually. Jergens Swing Clamps.
From www.indiamart.com
Swing Clamp Cylinder at best price in Navi Mumbai by Jergens India Jergens Swing Clamps Swing clamps may be used in any attitude. Has grown to comprise 3 distinct business units: Jergens magna force heavy duty cam clamps are a unique, patented range of manually operated cam clamps with advantages over hydraulic. Hdc675 heavy duty cam swing clamps. Workholding solutions, lifting solutions and. Since our founding, jergens, inc. Roemheld compact swing clamps (1 series) roemheld. Jergens Swing Clamps.