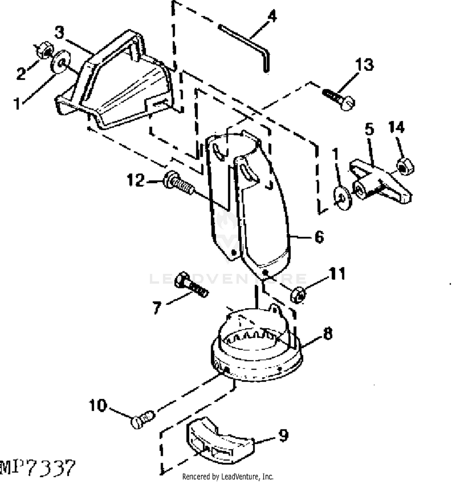
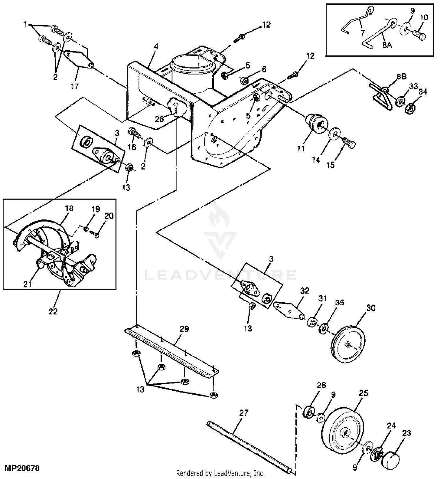
John Deere Trs21 Carburetor Diagram . Visit the official john deere website or consult your owner’s manual to find the parts diagram for your trs21 snowblower. Parts group trs21 and trs21e snow blowers. The john deere trs21 carburetor diagram illustrates the various components and their functions within the carburetor system. Find the carburetor diagram for the john deere trs21 snowblower and learn how to troubleshoot and repair the carburetor for optimal performance. A john deere trs21 carburetor diagram is a schematic representation of the carburetor system used in the trs21 model of john deere. Technical manual includes full service and technical information, troubleshoot instructions, instruction manuals, fitting instructions, schematics and circuits, which will help to.
from edu.svet.gob.gt
Technical manual includes full service and technical information, troubleshoot instructions, instruction manuals, fitting instructions, schematics and circuits, which will help to. Find the carburetor diagram for the john deere trs21 snowblower and learn how to troubleshoot and repair the carburetor for optimal performance. The john deere trs21 carburetor diagram illustrates the various components and their functions within the carburetor system. A john deere trs21 carburetor diagram is a schematic representation of the carburetor system used in the trs21 model of john deere. Visit the official john deere website or consult your owner’s manual to find the parts diagram for your trs21 snowblower. Parts group trs21 and trs21e snow blowers.
John Deere Trs21 Carburetor Diagram edu.svet.gob.gt
John Deere Trs21 Carburetor Diagram A john deere trs21 carburetor diagram is a schematic representation of the carburetor system used in the trs21 model of john deere. The john deere trs21 carburetor diagram illustrates the various components and their functions within the carburetor system. Parts group trs21 and trs21e snow blowers. Find the carburetor diagram for the john deere trs21 snowblower and learn how to troubleshoot and repair the carburetor for optimal performance. Technical manual includes full service and technical information, troubleshoot instructions, instruction manuals, fitting instructions, schematics and circuits, which will help to. A john deere trs21 carburetor diagram is a schematic representation of the carburetor system used in the trs21 model of john deere. Visit the official john deere website or consult your owner’s manual to find the parts diagram for your trs21 snowblower.
From edu.svet.gob.gt
John Deere Trs21 Carburetor Diagram edu.svet.gob.gt John Deere Trs21 Carburetor Diagram Parts group trs21 and trs21e snow blowers. The john deere trs21 carburetor diagram illustrates the various components and their functions within the carburetor system. Technical manual includes full service and technical information, troubleshoot instructions, instruction manuals, fitting instructions, schematics and circuits, which will help to. Visit the official john deere website or consult your owner’s manual to find the parts. John Deere Trs21 Carburetor Diagram.
From uzabytaodi.blogspot.com
42 john deere trs21 parts diagram Wiring Diagrams Manual John Deere Trs21 Carburetor Diagram A john deere trs21 carburetor diagram is a schematic representation of the carburetor system used in the trs21 model of john deere. Parts group trs21 and trs21e snow blowers. Visit the official john deere website or consult your owner’s manual to find the parts diagram for your trs21 snowblower. The john deere trs21 carburetor diagram illustrates the various components and. John Deere Trs21 Carburetor Diagram.
From edu.svet.gob.gt
John Deere Trs21 Carburetor Diagram edu.svet.gob.gt John Deere Trs21 Carburetor Diagram Visit the official john deere website or consult your owner’s manual to find the parts diagram for your trs21 snowblower. A john deere trs21 carburetor diagram is a schematic representation of the carburetor system used in the trs21 model of john deere. The john deere trs21 carburetor diagram illustrates the various components and their functions within the carburetor system. Parts. John Deere Trs21 Carburetor Diagram.
From a.2002-acura-tl-radio.info
Engine Schematics John Deere Trs 21. john deere trs21 21e 22 24 26 27 John Deere Trs21 Carburetor Diagram Visit the official john deere website or consult your owner’s manual to find the parts diagram for your trs21 snowblower. The john deere trs21 carburetor diagram illustrates the various components and their functions within the carburetor system. Technical manual includes full service and technical information, troubleshoot instructions, instruction manuals, fitting instructions, schematics and circuits, which will help to. Parts group. John Deere Trs21 Carburetor Diagram.
From edu.svet.gob.gt
John Deere Trs21 Carburetor Diagram edu.svet.gob.gt John Deere Trs21 Carburetor Diagram Technical manual includes full service and technical information, troubleshoot instructions, instruction manuals, fitting instructions, schematics and circuits, which will help to. Find the carburetor diagram for the john deere trs21 snowblower and learn how to troubleshoot and repair the carburetor for optimal performance. The john deere trs21 carburetor diagram illustrates the various components and their functions within the carburetor system.. John Deere Trs21 Carburetor Diagram.
From a.2002-acura-tl-radio.info
Engine Schematics John Deere Trs 21. john deere trs21 21e 22 24 26 27 John Deere Trs21 Carburetor Diagram Visit the official john deere website or consult your owner’s manual to find the parts diagram for your trs21 snowblower. Parts group trs21 and trs21e snow blowers. The john deere trs21 carburetor diagram illustrates the various components and their functions within the carburetor system. Technical manual includes full service and technical information, troubleshoot instructions, instruction manuals, fitting instructions, schematics and. John Deere Trs21 Carburetor Diagram.
From edu.svet.gob.gt
John Deere Trs21 Carburetor Diagram edu.svet.gob.gt John Deere Trs21 Carburetor Diagram Parts group trs21 and trs21e snow blowers. Find the carburetor diagram for the john deere trs21 snowblower and learn how to troubleshoot and repair the carburetor for optimal performance. Visit the official john deere website or consult your owner’s manual to find the parts diagram for your trs21 snowblower. The john deere trs21 carburetor diagram illustrates the various components and. John Deere Trs21 Carburetor Diagram.
From replacementparts.netlify.app
John deere la115 carburetor diagram John Deere Trs21 Carburetor Diagram Technical manual includes full service and technical information, troubleshoot instructions, instruction manuals, fitting instructions, schematics and circuits, which will help to. The john deere trs21 carburetor diagram illustrates the various components and their functions within the carburetor system. A john deere trs21 carburetor diagram is a schematic representation of the carburetor system used in the trs21 model of john deere.. John Deere Trs21 Carburetor Diagram.
From uzabytaodi.blogspot.com
42 john deere trs21 parts diagram Wiring Diagrams Manual John Deere Trs21 Carburetor Diagram Visit the official john deere website or consult your owner’s manual to find the parts diagram for your trs21 snowblower. Find the carburetor diagram for the john deere trs21 snowblower and learn how to troubleshoot and repair the carburetor for optimal performance. The john deere trs21 carburetor diagram illustrates the various components and their functions within the carburetor system. A. John Deere Trs21 Carburetor Diagram.
From rosennacasidy.blogspot.com
32+ John Deere Trs21 Parts Diagram RosennaCasidy John Deere Trs21 Carburetor Diagram Visit the official john deere website or consult your owner’s manual to find the parts diagram for your trs21 snowblower. Find the carburetor diagram for the john deere trs21 snowblower and learn how to troubleshoot and repair the carburetor for optimal performance. Technical manual includes full service and technical information, troubleshoot instructions, instruction manuals, fitting instructions, schematics and circuits, which. John Deere Trs21 Carburetor Diagram.
From johndocs.com
Exploring the Carburetor Diagram of John Deere TRS21 John Deere Trs21 Carburetor Diagram The john deere trs21 carburetor diagram illustrates the various components and their functions within the carburetor system. Technical manual includes full service and technical information, troubleshoot instructions, instruction manuals, fitting instructions, schematics and circuits, which will help to. Visit the official john deere website or consult your owner’s manual to find the parts diagram for your trs21 snowblower. Find the. John Deere Trs21 Carburetor Diagram.
From edu.svet.gob.gt
John Deere Trs21 Carburetor Diagram edu.svet.gob.gt John Deere Trs21 Carburetor Diagram Technical manual includes full service and technical information, troubleshoot instructions, instruction manuals, fitting instructions, schematics and circuits, which will help to. Parts group trs21 and trs21e snow blowers. Visit the official john deere website or consult your owner’s manual to find the parts diagram for your trs21 snowblower. A john deere trs21 carburetor diagram is a schematic representation of the. John Deere Trs21 Carburetor Diagram.
From a.2002-acura-tl-radio.info
Engine Schematics John Deere Trs 21. john deere trs21 21e 22 24 26 27 John Deere Trs21 Carburetor Diagram The john deere trs21 carburetor diagram illustrates the various components and their functions within the carburetor system. Visit the official john deere website or consult your owner’s manual to find the parts diagram for your trs21 snowblower. A john deere trs21 carburetor diagram is a schematic representation of the carburetor system used in the trs21 model of john deere. Technical. John Deere Trs21 Carburetor Diagram.
From rosennacasidy.blogspot.com
32+ John Deere Trs21 Parts Diagram RosennaCasidy John Deere Trs21 Carburetor Diagram Visit the official john deere website or consult your owner’s manual to find the parts diagram for your trs21 snowblower. Find the carburetor diagram for the john deere trs21 snowblower and learn how to troubleshoot and repair the carburetor for optimal performance. A john deere trs21 carburetor diagram is a schematic representation of the carburetor system used in the trs21. John Deere Trs21 Carburetor Diagram.
From elecschem.com
The Ultimate Guide to Understanding the John Deere D140 Carburetor Diagram John Deere Trs21 Carburetor Diagram Technical manual includes full service and technical information, troubleshoot instructions, instruction manuals, fitting instructions, schematics and circuits, which will help to. Parts group trs21 and trs21e snow blowers. Find the carburetor diagram for the john deere trs21 snowblower and learn how to troubleshoot and repair the carburetor for optimal performance. The john deere trs21 carburetor diagram illustrates the various components. John Deere Trs21 Carburetor Diagram.
From edu.svet.gob.gt
John Deere Trs21 Carburetor Diagram edu.svet.gob.gt John Deere Trs21 Carburetor Diagram Technical manual includes full service and technical information, troubleshoot instructions, instruction manuals, fitting instructions, schematics and circuits, which will help to. Parts group trs21 and trs21e snow blowers. The john deere trs21 carburetor diagram illustrates the various components and their functions within the carburetor system. Find the carburetor diagram for the john deere trs21 snowblower and learn how to troubleshoot. John Deere Trs21 Carburetor Diagram.
From uzabytaodi.blogspot.com
42 john deere trs21 parts diagram Wiring Diagrams Manual John Deere Trs21 Carburetor Diagram Visit the official john deere website or consult your owner’s manual to find the parts diagram for your trs21 snowblower. The john deere trs21 carburetor diagram illustrates the various components and their functions within the carburetor system. Technical manual includes full service and technical information, troubleshoot instructions, instruction manuals, fitting instructions, schematics and circuits, which will help to. Find the. John Deere Trs21 Carburetor Diagram.
From www.ebay.com
Carburetor For John Deere TRS21 Snow Blower eBay John Deere Trs21 Carburetor Diagram Find the carburetor diagram for the john deere trs21 snowblower and learn how to troubleshoot and repair the carburetor for optimal performance. Parts group trs21 and trs21e snow blowers. The john deere trs21 carburetor diagram illustrates the various components and their functions within the carburetor system. A john deere trs21 carburetor diagram is a schematic representation of the carburetor system. John Deere Trs21 Carburetor Diagram.
From www.amazon.com
SAKITAM Carburetor Carb Replacements for John Deere TRS21 John Deere Trs21 Carburetor Diagram The john deere trs21 carburetor diagram illustrates the various components and their functions within the carburetor system. Visit the official john deere website or consult your owner’s manual to find the parts diagram for your trs21 snowblower. Parts group trs21 and trs21e snow blowers. Find the carburetor diagram for the john deere trs21 snowblower and learn how to troubleshoot and. John Deere Trs21 Carburetor Diagram.
From replacementparts.netlify.app
John deere gator carburetor diagram John Deere Trs21 Carburetor Diagram The john deere trs21 carburetor diagram illustrates the various components and their functions within the carburetor system. Find the carburetor diagram for the john deere trs21 snowblower and learn how to troubleshoot and repair the carburetor for optimal performance. A john deere trs21 carburetor diagram is a schematic representation of the carburetor system used in the trs21 model of john. John Deere Trs21 Carburetor Diagram.
From a.2002-acura-tl-radio.info
Engine Schematics John Deere Trs 21. john deere trs21 21e 22 24 26 27 John Deere Trs21 Carburetor Diagram Technical manual includes full service and technical information, troubleshoot instructions, instruction manuals, fitting instructions, schematics and circuits, which will help to. Parts group trs21 and trs21e snow blowers. Find the carburetor diagram for the john deere trs21 snowblower and learn how to troubleshoot and repair the carburetor for optimal performance. Visit the official john deere website or consult your owner’s. John Deere Trs21 Carburetor Diagram.
From elecschem.com
Exploring the Anatomy of the John Deere LA110 Carburetor A John Deere Trs21 Carburetor Diagram The john deere trs21 carburetor diagram illustrates the various components and their functions within the carburetor system. Technical manual includes full service and technical information, troubleshoot instructions, instruction manuals, fitting instructions, schematics and circuits, which will help to. Visit the official john deere website or consult your owner’s manual to find the parts diagram for your trs21 snowblower. A john. John Deere Trs21 Carburetor Diagram.
From edu.svet.gob.gt
John Deere Trs21 Carburetor Diagram edu.svet.gob.gt John Deere Trs21 Carburetor Diagram A john deere trs21 carburetor diagram is a schematic representation of the carburetor system used in the trs21 model of john deere. Find the carburetor diagram for the john deere trs21 snowblower and learn how to troubleshoot and repair the carburetor for optimal performance. The john deere trs21 carburetor diagram illustrates the various components and their functions within the carburetor. John Deere Trs21 Carburetor Diagram.
From www.ebay.com
Carburetor For John Deere TRS21 Snow Blower eBay John Deere Trs21 Carburetor Diagram Technical manual includes full service and technical information, troubleshoot instructions, instruction manuals, fitting instructions, schematics and circuits, which will help to. Find the carburetor diagram for the john deere trs21 snowblower and learn how to troubleshoot and repair the carburetor for optimal performance. Visit the official john deere website or consult your owner’s manual to find the parts diagram for. John Deere Trs21 Carburetor Diagram.
From a.2002-acura-tl-radio.info
Engine Schematics John Deere Trs 21. john deere trs21 21e 22 24 26 27 John Deere Trs21 Carburetor Diagram Technical manual includes full service and technical information, troubleshoot instructions, instruction manuals, fitting instructions, schematics and circuits, which will help to. The john deere trs21 carburetor diagram illustrates the various components and their functions within the carburetor system. Visit the official john deere website or consult your owner’s manual to find the parts diagram for your trs21 snowblower. A john. John Deere Trs21 Carburetor Diagram.
From replacementparts.netlify.app
John deere gator carburetor diagram John Deere Trs21 Carburetor Diagram The john deere trs21 carburetor diagram illustrates the various components and their functions within the carburetor system. Technical manual includes full service and technical information, troubleshoot instructions, instruction manuals, fitting instructions, schematics and circuits, which will help to. Visit the official john deere website or consult your owner’s manual to find the parts diagram for your trs21 snowblower. Find the. John Deere Trs21 Carburetor Diagram.
From www.snowbloweri.com
Carburetor Carb For John Deere Trs21 Snow Blower John Deere Trs21 Carburetor Diagram Visit the official john deere website or consult your owner’s manual to find the parts diagram for your trs21 snowblower. A john deere trs21 carburetor diagram is a schematic representation of the carburetor system used in the trs21 model of john deere. Parts group trs21 and trs21e snow blowers. The john deere trs21 carburetor diagram illustrates the various components and. John Deere Trs21 Carburetor Diagram.
From a.2002-acura-tl-radio.info
Engine Schematics John Deere Trs 21. john deere trs21 21e 22 24 26 27 John Deere Trs21 Carburetor Diagram Visit the official john deere website or consult your owner’s manual to find the parts diagram for your trs21 snowblower. Technical manual includes full service and technical information, troubleshoot instructions, instruction manuals, fitting instructions, schematics and circuits, which will help to. The john deere trs21 carburetor diagram illustrates the various components and their functions within the carburetor system. A john. John Deere Trs21 Carburetor Diagram.
From schematicmanualwilliam.z13.web.core.windows.net
John Deere Gator Carburetor Diagram John Deere Trs21 Carburetor Diagram Visit the official john deere website or consult your owner’s manual to find the parts diagram for your trs21 snowblower. Parts group trs21 and trs21e snow blowers. Find the carburetor diagram for the john deere trs21 snowblower and learn how to troubleshoot and repair the carburetor for optimal performance. Technical manual includes full service and technical information, troubleshoot instructions, instruction. John Deere Trs21 Carburetor Diagram.
From www.epcatalogs.com
John Deere TRS21/21E/22/24/26/27/32 and TRX24/26 TM1466 John Deere Trs21 Carburetor Diagram Technical manual includes full service and technical information, troubleshoot instructions, instruction manuals, fitting instructions, schematics and circuits, which will help to. Visit the official john deere website or consult your owner’s manual to find the parts diagram for your trs21 snowblower. Parts group trs21 and trs21e snow blowers. Find the carburetor diagram for the john deere trs21 snowblower and learn. John Deere Trs21 Carburetor Diagram.
From uzabytaodi.blogspot.com
42 john deere trs21 parts diagram Wiring Diagrams Manual John Deere Trs21 Carburetor Diagram Technical manual includes full service and technical information, troubleshoot instructions, instruction manuals, fitting instructions, schematics and circuits, which will help to. The john deere trs21 carburetor diagram illustrates the various components and their functions within the carburetor system. Visit the official john deere website or consult your owner’s manual to find the parts diagram for your trs21 snowblower. Find the. John Deere Trs21 Carburetor Diagram.
From autoctrls.com
Understanding the Inner Workings of the John Deere TRS21 Carburetor A John Deere Trs21 Carburetor Diagram Parts group trs21 and trs21e snow blowers. The john deere trs21 carburetor diagram illustrates the various components and their functions within the carburetor system. Visit the official john deere website or consult your owner’s manual to find the parts diagram for your trs21 snowblower. A john deere trs21 carburetor diagram is a schematic representation of the carburetor system used in. John Deere Trs21 Carburetor Diagram.
From johndocs.com
Exploring the Carburetor Diagram of John Deere TRS21 John Deere Trs21 Carburetor Diagram The john deere trs21 carburetor diagram illustrates the various components and their functions within the carburetor system. Visit the official john deere website or consult your owner’s manual to find the parts diagram for your trs21 snowblower. Find the carburetor diagram for the john deere trs21 snowblower and learn how to troubleshoot and repair the carburetor for optimal performance. A. John Deere Trs21 Carburetor Diagram.
From edu.svet.gob.gt
John Deere Trs21 Carburetor Diagram edu.svet.gob.gt John Deere Trs21 Carburetor Diagram Parts group trs21 and trs21e snow blowers. Visit the official john deere website or consult your owner’s manual to find the parts diagram for your trs21 snowblower. Find the carburetor diagram for the john deere trs21 snowblower and learn how to troubleshoot and repair the carburetor for optimal performance. The john deere trs21 carburetor diagram illustrates the various components and. John Deere Trs21 Carburetor Diagram.
From circuitdbfrequents.z19.web.core.windows.net
John Deere A Carburetor Diagram John Deere Trs21 Carburetor Diagram Visit the official john deere website or consult your owner’s manual to find the parts diagram for your trs21 snowblower. Technical manual includes full service and technical information, troubleshoot instructions, instruction manuals, fitting instructions, schematics and circuits, which will help to. The john deere trs21 carburetor diagram illustrates the various components and their functions within the carburetor system. Parts group. John Deere Trs21 Carburetor Diagram.