Yamaha Waverunner Steering Lubrication . View and download yamaha waverunner vx 2018 owner's/operator's manual online. I isolated the problem to. It includes the right type and amount of. Be smart and count and record how. Page 8 how to use this manual 1 to help identify parts and clarify procedure steps, there are exploded diagrams at the start of each removal and disassembly section. This is a very brief explanation on applying lubricants on the steering cable i used the crc marine spray ill link at the bottom if you. Waverunner vx 2018 boat pdf manual download. Disconnect the steering cable from your turnplate/steering system. This year as i was prepping the ski i lubed the cables and nozzle pivot points but the problem still exists. • nozzle pivot shaft • steering cable (nozzle end) • qsts cable (nozzle end) recommended grease: Page 77 insp general 7. After searching on forums and looking online, i could not find a answer to fix to the stiff steering on low hour machines. But if you prefer to do it yourself, your yamaha dealer can set you up with a genuine yamalube oil change kit, specific to your yamaha waverunner.
from www.boats.net
View and download yamaha waverunner vx 2018 owner's/operator's manual online. Waverunner vx 2018 boat pdf manual download. Page 8 how to use this manual 1 to help identify parts and clarify procedure steps, there are exploded diagrams at the start of each removal and disassembly section. It includes the right type and amount of. Page 77 insp general 7. This is a very brief explanation on applying lubricants on the steering cable i used the crc marine spray ill link at the bottom if you. Disconnect the steering cable from your turnplate/steering system. This year as i was prepping the ski i lubed the cables and nozzle pivot points but the problem still exists. • nozzle pivot shaft • steering cable (nozzle end) • qsts cable (nozzle end) recommended grease: Be smart and count and record how.
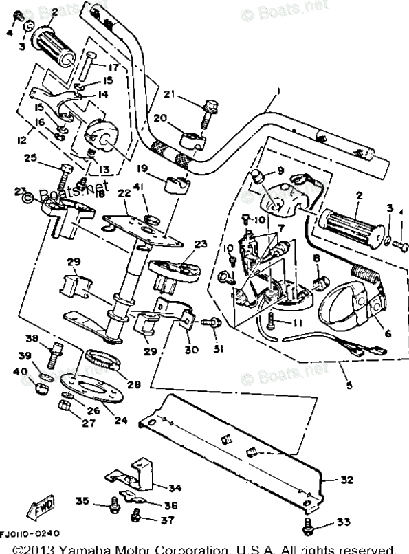
Yamaha Waverunner 1992 OEM Parts Diagram for Steering
Yamaha Waverunner Steering Lubrication Disconnect the steering cable from your turnplate/steering system. This year as i was prepping the ski i lubed the cables and nozzle pivot points but the problem still exists. Disconnect the steering cable from your turnplate/steering system. Page 77 insp general 7. Waverunner vx 2018 boat pdf manual download. After searching on forums and looking online, i could not find a answer to fix to the stiff steering on low hour machines. View and download yamaha waverunner vx 2018 owner's/operator's manual online. But if you prefer to do it yourself, your yamaha dealer can set you up with a genuine yamalube oil change kit, specific to your yamaha waverunner. It includes the right type and amount of. I isolated the problem to. This is a very brief explanation on applying lubricants on the steering cable i used the crc marine spray ill link at the bottom if you. Page 8 how to use this manual 1 to help identify parts and clarify procedure steps, there are exploded diagrams at the start of each removal and disassembly section. • nozzle pivot shaft • steering cable (nozzle end) • qsts cable (nozzle end) recommended grease: Be smart and count and record how.
From www.boats.net
Yamaha Waverunner 2022 OEM Parts Diagram for Steering 3 Yamaha Waverunner Steering Lubrication Disconnect the steering cable from your turnplate/steering system. View and download yamaha waverunner vx 2018 owner's/operator's manual online. After searching on forums and looking online, i could not find a answer to fix to the stiff steering on low hour machines. I isolated the problem to. • nozzle pivot shaft • steering cable (nozzle end) • qsts cable (nozzle end). Yamaha Waverunner Steering Lubrication.
From www.boats.net
Yamaha Waverunner 1993 OEM Parts Diagram for Steering Yamaha Waverunner Steering Lubrication But if you prefer to do it yourself, your yamaha dealer can set you up with a genuine yamalube oil change kit, specific to your yamaha waverunner. It includes the right type and amount of. Page 8 how to use this manual 1 to help identify parts and clarify procedure steps, there are exploded diagrams at the start of each. Yamaha Waverunner Steering Lubrication.
From www.promo-jetski.com
STEERING 2 for Yamaha VX CRUISER VX1100BJ VX DELUXE VX1100BJ 2010 Yamaha Waverunner Steering Lubrication Be smart and count and record how. Page 8 how to use this manual 1 to help identify parts and clarify procedure steps, there are exploded diagrams at the start of each removal and disassembly section. Waverunner vx 2018 boat pdf manual download. This is a very brief explanation on applying lubricants on the steering cable i used the crc. Yamaha Waverunner Steering Lubrication.
From www.boats.net
Yamaha Waverunner 2014 OEM Parts Diagram for Steering 2 Yamaha Waverunner Steering Lubrication View and download yamaha waverunner vx 2018 owner's/operator's manual online. This year as i was prepping the ski i lubed the cables and nozzle pivot points but the problem still exists. Be smart and count and record how. It includes the right type and amount of. I isolated the problem to. Page 8 how to use this manual 1 to. Yamaha Waverunner Steering Lubrication.
From www.partzilla.com
Yamaha Waverunner 2020 OEM Parts Diagram for Steering (1) Yamaha Waverunner Steering Lubrication Page 77 insp general 7. This year as i was prepping the ski i lubed the cables and nozzle pivot points but the problem still exists. I isolated the problem to. After searching on forums and looking online, i could not find a answer to fix to the stiff steering on low hour machines. Disconnect the steering cable from your. Yamaha Waverunner Steering Lubrication.
From www.partzilla.com
Yamaha Waverunner 2022 OEM Parts Diagram for Steering 3 Yamaha Waverunner Steering Lubrication Waverunner vx 2018 boat pdf manual download. This year as i was prepping the ski i lubed the cables and nozzle pivot points but the problem still exists. This is a very brief explanation on applying lubricants on the steering cable i used the crc marine spray ill link at the bottom if you. Disconnect the steering cable from your. Yamaha Waverunner Steering Lubrication.
From www.boats.net
Yamaha Waverunner 1990 OEM Parts Diagram for Steering Yamaha Waverunner Steering Lubrication This year as i was prepping the ski i lubed the cables and nozzle pivot points but the problem still exists. Page 77 insp general 7. Be smart and count and record how. Disconnect the steering cable from your turnplate/steering system. This is a very brief explanation on applying lubricants on the steering cable i used the crc marine spray. Yamaha Waverunner Steering Lubrication.
From www.boats.net
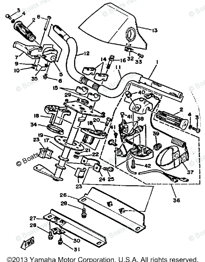
Yamaha Waverunner 1993 OEM Parts Diagram for Steering 1 Yamaha Waverunner Steering Lubrication Page 8 how to use this manual 1 to help identify parts and clarify procedure steps, there are exploded diagrams at the start of each removal and disassembly section. Page 77 insp general 7. Be smart and count and record how. View and download yamaha waverunner vx 2018 owner's/operator's manual online. I isolated the problem to. This is a very. Yamaha Waverunner Steering Lubrication.
From www.boats.net
Yamaha Waverunner 2000 OEM Parts Diagram for Steering 1 Yamaha Waverunner Steering Lubrication After searching on forums and looking online, i could not find a answer to fix to the stiff steering on low hour machines. Be smart and count and record how. Disconnect the steering cable from your turnplate/steering system. Page 77 insp general 7. I isolated the problem to. It includes the right type and amount of. View and download yamaha. Yamaha Waverunner Steering Lubrication.
From www.boats.net
Yamaha Waverunner 2019 OEM Parts Diagram for Steering 1 Yamaha Waverunner Steering Lubrication Be smart and count and record how. But if you prefer to do it yourself, your yamaha dealer can set you up with a genuine yamalube oil change kit, specific to your yamaha waverunner. Waverunner vx 2018 boat pdf manual download. Disconnect the steering cable from your turnplate/steering system. View and download yamaha waverunner vx 2018 owner's/operator's manual online. After. Yamaha Waverunner Steering Lubrication.
From www.youtube.com
Yamaha 242 limited S intermediate housing lubrication YouTube Yamaha Waverunner Steering Lubrication Disconnect the steering cable from your turnplate/steering system. This is a very brief explanation on applying lubricants on the steering cable i used the crc marine spray ill link at the bottom if you. This year as i was prepping the ski i lubed the cables and nozzle pivot points but the problem still exists. It includes the right type. Yamaha Waverunner Steering Lubrication.
From www.boats.net
Yamaha Waverunner 2003 OEM Parts Diagram for Steering 1 Yamaha Waverunner Steering Lubrication Page 77 insp general 7. This is a very brief explanation on applying lubricants on the steering cable i used the crc marine spray ill link at the bottom if you. After searching on forums and looking online, i could not find a answer to fix to the stiff steering on low hour machines. View and download yamaha waverunner vx. Yamaha Waverunner Steering Lubrication.
From www.youtube.com
Replacing steering cable Yamaha Waverunner 1200 SUV part 2 of 3 YouTube Yamaha Waverunner Steering Lubrication But if you prefer to do it yourself, your yamaha dealer can set you up with a genuine yamalube oil change kit, specific to your yamaha waverunner. Page 8 how to use this manual 1 to help identify parts and clarify procedure steps, there are exploded diagrams at the start of each removal and disassembly section. Be smart and count. Yamaha Waverunner Steering Lubrication.
From www.youtube.com
Yamaha Waverunner oil change 1.8L HO/SVHO GP1800R YouTube Yamaha Waverunner Steering Lubrication Be smart and count and record how. Disconnect the steering cable from your turnplate/steering system. But if you prefer to do it yourself, your yamaha dealer can set you up with a genuine yamalube oil change kit, specific to your yamaha waverunner. This is a very brief explanation on applying lubricants on the steering cable i used the crc marine. Yamaha Waverunner Steering Lubrication.
From www.boats.net
Yamaha Waverunner 1992 OEM Parts Diagram for Steering Yamaha Waverunner Steering Lubrication But if you prefer to do it yourself, your yamaha dealer can set you up with a genuine yamalube oil change kit, specific to your yamaha waverunner. After searching on forums and looking online, i could not find a answer to fix to the stiff steering on low hour machines. I isolated the problem to. Waverunner vx 2018 boat pdf. Yamaha Waverunner Steering Lubrication.
From www.promo-jetski.com
STEERING 1 pour JetSki Yamaha FX HO FY1800K 2011 2011 WaveRunner Yamaha Waverunner Steering Lubrication It includes the right type and amount of. But if you prefer to do it yourself, your yamaha dealer can set you up with a genuine yamalube oil change kit, specific to your yamaha waverunner. • nozzle pivot shaft • steering cable (nozzle end) • qsts cable (nozzle end) recommended grease: This is a very brief explanation on applying lubricants. Yamaha Waverunner Steering Lubrication.
From www.boats.net
Yamaha Waverunner 2017 OEM Parts Diagram for Steering 1 Yamaha Waverunner Steering Lubrication Be smart and count and record how. This is a very brief explanation on applying lubricants on the steering cable i used the crc marine spray ill link at the bottom if you. I isolated the problem to. View and download yamaha waverunner vx 2018 owner's/operator's manual online. Disconnect the steering cable from your turnplate/steering system. Page 8 how to. Yamaha Waverunner Steering Lubrication.
From www.partzilla.com
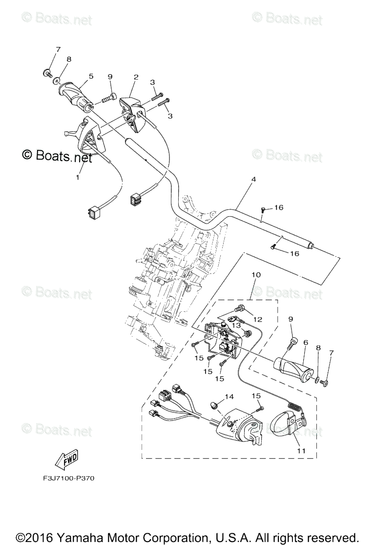
Yamaha Waverunner 2018 OEM Parts Diagram for Steering (1) Yamaha Waverunner Steering Lubrication This year as i was prepping the ski i lubed the cables and nozzle pivot points but the problem still exists. Page 8 how to use this manual 1 to help identify parts and clarify procedure steps, there are exploded diagrams at the start of each removal and disassembly section. I isolated the problem to. View and download yamaha waverunner. Yamaha Waverunner Steering Lubrication.
From www.partzilla.com
Yamaha Waverunner 2022 OEM Parts Diagram for Steering (2) Yamaha Waverunner Steering Lubrication • nozzle pivot shaft • steering cable (nozzle end) • qsts cable (nozzle end) recommended grease: View and download yamaha waverunner vx 2018 owner's/operator's manual online. Disconnect the steering cable from your turnplate/steering system. After searching on forums and looking online, i could not find a answer to fix to the stiff steering on low hour machines. Waverunner vx 2018. Yamaha Waverunner Steering Lubrication.
From www.boats.net
Yamaha Waverunner 1993 OEM Parts Diagram for Steering Yamaha Waverunner Steering Lubrication But if you prefer to do it yourself, your yamaha dealer can set you up with a genuine yamalube oil change kit, specific to your yamaha waverunner. View and download yamaha waverunner vx 2018 owner's/operator's manual online. I isolated the problem to. This is a very brief explanation on applying lubricants on the steering cable i used the crc marine. Yamaha Waverunner Steering Lubrication.
From www.boats.net
Yamaha Waverunner 2016 OEM Parts Diagram for Steering 1 Yamaha Waverunner Steering Lubrication • nozzle pivot shaft • steering cable (nozzle end) • qsts cable (nozzle end) recommended grease: This is a very brief explanation on applying lubricants on the steering cable i used the crc marine spray ill link at the bottom if you. After searching on forums and looking online, i could not find a answer to fix to the stiff. Yamaha Waverunner Steering Lubrication.
From www.partzilla.com
Yamaha Waverunner 2012 OEM Parts Diagram for Steering (1) Yamaha Waverunner Steering Lubrication Be smart and count and record how. After searching on forums and looking online, i could not find a answer to fix to the stiff steering on low hour machines. • nozzle pivot shaft • steering cable (nozzle end) • qsts cable (nozzle end) recommended grease: But if you prefer to do it yourself, your yamaha dealer can set you. Yamaha Waverunner Steering Lubrication.
From www.youtube.com
How to change the oil in a Yamaha wave runner VXR YouTube Yamaha Waverunner Steering Lubrication Page 77 insp general 7. I isolated the problem to. Waverunner vx 2018 boat pdf manual download. It includes the right type and amount of. View and download yamaha waverunner vx 2018 owner's/operator's manual online. But if you prefer to do it yourself, your yamaha dealer can set you up with a genuine yamalube oil change kit, specific to your. Yamaha Waverunner Steering Lubrication.
From www.boats.net
Yamaha Waverunner 2008 OEM Parts Diagram for Steering 1 Yamaha Waverunner Steering Lubrication Disconnect the steering cable from your turnplate/steering system. Page 8 how to use this manual 1 to help identify parts and clarify procedure steps, there are exploded diagrams at the start of each removal and disassembly section. This is a very brief explanation on applying lubricants on the steering cable i used the crc marine spray ill link at the. Yamaha Waverunner Steering Lubrication.
From www.boats.net
Yamaha Waverunner 2021 OEM Parts Diagram for Steering 3 Yamaha Waverunner Steering Lubrication Waverunner vx 2018 boat pdf manual download. But if you prefer to do it yourself, your yamaha dealer can set you up with a genuine yamalube oil change kit, specific to your yamaha waverunner. Disconnect the steering cable from your turnplate/steering system. After searching on forums and looking online, i could not find a answer to fix to the stiff. Yamaha Waverunner Steering Lubrication.
From www.workshopservicerepair.com
Yamaha WaveRunner FX SHO Service Repair Yamaha Waverunner Steering Lubrication • nozzle pivot shaft • steering cable (nozzle end) • qsts cable (nozzle end) recommended grease: This year as i was prepping the ski i lubed the cables and nozzle pivot points but the problem still exists. Disconnect the steering cable from your turnplate/steering system. This is a very brief explanation on applying lubricants on the steering cable i used. Yamaha Waverunner Steering Lubrication.
From www.boats.net
Yamaha Waverunner 1997 OEM Parts Diagram for Steering 1 Yamaha Waverunner Steering Lubrication Waverunner vx 2018 boat pdf manual download. Disconnect the steering cable from your turnplate/steering system. Page 8 how to use this manual 1 to help identify parts and clarify procedure steps, there are exploded diagrams at the start of each removal and disassembly section. Page 77 insp general 7. I isolated the problem to. It includes the right type and. Yamaha Waverunner Steering Lubrication.
From www.boats.net
Yamaha Waverunner 2020 OEM Parts Diagram for Steering 2 Yamaha Waverunner Steering Lubrication This year as i was prepping the ski i lubed the cables and nozzle pivot points but the problem still exists. Page 77 insp general 7. Page 8 how to use this manual 1 to help identify parts and clarify procedure steps, there are exploded diagrams at the start of each removal and disassembly section. Be smart and count and. Yamaha Waverunner Steering Lubrication.
From www.boats.net
Yamaha Waverunner 2004 OEM Parts Diagram for Steering 1 Yamaha Waverunner Steering Lubrication It includes the right type and amount of. Be smart and count and record how. Waverunner vx 2018 boat pdf manual download. But if you prefer to do it yourself, your yamaha dealer can set you up with a genuine yamalube oil change kit, specific to your yamaha waverunner. • nozzle pivot shaft • steering cable (nozzle end) • qsts. Yamaha Waverunner Steering Lubrication.
From www.partzilla.com
Yamaha Waverunner 2020 OEM Parts Diagram for Steering (2) Yamaha Waverunner Steering Lubrication Page 8 how to use this manual 1 to help identify parts and clarify procedure steps, there are exploded diagrams at the start of each removal and disassembly section. But if you prefer to do it yourself, your yamaha dealer can set you up with a genuine yamalube oil change kit, specific to your yamaha waverunner. This year as i. Yamaha Waverunner Steering Lubrication.
From www.youtube.com
10 Hour Maintenance Yamaha WaveRunner FXHO 2021 (How to Oil Change Yamaha Waverunner Steering Lubrication • nozzle pivot shaft • steering cable (nozzle end) • qsts cable (nozzle end) recommended grease: View and download yamaha waverunner vx 2018 owner's/operator's manual online. Waverunner vx 2018 boat pdf manual download. After searching on forums and looking online, i could not find a answer to fix to the stiff steering on low hour machines. Page 8 how to. Yamaha Waverunner Steering Lubrication.
From www.ebay.com
YAMAHA WAVERUNNER FX FZR FZS GX1800 steering stem steering column eBay Yamaha Waverunner Steering Lubrication Disconnect the steering cable from your turnplate/steering system. This year as i was prepping the ski i lubed the cables and nozzle pivot points but the problem still exists. Be smart and count and record how. • nozzle pivot shaft • steering cable (nozzle end) • qsts cable (nozzle end) recommended grease: View and download yamaha waverunner vx 2018 owner's/operator's. Yamaha Waverunner Steering Lubrication.
From www.boats.net
Yamaha Waverunner 1990 OEM Parts Diagram for Steering Yamaha Waverunner Steering Lubrication View and download yamaha waverunner vx 2018 owner's/operator's manual online. It includes the right type and amount of. This year as i was prepping the ski i lubed the cables and nozzle pivot points but the problem still exists. Page 77 insp general 7. Waverunner vx 2018 boat pdf manual download. But if you prefer to do it yourself, your. Yamaha Waverunner Steering Lubrication.
From www.boats.net
Yamaha Waverunner 2023 OEM Parts Diagram for Steering 1 Yamaha Waverunner Steering Lubrication Page 77 insp general 7. Disconnect the steering cable from your turnplate/steering system. View and download yamaha waverunner vx 2018 owner's/operator's manual online. But if you prefer to do it yourself, your yamaha dealer can set you up with a genuine yamalube oil change kit, specific to your yamaha waverunner. • nozzle pivot shaft • steering cable (nozzle end) •. Yamaha Waverunner Steering Lubrication.
From www.promo-jetski.com
STEERING 1 for Yamaha WaveRunner VX Deluxe VX1100BF 2007 2007 Yamaha Waverunner Steering Lubrication Be smart and count and record how. • nozzle pivot shaft • steering cable (nozzle end) • qsts cable (nozzle end) recommended grease: This is a very brief explanation on applying lubricants on the steering cable i used the crc marine spray ill link at the bottom if you. It includes the right type and amount of. This year as. Yamaha Waverunner Steering Lubrication.