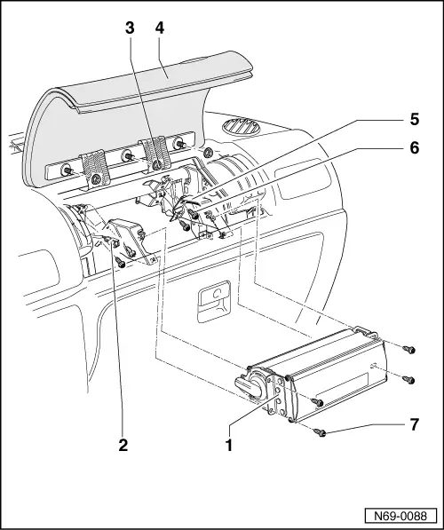
Golf 4 Airbag Module Location . Volkswagen golf service & repair manual: First find the srs computer module. Can be locked and activated via key operated switch to deactivate front passenger side airbag. Based on looking at the. Properly indicate to the vehicle that you've fastened your seat belt, thus activating the airbag (also important!). In most cars it is under the center console that is. To remove your airbag control module, follow these steps: Volkswagen golf service & repair manual / general body repairs, interior / pasanger protection / airbag control unit. You need to pull out the center console panel which surrounds the gear gaiter area and do your best to get your hands in. Vw beetle, golf, audi, skoda and seat airbag module removal and location. Golf 4 mk4 location airbag module
from workshop-manuals.com
Vw beetle, golf, audi, skoda and seat airbag module removal and location. In most cars it is under the center console that is. Volkswagen golf service & repair manual / general body repairs, interior / pasanger protection / airbag control unit. You need to pull out the center console panel which surrounds the gear gaiter area and do your best to get your hands in. First find the srs computer module. Properly indicate to the vehicle that you've fastened your seat belt, thus activating the airbag (also important!). To remove your airbag control module, follow these steps: Can be locked and activated via key operated switch to deactivate front passenger side airbag. Based on looking at the. Golf 4 mk4 location airbag module
Volkswagen Service and Repair Manuals > Golf Mk5 > Body
Golf 4 Airbag Module Location You need to pull out the center console panel which surrounds the gear gaiter area and do your best to get your hands in. Golf 4 mk4 location airbag module Can be locked and activated via key operated switch to deactivate front passenger side airbag. Volkswagen golf service & repair manual: Vw beetle, golf, audi, skoda and seat airbag module removal and location. First find the srs computer module. Volkswagen golf service & repair manual / general body repairs, interior / pasanger protection / airbag control unit. In most cars it is under the center console that is. To remove your airbag control module, follow these steps: You need to pull out the center console panel which surrounds the gear gaiter area and do your best to get your hands in. Properly indicate to the vehicle that you've fastened your seat belt, thus activating the airbag (also important!). Based on looking at the.
From www.njuskalo.hr
vw golf 4 air bag modul Golf 4 Airbag Module Location To remove your airbag control module, follow these steps: Properly indicate to the vehicle that you've fastened your seat belt, thus activating the airbag (also important!). You need to pull out the center console panel which surrounds the gear gaiter area and do your best to get your hands in. First find the srs computer module. Based on looking at. Golf 4 Airbag Module Location.
From www.hella.com
Système d'airbag Constitution et mode de fonctionnement HELLA Golf 4 Airbag Module Location Can be locked and activated via key operated switch to deactivate front passenger side airbag. Properly indicate to the vehicle that you've fastened your seat belt, thus activating the airbag (also important!). You need to pull out the center console panel which surrounds the gear gaiter area and do your best to get your hands in. Vw beetle, golf, audi,. Golf 4 Airbag Module Location.
From carparts4sale.com
Airbag Computer Module & Plug 9901 VW Golf Jetta Mk4 Beetle 6Q0 909 Golf 4 Airbag Module Location Volkswagen golf service & repair manual / general body repairs, interior / pasanger protection / airbag control unit. In most cars it is under the center console that is. Properly indicate to the vehicle that you've fastened your seat belt, thus activating the airbag (also important!). Golf 4 mk4 location airbag module First find the srs computer module. Vw beetle,. Golf 4 Airbag Module Location.
From www.vwgolf.org
Volkswagen Golf Service & Repair Manual Overview of fitting locations Golf 4 Airbag Module Location Properly indicate to the vehicle that you've fastened your seat belt, thus activating the airbag (also important!). To remove your airbag control module, follow these steps: First find the srs computer module. Volkswagen golf service & repair manual: Vw beetle, golf, audi, skoda and seat airbag module removal and location. You need to pull out the center console panel which. Golf 4 Airbag Module Location.
From www.njuskalo.hr
VW GOLF 4 AIRBAG MODUL 1C0 909 605 F Golf 4 Airbag Module Location First find the srs computer module. Can be locked and activated via key operated switch to deactivate front passenger side airbag. Volkswagen golf service & repair manual / general body repairs, interior / pasanger protection / airbag control unit. To remove your airbag control module, follow these steps: Based on looking at the. Volkswagen golf service & repair manual: Golf. Golf 4 Airbag Module Location.
From www.youtube.com
TUTORIAL cum se scoate airbag volan VW Golf 4, Passat, Bora, in 5 pasi Golf 4 Airbag Module Location To remove your airbag control module, follow these steps: Volkswagen golf service & repair manual: You need to pull out the center console panel which surrounds the gear gaiter area and do your best to get your hands in. Based on looking at the. Golf 4 mk4 location airbag module Volkswagen golf service & repair manual / general body repairs,. Golf 4 Airbag Module Location.
From forums.vwvortex.com
Airbag Light & Heater Core Failure Link Found! Golf 4 Airbag Module Location Golf 4 mk4 location airbag module First find the srs computer module. Volkswagen golf service & repair manual / general body repairs, interior / pasanger protection / airbag control unit. Can be locked and activated via key operated switch to deactivate front passenger side airbag. Vw beetle, golf, audi, skoda and seat airbag module removal and location. In most cars. Golf 4 Airbag Module Location.
From wiringdiagram.2bitboer.com
Vw Golf Mk4 Airbag Wiring Diagram Wiring Diagram Golf 4 Airbag Module Location In most cars it is under the center console that is. You need to pull out the center console panel which surrounds the gear gaiter area and do your best to get your hands in. Golf 4 mk4 location airbag module Volkswagen golf service & repair manual: Vw beetle, golf, audi, skoda and seat airbag module removal and location. First. Golf 4 Airbag Module Location.
From www.pieseauto.ro
Airbag volan VW Golf 4 1495247096 Golf 4 Airbag Module Location Volkswagen golf service & repair manual / general body repairs, interior / pasanger protection / airbag control unit. To remove your airbag control module, follow these steps: Properly indicate to the vehicle that you've fastened your seat belt, thus activating the airbag (also important!). Golf 4 mk4 location airbag module Can be locked and activated via key operated switch to. Golf 4 Airbag Module Location.
From www.onderdelenlijn.nl
Volkswagen Golf Airbag Modules voorraad Onderdelenlijn.nl Golf 4 Airbag Module Location Volkswagen golf service & repair manual: You need to pull out the center console panel which surrounds the gear gaiter area and do your best to get your hands in. Volkswagen golf service & repair manual / general body repairs, interior / pasanger protection / airbag control unit. Can be locked and activated via key operated switch to deactivate front. Golf 4 Airbag Module Location.
From vw-golf-mk4-tdi.blogspot.com
VW Golf Mk4 TDI Diesels Advice, Tips and Reviews VW Golf Mk4 Where Golf 4 Airbag Module Location Volkswagen golf service & repair manual: Vw beetle, golf, audi, skoda and seat airbag module removal and location. Volkswagen golf service & repair manual / general body repairs, interior / pasanger protection / airbag control unit. Properly indicate to the vehicle that you've fastened your seat belt, thus activating the airbag (also important!). You need to pull out the center. Golf 4 Airbag Module Location.
From www.golfiv.fr
Comment brancher les fils d'airbags Problèmes Electriques ou Golf 4 Airbag Module Location Volkswagen golf service & repair manual: Volkswagen golf service & repair manual / general body repairs, interior / pasanger protection / airbag control unit. Based on looking at the. To remove your airbag control module, follow these steps: Vw beetle, golf, audi, skoda and seat airbag module removal and location. In most cars it is under the center console that. Golf 4 Airbag Module Location.
From carparts4sale.com
Seat Side Airbag Control Module Sensor VW Jetta Golf MK4 Passat Beetle Golf 4 Airbag Module Location Based on looking at the. Golf 4 mk4 location airbag module In most cars it is under the center console that is. You need to pull out the center console panel which surrounds the gear gaiter area and do your best to get your hands in. Can be locked and activated via key operated switch to deactivate front passenger side. Golf 4 Airbag Module Location.
From workshop-manuals.com
Volkswagen Manuals > Golf Mk4 > Body > General body repairs Golf 4 Airbag Module Location Can be locked and activated via key operated switch to deactivate front passenger side airbag. Volkswagen golf service & repair manual / general body repairs, interior / pasanger protection / airbag control unit. You need to pull out the center console panel which surrounds the gear gaiter area and do your best to get your hands in. Vw beetle, golf,. Golf 4 Airbag Module Location.
From workshop-manuals.com
Volkswagen Service and Repair Manuals > Golf Mk5 > Body Golf 4 Airbag Module Location Volkswagen golf service & repair manual: Properly indicate to the vehicle that you've fastened your seat belt, thus activating the airbag (also important!). To remove your airbag control module, follow these steps: Based on looking at the. In most cars it is under the center console that is. Vw beetle, golf, audi, skoda and seat airbag module removal and location.. Golf 4 Airbag Module Location.
From ballardhouseplymouthus.blogspot.com
How To Reset Airbag Light On Vw Golf Mk4 ballard house plymouthus Golf 4 Airbag Module Location Volkswagen golf service & repair manual / general body repairs, interior / pasanger protection / airbag control unit. Can be locked and activated via key operated switch to deactivate front passenger side airbag. Golf 4 mk4 location airbag module Vw beetle, golf, audi, skoda and seat airbag module removal and location. Properly indicate to the vehicle that you've fastened your. Golf 4 Airbag Module Location.
From www.youtube.com
Airbag, Wickelfeder, Lenkwinkelsensor Aus und Einbau VW Golf 4 Golf 4 Airbag Module Location To remove your airbag control module, follow these steps: First find the srs computer module. You need to pull out the center console panel which surrounds the gear gaiter area and do your best to get your hands in. Golf 4 mk4 location airbag module Volkswagen golf service & repair manual / general body repairs, interior / pasanger protection /. Golf 4 Airbag Module Location.
From britsbrosparts.co.za
VW Golf 4 Air Bag Control Module 1J0909603 Brits Brothers Auto Parts Golf 4 Airbag Module Location Can be locked and activated via key operated switch to deactivate front passenger side airbag. Properly indicate to the vehicle that you've fastened your seat belt, thus activating the airbag (also important!). First find the srs computer module. Volkswagen golf service & repair manual / general body repairs, interior / pasanger protection / airbag control unit. Golf 4 mk4 location. Golf 4 Airbag Module Location.
From www.vwgolf.org
Volkswagen Golf Service & Repair Manual Airbag system Pasanger Golf 4 Airbag Module Location Golf 4 mk4 location airbag module First find the srs computer module. Properly indicate to the vehicle that you've fastened your seat belt, thus activating the airbag (also important!). To remove your airbag control module, follow these steps: You need to pull out the center console panel which surrounds the gear gaiter area and do your best to get your. Golf 4 Airbag Module Location.
From wiringdiagram.2bitboer.com
Vw Golf Mk4 Airbag Wiring Diagram Wiring Diagram Golf 4 Airbag Module Location Properly indicate to the vehicle that you've fastened your seat belt, thus activating the airbag (also important!). Can be locked and activated via key operated switch to deactivate front passenger side airbag. Based on looking at the. Volkswagen golf service & repair manual / general body repairs, interior / pasanger protection / airbag control unit. Vw beetle, golf, audi, skoda. Golf 4 Airbag Module Location.
From www.golfiv.fr
AIRBAG Problèmes Intérieurs Forum Volkswagen Golf IV Golf 4 Airbag Module Location Properly indicate to the vehicle that you've fastened your seat belt, thus activating the airbag (also important!). Volkswagen golf service & repair manual: First find the srs computer module. Vw beetle, golf, audi, skoda and seat airbag module removal and location. To remove your airbag control module, follow these steps: Golf 4 mk4 location airbag module Volkswagen golf service &. Golf 4 Airbag Module Location.
From workshop-manuals.com
Volkswagen Service and Repair Manuals > Golf Mk4 > Body Golf 4 Airbag Module Location Volkswagen golf service & repair manual: Can be locked and activated via key operated switch to deactivate front passenger side airbag. You need to pull out the center console panel which surrounds the gear gaiter area and do your best to get your hands in. Vw beetle, golf, audi, skoda and seat airbag module removal and location. Properly indicate to. Golf 4 Airbag Module Location.
From workshop-manuals.com
Volkswagen Service and Repair Manuals > Up! > Body General Golf 4 Airbag Module Location In most cars it is under the center console that is. Properly indicate to the vehicle that you've fastened your seat belt, thus activating the airbag (also important!). Golf 4 mk4 location airbag module Can be locked and activated via key operated switch to deactivate front passenger side airbag. Volkswagen golf service & repair manual: First find the srs computer. Golf 4 Airbag Module Location.
From wiringdiagram.2bitboer.com
Vw Golf Mk4 Airbag Wiring Diagram Wiring Diagram Golf 4 Airbag Module Location Vw beetle, golf, audi, skoda and seat airbag module removal and location. First find the srs computer module. Properly indicate to the vehicle that you've fastened your seat belt, thus activating the airbag (also important!). You need to pull out the center console panel which surrounds the gear gaiter area and do your best to get your hands in. Based. Golf 4 Airbag Module Location.
From vw-golf-mk4-tdi.blogspot.com
VW Golf Mk4 TDI Diesels Advice, Tips and Reviews VW Golf Mk4 Where Golf 4 Airbag Module Location Volkswagen golf service & repair manual / general body repairs, interior / pasanger protection / airbag control unit. In most cars it is under the center console that is. To remove your airbag control module, follow these steps: Properly indicate to the vehicle that you've fastened your seat belt, thus activating the airbag (also important!). Golf 4 mk4 location airbag. Golf 4 Airbag Module Location.
From workshop-manuals.com
Volkswagen Service and Repair Manuals > Golf Mk4 > Body Golf 4 Airbag Module Location Can be locked and activated via key operated switch to deactivate front passenger side airbag. Vw beetle, golf, audi, skoda and seat airbag module removal and location. You need to pull out the center console panel which surrounds the gear gaiter area and do your best to get your hands in. First find the srs computer module. In most cars. Golf 4 Airbag Module Location.
From www.hella.com
Airbag System Aufbau & Funtkionsweise HELLA Golf 4 Airbag Module Location Vw beetle, golf, audi, skoda and seat airbag module removal and location. Volkswagen golf service & repair manual: Properly indicate to the vehicle that you've fastened your seat belt, thus activating the airbag (also important!). To remove your airbag control module, follow these steps: First find the srs computer module. Volkswagen golf service & repair manual / general body repairs,. Golf 4 Airbag Module Location.
From www.youtube.com
Vw golf airbag module location and removal YouTube Golf 4 Airbag Module Location Based on looking at the. Golf 4 mk4 location airbag module First find the srs computer module. Properly indicate to the vehicle that you've fastened your seat belt, thus activating the airbag (also important!). To remove your airbag control module, follow these steps: In most cars it is under the center console that is. Can be locked and activated via. Golf 4 Airbag Module Location.
From mechanics.stackexchange.com
wiring VW Mk4 Golf/GTI airbag indicator warning light Motor Vehicle Golf 4 Airbag Module Location You need to pull out the center console panel which surrounds the gear gaiter area and do your best to get your hands in. Can be locked and activated via key operated switch to deactivate front passenger side airbag. Golf 4 mk4 location airbag module Properly indicate to the vehicle that you've fastened your seat belt, thus activating the airbag. Golf 4 Airbag Module Location.
From www.njuskalo.hr
vw golf 4 air bag modul Golf 4 Airbag Module Location To remove your airbag control module, follow these steps: Based on looking at the. You need to pull out the center console panel which surrounds the gear gaiter area and do your best to get your hands in. Can be locked and activated via key operated switch to deactivate front passenger side airbag. Properly indicate to the vehicle that you've. Golf 4 Airbag Module Location.
From www.njuskalo.hr
vw golf 4 air bag modul Golf 4 Airbag Module Location To remove your airbag control module, follow these steps: Vw beetle, golf, audi, skoda and seat airbag module removal and location. First find the srs computer module. Golf 4 mk4 location airbag module Based on looking at the. You need to pull out the center console panel which surrounds the gear gaiter area and do your best to get your. Golf 4 Airbag Module Location.
From anunturi-auto.4tuning.ro
Kit airbag golf IV 80000403 Golf 4 Airbag Module Location In most cars it is under the center console that is. Vw beetle, golf, audi, skoda and seat airbag module removal and location. Volkswagen golf service & repair manual: Can be locked and activated via key operated switch to deactivate front passenger side airbag. Properly indicate to the vehicle that you've fastened your seat belt, thus activating the airbag (also. Golf 4 Airbag Module Location.
From www.youtube.com
Airbag Removal Leon 1/Toledo 2/ VW Bora/ Golf 4/ VW Passat B5/ Audi A3 Golf 4 Airbag Module Location Based on looking at the. Vw beetle, golf, audi, skoda and seat airbag module removal and location. You need to pull out the center console panel which surrounds the gear gaiter area and do your best to get your hands in. Golf 4 mk4 location airbag module First find the srs computer module. Can be locked and activated via key. Golf 4 Airbag Module Location.
From anunturi-auto.4tuning.ro
Calculator airbag VW Golf 4; 1J0909603 38578093 Golf 4 Airbag Module Location Volkswagen golf service & repair manual: Golf 4 mk4 location airbag module Based on looking at the. First find the srs computer module. In most cars it is under the center console that is. You need to pull out the center console panel which surrounds the gear gaiter area and do your best to get your hands in. Properly indicate. Golf 4 Airbag Module Location.
From www.victoriana.com
Wirksamkeit 10 Jahre Handwerker golf iv airbag ausbauen Kent Geh hinauf Golf 4 Airbag Module Location Volkswagen golf service & repair manual / general body repairs, interior / pasanger protection / airbag control unit. Golf 4 mk4 location airbag module You need to pull out the center console panel which surrounds the gear gaiter area and do your best to get your hands in. Properly indicate to the vehicle that you've fastened your seat belt, thus. Golf 4 Airbag Module Location.