Yz250 Rear Shock Removal . I will be removing the rear shock and cleaning. How to remove rear shock. Check in the owner manual for the specific torque for the shock bolts.side panels in the video are cycra, oem side panels are slightly. We are getting closer to beginning final assembly. I just picked up 2021 yz250fx. Yz250f but same procedure on most bikes. In this episode i make the biggest mistake of the project so far! Unit to your yamaha dealer for this • damper rod 1 disposal. Chassis eam30177 eam30178 setting of spring after rear shock absorber setting parts replacement • rear shock spring “1” after. Then someone steps in to help me recover from. Is the easiest way to remove the rear shock by removing the gas tank and removing the shock thru that space?
from www.youtube.com
Check in the owner manual for the specific torque for the shock bolts.side panels in the video are cycra, oem side panels are slightly. Then someone steps in to help me recover from. Chassis eam30177 eam30178 setting of spring after rear shock absorber setting parts replacement • rear shock spring “1” after. Is the easiest way to remove the rear shock by removing the gas tank and removing the shock thru that space? Yz250f but same procedure on most bikes. Unit to your yamaha dealer for this • damper rod 1 disposal. I just picked up 2021 yz250fx. In this episode i make the biggest mistake of the project so far! We are getting closer to beginning final assembly. I will be removing the rear shock and cleaning.
MODERN YZ250 2 STROKE KYB REAR SHOCK ABSORBER YouTube
Yz250 Rear Shock Removal Chassis eam30177 eam30178 setting of spring after rear shock absorber setting parts replacement • rear shock spring “1” after. Is the easiest way to remove the rear shock by removing the gas tank and removing the shock thru that space? We are getting closer to beginning final assembly. Then someone steps in to help me recover from. In this episode i make the biggest mistake of the project so far! How to remove rear shock. I just picked up 2021 yz250fx. Yz250f but same procedure on most bikes. Unit to your yamaha dealer for this • damper rod 1 disposal. Check in the owner manual for the specific torque for the shock bolts.side panels in the video are cycra, oem side panels are slightly. I will be removing the rear shock and cleaning. Chassis eam30177 eam30178 setting of spring after rear shock absorber setting parts replacement • rear shock spring “1” after.
From www.youtube.com
2002 YZ250 2T KYB Shock assembly YouTube Yz250 Rear Shock Removal I just picked up 2021 yz250fx. We are getting closer to beginning final assembly. I will be removing the rear shock and cleaning. Is the easiest way to remove the rear shock by removing the gas tank and removing the shock thru that space? Unit to your yamaha dealer for this • damper rod 1 disposal. Then someone steps in. Yz250 Rear Shock Removal.
From www.ebay.com
1985 Yamaha Yz250 Rear Shock With Remote Reservoir for sale online eBay Yz250 Rear Shock Removal Check in the owner manual for the specific torque for the shock bolts.side panels in the video are cycra, oem side panels are slightly. In this episode i make the biggest mistake of the project so far! How to remove rear shock. I will be removing the rear shock and cleaning. Yz250f but same procedure on most bikes. Unit to. Yz250 Rear Shock Removal.
From mxlocker.com
2017 Yz250f Rear Shock Oem Yz250 Yz450f 2016 2017 2018 MX Locker Yz250 Rear Shock Removal In this episode i make the biggest mistake of the project so far! Yz250f but same procedure on most bikes. How to remove rear shock. I will be removing the rear shock and cleaning. Check in the owner manual for the specific torque for the shock bolts.side panels in the video are cycra, oem side panels are slightly. We are. Yz250 Rear Shock Removal.
From www.ebay.com
1976 76 YAMAHA YZ250C YZ250 REAR SHOCK ABSORBER SUSPENSION eBay Yz250 Rear Shock Removal Is the easiest way to remove the rear shock by removing the gas tank and removing the shock thru that space? Check in the owner manual for the specific torque for the shock bolts.side panels in the video are cycra, oem side panels are slightly. Chassis eam30177 eam30178 setting of spring after rear shock absorber setting parts replacement • rear. Yz250 Rear Shock Removal.
From www.ebay.com
1988 yamaha yz250 rear shock OEM eBay Yz250 Rear Shock Removal We are getting closer to beginning final assembly. How to remove rear shock. I will be removing the rear shock and cleaning. Check in the owner manual for the specific torque for the shock bolts.side panels in the video are cycra, oem side panels are slightly. I just picked up 2021 yz250fx. In this episode i make the biggest mistake. Yz250 Rear Shock Removal.
From www.youtube.com
MODERN YZ250 2 STROKE KYB REAR SHOCK ABSORBER YouTube Yz250 Rear Shock Removal Check in the owner manual for the specific torque for the shock bolts.side panels in the video are cycra, oem side panels are slightly. Then someone steps in to help me recover from. Unit to your yamaha dealer for this • damper rod 1 disposal. Yz250f but same procedure on most bikes. Is the easiest way to remove the rear. Yz250 Rear Shock Removal.
From www.youtube.com
yz250 rear shock upgrades & linkage 450f enduro blucru 2stroke Yz250 Rear Shock Removal Is the easiest way to remove the rear shock by removing the gas tank and removing the shock thru that space? Check in the owner manual for the specific torque for the shock bolts.side panels in the video are cycra, oem side panels are slightly. In this episode i make the biggest mistake of the project so far! We are. Yz250 Rear Shock Removal.
From www.youtube.com
111 Rear Shock Service (YAMAHA 20062025 YZ450F YZ125 YZ250F YZ250 Yz250 Rear Shock Removal Is the easiest way to remove the rear shock by removing the gas tank and removing the shock thru that space? I just picked up 2021 yz250fx. I will be removing the rear shock and cleaning. Chassis eam30177 eam30178 setting of spring after rear shock absorber setting parts replacement • rear shock spring “1” after. Then someone steps in to. Yz250 Rear Shock Removal.
From www.thumpertalk.com
1993 yz250 rear shock on a 1993 yz125 Yamaha 2 Stroke ThumperTalk Yz250 Rear Shock Removal Unit to your yamaha dealer for this • damper rod 1 disposal. Check in the owner manual for the specific torque for the shock bolts.side panels in the video are cycra, oem side panels are slightly. I will be removing the rear shock and cleaning. In this episode i make the biggest mistake of the project so far! Is the. Yz250 Rear Shock Removal.
From www.thumpertalk.com
1993 yz 250 rear shock rebuild questions Yamaha 2 Stroke ThumperTalk Yz250 Rear Shock Removal Chassis eam30177 eam30178 setting of spring after rear shock absorber setting parts replacement • rear shock spring “1” after. Unit to your yamaha dealer for this • damper rod 1 disposal. Then someone steps in to help me recover from. I will be removing the rear shock and cleaning. In this episode i make the biggest mistake of the project. Yz250 Rear Shock Removal.
From www.ebay.co.uk
GENUINE YAMAHA PARTS REAR SHOCK SPRING GUIDE NO 2 YZ125 YZ250 YZ400 2X4 Yz250 Rear Shock Removal I just picked up 2021 yz250fx. I will be removing the rear shock and cleaning. Is the easiest way to remove the rear shock by removing the gas tank and removing the shock thru that space? Then someone steps in to help me recover from. Chassis eam30177 eam30178 setting of spring after rear shock absorber setting parts replacement • rear. Yz250 Rear Shock Removal.
From www.ebay.com
1988 yamaha yz250 rear shock OEM eBay Yz250 Rear Shock Removal I will be removing the rear shock and cleaning. Yz250f but same procedure on most bikes. Check in the owner manual for the specific torque for the shock bolts.side panels in the video are cycra, oem side panels are slightly. Then someone steps in to help me recover from. Chassis eam30177 eam30178 setting of spring after rear shock absorber setting. Yz250 Rear Shock Removal.
From www.ebay.com
2001 YAMAHA YZ250 OEM REAR BACK SHOCK ABSORBER SUSPENSION 5MW2221000 Yz250 Rear Shock Removal Chassis eam30177 eam30178 setting of spring after rear shock absorber setting parts replacement • rear shock spring “1” after. I will be removing the rear shock and cleaning. We are getting closer to beginning final assembly. How to remove rear shock. Unit to your yamaha dealer for this • damper rod 1 disposal. I just picked up 2021 yz250fx. In. Yz250 Rear Shock Removal.
From www.ebay.com
1988 yamaha yz250 rear shock OEM eBay Yz250 Rear Shock Removal We are getting closer to beginning final assembly. Yz250f but same procedure on most bikes. I will be removing the rear shock and cleaning. In this episode i make the biggest mistake of the project so far! How to remove rear shock. I just picked up 2021 yz250fx. Is the easiest way to remove the rear shock by removing the. Yz250 Rear Shock Removal.
From www.youtube.com
YZ250 Rebuild Part 7 Rear Shock Assembly YouTube Yz250 Rear Shock Removal Chassis eam30177 eam30178 setting of spring after rear shock absorber setting parts replacement • rear shock spring “1” after. Check in the owner manual for the specific torque for the shock bolts.side panels in the video are cycra, oem side panels are slightly. How to remove rear shock. Then someone steps in to help me recover from. Is the easiest. Yz250 Rear Shock Removal.
From www.youtube.com
111 How to Change Fork & Shock Springs Yamaha YZ250 YZ125 YZ250f Yz250 Rear Shock Removal Chassis eam30177 eam30178 setting of spring after rear shock absorber setting parts replacement • rear shock spring “1” after. I will be removing the rear shock and cleaning. In this episode i make the biggest mistake of the project so far! Yz250f but same procedure on most bikes. How to remove rear shock. Unit to your yamaha dealer for this. Yz250 Rear Shock Removal.
From www.ebay.com
2008 Yamaha YZ250F YZ 250F Yz 250 Rear Shock Shock Absorber 5XC22200 Yz250 Rear Shock Removal In this episode i make the biggest mistake of the project so far! How to remove rear shock. Chassis eam30177 eam30178 setting of spring after rear shock absorber setting parts replacement • rear shock spring “1” after. Then someone steps in to help me recover from. Yz250f but same procedure on most bikes. I will be removing the rear shock. Yz250 Rear Shock Removal.
From www.ebay.com
1977 YAMAHA YZ250 YZ 250 REAR SHOCK DAMPER SUSPENSION MONOCROSS VINTAGE Yz250 Rear Shock Removal I just picked up 2021 yz250fx. Chassis eam30177 eam30178 setting of spring after rear shock absorber setting parts replacement • rear shock spring “1” after. Yz250f but same procedure on most bikes. I will be removing the rear shock and cleaning. Then someone steps in to help me recover from. In this episode i make the biggest mistake of the. Yz250 Rear Shock Removal.
From www.cmsnl.com
Yamaha YZ2501 COMPETITION 1992 (N) USA REAR SHOCKS buy original REAR Yz250 Rear Shock Removal In this episode i make the biggest mistake of the project so far! Yz250f but same procedure on most bikes. I will be removing the rear shock and cleaning. We are getting closer to beginning final assembly. How to remove rear shock. Chassis eam30177 eam30178 setting of spring after rear shock absorber setting parts replacement • rear shock spring “1”. Yz250 Rear Shock Removal.
From www.megazip.net
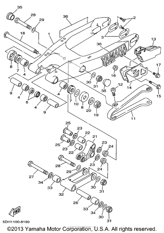
Rear arm & suspension for 1998 Yamaha YZ250 USA sales region Yz250 Rear Shock Removal Check in the owner manual for the specific torque for the shock bolts.side panels in the video are cycra, oem side panels are slightly. I will be removing the rear shock and cleaning. How to remove rear shock. Unit to your yamaha dealer for this • damper rod 1 disposal. We are getting closer to beginning final assembly. I just. Yz250 Rear Shock Removal.
From www.thumpertalk.com
06 yz250 rear shock replacement options Yamaha 2 Stroke ThumperTalk Yz250 Rear Shock Removal We are getting closer to beginning final assembly. Unit to your yamaha dealer for this • damper rod 1 disposal. Is the easiest way to remove the rear shock by removing the gas tank and removing the shock thru that space? Then someone steps in to help me recover from. I just picked up 2021 yz250fx. I will be removing. Yz250 Rear Shock Removal.
From www.ebay.com
2003 Yamaha YZ250 Rear Shock Suspension eBay Yz250 Rear Shock Removal How to remove rear shock. Then someone steps in to help me recover from. I will be removing the rear shock and cleaning. Yz250f but same procedure on most bikes. Is the easiest way to remove the rear shock by removing the gas tank and removing the shock thru that space? I just picked up 2021 yz250fx. Chassis eam30177 eam30178. Yz250 Rear Shock Removal.
From www.2040-parts.com
Find 03 04 05 YAMAHA YZ 250 F YZ 250F SHOCK OEM REAR SHOCK SUSPENSION Yz250 Rear Shock Removal We are getting closer to beginning final assembly. In this episode i make the biggest mistake of the project so far! Chassis eam30177 eam30178 setting of spring after rear shock absorber setting parts replacement • rear shock spring “1” after. Yz250f but same procedure on most bikes. How to remove rear shock. Then someone steps in to help me recover. Yz250 Rear Shock Removal.
From www.ebay.com
1977 YAMAHA YZ250 YZ 250 REAR SHOCK DAMPER SUSPENSION MONOCROSS VINTAGE Yz250 Rear Shock Removal How to remove rear shock. Chassis eam30177 eam30178 setting of spring after rear shock absorber setting parts replacement • rear shock spring “1” after. Yz250f but same procedure on most bikes. Then someone steps in to help me recover from. I just picked up 2021 yz250fx. Unit to your yamaha dealer for this • damper rod 1 disposal. Check in. Yz250 Rear Shock Removal.
From www.ebay.com
1977 YAMAHA YZ250 YZ 250 REAR SHOCK DAMPER SUSPENSION MONOCROSS VINTAGE Yz250 Rear Shock Removal Yz250f but same procedure on most bikes. Chassis eam30177 eam30178 setting of spring after rear shock absorber setting parts replacement • rear shock spring “1” after. I just picked up 2021 yz250fx. In this episode i make the biggest mistake of the project so far! I will be removing the rear shock and cleaning. Unit to your yamaha dealer for. Yz250 Rear Shock Removal.
From www.ebay.com
1977 YAMAHA YZ250 YZ 250 REAR SHOCK DAMPER SUSPENSION MONOCROSS VINTAGE Yz250 Rear Shock Removal In this episode i make the biggest mistake of the project so far! Is the easiest way to remove the rear shock by removing the gas tank and removing the shock thru that space? I will be removing the rear shock and cleaning. Check in the owner manual for the specific torque for the shock bolts.side panels in the video. Yz250 Rear Shock Removal.
From www.ebay.com
1976 76 YAMAHA YZ250C YZ250 REAR SHOCK ABSORBER SUSPENSION eBay Yz250 Rear Shock Removal In this episode i make the biggest mistake of the project so far! I will be removing the rear shock and cleaning. We are getting closer to beginning final assembly. Yz250f but same procedure on most bikes. How to remove rear shock. Check in the owner manual for the specific torque for the shock bolts.side panels in the video are. Yz250 Rear Shock Removal.
From www.youtube.com
Rebuilding a 2001 Yamaha YZ250 shock Step by Step YouTube Yz250 Rear Shock Removal I just picked up 2021 yz250fx. How to remove rear shock. Then someone steps in to help me recover from. Yz250f but same procedure on most bikes. In this episode i make the biggest mistake of the project so far! Chassis eam30177 eam30178 setting of spring after rear shock absorber setting parts replacement • rear shock spring “1” after. We. Yz250 Rear Shock Removal.
From www.ebay.com
1982+Yamaha+Yz250+Rear+Back+Shock+Absorber+Suspension for sale online Yz250 Rear Shock Removal Then someone steps in to help me recover from. Yz250f but same procedure on most bikes. How to remove rear shock. Chassis eam30177 eam30178 setting of spring after rear shock absorber setting parts replacement • rear shock spring “1” after. Is the easiest way to remove the rear shock by removing the gas tank and removing the shock thru that. Yz250 Rear Shock Removal.
From www.bikepartout.com
Rear shock SSS KYB Yamaha YZ250 YZ 250 0621 1SS2220020 Bike Part Out Yz250 Rear Shock Removal How to remove rear shock. In this episode i make the biggest mistake of the project so far! Unit to your yamaha dealer for this • damper rod 1 disposal. Chassis eam30177 eam30178 setting of spring after rear shock absorber setting parts replacement • rear shock spring “1” after. Yz250f but same procedure on most bikes. Then someone steps in. Yz250 Rear Shock Removal.
From www.ebay.com
1977 YAMAHA YZ250 YZ 250 REAR SHOCK DAMPER SUSPENSION MONOCROSS VINTAGE Yz250 Rear Shock Removal I just picked up 2021 yz250fx. Yz250f but same procedure on most bikes. I will be removing the rear shock and cleaning. How to remove rear shock. Check in the owner manual for the specific torque for the shock bolts.side panels in the video are cycra, oem side panels are slightly. In this episode i make the biggest mistake of. Yz250 Rear Shock Removal.
From www.youtube.com
YZ250 shock install & linkage bolt problem? YouTube Yz250 Rear Shock Removal Then someone steps in to help me recover from. I just picked up 2021 yz250fx. Check in the owner manual for the specific torque for the shock bolts.side panels in the video are cycra, oem side panels are slightly. In this episode i make the biggest mistake of the project so far! Yz250f but same procedure on most bikes. We. Yz250 Rear Shock Removal.
From www.thumpertalk.com
YZ250 rear shock spring Yamaha 2 Stroke ThumperTalk Yz250 Rear Shock Removal Unit to your yamaha dealer for this • damper rod 1 disposal. In this episode i make the biggest mistake of the project so far! Chassis eam30177 eam30178 setting of spring after rear shock absorber setting parts replacement • rear shock spring “1” after. I just picked up 2021 yz250fx. We are getting closer to beginning final assembly. Is the. Yz250 Rear Shock Removal.
From www.2040-parts.com
Sell 93 94 95 YAMAHA YZ 250 YZ250 SHOCK OEM REAR SHOCK REAR SUSPENSION Yz250 Rear Shock Removal Chassis eam30177 eam30178 setting of spring after rear shock absorber setting parts replacement • rear shock spring “1” after. Is the easiest way to remove the rear shock by removing the gas tank and removing the shock thru that space? How to remove rear shock. Yz250f but same procedure on most bikes. We are getting closer to beginning final assembly.. Yz250 Rear Shock Removal.
From www.youtube.com
Yamaha YZ250FX Rear Shock Removal YouTube Yz250 Rear Shock Removal Then someone steps in to help me recover from. Chassis eam30177 eam30178 setting of spring after rear shock absorber setting parts replacement • rear shock spring “1” after. How to remove rear shock. In this episode i make the biggest mistake of the project so far! Is the easiest way to remove the rear shock by removing the gas tank. Yz250 Rear Shock Removal.