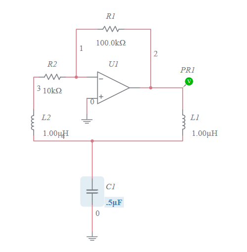
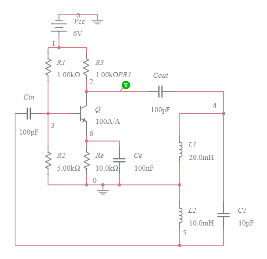
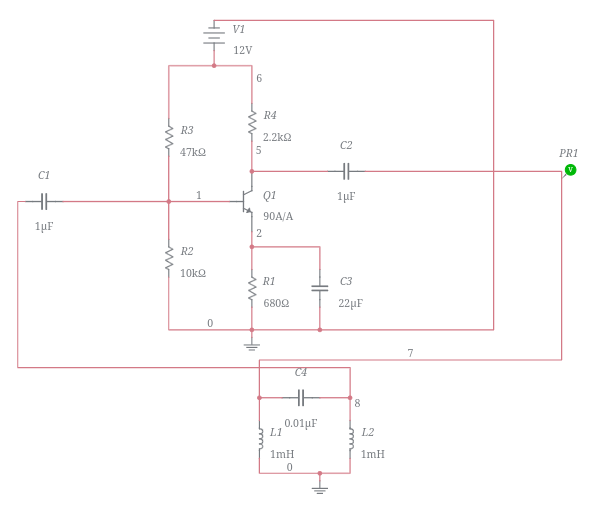
Hartley Oscillator In Multisim . This circuit presents a common emmitter amplifier circuit built with an npn biplolar junction transistor (bjt). Ni multisim live lets you create, share, collaborate, and discover circuits and electronics online with spice simulation included. Hartley oscillator is an lc oscillator. The hartley oscillator design uses two inductive coils in series with a parallel capacitor to form its resonance tank circuit producing sinusoidal. It has lc tank circuit for frequency selection. This circuit presents a common. Lc oscillators are preferred for higher frequencies. The hartley oscillator design uses two. Hartley oscillator simulation using multisim. #educationalvideo #hartleyoscillator #multisim #electronicspracticalhartley oscillator circuit.
from www.multisim.com
Hartley oscillator is an lc oscillator. Lc oscillators are preferred for higher frequencies. This circuit presents a common emmitter amplifier circuit built with an npn biplolar junction transistor (bjt). Ni multisim live lets you create, share, collaborate, and discover circuits and electronics online with spice simulation included. The hartley oscillator design uses two. #educationalvideo #hartleyoscillator #multisim #electronicspracticalhartley oscillator circuit. Hartley oscillator simulation using multisim. This circuit presents a common. The hartley oscillator design uses two inductive coils in series with a parallel capacitor to form its resonance tank circuit producing sinusoidal. It has lc tank circuit for frequency selection.
HARTLEY OSCILLATOR Multisim Live
Hartley Oscillator In Multisim The hartley oscillator design uses two. #educationalvideo #hartleyoscillator #multisim #electronicspracticalhartley oscillator circuit. The hartley oscillator design uses two inductive coils in series with a parallel capacitor to form its resonance tank circuit producing sinusoidal. Hartley oscillator is an lc oscillator. The hartley oscillator design uses two. Lc oscillators are preferred for higher frequencies. It has lc tank circuit for frequency selection. This circuit presents a common. Ni multisim live lets you create, share, collaborate, and discover circuits and electronics online with spice simulation included. This circuit presents a common emmitter amplifier circuit built with an npn biplolar junction transistor (bjt). Hartley oscillator simulation using multisim.
From www.multisim.com
Hartley oscillator Multisim Live Hartley Oscillator In Multisim #educationalvideo #hartleyoscillator #multisim #electronicspracticalhartley oscillator circuit. Ni multisim live lets you create, share, collaborate, and discover circuits and electronics online with spice simulation included. The hartley oscillator design uses two. Lc oscillators are preferred for higher frequencies. Hartley oscillator is an lc oscillator. This circuit presents a common emmitter amplifier circuit built with an npn biplolar junction transistor (bjt). The. Hartley Oscillator In Multisim.
From www.multisim.com
Hartley Oscillator using OpAmp (1) Multisim Live Hartley Oscillator In Multisim Lc oscillators are preferred for higher frequencies. The hartley oscillator design uses two. Hartley oscillator is an lc oscillator. This circuit presents a common. Ni multisim live lets you create, share, collaborate, and discover circuits and electronics online with spice simulation included. Hartley oscillator simulation using multisim. The hartley oscillator design uses two inductive coils in series with a parallel. Hartley Oscillator In Multisim.
From www.multisim.com
HARTLEY OSCILLATOR Multisim Live Hartley Oscillator In Multisim It has lc tank circuit for frequency selection. This circuit presents a common. The hartley oscillator design uses two. The hartley oscillator design uses two inductive coils in series with a parallel capacitor to form its resonance tank circuit producing sinusoidal. Hartley oscillator is an lc oscillator. Lc oscillators are preferred for higher frequencies. #educationalvideo #hartleyoscillator #multisim #electronicspracticalhartley oscillator circuit.. Hartley Oscillator In Multisim.
From www.multisim.com
Hartley oscillator_practice Multisim Live Hartley Oscillator In Multisim Lc oscillators are preferred for higher frequencies. The hartley oscillator design uses two inductive coils in series with a parallel capacitor to form its resonance tank circuit producing sinusoidal. #educationalvideo #hartleyoscillator #multisim #electronicspracticalhartley oscillator circuit. It has lc tank circuit for frequency selection. Ni multisim live lets you create, share, collaborate, and discover circuits and electronics online with spice simulation. Hartley Oscillator In Multisim.
From www.multisim.com
Hartley Oscillator Op Amp (Chirping) Multisim Live Hartley Oscillator In Multisim The hartley oscillator design uses two inductive coils in series with a parallel capacitor to form its resonance tank circuit producing sinusoidal. Lc oscillators are preferred for higher frequencies. #educationalvideo #hartleyoscillator #multisim #electronicspracticalhartley oscillator circuit. This circuit presents a common. This circuit presents a common emmitter amplifier circuit built with an npn biplolar junction transistor (bjt). Hartley oscillator simulation using. Hartley Oscillator In Multisim.
From www.youtube.com
Hartley Oscillator circuit simulation on Multisim software YouTube Hartley Oscillator In Multisim This circuit presents a common emmitter amplifier circuit built with an npn biplolar junction transistor (bjt). Ni multisim live lets you create, share, collaborate, and discover circuits and electronics online with spice simulation included. Hartley oscillator simulation using multisim. This circuit presents a common. The hartley oscillator design uses two inductive coils in series with a parallel capacitor to form. Hartley Oscillator In Multisim.
From manualdatacoppices.z14.web.core.windows.net
Hartley Oscillator In Multisim Hartley Oscillator In Multisim It has lc tank circuit for frequency selection. This circuit presents a common. Ni multisim live lets you create, share, collaborate, and discover circuits and electronics online with spice simulation included. Hartley oscillator simulation using multisim. The hartley oscillator design uses two. Lc oscillators are preferred for higher frequencies. #educationalvideo #hartleyoscillator #multisim #electronicspracticalhartley oscillator circuit. Hartley oscillator is an lc. Hartley Oscillator In Multisim.
From www.multisim.com
Hartley Oscillator Op Amp (Chirping) Multisim Live Hartley Oscillator In Multisim This circuit presents a common. Hartley oscillator is an lc oscillator. #educationalvideo #hartleyoscillator #multisim #electronicspracticalhartley oscillator circuit. Lc oscillators are preferred for higher frequencies. Ni multisim live lets you create, share, collaborate, and discover circuits and electronics online with spice simulation included. The hartley oscillator design uses two inductive coils in series with a parallel capacitor to form its resonance. Hartley Oscillator In Multisim.
From www.multisim.com
hartley oscillator Multisim Live Hartley Oscillator In Multisim The hartley oscillator design uses two inductive coils in series with a parallel capacitor to form its resonance tank circuit producing sinusoidal. This circuit presents a common. This circuit presents a common emmitter amplifier circuit built with an npn biplolar junction transistor (bjt). Hartley oscillator is an lc oscillator. Hartley oscillator simulation using multisim. Ni multisim live lets you create,. Hartley Oscillator In Multisim.
From www.multisim.com
hartley oscillator Multisim Live Hartley Oscillator In Multisim The hartley oscillator design uses two inductive coils in series with a parallel capacitor to form its resonance tank circuit producing sinusoidal. Hartley oscillator is an lc oscillator. Hartley oscillator simulation using multisim. Ni multisim live lets you create, share, collaborate, and discover circuits and electronics online with spice simulation included. It has lc tank circuit for frequency selection. #educationalvideo. Hartley Oscillator In Multisim.
From www.multisim.com
Hartley Oscillator Multisim Live Hartley Oscillator In Multisim #educationalvideo #hartleyoscillator #multisim #electronicspracticalhartley oscillator circuit. Lc oscillators are preferred for higher frequencies. Hartley oscillator simulation using multisim. The hartley oscillator design uses two inductive coils in series with a parallel capacitor to form its resonance tank circuit producing sinusoidal. Ni multisim live lets you create, share, collaborate, and discover circuits and electronics online with spice simulation included. It has. Hartley Oscillator In Multisim.
From www.multisim.com
Hartley Oscillator Multisim Live Hartley Oscillator In Multisim Hartley oscillator is an lc oscillator. Lc oscillators are preferred for higher frequencies. This circuit presents a common emmitter amplifier circuit built with an npn biplolar junction transistor (bjt). This circuit presents a common. The hartley oscillator design uses two inductive coils in series with a parallel capacitor to form its resonance tank circuit producing sinusoidal. #educationalvideo #hartleyoscillator #multisim #electronicspracticalhartley. Hartley Oscillator In Multisim.
From www.multisim.com
EX_7_HARTLEY OSCILLATOR Multisim Live Hartley Oscillator In Multisim It has lc tank circuit for frequency selection. This circuit presents a common. The hartley oscillator design uses two inductive coils in series with a parallel capacitor to form its resonance tank circuit producing sinusoidal. Hartley oscillator simulation using multisim. Ni multisim live lets you create, share, collaborate, and discover circuits and electronics online with spice simulation included. #educationalvideo #hartleyoscillator. Hartley Oscillator In Multisim.
From www.multisim.com
BJT Hartley oscillator Multisim Live Hartley Oscillator In Multisim Ni multisim live lets you create, share, collaborate, and discover circuits and electronics online with spice simulation included. Lc oscillators are preferred for higher frequencies. This circuit presents a common. This circuit presents a common emmitter amplifier circuit built with an npn biplolar junction transistor (bjt). It has lc tank circuit for frequency selection. Hartley oscillator is an lc oscillator.. Hartley Oscillator In Multisim.
From www.multisim.com
hartley oscillators Multisim Live Hartley Oscillator In Multisim This circuit presents a common emmitter amplifier circuit built with an npn biplolar junction transistor (bjt). This circuit presents a common. Lc oscillators are preferred for higher frequencies. Hartley oscillator is an lc oscillator. It has lc tank circuit for frequency selection. #educationalvideo #hartleyoscillator #multisim #electronicspracticalhartley oscillator circuit. Ni multisim live lets you create, share, collaborate, and discover circuits and. Hartley Oscillator In Multisim.
From www.multisim.com
BJT Hartley oscillator Multisim Live Hartley Oscillator In Multisim It has lc tank circuit for frequency selection. The hartley oscillator design uses two inductive coils in series with a parallel capacitor to form its resonance tank circuit producing sinusoidal. Hartley oscillator is an lc oscillator. #educationalvideo #hartleyoscillator #multisim #electronicspracticalhartley oscillator circuit. This circuit presents a common. The hartley oscillator design uses two. This circuit presents a common emmitter amplifier. Hartley Oscillator In Multisim.
From www.multisim.com
Hartley Oscillator Op Amp (no Chirping) Multisim Live Hartley Oscillator In Multisim #educationalvideo #hartleyoscillator #multisim #electronicspracticalhartley oscillator circuit. Ni multisim live lets you create, share, collaborate, and discover circuits and electronics online with spice simulation included. The hartley oscillator design uses two. This circuit presents a common emmitter amplifier circuit built with an npn biplolar junction transistor (bjt). This circuit presents a common. Lc oscillators are preferred for higher frequencies. It has. Hartley Oscillator In Multisim.
From www.youtube.com
Hartley oscillator Simulation using Multisim Software YouTube Hartley Oscillator In Multisim Hartley oscillator is an lc oscillator. The hartley oscillator design uses two. Hartley oscillator simulation using multisim. This circuit presents a common. The hartley oscillator design uses two inductive coils in series with a parallel capacitor to form its resonance tank circuit producing sinusoidal. Ni multisim live lets you create, share, collaborate, and discover circuits and electronics online with spice. Hartley Oscillator In Multisim.
From www.electroniclinic.com
Introduction to Oscillators, Types of Oscillator and their Simulations Hartley Oscillator In Multisim Lc oscillators are preferred for higher frequencies. This circuit presents a common. The hartley oscillator design uses two. #educationalvideo #hartleyoscillator #multisim #electronicspracticalhartley oscillator circuit. Hartley oscillator is an lc oscillator. Ni multisim live lets you create, share, collaborate, and discover circuits and electronics online with spice simulation included. The hartley oscillator design uses two inductive coils in series with a. Hartley Oscillator In Multisim.
From www.multisim.com
hartley oscillator Multisim Live Hartley Oscillator In Multisim Ni multisim live lets you create, share, collaborate, and discover circuits and electronics online with spice simulation included. The hartley oscillator design uses two inductive coils in series with a parallel capacitor to form its resonance tank circuit producing sinusoidal. The hartley oscillator design uses two. Hartley oscillator is an lc oscillator. Lc oscillators are preferred for higher frequencies. This. Hartley Oscillator In Multisim.
From www.multisim.com
HARTLEY OSCILLATOR Multisim Live Hartley Oscillator In Multisim Lc oscillators are preferred for higher frequencies. Ni multisim live lets you create, share, collaborate, and discover circuits and electronics online with spice simulation included. Hartley oscillator simulation using multisim. The hartley oscillator design uses two inductive coils in series with a parallel capacitor to form its resonance tank circuit producing sinusoidal. This circuit presents a common emmitter amplifier circuit. Hartley Oscillator In Multisim.
From www.youtube.com
Hartley Oscillator Circuit Simulation in MULTISIM YouTube Hartley Oscillator In Multisim Hartley oscillator is an lc oscillator. Hartley oscillator simulation using multisim. Ni multisim live lets you create, share, collaborate, and discover circuits and electronics online with spice simulation included. It has lc tank circuit for frequency selection. Lc oscillators are preferred for higher frequencies. #educationalvideo #hartleyoscillator #multisim #electronicspracticalhartley oscillator circuit. This circuit presents a common. The hartley oscillator design uses. Hartley Oscillator In Multisim.
From www.multisim.com
hartley oscillator Multisim Live Hartley Oscillator In Multisim Hartley oscillator simulation using multisim. It has lc tank circuit for frequency selection. Hartley oscillator is an lc oscillator. Lc oscillators are preferred for higher frequencies. #educationalvideo #hartleyoscillator #multisim #electronicspracticalhartley oscillator circuit. The hartley oscillator design uses two. Ni multisim live lets you create, share, collaborate, and discover circuits and electronics online with spice simulation included. The hartley oscillator design. Hartley Oscillator In Multisim.
From www.multisim.com
BJT Hartley oscillator Multisim Live Hartley Oscillator In Multisim The hartley oscillator design uses two inductive coils in series with a parallel capacitor to form its resonance tank circuit producing sinusoidal. Hartley oscillator is an lc oscillator. This circuit presents a common emmitter amplifier circuit built with an npn biplolar junction transistor (bjt). Ni multisim live lets you create, share, collaborate, and discover circuits and electronics online with spice. Hartley Oscillator In Multisim.
From www.multisim.com
Hartley oscillator Multisim Live Hartley Oscillator In Multisim Ni multisim live lets you create, share, collaborate, and discover circuits and electronics online with spice simulation included. Lc oscillators are preferred for higher frequencies. This circuit presents a common emmitter amplifier circuit built with an npn biplolar junction transistor (bjt). This circuit presents a common. Hartley oscillator is an lc oscillator. The hartley oscillator design uses two. The hartley. Hartley Oscillator In Multisim.
From www.multisim.com
BJT Hartley oscillator Multisim Live Hartley Oscillator In Multisim Lc oscillators are preferred for higher frequencies. The hartley oscillator design uses two inductive coils in series with a parallel capacitor to form its resonance tank circuit producing sinusoidal. This circuit presents a common. It has lc tank circuit for frequency selection. The hartley oscillator design uses two. Ni multisim live lets you create, share, collaborate, and discover circuits and. Hartley Oscillator In Multisim.
From www.multisim.com
Hartley Oscillator Multisim Live Hartley Oscillator In Multisim Lc oscillators are preferred for higher frequencies. Ni multisim live lets you create, share, collaborate, and discover circuits and electronics online with spice simulation included. #educationalvideo #hartleyoscillator #multisim #electronicspracticalhartley oscillator circuit. This circuit presents a common. This circuit presents a common emmitter amplifier circuit built with an npn biplolar junction transistor (bjt). The hartley oscillator design uses two inductive coils. Hartley Oscillator In Multisim.
From www.multisim.com
HARTLEY OSCILLATOR Multisim Live Hartley Oscillator In Multisim This circuit presents a common emmitter amplifier circuit built with an npn biplolar junction transistor (bjt). The hartley oscillator design uses two. #educationalvideo #hartleyoscillator #multisim #electronicspracticalhartley oscillator circuit. This circuit presents a common. The hartley oscillator design uses two inductive coils in series with a parallel capacitor to form its resonance tank circuit producing sinusoidal. Ni multisim live lets you. Hartley Oscillator In Multisim.
From www.youtube.com
Hartley Oscillator Multisim Simulation YouTube Hartley Oscillator In Multisim The hartley oscillator design uses two inductive coils in series with a parallel capacitor to form its resonance tank circuit producing sinusoidal. #educationalvideo #hartleyoscillator #multisim #electronicspracticalhartley oscillator circuit. It has lc tank circuit for frequency selection. Lc oscillators are preferred for higher frequencies. Ni multisim live lets you create, share, collaborate, and discover circuits and electronics online with spice simulation. Hartley Oscillator In Multisim.
From www.multisim.com
Hartley oscillator Multisim Live Hartley Oscillator In Multisim The hartley oscillator design uses two inductive coils in series with a parallel capacitor to form its resonance tank circuit producing sinusoidal. Ni multisim live lets you create, share, collaborate, and discover circuits and electronics online with spice simulation included. The hartley oscillator design uses two. #educationalvideo #hartleyoscillator #multisim #electronicspracticalhartley oscillator circuit. It has lc tank circuit for frequency selection.. Hartley Oscillator In Multisim.
From www.multisim.com
Hartley Oscillator Op Amp (Chirping) Multisim Live Hartley Oscillator In Multisim This circuit presents a common emmitter amplifier circuit built with an npn biplolar junction transistor (bjt). #educationalvideo #hartleyoscillator #multisim #electronicspracticalhartley oscillator circuit. Ni multisim live lets you create, share, collaborate, and discover circuits and electronics online with spice simulation included. The hartley oscillator design uses two inductive coils in series with a parallel capacitor to form its resonance tank circuit. Hartley Oscillator In Multisim.
From www.youtube.com
Hartley oscillator simulation using multisim YouTube Hartley Oscillator In Multisim Hartley oscillator is an lc oscillator. It has lc tank circuit for frequency selection. This circuit presents a common. Lc oscillators are preferred for higher frequencies. The hartley oscillator design uses two. #educationalvideo #hartleyoscillator #multisim #electronicspracticalhartley oscillator circuit. Ni multisim live lets you create, share, collaborate, and discover circuits and electronics online with spice simulation included. Hartley oscillator simulation using. Hartley Oscillator In Multisim.
From www.multisim.com
BJT Hartley oscillator Multisim Live Hartley Oscillator In Multisim Hartley oscillator is an lc oscillator. #educationalvideo #hartleyoscillator #multisim #electronicspracticalhartley oscillator circuit. Hartley oscillator simulation using multisim. Ni multisim live lets you create, share, collaborate, and discover circuits and electronics online with spice simulation included. This circuit presents a common. The hartley oscillator design uses two. Lc oscillators are preferred for higher frequencies. This circuit presents a common emmitter amplifier. Hartley Oscillator In Multisim.
From www.youtube.com
SIMULATION OF HARTLEY OSCILLATOR USING MULTISIM YouTube Hartley Oscillator In Multisim Hartley oscillator is an lc oscillator. This circuit presents a common emmitter amplifier circuit built with an npn biplolar junction transistor (bjt). Hartley oscillator simulation using multisim. #educationalvideo #hartleyoscillator #multisim #electronicspracticalhartley oscillator circuit. This circuit presents a common. Lc oscillators are preferred for higher frequencies. It has lc tank circuit for frequency selection. The hartley oscillator design uses two. The. Hartley Oscillator In Multisim.
From www.youtube.com
electronics lab 11 multisim Simulation of Hartley Oscillator YouTube Hartley Oscillator In Multisim Hartley oscillator is an lc oscillator. This circuit presents a common emmitter amplifier circuit built with an npn biplolar junction transistor (bjt). The hartley oscillator design uses two inductive coils in series with a parallel capacitor to form its resonance tank circuit producing sinusoidal. This circuit presents a common. Hartley oscillator simulation using multisim. The hartley oscillator design uses two.. Hartley Oscillator In Multisim.