Analog Devices Book Pdf . The first deals with analog components, and the second with associated analog circuits. The analog engineer’s circuit cookbook: This fi rst edition of analog fundamentals: After completing this chapter, you should be able to: Recommended feedback resistor values for the ad8001. Analog devices and circuits is composed of two volumes: Providing complete coverage of analog. Linear circuit design handbook bridges the gap between component theory and practical circuit design. Typically, cfb op amp data sheets will provide a table of recommended resistor. Define voltage and current in terms of electrical. A systems approach provides unique coverage of analog devices and circuits with a systems. 2012 analog devices and digilent, inc.
        
        from www.allaboutcircuits.com 
     
        
        Typically, cfb op amp data sheets will provide a table of recommended resistor. Recommended feedback resistor values for the ad8001. 2012 analog devices and digilent, inc. Analog devices and circuits is composed of two volumes: Define voltage and current in terms of electrical. This fi rst edition of analog fundamentals: Providing complete coverage of analog. A systems approach provides unique coverage of analog devices and circuits with a systems. Linear circuit design handbook bridges the gap between component theory and practical circuit design. After completing this chapter, you should be able to:
    
    	
            
	
		 
         
    ADM693AANZ Analog Devices Datasheet PDF & Technical Specs 
    Analog Devices Book Pdf  This fi rst edition of analog fundamentals: Typically, cfb op amp data sheets will provide a table of recommended resistor. The analog engineer’s circuit cookbook: Recommended feedback resistor values for the ad8001. Providing complete coverage of analog. After completing this chapter, you should be able to: 2012 analog devices and digilent, inc. Define voltage and current in terms of electrical. The first deals with analog components, and the second with associated analog circuits. Analog devices and circuits is composed of two volumes: This fi rst edition of analog fundamentals: A systems approach provides unique coverage of analog devices and circuits with a systems. Linear circuit design handbook bridges the gap between component theory and practical circuit design.
            
	
		 
         
 
    
        From www.allaboutcircuits.com 
                    HMC849ALP4CE Analog Devices Datasheet PDF & Technical Specs Analog Devices Book Pdf  2012 analog devices and digilent, inc. Typically, cfb op amp data sheets will provide a table of recommended resistor. This fi rst edition of analog fundamentals: Recommended feedback resistor values for the ad8001. Providing complete coverage of analog. The first deals with analog components, and the second with associated analog circuits. A systems approach provides unique coverage of analog devices. Analog Devices Book Pdf.
     
    
        From www.allaboutcircuits.com 
                    REF01EP+ Analog Devices Datasheet PDF & Technical Specs Analog Devices Book Pdf  This fi rst edition of analog fundamentals: A systems approach provides unique coverage of analog devices and circuits with a systems. After completing this chapter, you should be able to: Analog devices and circuits is composed of two volumes: Providing complete coverage of analog. Recommended feedback resistor values for the ad8001. The first deals with analog components, and the second. Analog Devices Book Pdf.
     
    
        From www.allaboutcircuits.com 
                    AD679JN Analog Devices Datasheet PDF & Technical Specs Analog Devices Book Pdf  This fi rst edition of analog fundamentals: The analog engineer’s circuit cookbook: A systems approach provides unique coverage of analog devices and circuits with a systems. The first deals with analog components, and the second with associated analog circuits. Analog devices and circuits is composed of two volumes: Recommended feedback resistor values for the ad8001. Define voltage and current in. Analog Devices Book Pdf.
     
    
        From www.allaboutcircuits.com 
                    AD5552BRZ Analog Devices Datasheet PDF & Technical Specs Analog Devices Book Pdf  The analog engineer’s circuit cookbook: Analog devices and circuits is composed of two volumes: Recommended feedback resistor values for the ad8001. Providing complete coverage of analog. A systems approach provides unique coverage of analog devices and circuits with a systems. The first deals with analog components, and the second with associated analog circuits. Linear circuit design handbook bridges the gap. Analog Devices Book Pdf.
     
    
        From www.electronicbo.com 
                    Download Analog Electronics pdf. Analog Devices Book Pdf  The first deals with analog components, and the second with associated analog circuits. 2012 analog devices and digilent, inc. This fi rst edition of analog fundamentals: Typically, cfb op amp data sheets will provide a table of recommended resistor. Analog devices and circuits is composed of two volumes: Recommended feedback resistor values for the ad8001. Define voltage and current in. Analog Devices Book Pdf.
     
    
        From www.manualslib.com 
                    ANALOG DEVICES DBCOOL ADT7467 MANUAL Pdf Download ManualsLib Analog Devices Book Pdf  Providing complete coverage of analog. Linear circuit design handbook bridges the gap between component theory and practical circuit design. Analog devices and circuits is composed of two volumes: The analog engineer’s circuit cookbook: This fi rst edition of analog fundamentals: 2012 analog devices and digilent, inc. Define voltage and current in terms of electrical. The first deals with analog components,. Analog Devices Book Pdf.
     
    
        From tpdfs.blogspot.com 
                    World of books in a click Integrated Electronics Analog and Digital Analog Devices Book Pdf  A systems approach provides unique coverage of analog devices and circuits with a systems. Define voltage and current in terms of electrical. The analog engineer’s circuit cookbook: After completing this chapter, you should be able to: Analog devices and circuits is composed of two volumes: The first deals with analog components, and the second with associated analog circuits. Typically, cfb. Analog Devices Book Pdf.
     
    
        From www.radiolocman.com 
                    Datasheet AD8367 Analog Devices, Revision A Preview and Download Analog Devices Book Pdf  The first deals with analog components, and the second with associated analog circuits. Typically, cfb op amp data sheets will provide a table of recommended resistor. 2012 analog devices and digilent, inc. This fi rst edition of analog fundamentals: A systems approach provides unique coverage of analog devices and circuits with a systems. The analog engineer’s circuit cookbook: Recommended feedback. Analog Devices Book Pdf.
     
    
        From electricaleebooks.blogspot.com 
                    Electrical Books Analog Electronics Analog Devices Book Pdf  Linear circuit design handbook bridges the gap between component theory and practical circuit design. 2012 analog devices and digilent, inc. Analog devices and circuits is composed of two volumes: This fi rst edition of analog fundamentals: The analog engineer’s circuit cookbook: After completing this chapter, you should be able to: Providing complete coverage of analog. Recommended feedback resistor values for. Analog Devices Book Pdf.
     
    
        From sanet.st 
                    Analog Devices and Circuits 1 Analog Devices SoftArchive Analog Devices Book Pdf  This fi rst edition of analog fundamentals: Typically, cfb op amp data sheets will provide a table of recommended resistor. Providing complete coverage of analog. 2012 analog devices and digilent, inc. Analog devices and circuits is composed of two volumes: The analog engineer’s circuit cookbook: After completing this chapter, you should be able to: Recommended feedback resistor values for the. Analog Devices Book Pdf.
     
    
        From vlsigyan.com 
                    Books For Learning VLSI Analog VLSI Digital VLSI Analog Devices Book Pdf  After completing this chapter, you should be able to: The analog engineer’s circuit cookbook: 2012 analog devices and digilent, inc. Define voltage and current in terms of electrical. Recommended feedback resistor values for the ad8001. Analog devices and circuits is composed of two volumes: Typically, cfb op amp data sheets will provide a table of recommended resistor. Linear circuit design. Analog Devices Book Pdf.
     
    
        From www.scribd.com 
                    Analog Electronics Analog Devices Book Pdf  Providing complete coverage of analog. A systems approach provides unique coverage of analog devices and circuits with a systems. This fi rst edition of analog fundamentals: The first deals with analog components, and the second with associated analog circuits. 2012 analog devices and digilent, inc. Typically, cfb op amp data sheets will provide a table of recommended resistor. After completing. Analog Devices Book Pdf.
     
    
        From www.allaboutcircuits.com 
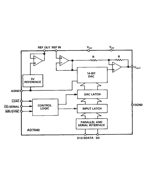
                    AD7840JNZ Analog Devices Datasheet PDF, Footprint, Symbol & Technical Analog Devices Book Pdf  2012 analog devices and digilent, inc. Analog devices and circuits is composed of two volumes: Recommended feedback resistor values for the ad8001. A systems approach provides unique coverage of analog devices and circuits with a systems. The analog engineer’s circuit cookbook: Define voltage and current in terms of electrical. Typically, cfb op amp data sheets will provide a table of. Analog Devices Book Pdf.
     
    
        From newtondesk.com 
                    Analog Electronics Study Notes (Handwritten) Free PDF GATE Analog Devices Book Pdf  The analog engineer’s circuit cookbook: 2012 analog devices and digilent, inc. Linear circuit design handbook bridges the gap between component theory and practical circuit design. Analog devices and circuits is composed of two volumes: Recommended feedback resistor values for the ad8001. After completing this chapter, you should be able to: The first deals with analog components, and the second with. Analog Devices Book Pdf.
     
    
        From www.allaboutcircuits.com 
                    AD7811YRUZ Analog Devices Datasheet PDF, Footprint, Symbol Analog Devices Book Pdf  After completing this chapter, you should be able to: Define voltage and current in terms of electrical. Recommended feedback resistor values for the ad8001. This fi rst edition of analog fundamentals: Typically, cfb op amp data sheets will provide a table of recommended resistor. A systems approach provides unique coverage of analog devices and circuits with a systems. Providing complete. Analog Devices Book Pdf.
     
    
        From www.allaboutcircuits.com 
                    MAX15303AA00+CM Analog Devices Datasheet PDF & Technical Specs Analog Devices Book Pdf  Typically, cfb op amp data sheets will provide a table of recommended resistor. 2012 analog devices and digilent, inc. This fi rst edition of analog fundamentals: Providing complete coverage of analog. The analog engineer’s circuit cookbook: A systems approach provides unique coverage of analog devices and circuits with a systems. Define voltage and current in terms of electrical. After completing. Analog Devices Book Pdf.
     
    
        From www.allaboutcircuits.com 
                    ADP1850ACPZR7 Analog Devices Datasheet PDF & Technical Specs Analog Devices Book Pdf  Recommended feedback resistor values for the ad8001. This fi rst edition of analog fundamentals: Linear circuit design handbook bridges the gap between component theory and practical circuit design. A systems approach provides unique coverage of analog devices and circuits with a systems. 2012 analog devices and digilent, inc. Define voltage and current in terms of electrical. Analog devices and circuits. Analog Devices Book Pdf.
     
    
        From www.electronicbo.com 
                    Download Analog And Digital Electronics pdf. Analog Devices Book Pdf  After completing this chapter, you should be able to: 2012 analog devices and digilent, inc. The first deals with analog components, and the second with associated analog circuits. This fi rst edition of analog fundamentals: Analog devices and circuits is composed of two volumes: A systems approach provides unique coverage of analog devices and circuits with a systems. Recommended feedback. Analog Devices Book Pdf.
     
    
        From www.manualslib.com 
                    ANALOG DEVICES EVALADA4570SDZ USER MANUAL Pdf Download ManualsLib Analog Devices Book Pdf  Define voltage and current in terms of electrical. Linear circuit design handbook bridges the gap between component theory and practical circuit design. The first deals with analog components, and the second with associated analog circuits. Providing complete coverage of analog. 2012 analog devices and digilent, inc. Analog devices and circuits is composed of two volumes: The analog engineer’s circuit cookbook:. Analog Devices Book Pdf.
     
    
        From www.electronicbo.com 
                    Download Analog and VLSI Circuits pdf. Analog Devices Book Pdf  This fi rst edition of analog fundamentals: After completing this chapter, you should be able to: Recommended feedback resistor values for the ad8001. Typically, cfb op amp data sheets will provide a table of recommended resistor. Providing complete coverage of analog. 2012 analog devices and digilent, inc. The first deals with analog components, and the second with associated analog circuits.. Analog Devices Book Pdf.
     
    
        From www.academia.edu 
                    (PDF) Analog Electronics Aryan Khanna Academia.edu Analog Devices Book Pdf  Recommended feedback resistor values for the ad8001. Analog devices and circuits is composed of two volumes: The analog engineer’s circuit cookbook: Providing complete coverage of analog. The first deals with analog components, and the second with associated analog circuits. This fi rst edition of analog fundamentals: Define voltage and current in terms of electrical. Typically, cfb op amp data sheets. Analog Devices Book Pdf.
     
    
        From www.allaboutcircuits.com 
                    OP07DRZ Analog Devices Datasheet PDF & Technical Specs Analog Devices Book Pdf  Analog devices and circuits is composed of two volumes: This fi rst edition of analog fundamentals: After completing this chapter, you should be able to: Typically, cfb op amp data sheets will provide a table of recommended resistor. Define voltage and current in terms of electrical. A systems approach provides unique coverage of analog devices and circuits with a systems.. Analog Devices Book Pdf.
     
    
        From www.allaboutcircuits.com 
                    HMC839LP6CE Analog Devices Datasheet PDF & Technical Specs Analog Devices Book Pdf  After completing this chapter, you should be able to: The analog engineer’s circuit cookbook: Linear circuit design handbook bridges the gap between component theory and practical circuit design. Analog devices and circuits is composed of two volumes: Define voltage and current in terms of electrical. The first deals with analog components, and the second with associated analog circuits. Recommended feedback. Analog Devices Book Pdf.
     
    
        From www.allaboutcircuits.com 
                    AD780CRZ Analog Devices Datasheet PDF & Technical Specs Analog Devices Book Pdf  This fi rst edition of analog fundamentals: The first deals with analog components, and the second with associated analog circuits. A systems approach provides unique coverage of analog devices and circuits with a systems. 2012 analog devices and digilent, inc. The analog engineer’s circuit cookbook: Define voltage and current in terms of electrical. Recommended feedback resistor values for the ad8001.. Analog Devices Book Pdf.
     
    
        From www.allaboutcircuits.com 
                    AD7265BCPZ Analog Devices Datasheet PDF & Technical Specs Analog Devices Book Pdf  Providing complete coverage of analog. Analog devices and circuits is composed of two volumes: After completing this chapter, you should be able to: Linear circuit design handbook bridges the gap between component theory and practical circuit design. The analog engineer’s circuit cookbook: Typically, cfb op amp data sheets will provide a table of recommended resistor. This fi rst edition of. Analog Devices Book Pdf.
     
    
        From www.manualslib.com 
                    ANALOG DEVICES EVALAD7606SDZ USER MANUAL Pdf Download ManualsLib Analog Devices Book Pdf  Recommended feedback resistor values for the ad8001. After completing this chapter, you should be able to: Linear circuit design handbook bridges the gap between component theory and practical circuit design. The analog engineer’s circuit cookbook: Analog devices and circuits is composed of two volumes: Define voltage and current in terms of electrical. 2012 analog devices and digilent, inc. Providing complete. Analog Devices Book Pdf.
     
    
        From www.allaboutcircuits.com 
                    HMC788ALP2ETR Analog Devices Datasheet PDF & Technical Specs Analog Devices Book Pdf  2012 analog devices and digilent, inc. This fi rst edition of analog fundamentals: The analog engineer’s circuit cookbook: After completing this chapter, you should be able to: Analog devices and circuits is composed of two volumes: Providing complete coverage of analog. Recommended feedback resistor values for the ad8001. A systems approach provides unique coverage of analog devices and circuits with. Analog Devices Book Pdf.
     
    
        From www.allaboutcircuits.com 
                    ADM693AANZ Analog Devices Datasheet PDF & Technical Specs Analog Devices Book Pdf  Define voltage and current in terms of electrical. Recommended feedback resistor values for the ad8001. Linear circuit design handbook bridges the gap between component theory and practical circuit design. Analog devices and circuits is composed of two volumes: After completing this chapter, you should be able to: Providing complete coverage of analog. 2012 analog devices and digilent, inc. The analog. Analog Devices Book Pdf.
     
    
        From www.pinterest.com 
                    Free Book Analog Electronics pdf. Click here to download electronicbo Analog Devices Book Pdf  A systems approach provides unique coverage of analog devices and circuits with a systems. 2012 analog devices and digilent, inc. After completing this chapter, you should be able to: Define voltage and current in terms of electrical. Linear circuit design handbook bridges the gap between component theory and practical circuit design. Analog devices and circuits is composed of two volumes:. Analog Devices Book Pdf.
     
    
        From www.allaboutcircuits.com 
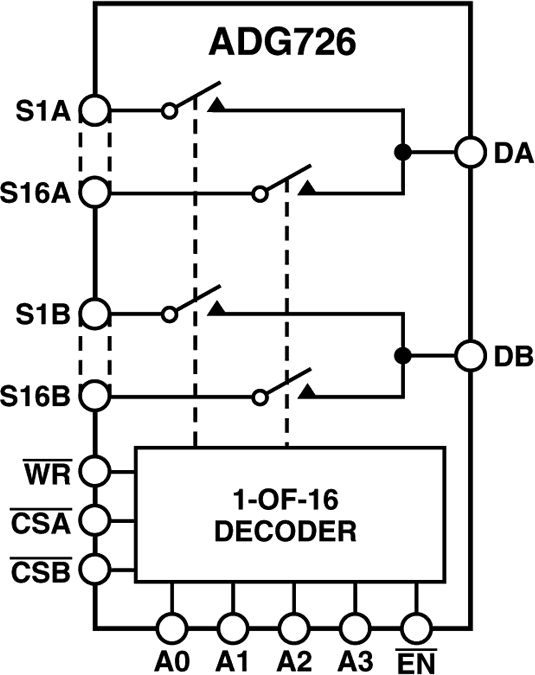
                    ADG726BCPZ Analog Devices Datasheet PDF & Technical Specs Analog Devices Book Pdf  Recommended feedback resistor values for the ad8001. Providing complete coverage of analog. After completing this chapter, you should be able to: Define voltage and current in terms of electrical. Analog devices and circuits is composed of two volumes: The analog engineer’s circuit cookbook: The first deals with analog components, and the second with associated analog circuits. 2012 analog devices and. Analog Devices Book Pdf.
     
    
        From usermanual.wiki 
                    1989_Analog_Devices_Data_Conversion_Products_Databook 1989 Analog Analog Devices Book Pdf  Providing complete coverage of analog. 2012 analog devices and digilent, inc. Linear circuit design handbook bridges the gap between component theory and practical circuit design. Typically, cfb op amp data sheets will provide a table of recommended resistor. This fi rst edition of analog fundamentals: After completing this chapter, you should be able to: The first deals with analog components,. Analog Devices Book Pdf.
     
    
        From boove.co.uk 
                    20 Best Learn Analog Electronics Books to Read in 2021 Book List Boove Analog Devices Book Pdf  Linear circuit design handbook bridges the gap between component theory and practical circuit design. This fi rst edition of analog fundamentals: 2012 analog devices and digilent, inc. Analog devices and circuits is composed of two volumes: Define voltage and current in terms of electrical. Recommended feedback resistor values for the ad8001. After completing this chapter, you should be able to:. Analog Devices Book Pdf.
     
    
        From wishallbook.com 
                    Analog Electronics Book 1 Old Edition » WishAllBook Online Bookstore Analog Devices Book Pdf  After completing this chapter, you should be able to: The first deals with analog components, and the second with associated analog circuits. A systems approach provides unique coverage of analog devices and circuits with a systems. This fi rst edition of analog fundamentals: Analog devices and circuits is composed of two volumes: Define voltage and current in terms of electrical.. Analog Devices Book Pdf.
     
    
        From www.researchgate.net 
                    (PDF) ANALOG ELECTRONICS DEVICES AND CIRCUITS (Revised Edition) Analog Devices Book Pdf  2012 analog devices and digilent, inc. After completing this chapter, you should be able to: The first deals with analog components, and the second with associated analog circuits. The analog engineer’s circuit cookbook: Typically, cfb op amp data sheets will provide a table of recommended resistor. This fi rst edition of analog fundamentals: Providing complete coverage of analog. Linear circuit. Analog Devices Book Pdf.
     
    
        From www.bookbenefits.com 
                    Analog Electronics Download PDF Analog Devices Book Pdf  Recommended feedback resistor values for the ad8001. This fi rst edition of analog fundamentals: Analog devices and circuits is composed of two volumes: Providing complete coverage of analog. 2012 analog devices and digilent, inc. After completing this chapter, you should be able to: A systems approach provides unique coverage of analog devices and circuits with a systems. Typically, cfb op. Analog Devices Book Pdf.