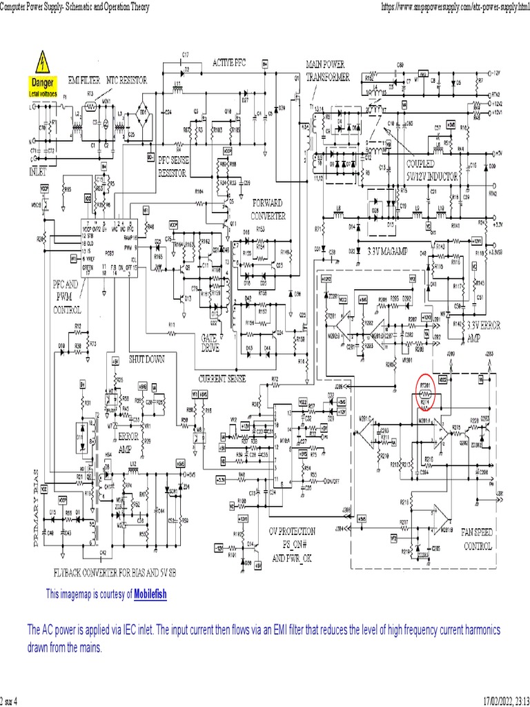
Computer Power Supply Schematic Pdf . If you’re looking for a comprehensive guide on pc smps power supply circuit diagrams, look no further. The pc power supply schematic diagram pdf is an invaluable resource for anyone looking to understand how their pc's power supply works. The schematic diagram of an atx power supply shows the various components and circuitry inside the power supply. It provides detailed diagrams of. On this page i collect the schematics of switching supplies for computers (smps) atx v 1.0, atx v 2.0 and some at, which i found on internet. Figure 1.2 shows a typical linear power supply with the main features indicated: By understanding this diagram, it's possible to troubleshoot problems, optimize system performance, and build custom power supplies. (a) transformer comprising a core made of silicon steel sheet,. The operation basics and a schematic diagram of smps power supply for atx computer with power factor correction (pfc). Explore the schematic diagram of an atx power supply and learn how it provides power to your computer components. It provides a visual representation of the components in a computer power supply and their connections.
from www.organised-sound.com
(a) transformer comprising a core made of silicon steel sheet,. Explore the schematic diagram of an atx power supply and learn how it provides power to your computer components. By understanding this diagram, it's possible to troubleshoot problems, optimize system performance, and build custom power supplies. If you’re looking for a comprehensive guide on pc smps power supply circuit diagrams, look no further. On this page i collect the schematics of switching supplies for computers (smps) atx v 1.0, atx v 2.0 and some at, which i found on internet. The operation basics and a schematic diagram of smps power supply for atx computer with power factor correction (pfc). The schematic diagram of an atx power supply shows the various components and circuitry inside the power supply. It provides a visual representation of the components in a computer power supply and their connections. Figure 1.2 shows a typical linear power supply with the main features indicated: It provides detailed diagrams of.
Atx Power Supply Schematic Diagram Pdf Wiring Diagram
Computer Power Supply Schematic Pdf The schematic diagram of an atx power supply shows the various components and circuitry inside the power supply. Explore the schematic diagram of an atx power supply and learn how it provides power to your computer components. The operation basics and a schematic diagram of smps power supply for atx computer with power factor correction (pfc). By understanding this diagram, it's possible to troubleshoot problems, optimize system performance, and build custom power supplies. The pc power supply schematic diagram pdf is an invaluable resource for anyone looking to understand how their pc's power supply works. On this page i collect the schematics of switching supplies for computers (smps) atx v 1.0, atx v 2.0 and some at, which i found on internet. (a) transformer comprising a core made of silicon steel sheet,. Figure 1.2 shows a typical linear power supply with the main features indicated: The schematic diagram of an atx power supply shows the various components and circuitry inside the power supply. It provides a visual representation of the components in a computer power supply and their connections. If you’re looking for a comprehensive guide on pc smps power supply circuit diagrams, look no further. It provides detailed diagrams of.
From www.wiringstech.com
Atx Power Supply Schematic Diagram Pdf Wiring Technology Computer Power Supply Schematic Pdf Explore the schematic diagram of an atx power supply and learn how it provides power to your computer components. On this page i collect the schematics of switching supplies for computers (smps) atx v 1.0, atx v 2.0 and some at, which i found on internet. The schematic diagram of an atx power supply shows the various components and circuitry. Computer Power Supply Schematic Pdf.
From www.schemadigital.com
Pc Power Supply Schematic Diagram Pdf » Schema Digital Computer Power Supply Schematic Pdf The operation basics and a schematic diagram of smps power supply for atx computer with power factor correction (pfc). By understanding this diagram, it's possible to troubleshoot problems, optimize system performance, and build custom power supplies. If you’re looking for a comprehensive guide on pc smps power supply circuit diagrams, look no further. Figure 1.2 shows a typical linear power. Computer Power Supply Schematic Pdf.
From wiringfixhysblokzs.z22.web.core.windows.net
Atx Power Supply Schematic Pdf Computer Power Supply Schematic Pdf On this page i collect the schematics of switching supplies for computers (smps) atx v 1.0, atx v 2.0 and some at, which i found on internet. The operation basics and a schematic diagram of smps power supply for atx computer with power factor correction (pfc). It provides detailed diagrams of. It provides a visual representation of the components in. Computer Power Supply Schematic Pdf.
From www.scribd.com
Computer Power Supply Schematic and Operation Theory PDF Power Computer Power Supply Schematic Pdf It provides detailed diagrams of. The schematic diagram of an atx power supply shows the various components and circuitry inside the power supply. By understanding this diagram, it's possible to troubleshoot problems, optimize system performance, and build custom power supplies. (a) transformer comprising a core made of silicon steel sheet,. If you’re looking for a comprehensive guide on pc smps. Computer Power Supply Schematic Pdf.
From wiredbneumann.z13.web.core.windows.net
Pc Power Supply Schematic Diagram Pdf Computer Power Supply Schematic Pdf By understanding this diagram, it's possible to troubleshoot problems, optimize system performance, and build custom power supplies. (a) transformer comprising a core made of silicon steel sheet,. It provides a visual representation of the components in a computer power supply and their connections. The pc power supply schematic diagram pdf is an invaluable resource for anyone looking to understand how. Computer Power Supply Schematic Pdf.
From www.diagramboard.com
Pc Power Supply Schematic Diagram Pdf » Diagram Board Computer Power Supply Schematic Pdf The operation basics and a schematic diagram of smps power supply for atx computer with power factor correction (pfc). Explore the schematic diagram of an atx power supply and learn how it provides power to your computer components. By understanding this diagram, it's possible to troubleshoot problems, optimize system performance, and build custom power supplies. It provides a visual representation. Computer Power Supply Schematic Pdf.
From diagramtratryqr.z21.web.core.windows.net
Computer Power Supply Schematic Diagrams Computer Power Supply Schematic Pdf If you’re looking for a comprehensive guide on pc smps power supply circuit diagrams, look no further. By understanding this diagram, it's possible to troubleshoot problems, optimize system performance, and build custom power supplies. On this page i collect the schematics of switching supplies for computers (smps) atx v 1.0, atx v 2.0 and some at, which i found on. Computer Power Supply Schematic Pdf.
From www.smpspowersupply.com
Computer Power Supply Schematic and Operation Theory Computer Power Supply Schematic Pdf Figure 1.2 shows a typical linear power supply with the main features indicated: It provides detailed diagrams of. On this page i collect the schematics of switching supplies for computers (smps) atx v 1.0, atx v 2.0 and some at, which i found on internet. The schematic diagram of an atx power supply shows the various components and circuitry inside. Computer Power Supply Schematic Pdf.
From circuitenginetiroes.z21.web.core.windows.net
Atx Power Supply Schematic Pdf Computer Power Supply Schematic Pdf (a) transformer comprising a core made of silicon steel sheet,. The schematic diagram of an atx power supply shows the various components and circuitry inside the power supply. Figure 1.2 shows a typical linear power supply with the main features indicated: On this page i collect the schematics of switching supplies for computers (smps) atx v 1.0, atx v 2.0. Computer Power Supply Schematic Pdf.
From www.caretxdigital.com
Computer Schematic Power Supply Circuit Diagram Pdf Wiring Diagram Computer Power Supply Schematic Pdf On this page i collect the schematics of switching supplies for computers (smps) atx v 1.0, atx v 2.0 and some at, which i found on internet. (a) transformer comprising a core made of silicon steel sheet,. It provides detailed diagrams of. It provides a visual representation of the components in a computer power supply and their connections. By understanding. Computer Power Supply Schematic Pdf.
From dokumen.tips
(PDF) Dell 2407 WFP Power Supply Rev A11 Schematic Diagram DOKUMEN.TIPS Computer Power Supply Schematic Pdf By understanding this diagram, it's possible to troubleshoot problems, optimize system performance, and build custom power supplies. If you’re looking for a comprehensive guide on pc smps power supply circuit diagrams, look no further. It provides detailed diagrams of. Figure 1.2 shows a typical linear power supply with the main features indicated: Explore the schematic diagram of an atx power. Computer Power Supply Schematic Pdf.
From techschems.com
Understanding the Computer Power Supply Schematic Diagram A Computer Power Supply Schematic Pdf By understanding this diagram, it's possible to troubleshoot problems, optimize system performance, and build custom power supplies. The pc power supply schematic diagram pdf is an invaluable resource for anyone looking to understand how their pc's power supply works. The operation basics and a schematic diagram of smps power supply for atx computer with power factor correction (pfc). (a) transformer. Computer Power Supply Schematic Pdf.
From danyk.cz
AT and ATX PC computer supplies schematics Computer Power Supply Schematic Pdf (a) transformer comprising a core made of silicon steel sheet,. The pc power supply schematic diagram pdf is an invaluable resource for anyone looking to understand how their pc's power supply works. It provides a visual representation of the components in a computer power supply and their connections. If you’re looking for a comprehensive guide on pc smps power supply. Computer Power Supply Schematic Pdf.
From www.smpspowersupply.com
Computer Power Supply Diagram and Operation Computer Power Supply Schematic Pdf Explore the schematic diagram of an atx power supply and learn how it provides power to your computer components. If you’re looking for a comprehensive guide on pc smps power supply circuit diagrams, look no further. The pc power supply schematic diagram pdf is an invaluable resource for anyone looking to understand how their pc's power supply works. The operation. Computer Power Supply Schematic Pdf.
From www.scribd.com
Computer Power Supply Schematic and Operation Theory PDF Computer Power Supply Schematic Pdf If you’re looking for a comprehensive guide on pc smps power supply circuit diagrams, look no further. The pc power supply schematic diagram pdf is an invaluable resource for anyone looking to understand how their pc's power supply works. Figure 1.2 shows a typical linear power supply with the main features indicated: The operation basics and a schematic diagram of. Computer Power Supply Schematic Pdf.
From guidefixcrims0nheartls.z14.web.core.windows.net
Pc Power Supply Schematic Diagram Pdf Computer Power Supply Schematic Pdf It provides a visual representation of the components in a computer power supply and their connections. (a) transformer comprising a core made of silicon steel sheet,. If you’re looking for a comprehensive guide on pc smps power supply circuit diagrams, look no further. It provides detailed diagrams of. Explore the schematic diagram of an atx power supply and learn how. Computer Power Supply Schematic Pdf.
From usermanualcrimines.z21.web.core.windows.net
Computer Power Supply Schematic Diagrams Computer Power Supply Schematic Pdf The schematic diagram of an atx power supply shows the various components and circuitry inside the power supply. On this page i collect the schematics of switching supplies for computers (smps) atx v 1.0, atx v 2.0 and some at, which i found on internet. Figure 1.2 shows a typical linear power supply with the main features indicated: Explore the. Computer Power Supply Schematic Pdf.
From www.wiringdraw.com
Computer Power Supply Circuit Diagram Pdf Wiring Draw And Schematic Computer Power Supply Schematic Pdf Figure 1.2 shows a typical linear power supply with the main features indicated: (a) transformer comprising a core made of silicon steel sheet,. By understanding this diagram, it's possible to troubleshoot problems, optimize system performance, and build custom power supplies. The operation basics and a schematic diagram of smps power supply for atx computer with power factor correction (pfc). It. Computer Power Supply Schematic Pdf.
From www.176iot.com
Computer Schematic Power Supply Circuit Diagram Pdf IOT Wiring Diagram Computer Power Supply Schematic Pdf The pc power supply schematic diagram pdf is an invaluable resource for anyone looking to understand how their pc's power supply works. By understanding this diagram, it's possible to troubleshoot problems, optimize system performance, and build custom power supplies. It provides detailed diagrams of. It provides a visual representation of the components in a computer power supply and their connections.. Computer Power Supply Schematic Pdf.
From www.pavouk.org
200W ATX PC POWER SUPPLY Computer Power Supply Schematic Pdf Explore the schematic diagram of an atx power supply and learn how it provides power to your computer components. By understanding this diagram, it's possible to troubleshoot problems, optimize system performance, and build custom power supplies. Figure 1.2 shows a typical linear power supply with the main features indicated: (a) transformer comprising a core made of silicon steel sheet,. On. Computer Power Supply Schematic Pdf.
From www.organised-sound.com
Pc Power Supply Schematic Diagram Pdf Wiring Diagram Computer Power Supply Schematic Pdf It provides detailed diagrams of. The pc power supply schematic diagram pdf is an invaluable resource for anyone looking to understand how their pc's power supply works. Figure 1.2 shows a typical linear power supply with the main features indicated: It provides a visual representation of the components in a computer power supply and their connections. By understanding this diagram,. Computer Power Supply Schematic Pdf.
From www.wiringstech.com
Computer Schematic Power Supply Circuit Diagram Pdf Wiring Technology Computer Power Supply Schematic Pdf On this page i collect the schematics of switching supplies for computers (smps) atx v 1.0, atx v 2.0 and some at, which i found on internet. Figure 1.2 shows a typical linear power supply with the main features indicated: By understanding this diagram, it's possible to troubleshoot problems, optimize system performance, and build custom power supplies. It provides a. Computer Power Supply Schematic Pdf.
From wiringfixhysblokzs.z22.web.core.windows.net
Atx Power Supply Schematic Pdf Computer Power Supply Schematic Pdf If you’re looking for a comprehensive guide on pc smps power supply circuit diagrams, look no further. By understanding this diagram, it's possible to troubleshoot problems, optimize system performance, and build custom power supplies. On this page i collect the schematics of switching supplies for computers (smps) atx v 1.0, atx v 2.0 and some at, which i found on. Computer Power Supply Schematic Pdf.
From wiringdiagram.2bitboer.com
300w Atx Power Supply Schematic Diagrams Wiring Diagram Computer Power Supply Schematic Pdf Figure 1.2 shows a typical linear power supply with the main features indicated: It provides detailed diagrams of. The schematic diagram of an atx power supply shows the various components and circuitry inside the power supply. The pc power supply schematic diagram pdf is an invaluable resource for anyone looking to understand how their pc's power supply works. (a) transformer. Computer Power Supply Schematic Pdf.
From mavink.com
Dell Power Supply Schematics Computer Power Supply Schematic Pdf The operation basics and a schematic diagram of smps power supply for atx computer with power factor correction (pfc). The schematic diagram of an atx power supply shows the various components and circuitry inside the power supply. It provides detailed diagrams of. If you’re looking for a comprehensive guide on pc smps power supply circuit diagrams, look no further. It. Computer Power Supply Schematic Pdf.
From www.organised-sound.com
Atx Power Supply Schematic Diagram Pdf Wiring Diagram Computer Power Supply Schematic Pdf The pc power supply schematic diagram pdf is an invaluable resource for anyone looking to understand how their pc's power supply works. It provides a visual representation of the components in a computer power supply and their connections. The schematic diagram of an atx power supply shows the various components and circuitry inside the power supply. The operation basics and. Computer Power Supply Schematic Pdf.
From wiringdiagram.2bitboer.com
Pc Power Supply Schematic Diagram Pdf Wiring Diagram Computer Power Supply Schematic Pdf It provides detailed diagrams of. On this page i collect the schematics of switching supplies for computers (smps) atx v 1.0, atx v 2.0 and some at, which i found on internet. The schematic diagram of an atx power supply shows the various components and circuitry inside the power supply. (a) transformer comprising a core made of silicon steel sheet,.. Computer Power Supply Schematic Pdf.
From www.organised-sound.com
Computer Schematic Power Supply Circuit Diagram Pdf » Wiring Diagram Computer Power Supply Schematic Pdf Figure 1.2 shows a typical linear power supply with the main features indicated: It provides detailed diagrams of. (a) transformer comprising a core made of silicon steel sheet,. The operation basics and a schematic diagram of smps power supply for atx computer with power factor correction (pfc). It provides a visual representation of the components in a computer power supply. Computer Power Supply Schematic Pdf.
From schematicpartclaudia.z19.web.core.windows.net
500w Atx Power Supply Schematic Diagram Pdf Computer Power Supply Schematic Pdf (a) transformer comprising a core made of silicon steel sheet,. Figure 1.2 shows a typical linear power supply with the main features indicated: It provides detailed diagrams of. The operation basics and a schematic diagram of smps power supply for atx computer with power factor correction (pfc). By understanding this diagram, it's possible to troubleshoot problems, optimize system performance, and. Computer Power Supply Schematic Pdf.
From www.diagramboard.com
Pc Power Supply Schematic Diagram Pdf » Diagram Board Computer Power Supply Schematic Pdf By understanding this diagram, it's possible to troubleshoot problems, optimize system performance, and build custom power supplies. It provides detailed diagrams of. The operation basics and a schematic diagram of smps power supply for atx computer with power factor correction (pfc). Explore the schematic diagram of an atx power supply and learn how it provides power to your computer components.. Computer Power Supply Schematic Pdf.
From www.organised-sound.com
Atx Power Supply Circuit Diagram Pdf Wiring Diagram Computer Power Supply Schematic Pdf The schematic diagram of an atx power supply shows the various components and circuitry inside the power supply. The pc power supply schematic diagram pdf is an invaluable resource for anyone looking to understand how their pc's power supply works. By understanding this diagram, it's possible to troubleshoot problems, optimize system performance, and build custom power supplies. The operation basics. Computer Power Supply Schematic Pdf.
From www.gadget-manual.com
Schematic Diagram of Computer Power Supply Unit ATX, AT, laptops Computer Power Supply Schematic Pdf On this page i collect the schematics of switching supplies for computers (smps) atx v 1.0, atx v 2.0 and some at, which i found on internet. The pc power supply schematic diagram pdf is an invaluable resource for anyone looking to understand how their pc's power supply works. It provides a visual representation of the components in a computer. Computer Power Supply Schematic Pdf.
From techschems.com
Understanding the Computer Power Supply Schematic Diagram A Computer Power Supply Schematic Pdf It provides a visual representation of the components in a computer power supply and their connections. (a) transformer comprising a core made of silicon steel sheet,. On this page i collect the schematics of switching supplies for computers (smps) atx v 1.0, atx v 2.0 and some at, which i found on internet. The pc power supply schematic diagram pdf. Computer Power Supply Schematic Pdf.
From wiredraw.co
Pc Power Supply Schematic Diagram Pdf Wiring Draw Computer Power Supply Schematic Pdf If you’re looking for a comprehensive guide on pc smps power supply circuit diagrams, look no further. (a) transformer comprising a core made of silicon steel sheet,. Explore the schematic diagram of an atx power supply and learn how it provides power to your computer components. Figure 1.2 shows a typical linear power supply with the main features indicated: The. Computer Power Supply Schematic Pdf.
From diagramdatasoftball.z14.web.core.windows.net
Computer Power Supply Schematic Diagrams Computer Power Supply Schematic Pdf It provides detailed diagrams of. If you’re looking for a comprehensive guide on pc smps power supply circuit diagrams, look no further. Figure 1.2 shows a typical linear power supply with the main features indicated: On this page i collect the schematics of switching supplies for computers (smps) atx v 1.0, atx v 2.0 and some at, which i found. Computer Power Supply Schematic Pdf.