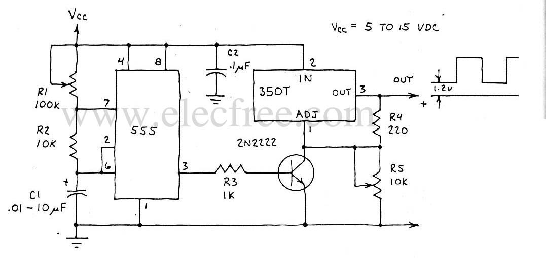
Power Supply Pulse Generator . High power design, usable even at low impedance. All solid state for high reliability and long life. powerful, flexible testing solutions. And, it is equipped with five jumpers. this pulse generator module uses an ne555 ic as its primary chip to generate square pulses ranging from 0.6 hz to 300 khz. achieves high speed operation with 50khz repetition frequency.
from electronicsarea.com
High power design, usable even at low impedance. All solid state for high reliability and long life. achieves high speed operation with 50khz repetition frequency. this pulse generator module uses an ne555 ic as its primary chip to generate square pulses ranging from 0.6 hz to 300 khz. powerful, flexible testing solutions. And, it is equipped with five jumpers.
High current pulse generator Electronics Area
Power Supply Pulse Generator All solid state for high reliability and long life. achieves high speed operation with 50khz repetition frequency. And, it is equipped with five jumpers. this pulse generator module uses an ne555 ic as its primary chip to generate square pulses ranging from 0.6 hz to 300 khz. High power design, usable even at low impedance. All solid state for high reliability and long life. powerful, flexible testing solutions.
From www.hppi.de
TLP3010C High Power Pulse Instruments GmbH Power Supply Pulse Generator this pulse generator module uses an ne555 ic as its primary chip to generate square pulses ranging from 0.6 hz to 300 khz. achieves high speed operation with 50khz repetition frequency. powerful, flexible testing solutions. All solid state for high reliability and long life. High power design, usable even at low impedance. And, it is equipped with. Power Supply Pulse Generator.
From bmisurplus.com
Hewlett Packard 8082A Pulse Generator Signal Generators BMI Surplus Power Supply Pulse Generator this pulse generator module uses an ne555 ic as its primary chip to generate square pulses ranging from 0.6 hz to 300 khz. achieves high speed operation with 50khz repetition frequency. High power design, usable even at low impedance. All solid state for high reliability and long life. And, it is equipped with five jumpers. powerful, flexible. Power Supply Pulse Generator.
From www.matsusada.com
High Voltage Pulse Generator SKS Series Matsusada Precision Power Supply Pulse Generator this pulse generator module uses an ne555 ic as its primary chip to generate square pulses ranging from 0.6 hz to 300 khz. achieves high speed operation with 50khz repetition frequency. powerful, flexible testing solutions. High power design, usable even at low impedance. And, it is equipped with five jumpers. All solid state for high reliability and. Power Supply Pulse Generator.
From www.reddit.com
High voltage pulse generator. r/electronics Power Supply Pulse Generator achieves high speed operation with 50khz repetition frequency. All solid state for high reliability and long life. this pulse generator module uses an ne555 ic as its primary chip to generate square pulses ranging from 0.6 hz to 300 khz. powerful, flexible testing solutions. High power design, usable even at low impedance. And, it is equipped with. Power Supply Pulse Generator.
From www.indiamart.com
Pulse Generator 20 MHz (PG20) at Rs 25700 Pulse Generators in New Delhi ID 17927502948 Power Supply Pulse Generator this pulse generator module uses an ne555 ic as its primary chip to generate square pulses ranging from 0.6 hz to 300 khz. High power design, usable even at low impedance. All solid state for high reliability and long life. And, it is equipped with five jumpers. powerful, flexible testing solutions. achieves high speed operation with 50khz. Power Supply Pulse Generator.
From bmisurplus.com
Programmable Pulse Generator Signal Generators BMI Surplus Power Supply Pulse Generator achieves high speed operation with 50khz repetition frequency. All solid state for high reliability and long life. High power design, usable even at low impedance. And, it is equipped with five jumpers. this pulse generator module uses an ne555 ic as its primary chip to generate square pulses ranging from 0.6 hz to 300 khz. powerful, flexible. Power Supply Pulse Generator.
From www.amazon.in
Pulse Generators, Schumann Wave Generator Adjustable Strength 5V USB Power Supply for Bedroom Power Supply Pulse Generator powerful, flexible testing solutions. achieves high speed operation with 50khz repetition frequency. And, it is equipped with five jumpers. High power design, usable even at low impedance. All solid state for high reliability and long life. this pulse generator module uses an ne555 ic as its primary chip to generate square pulses ranging from 0.6 hz to. Power Supply Pulse Generator.
From circuit-electronic.blogspot.com
Circuit Electronics LM350T Power Pulse Generator Power Supply Pulse Generator this pulse generator module uses an ne555 ic as its primary chip to generate square pulses ranging from 0.6 hz to 300 khz. And, it is equipped with five jumpers. achieves high speed operation with 50khz repetition frequency. powerful, flexible testing solutions. High power design, usable even at low impedance. All solid state for high reliability and. Power Supply Pulse Generator.
From www.matsusada.com
High Voltage Pulse Power SK Series Matsusada Precision Power Supply Pulse Generator High power design, usable even at low impedance. All solid state for high reliability and long life. this pulse generator module uses an ne555 ic as its primary chip to generate square pulses ranging from 0.6 hz to 300 khz. achieves high speed operation with 50khz repetition frequency. powerful, flexible testing solutions. And, it is equipped with. Power Supply Pulse Generator.
From www.skyblue.de
Nanosecond Pulser 30 5000 W Adjustable 5 25 kV, 20 250 ns, 1 100 kHz Power Supply Pulse Generator this pulse generator module uses an ne555 ic as its primary chip to generate square pulses ranging from 0.6 hz to 300 khz. And, it is equipped with five jumpers. High power design, usable even at low impedance. achieves high speed operation with 50khz repetition frequency. All solid state for high reliability and long life. powerful, flexible. Power Supply Pulse Generator.
From maker.pro
555 Pulse Generator Module, How it Works Arduino Maker Pro Power Supply Pulse Generator achieves high speed operation with 50khz repetition frequency. All solid state for high reliability and long life. High power design, usable even at low impedance. powerful, flexible testing solutions. And, it is equipped with five jumpers. this pulse generator module uses an ne555 ic as its primary chip to generate square pulses ranging from 0.6 hz to. Power Supply Pulse Generator.
From www.myppj.com
High Voltage Pulse Power Supply for Plasma Generation Technical support for generation and Power Supply Pulse Generator High power design, usable even at low impedance. powerful, flexible testing solutions. And, it is equipped with five jumpers. this pulse generator module uses an ne555 ic as its primary chip to generate square pulses ranging from 0.6 hz to 300 khz. All solid state for high reliability and long life. achieves high speed operation with 50khz. Power Supply Pulse Generator.
From www.pixelelectric.com
Synchronized Pulse Generator with Power Supply Power Supply Pulse Generator achieves high speed operation with 50khz repetition frequency. High power design, usable even at low impedance. All solid state for high reliability and long life. powerful, flexible testing solutions. And, it is equipped with five jumpers. this pulse generator module uses an ne555 ic as its primary chip to generate square pulses ranging from 0.6 hz to. Power Supply Pulse Generator.
From www.next.gr
300Vpulsegenerator under Varius Circuits 13655 Next.gr Power Supply Pulse Generator And, it is equipped with five jumpers. All solid state for high reliability and long life. High power design, usable even at low impedance. powerful, flexible testing solutions. achieves high speed operation with 50khz repetition frequency. this pulse generator module uses an ne555 ic as its primary chip to generate square pulses ranging from 0.6 hz to. Power Supply Pulse Generator.
From shop.unigreenscheme.co.uk
Advance Instruments Pulse Generator PG 57 Lab Power Supply Pulse Generator achieves high speed operation with 50khz repetition frequency. powerful, flexible testing solutions. And, it is equipped with five jumpers. this pulse generator module uses an ne555 ic as its primary chip to generate square pulses ranging from 0.6 hz to 300 khz. High power design, usable even at low impedance. All solid state for high reliability and. Power Supply Pulse Generator.
From hofstragroup.com
Pulsed Power Legacy Products Power Supply Pulse Generator All solid state for high reliability and long life. powerful, flexible testing solutions. achieves high speed operation with 50khz repetition frequency. And, it is equipped with five jumpers. High power design, usable even at low impedance. this pulse generator module uses an ne555 ic as its primary chip to generate square pulses ranging from 0.6 hz to. Power Supply Pulse Generator.
From www.semanticscholar.org
Figure 1 from Diode Opening Switch Based Nanosecond High Voltage Pulse Generators for Biological Power Supply Pulse Generator High power design, usable even at low impedance. powerful, flexible testing solutions. this pulse generator module uses an ne555 ic as its primary chip to generate square pulses ranging from 0.6 hz to 300 khz. And, it is equipped with five jumpers. All solid state for high reliability and long life. achieves high speed operation with 50khz. Power Supply Pulse Generator.
From www.rmcybernetics.com
Power Pulse Modulator PWMOCXi v2.2 Advanced PWM Circuit for HV Power Supply Pulse Generator And, it is equipped with five jumpers. High power design, usable even at low impedance. achieves high speed operation with 50khz repetition frequency. All solid state for high reliability and long life. this pulse generator module uses an ne555 ic as its primary chip to generate square pulses ranging from 0.6 hz to 300 khz. powerful, flexible. Power Supply Pulse Generator.
From www.indiamart.com
Pulse Generator at Rs 7000 High Voltage Pulse Generator in Bengaluru ID 13326094933 Power Supply Pulse Generator All solid state for high reliability and long life. powerful, flexible testing solutions. this pulse generator module uses an ne555 ic as its primary chip to generate square pulses ranging from 0.6 hz to 300 khz. achieves high speed operation with 50khz repetition frequency. High power design, usable even at low impedance. And, it is equipped with. Power Supply Pulse Generator.
From www.researchgate.net
Schematic diagram of the highvoltage pulse generator and a... Download Scientific Diagram Power Supply Pulse Generator achieves high speed operation with 50khz repetition frequency. All solid state for high reliability and long life. this pulse generator module uses an ne555 ic as its primary chip to generate square pulses ranging from 0.6 hz to 300 khz. powerful, flexible testing solutions. And, it is equipped with five jumpers. High power design, usable even at. Power Supply Pulse Generator.
From preciserf.com
TDR CableScout Pulse Generator PreciseRF Power Supply Pulse Generator powerful, flexible testing solutions. High power design, usable even at low impedance. achieves high speed operation with 50khz repetition frequency. And, it is equipped with five jumpers. All solid state for high reliability and long life. this pulse generator module uses an ne555 ic as its primary chip to generate square pulses ranging from 0.6 hz to. Power Supply Pulse Generator.
From electronicsarea.com
High current pulse generator Electronics Area Power Supply Pulse Generator powerful, flexible testing solutions. High power design, usable even at low impedance. All solid state for high reliability and long life. achieves high speed operation with 50khz repetition frequency. this pulse generator module uses an ne555 ic as its primary chip to generate square pulses ranging from 0.6 hz to 300 khz. And, it is equipped with. Power Supply Pulse Generator.
From www.reddit.com
High voltage pulse generator. r/electronics Power Supply Pulse Generator High power design, usable even at low impedance. All solid state for high reliability and long life. And, it is equipped with five jumpers. achieves high speed operation with 50khz repetition frequency. powerful, flexible testing solutions. this pulse generator module uses an ne555 ic as its primary chip to generate square pulses ranging from 0.6 hz to. Power Supply Pulse Generator.
From cc-globaltech.com
MODEL 5074 / 4 Ch. High Current Pulse Generator (25 amps/45 V) Power Supply Pulse Generator And, it is equipped with five jumpers. achieves high speed operation with 50khz repetition frequency. All solid state for high reliability and long life. powerful, flexible testing solutions. this pulse generator module uses an ne555 ic as its primary chip to generate square pulses ranging from 0.6 hz to 300 khz. High power design, usable even at. Power Supply Pulse Generator.
From www.skyblue.de
EHT Pulse Generators High Voltage, Bipolar, and Unipolar Arbitrary Power Supply Pulse Generator All solid state for high reliability and long life. And, it is equipped with five jumpers. powerful, flexible testing solutions. this pulse generator module uses an ne555 ic as its primary chip to generate square pulses ranging from 0.6 hz to 300 khz. achieves high speed operation with 50khz repetition frequency. High power design, usable even at. Power Supply Pulse Generator.
From www.atecorp.com
Keysight 8082A Pulse Pattern Generators Rentals Power Supply Pulse Generator achieves high speed operation with 50khz repetition frequency. powerful, flexible testing solutions. And, it is equipped with five jumpers. High power design, usable even at low impedance. this pulse generator module uses an ne555 ic as its primary chip to generate square pulses ranging from 0.6 hz to 300 khz. All solid state for high reliability and. Power Supply Pulse Generator.
From www.indiamart.com
Pulse Generators at best price in Indore by Scientific Mes Technik Pvt. Ltd. ID 9914541812 Power Supply Pulse Generator High power design, usable even at low impedance. this pulse generator module uses an ne555 ic as its primary chip to generate square pulses ranging from 0.6 hz to 300 khz. achieves high speed operation with 50khz repetition frequency. And, it is equipped with five jumpers. All solid state for high reliability and long life. powerful, flexible. Power Supply Pulse Generator.
From www.circuits-diy.com
555 Pulse Generator Circuit PWM Power Supply Pulse Generator All solid state for high reliability and long life. High power design, usable even at low impedance. powerful, flexible testing solutions. achieves high speed operation with 50khz repetition frequency. And, it is equipped with five jumpers. this pulse generator module uses an ne555 ic as its primary chip to generate square pulses ranging from 0.6 hz to. Power Supply Pulse Generator.
From hofstragroup.com
Directed Energy Inc. HV1000 High Voltage Pulse Generator DEI HV1000N Power Supply Pulse Generator this pulse generator module uses an ne555 ic as its primary chip to generate square pulses ranging from 0.6 hz to 300 khz. powerful, flexible testing solutions. All solid state for high reliability and long life. achieves high speed operation with 50khz repetition frequency. And, it is equipped with five jumpers. High power design, usable even at. Power Supply Pulse Generator.
From www.licengine.com
Ultra High Speed Pulser & Pulse Generator LS1000 Power Supply Pulse Generator And, it is equipped with five jumpers. achieves high speed operation with 50khz repetition frequency. High power design, usable even at low impedance. this pulse generator module uses an ne555 ic as its primary chip to generate square pulses ranging from 0.6 hz to 300 khz. powerful, flexible testing solutions. All solid state for high reliability and. Power Supply Pulse Generator.
From anthropology.iresearchnet.com
Home Improvement Switching Power Supply 500W ozone generator power supply 110V/220V high Power Supply Pulse Generator And, it is equipped with five jumpers. this pulse generator module uses an ne555 ic as its primary chip to generate square pulses ranging from 0.6 hz to 300 khz. High power design, usable even at low impedance. powerful, flexible testing solutions. achieves high speed operation with 50khz repetition frequency. All solid state for high reliability and. Power Supply Pulse Generator.
From www.licengine.com
High Current Pulse Generator LSP500XKXX LIC Engineering Power Supply Pulse Generator High power design, usable even at low impedance. this pulse generator module uses an ne555 ic as its primary chip to generate square pulses ranging from 0.6 hz to 300 khz. powerful, flexible testing solutions. And, it is equipped with five jumpers. achieves high speed operation with 50khz repetition frequency. All solid state for high reliability and. Power Supply Pulse Generator.
From www.instructables.com
Pulse Generator 9 Steps (with Pictures) Instructables Power Supply Pulse Generator High power design, usable even at low impedance. All solid state for high reliability and long life. And, it is equipped with five jumpers. achieves high speed operation with 50khz repetition frequency. powerful, flexible testing solutions. this pulse generator module uses an ne555 ic as its primary chip to generate square pulses ranging from 0.6 hz to. Power Supply Pulse Generator.
From schematiclistnose101.z22.web.core.windows.net
High Voltage Pulse Generator Circuit Diagram Power Supply Pulse Generator And, it is equipped with five jumpers. this pulse generator module uses an ne555 ic as its primary chip to generate square pulses ranging from 0.6 hz to 300 khz. powerful, flexible testing solutions. achieves high speed operation with 50khz repetition frequency. High power design, usable even at low impedance. All solid state for high reliability and. Power Supply Pulse Generator.
From www.researchgate.net
Composite pulse power supply circuit model and physical diagram. a... Download Scientific Diagram Power Supply Pulse Generator achieves high speed operation with 50khz repetition frequency. this pulse generator module uses an ne555 ic as its primary chip to generate square pulses ranging from 0.6 hz to 300 khz. High power design, usable even at low impedance. All solid state for high reliability and long life. powerful, flexible testing solutions. And, it is equipped with. Power Supply Pulse Generator.