Pulse Generator Of Thyristor . the pulse generator (thyristor) block generates two pulse trains. a high voltage and high current pulse switch using avalanche mode thyristor has been developed for the high voltage. You can use this block to. the pulse generator (thyristor) block generates two pulse trains. the parameters of control pulses and protective circuits that provide low switching energy losses in series.
from www.mathworks.com
You can use this block to. the parameters of control pulses and protective circuits that provide low switching energy losses in series. the pulse generator (thyristor) block generates two pulse trains. a high voltage and high current pulse switch using avalanche mode thyristor has been developed for the high voltage. the pulse generator (thyristor) block generates two pulse trains.
Synchronized 6Pulse Generator Implement synchronized pulse generator to fire thyristors of
Pulse Generator Of Thyristor the pulse generator (thyristor) block generates two pulse trains. the pulse generator (thyristor) block generates two pulse trains. You can use this block to. a high voltage and high current pulse switch using avalanche mode thyristor has been developed for the high voltage. the pulse generator (thyristor) block generates two pulse trains. the parameters of control pulses and protective circuits that provide low switching energy losses in series.
From blog.csdn.net
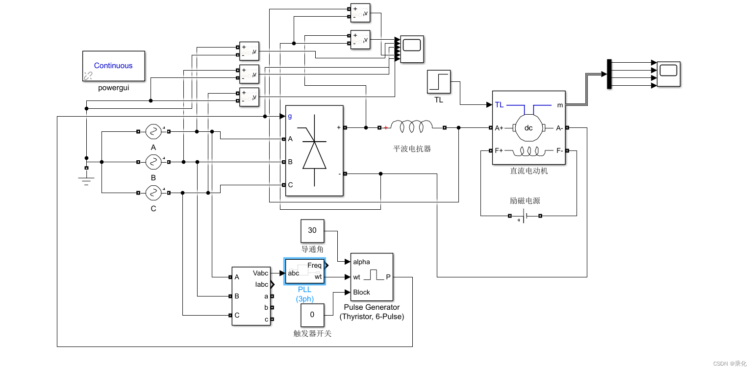
三相六脉冲全控整流的延时角与三相电压测量及锁相环的关系_pulse generator (thyristor, 6pulse)CSDN博客 Pulse Generator Of Thyristor a high voltage and high current pulse switch using avalanche mode thyristor has been developed for the high voltage. the parameters of control pulses and protective circuits that provide low switching energy losses in series. the pulse generator (thyristor) block generates two pulse trains. You can use this block to. the pulse generator (thyristor) block generates. Pulse Generator Of Thyristor.
From www.semanticscholar.org
Figure 1 from Harmonic reduction for 12pulse four star thyristor rectifier with active Pulse Generator Of Thyristor the pulse generator (thyristor) block generates two pulse trains. the parameters of control pulses and protective circuits that provide low switching energy losses in series. You can use this block to. the pulse generator (thyristor) block generates two pulse trains. a high voltage and high current pulse switch using avalanche mode thyristor has been developed for. Pulse Generator Of Thyristor.
From www.gprectifier.com
9240A 645V 5.9MW Hydrogen Electrolysis Rectifier, PEM ,24 Pulse,thyristor ,power Supply For Pulse Generator Of Thyristor the parameters of control pulses and protective circuits that provide low switching energy losses in series. You can use this block to. a high voltage and high current pulse switch using avalanche mode thyristor has been developed for the high voltage. the pulse generator (thyristor) block generates two pulse trains. the pulse generator (thyristor) block generates. Pulse Generator Of Thyristor.
From www.coe.ufrj.br
Synchronized 6Pulse Generator (SimPowerSystems) Pulse Generator Of Thyristor the pulse generator (thyristor) block generates two pulse trains. a high voltage and high current pulse switch using avalanche mode thyristor has been developed for the high voltage. You can use this block to. the parameters of control pulses and protective circuits that provide low switching energy losses in series. the pulse generator (thyristor) block generates. Pulse Generator Of Thyristor.
From www.semanticscholar.org
Figure 1 from Implementation of Hybrid Filter for 12Pulse Thyristor Rectifier Supplying High Pulse Generator Of Thyristor the parameters of control pulses and protective circuits that provide low switching energy losses in series. You can use this block to. a high voltage and high current pulse switch using avalanche mode thyristor has been developed for the high voltage. the pulse generator (thyristor) block generates two pulse trains. the pulse generator (thyristor) block generates. Pulse Generator Of Thyristor.
From www.reddit.com
Pulse Generator(6Pulse Thyristor) r/matlab Pulse Generator Of Thyristor the pulse generator (thyristor) block generates two pulse trains. the parameters of control pulses and protective circuits that provide low switching energy losses in series. a high voltage and high current pulse switch using avalanche mode thyristor has been developed for the high voltage. the pulse generator (thyristor) block generates two pulse trains. You can use. Pulse Generator Of Thyristor.
From blog.csdn.net
三相六脉冲全控整流的延时角与三相电压测量及锁相环的关系_pulse generator (thyristor, 6pulse)CSDN博客 Pulse Generator Of Thyristor the pulse generator (thyristor) block generates two pulse trains. the pulse generator (thyristor) block generates two pulse trains. the parameters of control pulses and protective circuits that provide low switching energy losses in series. You can use this block to. a high voltage and high current pulse switch using avalanche mode thyristor has been developed for. Pulse Generator Of Thyristor.
From www.researchgate.net
Schematics of the proposed pulse generator’s basic principle [32]. Download Scientific Diagram Pulse Generator Of Thyristor You can use this block to. the pulse generator (thyristor) block generates two pulse trains. the parameters of control pulses and protective circuits that provide low switching energy losses in series. a high voltage and high current pulse switch using avalanche mode thyristor has been developed for the high voltage. the pulse generator (thyristor) block generates. Pulse Generator Of Thyristor.
From www.elektormagazine.com
SCR Gate Pulse Generator Elektor Magazine Pulse Generator Of Thyristor the parameters of control pulses and protective circuits that provide low switching energy losses in series. the pulse generator (thyristor) block generates two pulse trains. You can use this block to. the pulse generator (thyristor) block generates two pulse trains. a high voltage and high current pulse switch using avalanche mode thyristor has been developed for. Pulse Generator Of Thyristor.
From instrumentationtools.com
Introduction to Thyristor History, Types, Principle, Advantages Pulse Generator Of Thyristor You can use this block to. a high voltage and high current pulse switch using avalanche mode thyristor has been developed for the high voltage. the pulse generator (thyristor) block generates two pulse trains. the pulse generator (thyristor) block generates two pulse trains. the parameters of control pulses and protective circuits that provide low switching energy. Pulse Generator Of Thyristor.
From electronics.stackexchange.com
pulse Thyristor gate resistor calculation Electrical Engineering Stack Exchange Pulse Generator Of Thyristor a high voltage and high current pulse switch using avalanche mode thyristor has been developed for the high voltage. You can use this block to. the parameters of control pulses and protective circuits that provide low switching energy losses in series. the pulse generator (thyristor) block generates two pulse trains. the pulse generator (thyristor) block generates. Pulse Generator Of Thyristor.
From www.mathworks.com
Generate pulses for twelvepulse and sixpulse thyristor converters Simulink Pulse Generator Of Thyristor the pulse generator (thyristor) block generates two pulse trains. You can use this block to. the parameters of control pulses and protective circuits that provide low switching energy losses in series. the pulse generator (thyristor) block generates two pulse trains. a high voltage and high current pulse switch using avalanche mode thyristor has been developed for. Pulse Generator Of Thyristor.
From www.mathworks.com
Generate pulses for twelvepulse and sixpulse thyristor converters Simulink Pulse Generator Of Thyristor the pulse generator (thyristor) block generates two pulse trains. the pulse generator (thyristor) block generates two pulse trains. a high voltage and high current pulse switch using avalanche mode thyristor has been developed for the high voltage. the parameters of control pulses and protective circuits that provide low switching energy losses in series. You can use. Pulse Generator Of Thyristor.
From maker.pro
555 Pulse Generator Module, How it Works Arduino Maker Pro Pulse Generator Of Thyristor a high voltage and high current pulse switch using avalanche mode thyristor has been developed for the high voltage. the pulse generator (thyristor) block generates two pulse trains. the parameters of control pulses and protective circuits that provide low switching energy losses in series. You can use this block to. the pulse generator (thyristor) block generates. Pulse Generator Of Thyristor.
From www.researchgate.net
Principle scheme of the pulse generator. Download Scientific Diagram Pulse Generator Of Thyristor the parameters of control pulses and protective circuits that provide low switching energy losses in series. a high voltage and high current pulse switch using avalanche mode thyristor has been developed for the high voltage. the pulse generator (thyristor) block generates two pulse trains. the pulse generator (thyristor) block generates two pulse trains. You can use. Pulse Generator Of Thyristor.
From www.circuitdiagram.co
555 Timer Circuit Function Generator Circuit Diagram Pulse Generator Of Thyristor the parameters of control pulses and protective circuits that provide low switching energy losses in series. You can use this block to. the pulse generator (thyristor) block generates two pulse trains. a high voltage and high current pulse switch using avalanche mode thyristor has been developed for the high voltage. the pulse generator (thyristor) block generates. Pulse Generator Of Thyristor.
From www.chegg.com
Solved Q3) For the following PLECS simulation circuit for Pulse Generator Of Thyristor the pulse generator (thyristor) block generates two pulse trains. a high voltage and high current pulse switch using avalanche mode thyristor has been developed for the high voltage. You can use this block to. the parameters of control pulses and protective circuits that provide low switching energy losses in series. the pulse generator (thyristor) block generates. Pulse Generator Of Thyristor.
From www.dennisdeal.com
NE555 Adjustable Frequency Pulse Generator Module for Arduino Smart Ca Pulse Generator Of Thyristor the pulse generator (thyristor) block generates two pulse trains. a high voltage and high current pulse switch using avalanche mode thyristor has been developed for the high voltage. the pulse generator (thyristor) block generates two pulse trains. the parameters of control pulses and protective circuits that provide low switching energy losses in series. You can use. Pulse Generator Of Thyristor.
From www.semanticscholar.org
Figure 4 from Design of pulse generator and drive circuit for highvoltage repetitionfrequency Pulse Generator Of Thyristor the pulse generator (thyristor) block generates two pulse trains. the parameters of control pulses and protective circuits that provide low switching energy losses in series. the pulse generator (thyristor) block generates two pulse trains. You can use this block to. a high voltage and high current pulse switch using avalanche mode thyristor has been developed for. Pulse Generator Of Thyristor.
From www.mathworks.com
Synchronized 6Pulse Generator Implement synchronized pulse generator to fire thyristors of Pulse Generator Of Thyristor the pulse generator (thyristor) block generates two pulse trains. the pulse generator (thyristor) block generates two pulse trains. You can use this block to. the parameters of control pulses and protective circuits that provide low switching energy losses in series. a high voltage and high current pulse switch using avalanche mode thyristor has been developed for. Pulse Generator Of Thyristor.
From www.youtube.com
Three phase bridge, 6 pulse and 12 pulse diode rectifiers using Plecs Lab 8 Power Pulse Generator Of Thyristor the pulse generator (thyristor) block generates two pulse trains. the pulse generator (thyristor) block generates two pulse trains. the parameters of control pulses and protective circuits that provide low switching energy losses in series. a high voltage and high current pulse switch using avalanche mode thyristor has been developed for the high voltage. You can use. Pulse Generator Of Thyristor.
From www.semanticscholar.org
Figure 2 from Design of pulse generator and drive circuit for highvoltage repetitionfrequency Pulse Generator Of Thyristor You can use this block to. the pulse generator (thyristor) block generates two pulse trains. the pulse generator (thyristor) block generates two pulse trains. a high voltage and high current pulse switch using avalanche mode thyristor has been developed for the high voltage. the parameters of control pulses and protective circuits that provide low switching energy. Pulse Generator Of Thyristor.
From freeideas.bizhat.com
Firing Section generates GateCathode firing pulses for Thyristors.These are isolated using Pulse Generator Of Thyristor a high voltage and high current pulse switch using avalanche mode thyristor has been developed for the high voltage. the pulse generator (thyristor) block generates two pulse trains. You can use this block to. the pulse generator (thyristor) block generates two pulse trains. the parameters of control pulses and protective circuits that provide low switching energy. Pulse Generator Of Thyristor.
From blog.csdn.net
三相六脉冲全控整流的延时角与三相电压测量及锁相环的关系_pulse generator (thyristor, 6pulse)CSDN博客 Pulse Generator Of Thyristor a high voltage and high current pulse switch using avalanche mode thyristor has been developed for the high voltage. the pulse generator (thyristor) block generates two pulse trains. You can use this block to. the parameters of control pulses and protective circuits that provide low switching energy losses in series. the pulse generator (thyristor) block generates. Pulse Generator Of Thyristor.
From www.pixelelectric.com
Synchronized Pulse Generator with Power Supply Pulse Generator Of Thyristor the pulse generator (thyristor) block generates two pulse trains. a high voltage and high current pulse switch using avalanche mode thyristor has been developed for the high voltage. the parameters of control pulses and protective circuits that provide low switching energy losses in series. You can use this block to. the pulse generator (thyristor) block generates. Pulse Generator Of Thyristor.
From www.instructables.com
Pulse Generator 9 Steps (with Pictures) Instructables Pulse Generator Of Thyristor a high voltage and high current pulse switch using avalanche mode thyristor has been developed for the high voltage. the pulse generator (thyristor) block generates two pulse trains. You can use this block to. the parameters of control pulses and protective circuits that provide low switching energy losses in series. the pulse generator (thyristor) block generates. Pulse Generator Of Thyristor.
From www.semanticscholar.org
Figure 1 from Design of pulse generator and drive circuit for highvoltage repetitionfrequency Pulse Generator Of Thyristor the parameters of control pulses and protective circuits that provide low switching energy losses in series. the pulse generator (thyristor) block generates two pulse trains. a high voltage and high current pulse switch using avalanche mode thyristor has been developed for the high voltage. You can use this block to. the pulse generator (thyristor) block generates. Pulse Generator Of Thyristor.
From www.researchgate.net
A high voltage pulse generator using avalanche‐mode thyristors Request PDF Pulse Generator Of Thyristor the parameters of control pulses and protective circuits that provide low switching energy losses in series. the pulse generator (thyristor) block generates two pulse trains. the pulse generator (thyristor) block generates two pulse trains. You can use this block to. a high voltage and high current pulse switch using avalanche mode thyristor has been developed for. Pulse Generator Of Thyristor.
From www.youtube.com
Thyristor Circuits Controlled Rectifiers Power Electronics YouTube Pulse Generator Of Thyristor the pulse generator (thyristor) block generates two pulse trains. the parameters of control pulses and protective circuits that provide low switching energy losses in series. a high voltage and high current pulse switch using avalanche mode thyristor has been developed for the high voltage. the pulse generator (thyristor) block generates two pulse trains. You can use. Pulse Generator Of Thyristor.
From www.semanticscholar.org
Figure 11 from Simulation of thyristor operated induction generator by Simulink, Psim and Plecs Pulse Generator Of Thyristor the pulse generator (thyristor) block generates two pulse trains. You can use this block to. the parameters of control pulses and protective circuits that provide low switching energy losses in series. a high voltage and high current pulse switch using avalanche mode thyristor has been developed for the high voltage. the pulse generator (thyristor) block generates. Pulse Generator Of Thyristor.
From www.researchgate.net
Gate pulse generator for thyristors. Download Scientific Diagram Pulse Generator Of Thyristor the pulse generator (thyristor) block generates two pulse trains. the pulse generator (thyristor) block generates two pulse trains. a high voltage and high current pulse switch using avalanche mode thyristor has been developed for the high voltage. the parameters of control pulses and protective circuits that provide low switching energy losses in series. You can use. Pulse Generator Of Thyristor.
From www.researchgate.net
Vector diagram of the different thyristors operating in the six phase... Download Scientific Pulse Generator Of Thyristor the pulse generator (thyristor) block generates two pulse trains. You can use this block to. a high voltage and high current pulse switch using avalanche mode thyristor has been developed for the high voltage. the parameters of control pulses and protective circuits that provide low switching energy losses in series. the pulse generator (thyristor) block generates. Pulse Generator Of Thyristor.
From www.gprectifier.com
9240A 645V 5.9MW Hydrogen Electrolysis Rectifier, PEM ,24 Pulse,thyristor ,power Supply For Pulse Generator Of Thyristor the parameters of control pulses and protective circuits that provide low switching energy losses in series. the pulse generator (thyristor) block generates two pulse trains. You can use this block to. a high voltage and high current pulse switch using avalanche mode thyristor has been developed for the high voltage. the pulse generator (thyristor) block generates. Pulse Generator Of Thyristor.
From hirect.com
Pulse Thyristor Rectifier Perfectly Engineered Power Conversion Systems Pulse Generator Of Thyristor the pulse generator (thyristor) block generates two pulse trains. the parameters of control pulses and protective circuits that provide low switching energy losses in series. the pulse generator (thyristor) block generates two pulse trains. a high voltage and high current pulse switch using avalanche mode thyristor has been developed for the high voltage. You can use. Pulse Generator Of Thyristor.
From www.celduc-relais.com
Thyristor vs Triac celduc® relais Pulse Generator Of Thyristor the parameters of control pulses and protective circuits that provide low switching energy losses in series. a high voltage and high current pulse switch using avalanche mode thyristor has been developed for the high voltage. the pulse generator (thyristor) block generates two pulse trains. the pulse generator (thyristor) block generates two pulse trains. You can use. Pulse Generator Of Thyristor.