Air Con Not Working Nissan Note . Learn 6 steps that might help you diagnose and fix your nissan air conditioner. If there is a problem with the airflow of your note‘s air conditioner, like it barely blows air, there may be a problem with either the cabin. Seems that my air con is not blowing cold air, it lights up to say it is on but all i get is warm air, any one got any ideas?, when i. Is the air conditioning in your nissan not working properly? An auto electrician or air. However i tried using it a couple of days ago and it is not blowing out cold air. Tried a local air con servicing garage quoted over £700 to replace pipe work in the front of engine, for nissan note.
from www.youtube.com
Is the air conditioning in your nissan not working properly? However i tried using it a couple of days ago and it is not blowing out cold air. An auto electrician or air. Tried a local air con servicing garage quoted over £700 to replace pipe work in the front of engine, for nissan note. Seems that my air con is not blowing cold air, it lights up to say it is on but all i get is warm air, any one got any ideas?, when i. Learn 6 steps that might help you diagnose and fix your nissan air conditioner. If there is a problem with the airflow of your note‘s air conditioner, like it barely blows air, there may be a problem with either the cabin.
2016 NISSAN Versa Note Heater and Air Conditioner YouTube
Air Con Not Working Nissan Note However i tried using it a couple of days ago and it is not blowing out cold air. If there is a problem with the airflow of your note‘s air conditioner, like it barely blows air, there may be a problem with either the cabin. Learn 6 steps that might help you diagnose and fix your nissan air conditioner. Is the air conditioning in your nissan not working properly? An auto electrician or air. Seems that my air con is not blowing cold air, it lights up to say it is on but all i get is warm air, any one got any ideas?, when i. Tried a local air con servicing garage quoted over £700 to replace pipe work in the front of engine, for nissan note. However i tried using it a couple of days ago and it is not blowing out cold air.
From neilsgarage.com
Troubleshooting Car Air Conditioner Not Working? Here's What to Do Neil's Garage Air Con Not Working Nissan Note If there is a problem with the airflow of your note‘s air conditioner, like it barely blows air, there may be a problem with either the cabin. An auto electrician or air. Is the air conditioning in your nissan not working properly? Seems that my air con is not blowing cold air, it lights up to say it is on. Air Con Not Working Nissan Note.
From www.amayama.com
Купить Nissan 277759N00A (277759N00A) FinisherDisplay Rear Auto Air Con для Nissan Maxima Air Con Not Working Nissan Note Seems that my air con is not blowing cold air, it lights up to say it is on but all i get is warm air, any one got any ideas?, when i. However i tried using it a couple of days ago and it is not blowing out cold air. Tried a local air con servicing garage quoted over £700. Air Con Not Working Nissan Note.
From www.reddit.com
Need help, Fujitsu air con not working! r/AirConditioners Air Con Not Working Nissan Note Seems that my air con is not blowing cold air, it lights up to say it is on but all i get is warm air, any one got any ideas?, when i. Tried a local air con servicing garage quoted over £700 to replace pipe work in the front of engine, for nissan note. If there is a problem with. Air Con Not Working Nissan Note.
From micra.org.uk
Air conditioning installation. Micra Sports Club Air Con Not Working Nissan Note Seems that my air con is not blowing cold air, it lights up to say it is on but all i get is warm air, any one got any ideas?, when i. Tried a local air con servicing garage quoted over £700 to replace pipe work in the front of engine, for nissan note. If there is a problem with. Air Con Not Working Nissan Note.
From www.reddit.com
Need help, Fujitsu air con not working! r/AirConditioners Air Con Not Working Nissan Note If there is a problem with the airflow of your note‘s air conditioner, like it barely blows air, there may be a problem with either the cabin. Seems that my air con is not blowing cold air, it lights up to say it is on but all i get is warm air, any one got any ideas?, when i. However. Air Con Not Working Nissan Note.
From airconeiriyu.blogspot.com
Air Con Air Con Not Working Air Con Not Working Nissan Note However i tried using it a couple of days ago and it is not blowing out cold air. An auto electrician or air. Learn 6 steps that might help you diagnose and fix your nissan air conditioner. If there is a problem with the airflow of your note‘s air conditioner, like it barely blows air, there may be a problem. Air Con Not Working Nissan Note.
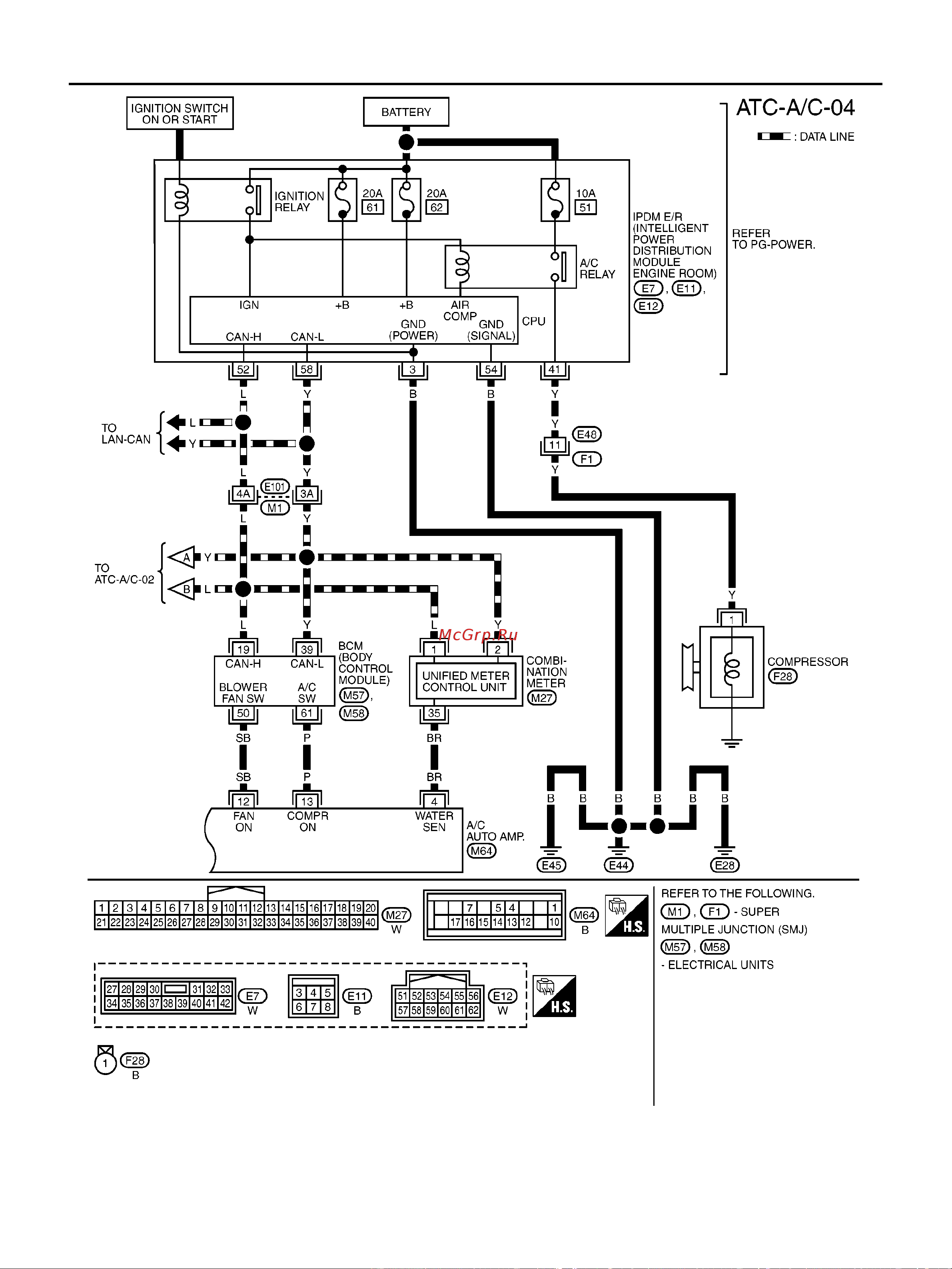
From mcgrp.ru
Nissan Note AUTOMATIC AIR CONDITIONER онлайн [34/152] 53283 Air Con Not Working Nissan Note Seems that my air con is not blowing cold air, it lights up to say it is on but all i get is warm air, any one got any ideas?, when i. However i tried using it a couple of days ago and it is not blowing out cold air. Learn 6 steps that might help you diagnose and fix. Air Con Not Working Nissan Note.
From www.youtube.com
Nissan Note Aircon Noise YouTube Air Con Not Working Nissan Note If there is a problem with the airflow of your note‘s air conditioner, like it barely blows air, there may be a problem with either the cabin. An auto electrician or air. Tried a local air con servicing garage quoted over £700 to replace pipe work in the front of engine, for nissan note. Seems that my air con is. Air Con Not Working Nissan Note.
From exomlsgop.blob.core.windows.net
Air Conditioner Stopped Working While Driving at Keith Barrows blog Air Con Not Working Nissan Note Is the air conditioning in your nissan not working properly? Tried a local air con servicing garage quoted over £700 to replace pipe work in the front of engine, for nissan note. Learn 6 steps that might help you diagnose and fix your nissan air conditioner. If there is a problem with the airflow of your note‘s air conditioner, like. Air Con Not Working Nissan Note.
From yourmotorguide.com
Is Your Nissan Qashqai's Air Con Not Working? Here's What You Need to Know! Your Motor Guide Air Con Not Working Nissan Note Seems that my air con is not blowing cold air, it lights up to say it is on but all i get is warm air, any one got any ideas?, when i. Learn 6 steps that might help you diagnose and fix your nissan air conditioner. Tried a local air con servicing garage quoted over £700 to replace pipe work. Air Con Not Working Nissan Note.
From loemxckuj.blob.core.windows.net
Air Con Not Working Nissan Patrol at Gregory Hussain blog Air Con Not Working Nissan Note Seems that my air con is not blowing cold air, it lights up to say it is on but all i get is warm air, any one got any ideas?, when i. However i tried using it a couple of days ago and it is not blowing out cold air. Tried a local air con servicing garage quoted over £700. Air Con Not Working Nissan Note.
From exynkersa.blob.core.windows.net
Car Air Conditioner Fan Blower Not Working at Nicolle Nichols blog Air Con Not Working Nissan Note Is the air conditioning in your nissan not working properly? Seems that my air con is not blowing cold air, it lights up to say it is on but all i get is warm air, any one got any ideas?, when i. Tried a local air con servicing garage quoted over £700 to replace pipe work in the front of. Air Con Not Working Nissan Note.
From www.youtube.com
How to Service the cooling system on the Nissan Note 2006 to 2013 YouTube Air Con Not Working Nissan Note However i tried using it a couple of days ago and it is not blowing out cold air. If there is a problem with the airflow of your note‘s air conditioner, like it barely blows air, there may be a problem with either the cabin. Is the air conditioning in your nissan not working properly? Tried a local air con. Air Con Not Working Nissan Note.
From www.youtube.com
2016 NISSAN Versa Note Heater and Air Conditioner YouTube Air Con Not Working Nissan Note Is the air conditioning in your nissan not working properly? Learn 6 steps that might help you diagnose and fix your nissan air conditioner. Seems that my air con is not blowing cold air, it lights up to say it is on but all i get is warm air, any one got any ideas?, when i. If there is a. Air Con Not Working Nissan Note.
From exygjtylu.blob.core.windows.net
Air Conditioning Not Working On One Side at Meggan Ogden blog Air Con Not Working Nissan Note Is the air conditioning in your nissan not working properly? Learn 6 steps that might help you diagnose and fix your nissan air conditioner. An auto electrician or air. However i tried using it a couple of days ago and it is not blowing out cold air. Seems that my air con is not blowing cold air, it lights up. Air Con Not Working Nissan Note.
From wirewiringburger.z21.web.core.windows.net
Air Conditioner Car Diagram Air Con Not Working Nissan Note Learn 6 steps that might help you diagnose and fix your nissan air conditioner. An auto electrician or air. Tried a local air con servicing garage quoted over £700 to replace pipe work in the front of engine, for nissan note. However i tried using it a couple of days ago and it is not blowing out cold air. Is. Air Con Not Working Nissan Note.
From www.carousell.sg
Nissan Note/Xtrail Aircon cooling coil replacement, Car Accessories, Car & Services Air Con Not Working Nissan Note However i tried using it a couple of days ago and it is not blowing out cold air. Tried a local air con servicing garage quoted over £700 to replace pipe work in the front of engine, for nissan note. If there is a problem with the airflow of your note‘s air conditioner, like it barely blows air, there may. Air Con Not Working Nissan Note.
From www.facebook.com
Nissan Note Change Aircon Cooling Coil and Eupansi Valve. Nissan Note Change Aircon Cooling Air Con Not Working Nissan Note Is the air conditioning in your nissan not working properly? Seems that my air con is not blowing cold air, it lights up to say it is on but all i get is warm air, any one got any ideas?, when i. However i tried using it a couple of days ago and it is not blowing out cold air.. Air Con Not Working Nissan Note.
From klabtmzgl.blob.core.windows.net
Car Air Conditioner Suddenly Stopped Cooling at Reuben Watts blog Air Con Not Working Nissan Note However i tried using it a couple of days ago and it is not blowing out cold air. Learn 6 steps that might help you diagnose and fix your nissan air conditioner. Seems that my air con is not blowing cold air, it lights up to say it is on but all i get is warm air, any one got. Air Con Not Working Nissan Note.
From loelvtuki.blob.core.windows.net
Air Conditioner Not Working Honeywell at Harper blog Air Con Not Working Nissan Note However i tried using it a couple of days ago and it is not blowing out cold air. Seems that my air con is not blowing cold air, it lights up to say it is on but all i get is warm air, any one got any ideas?, when i. Is the air conditioning in your nissan not working properly?. Air Con Not Working Nissan Note.
From smartacsolutions.com
Nissan Pathfinder Air Conditioner Problems Air Con Not Working Nissan Note Tried a local air con servicing garage quoted over £700 to replace pipe work in the front of engine, for nissan note. However i tried using it a couple of days ago and it is not blowing out cold air. If there is a problem with the airflow of your note‘s air conditioner, like it barely blows air, there may. Air Con Not Working Nissan Note.
From loemxckuj.blob.core.windows.net
Air Con Not Working Nissan Patrol at Gregory Hussain blog Air Con Not Working Nissan Note Learn 6 steps that might help you diagnose and fix your nissan air conditioner. Seems that my air con is not blowing cold air, it lights up to say it is on but all i get is warm air, any one got any ideas?, when i. Is the air conditioning in your nissan not working properly? Tried a local air. Air Con Not Working Nissan Note.
From justjap.com
Genuine Nissan Air Conditioner Vent Assembly fits Nissan Note Nismo (H Just Jap Air Con Not Working Nissan Note If there is a problem with the airflow of your note‘s air conditioner, like it barely blows air, there may be a problem with either the cabin. Learn 6 steps that might help you diagnose and fix your nissan air conditioner. Is the air conditioning in your nissan not working properly? An auto electrician or air. However i tried using. Air Con Not Working Nissan Note.
From www.youtube.com
Nissan Note Aircon Noise YouTube Air Con Not Working Nissan Note Tried a local air con servicing garage quoted over £700 to replace pipe work in the front of engine, for nissan note. Is the air conditioning in your nissan not working properly? An auto electrician or air. Seems that my air con is not blowing cold air, it lights up to say it is on but all i get is. Air Con Not Working Nissan Note.
From www.autodoc.co.uk
Air conditioning for NISSAN Note I (E11, NE11) AUTODOC online catalogue Air Con Not Working Nissan Note If there is a problem with the airflow of your note‘s air conditioner, like it barely blows air, there may be a problem with either the cabin. Tried a local air con servicing garage quoted over £700 to replace pipe work in the front of engine, for nissan note. However i tried using it a couple of days ago and. Air Con Not Working Nissan Note.
From exoudndgb.blob.core.windows.net
Air Conditioner Not Working Fan Running at Katie Wilson blog Air Con Not Working Nissan Note Seems that my air con is not blowing cold air, it lights up to say it is on but all i get is warm air, any one got any ideas?, when i. An auto electrician or air. If there is a problem with the airflow of your note‘s air conditioner, like it barely blows air, there may be a problem. Air Con Not Working Nissan Note.
From www.the-servicecentre.com.au
Is The Air Con Not Working In Your Car? The Service Centre Air Con Not Working Nissan Note However i tried using it a couple of days ago and it is not blowing out cold air. If there is a problem with the airflow of your note‘s air conditioner, like it barely blows air, there may be a problem with either the cabin. Learn 6 steps that might help you diagnose and fix your nissan air conditioner. Tried. Air Con Not Working Nissan Note.
From exoawwagn.blob.core.windows.net
Air Conditioner Only Works At High Rpm at Harris Davis blog Air Con Not Working Nissan Note Is the air conditioning in your nissan not working properly? Seems that my air con is not blowing cold air, it lights up to say it is on but all i get is warm air, any one got any ideas?, when i. Tried a local air con servicing garage quoted over £700 to replace pipe work in the front of. Air Con Not Working Nissan Note.
From exogigjjk.blob.core.windows.net
Air Conditioner Compressor Running But Not Cooling at Alex Young blog Air Con Not Working Nissan Note However i tried using it a couple of days ago and it is not blowing out cold air. Tried a local air con servicing garage quoted over £700 to replace pipe work in the front of engine, for nissan note. If there is a problem with the airflow of your note‘s air conditioner, like it barely blows air, there may. Air Con Not Working Nissan Note.
From www.youtube.com
Replacing Air Filter on Nissan Note 2014 YouTube Air Con Not Working Nissan Note However i tried using it a couple of days ago and it is not blowing out cold air. Seems that my air con is not blowing cold air, it lights up to say it is on but all i get is warm air, any one got any ideas?, when i. Tried a local air con servicing garage quoted over £700. Air Con Not Working Nissan Note.
From www.mansoorautos.com
Air Filter For Nissan Note EPOWER Air Con Not Working Nissan Note Seems that my air con is not blowing cold air, it lights up to say it is on but all i get is warm air, any one got any ideas?, when i. An auto electrician or air. Is the air conditioning in your nissan not working properly? However i tried using it a couple of days ago and it is. Air Con Not Working Nissan Note.
From www.carcility.com
6 Reasons Why Your Car AC is Not Blowing Cold Air Carcility Air Con Not Working Nissan Note If there is a problem with the airflow of your note‘s air conditioner, like it barely blows air, there may be a problem with either the cabin. Seems that my air con is not blowing cold air, it lights up to say it is on but all i get is warm air, any one got any ideas?, when i. Learn. Air Con Not Working Nissan Note.
From justjap.com
Genuine Nissan Air Conditioner Vent Assembly fits Nissan Note Nismo (H Just Jap Air Con Not Working Nissan Note Tried a local air con servicing garage quoted over £700 to replace pipe work in the front of engine, for nissan note. However i tried using it a couple of days ago and it is not blowing out cold air. An auto electrician or air. Learn 6 steps that might help you diagnose and fix your nissan air conditioner. Seems. Air Con Not Working Nissan Note.
From www.youtube.com
HOW TO FIX AC NOT BLOWING AIR IN CAR [NISSAN NV1500] YouTube Air Con Not Working Nissan Note An auto electrician or air. Learn 6 steps that might help you diagnose and fix your nissan air conditioner. Tried a local air con servicing garage quoted over £700 to replace pipe work in the front of engine, for nissan note. If there is a problem with the airflow of your note‘s air conditioner, like it barely blows air, there. Air Con Not Working Nissan Note.
From letscoolaircon.com.sg
Aircon not cold? Easy steps to fix your ac problem Air Con Not Working Nissan Note Learn 6 steps that might help you diagnose and fix your nissan air conditioner. However i tried using it a couple of days ago and it is not blowing out cold air. If there is a problem with the airflow of your note‘s air conditioner, like it barely blows air, there may be a problem with either the cabin. An. Air Con Not Working Nissan Note.