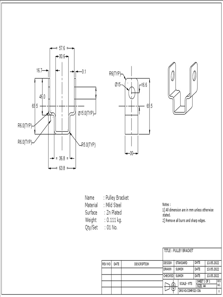
Pulley Bracket Assembly . Assemble the parts with the shaft of position holding the pulley and the washer at face p, collar and pin at face t. Part r is held between the arms of the bracket by the pin s with the point of entry from right to the left. To guide and support belts or chains in material handling. The pulley bracket assembly is commonly used in: Keyway is a groove for a key. Draw, full size, in first angle the: How to draw a bracket of a pulley assembly using autocad inventor / (unisa cad161s tutorial). Key is used to prevent a shaft slipping inside a pulley. Figure 3 shows the detail of a pulley bracket assembly. The pulley bracket assembly comprises several components, each represented by a solidworks part (.sldprt) or assembly (.sldasm) file. Draw full size, in first angle.
from www.troybilt.com
Draw full size, in first angle. How to draw a bracket of a pulley assembly using autocad inventor / (unisa cad161s tutorial). Part r is held between the arms of the bracket by the pin s with the point of entry from right to the left. The pulley bracket assembly is commonly used in: Draw, full size, in first angle the: To guide and support belts or chains in material handling. Keyway is a groove for a key. The pulley bracket assembly comprises several components, each represented by a solidworks part (.sldprt) or assembly (.sldasm) file. Assemble the parts with the shaft of position holding the pulley and the washer at face p, collar and pin at face t. Key is used to prevent a shaft slipping inside a pulley.
Pulley Bracket Assembly 98705143 TroyBilt US
Pulley Bracket Assembly Keyway is a groove for a key. Draw full size, in first angle. How to draw a bracket of a pulley assembly using autocad inventor / (unisa cad161s tutorial). Key is used to prevent a shaft slipping inside a pulley. Figure 3 shows the detail of a pulley bracket assembly. The pulley bracket assembly is commonly used in: Draw, full size, in first angle the: Part r is held between the arms of the bracket by the pin s with the point of entry from right to the left. To guide and support belts or chains in material handling. Keyway is a groove for a key. Assemble the parts with the shaft of position holding the pulley and the washer at face p, collar and pin at face t. The pulley bracket assembly comprises several components, each represented by a solidworks part (.sldprt) or assembly (.sldasm) file.
From www.omniconcepts.com
Modernfold Pulley Bracket Assembly Pulley Bracket Assembly To guide and support belts or chains in material handling. The pulley bracket assembly is commonly used in: Figure 3 shows the detail of a pulley bracket assembly. Part r is held between the arms of the bracket by the pin s with the point of entry from right to the left. Keyway is a groove for a key. Draw,. Pulley Bracket Assembly.
From www.scribd.com
Pulley BracketModel PDF Pulley Bracket Assembly Assemble the parts with the shaft of position holding the pulley and the washer at face p, collar and pin at face t. Part r is held between the arms of the bracket by the pin s with the point of entry from right to the left. To guide and support belts or chains in material handling. Draw full size,. Pulley Bracket Assembly.
From www.youtube.com
pulley bracket assembly tutorial شرح تجميع حامل طاره YouTube Pulley Bracket Assembly How to draw a bracket of a pulley assembly using autocad inventor / (unisa cad161s tutorial). The pulley bracket assembly comprises several components, each represented by a solidworks part (.sldprt) or assembly (.sldasm) file. Key is used to prevent a shaft slipping inside a pulley. The pulley bracket assembly is commonly used in: To guide and support belts or chains. Pulley Bracket Assembly.
From www.youtube.com
pulley bracket assembly animation video YouTube Pulley Bracket Assembly The pulley bracket assembly comprises several components, each represented by a solidworks part (.sldprt) or assembly (.sldasm) file. How to draw a bracket of a pulley assembly using autocad inventor / (unisa cad161s tutorial). Keyway is a groove for a key. Draw, full size, in first angle the: To guide and support belts or chains in material handling. Part r. Pulley Bracket Assembly.
From www.youtube.com
Pully Bracket Assembly Part 1 YouTube Pulley Bracket Assembly Part r is held between the arms of the bracket by the pin s with the point of entry from right to the left. Key is used to prevent a shaft slipping inside a pulley. To guide and support belts or chains in material handling. Figure 3 shows the detail of a pulley bracket assembly. The pulley bracket assembly is. Pulley Bracket Assembly.
From www.youtube.com
Pully Bracket Assembly YouTube Pulley Bracket Assembly How to draw a bracket of a pulley assembly using autocad inventor / (unisa cad161s tutorial). To guide and support belts or chains in material handling. Part r is held between the arms of the bracket by the pin s with the point of entry from right to the left. Draw full size, in first angle. Draw, full size, in. Pulley Bracket Assembly.
From www.youtube.com
Assignment 4 Pulley Bracket Assembly With AutoCAD YouTube Pulley Bracket Assembly Draw full size, in first angle. Keyway is a groove for a key. Assemble the parts with the shaft of position holding the pulley and the washer at face p, collar and pin at face t. Part r is held between the arms of the bracket by the pin s with the point of entry from right to the left.. Pulley Bracket Assembly.
From cadbull.com
Side and section view of pulley with mechanical view dwg file Cadbull Pulley Bracket Assembly Figure 3 shows the detail of a pulley bracket assembly. The pulley bracket assembly is commonly used in: How to draw a bracket of a pulley assembly using autocad inventor / (unisa cad161s tutorial). Keyway is a groove for a key. Key is used to prevent a shaft slipping inside a pulley. Assemble the parts with the shaft of position. Pulley Bracket Assembly.
From www.onlinegaragedoorspares.com
Genuine Pulley & Wall Bracket Assembly RH (SG23013R) OGDS Pulley Bracket Assembly The pulley bracket assembly comprises several components, each represented by a solidworks part (.sldprt) or assembly (.sldasm) file. To guide and support belts or chains in material handling. The pulley bracket assembly is commonly used in: Keyway is a groove for a key. How to draw a bracket of a pulley assembly using autocad inventor / (unisa cad161s tutorial). Part. Pulley Bracket Assembly.
From www.youtube.com
Mechanical Drawing Pulley Bracket 1 YouTube Pulley Bracket Assembly Key is used to prevent a shaft slipping inside a pulley. To guide and support belts or chains in material handling. Figure 3 shows the detail of a pulley bracket assembly. Draw, full size, in first angle the: The pulley bracket assembly comprises several components, each represented by a solidworks part (.sldprt) or assembly (.sldasm) file. Keyway is a groove. Pulley Bracket Assembly.
From www.troybilt.com
Pulley Bracket Assembly 98705143 TroyBilt US Pulley Bracket Assembly To guide and support belts or chains in material handling. Key is used to prevent a shaft slipping inside a pulley. Draw, full size, in first angle the: The pulley bracket assembly is commonly used in: Assemble the parts with the shaft of position holding the pulley and the washer at face p, collar and pin at face t. Keyway. Pulley Bracket Assembly.
From www.youtube.com
How to draw a Bracket of a pulley assembly using autocad Inventor UNISA Pulley Bracket Assembly Draw full size, in first angle. To guide and support belts or chains in material handling. The pulley bracket assembly is commonly used in: Figure 3 shows the detail of a pulley bracket assembly. Part r is held between the arms of the bracket by the pin s with the point of entry from right to the left. Key is. Pulley Bracket Assembly.
From www.youtube.com
Pully Bracket Assembly Part 3 (Bracket Drawing) YouTube Pulley Bracket Assembly Figure 3 shows the detail of a pulley bracket assembly. The pulley bracket assembly is commonly used in: Part r is held between the arms of the bracket by the pin s with the point of entry from right to the left. Assemble the parts with the shaft of position holding the pulley and the washer at face p, collar. Pulley Bracket Assembly.
From grabcad.com
Free CAD Designs, Files & 3D Models The GrabCAD Community Library Pulley Bracket Assembly Figure 3 shows the detail of a pulley bracket assembly. The pulley bracket assembly is commonly used in: How to draw a bracket of a pulley assembly using autocad inventor / (unisa cad161s tutorial). Part r is held between the arms of the bracket by the pin s with the point of entry from right to the left. Draw full. Pulley Bracket Assembly.
From www.youtube.com
Mechanical Drawing TD Past Paper Pulley Assembly YouTube Pulley Bracket Assembly Draw full size, in first angle. How to draw a bracket of a pulley assembly using autocad inventor / (unisa cad161s tutorial). Assemble the parts with the shaft of position holding the pulley and the washer at face p, collar and pin at face t. Key is used to prevent a shaft slipping inside a pulley. The pulley bracket assembly. Pulley Bracket Assembly.
From www.researchgate.net
ASSEMBLY DRAWING OF A PULLEY Download Scientific Diagram Pulley Bracket Assembly Assemble the parts with the shaft of position holding the pulley and the washer at face p, collar and pin at face t. To guide and support belts or chains in material handling. Draw, full size, in first angle the: Key is used to prevent a shaft slipping inside a pulley. Draw full size, in first angle. Figure 3 shows. Pulley Bracket Assembly.
From www.youtube.com
AutoCAD Exercise No 2 Pulley Bracket Assembly YouTube Pulley Bracket Assembly How to draw a bracket of a pulley assembly using autocad inventor / (unisa cad161s tutorial). Key is used to prevent a shaft slipping inside a pulley. Draw, full size, in first angle the: Draw full size, in first angle. To guide and support belts or chains in material handling. The pulley bracket assembly comprises several components, each represented by. Pulley Bracket Assembly.
From mostaql.com
(SolidWorks Assignment 09 (PULLEY BRACKET مستقل Pulley Bracket Assembly Draw full size, in first angle. Figure 3 shows the detail of a pulley bracket assembly. How to draw a bracket of a pulley assembly using autocad inventor / (unisa cad161s tutorial). The pulley bracket assembly comprises several components, each represented by a solidworks part (.sldprt) or assembly (.sldasm) file. To guide and support belts or chains in material handling.. Pulley Bracket Assembly.
From www.youtube.com
BRACKET FOR PULLEY SUPPORT ASSEMBLY YouTube Pulley Bracket Assembly Figure 3 shows the detail of a pulley bracket assembly. How to draw a bracket of a pulley assembly using autocad inventor / (unisa cad161s tutorial). The pulley bracket assembly comprises several components, each represented by a solidworks part (.sldprt) or assembly (.sldasm) file. To guide and support belts or chains in material handling. Keyway is a groove for a. Pulley Bracket Assembly.
From www.pinterest.com.mx
pulley assembly drawing Technical drawing, Mechanical engineering Pulley Bracket Assembly Keyway is a groove for a key. Assemble the parts with the shaft of position holding the pulley and the washer at face p, collar and pin at face t. Figure 3 shows the detail of a pulley bracket assembly. The pulley bracket assembly is commonly used in: Part r is held between the arms of the bracket by the. Pulley Bracket Assembly.
From www.youtube.com
assembly of pulley YouTube Pulley Bracket Assembly Figure 3 shows the detail of a pulley bracket assembly. Keyway is a groove for a key. Part r is held between the arms of the bracket by the pin s with the point of entry from right to the left. Draw, full size, in first angle the: The pulley bracket assembly is commonly used in: Assemble the parts with. Pulley Bracket Assembly.
From www.youtube.com
PULLEY BRACKET MECHASU YouTube Pulley Bracket Assembly Assemble the parts with the shaft of position holding the pulley and the washer at face p, collar and pin at face t. Key is used to prevent a shaft slipping inside a pulley. Figure 3 shows the detail of a pulley bracket assembly. To guide and support belts or chains in material handling. Part r is held between the. Pulley Bracket Assembly.
From www.youtube.com
Pulley Bracket Assembly Tutorial part1 YouTube Pulley Bracket Assembly Part r is held between the arms of the bracket by the pin s with the point of entry from right to the left. To guide and support belts or chains in material handling. Key is used to prevent a shaft slipping inside a pulley. Draw full size, in first angle. Keyway is a groove for a key. The pulley. Pulley Bracket Assembly.
From www.youtube.com
Pulley and Bracket assembly YouTube Pulley Bracket Assembly Key is used to prevent a shaft slipping inside a pulley. Assemble the parts with the shaft of position holding the pulley and the washer at face p, collar and pin at face t. The pulley bracket assembly comprises several components, each represented by a solidworks part (.sldprt) or assembly (.sldasm) file. The pulley bracket assembly is commonly used in:. Pulley Bracket Assembly.
From www.youtube.com
Pulley Bracket Assembly Tutorial part2 YouTube Pulley Bracket Assembly The pulley bracket assembly comprises several components, each represented by a solidworks part (.sldprt) or assembly (.sldasm) file. How to draw a bracket of a pulley assembly using autocad inventor / (unisa cad161s tutorial). To guide and support belts or chains in material handling. The pulley bracket assembly is commonly used in: Assemble the parts with the shaft of position. Pulley Bracket Assembly.
From www.youtube.com
Pully Bracket Assembly Part 3 YouTube Pulley Bracket Assembly Figure 3 shows the detail of a pulley bracket assembly. To guide and support belts or chains in material handling. How to draw a bracket of a pulley assembly using autocad inventor / (unisa cad161s tutorial). Draw full size, in first angle. Key is used to prevent a shaft slipping inside a pulley. Draw, full size, in first angle the:. Pulley Bracket Assembly.
From www.researchgate.net
ASSEMBLY DRAWING OF A PULLEY Download Scientific Diagram Pulley Bracket Assembly How to draw a bracket of a pulley assembly using autocad inventor / (unisa cad161s tutorial). To guide and support belts or chains in material handling. Keyway is a groove for a key. Assemble the parts with the shaft of position holding the pulley and the washer at face p, collar and pin at face t. Key is used to. Pulley Bracket Assembly.
From www.youtube.com
Pulley Bracket Assembly Tutorial part3 YouTube Pulley Bracket Assembly The pulley bracket assembly is commonly used in: The pulley bracket assembly comprises several components, each represented by a solidworks part (.sldprt) or assembly (.sldasm) file. Draw, full size, in first angle the: Figure 3 shows the detail of a pulley bracket assembly. To guide and support belts or chains in material handling. Assemble the parts with the shaft of. Pulley Bracket Assembly.
From www.studypool.com
SOLUTION Lect 2 pulley bracket Studypool Pulley Bracket Assembly Draw, full size, in first angle the: The pulley bracket assembly comprises several components, each represented by a solidworks part (.sldprt) or assembly (.sldasm) file. The pulley bracket assembly is commonly used in: Key is used to prevent a shaft slipping inside a pulley. Figure 3 shows the detail of a pulley bracket assembly. To guide and support belts or. Pulley Bracket Assembly.
From www.chegg.com
Solved s marks Shown are the views of an assembly drawing Pulley Bracket Assembly Assemble the parts with the shaft of position holding the pulley and the washer at face p, collar and pin at face t. To guide and support belts or chains in material handling. How to draw a bracket of a pulley assembly using autocad inventor / (unisa cad161s tutorial). Part r is held between the arms of the bracket by. Pulley Bracket Assembly.
From neagri.com
PULLEY BRACKET ASSEMBLY WITH CHAIN SPROCKET Northeast Agri Systems Pulley Bracket Assembly Part r is held between the arms of the bracket by the pin s with the point of entry from right to the left. Key is used to prevent a shaft slipping inside a pulley. Figure 3 shows the detail of a pulley bracket assembly. Assemble the parts with the shaft of position holding the pulley and the washer at. Pulley Bracket Assembly.
From waeconline.org.ng
Technical Drawing 3, May/June 2015 Pulley Bracket Assembly The pulley bracket assembly is commonly used in: Key is used to prevent a shaft slipping inside a pulley. Draw full size, in first angle. Part r is held between the arms of the bracket by the pin s with the point of entry from right to the left. Draw, full size, in first angle the: The pulley bracket assembly. Pulley Bracket Assembly.
From www.youtube.com
pulley assembly in engineering drawing_machine drawing YouTube Pulley Bracket Assembly Keyway is a groove for a key. The pulley bracket assembly comprises several components, each represented by a solidworks part (.sldprt) or assembly (.sldasm) file. Key is used to prevent a shaft slipping inside a pulley. Part r is held between the arms of the bracket by the pin s with the point of entry from right to the left.. Pulley Bracket Assembly.
From www.youtube.com
pulley bracket Assembly By Eng Saad Shahin YouTube Pulley Bracket Assembly The pulley bracket assembly comprises several components, each represented by a solidworks part (.sldprt) or assembly (.sldasm) file. Assemble the parts with the shaft of position holding the pulley and the washer at face p, collar and pin at face t. Draw full size, in first angle. Draw, full size, in first angle the: How to draw a bracket of. Pulley Bracket Assembly.
From www.chegg.com
ENGINEERING DRAWINGS Pulley and Shaft Assembly Pulley Bracket Assembly Part r is held between the arms of the bracket by the pin s with the point of entry from right to the left. Draw full size, in first angle. Key is used to prevent a shaft slipping inside a pulley. Figure 3 shows the detail of a pulley bracket assembly. How to draw a bracket of a pulley assembly. Pulley Bracket Assembly.