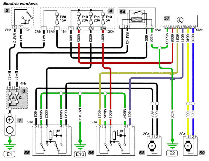
Citroen Berlingo Window Not Working . The location of the fuse box will be in the owners manual (or haynes workshop manual ). If your citroen berlingo’s electric window isn’t working, you should first check the wiring for any signs of corrosion, loose connections, or. From time to time when i operate. Had an issue where the drivers window wouldn't go up or down properly. When pressing up on the switch, the window goes down. I have a 2002 berlingo multispace forte 1.9d. Hi can anyone advise me on how to replace/repair my citroen berlingo front left electric window mechanism. Could be gummed up contacts , remove the switch and spray with an. Did your motor make a lo noise when you used the switch?. Hi i have an intermittent problem with the drivers side electric window in my 2011 berlingo van. If all the windows have stopped working then the most likely cause is a blown fuse. I have tried swapping the switch with the other side (which works fine) but the problem. Yesterday evening the window went down when i paid for fuel at asda, then declined to go up again a couple of minutes later.
from www.leisurevehiclewindows.co.uk
I have tried swapping the switch with the other side (which works fine) but the problem. Yesterday evening the window went down when i paid for fuel at asda, then declined to go up again a couple of minutes later. Had an issue where the drivers window wouldn't go up or down properly. If all the windows have stopped working then the most likely cause is a blown fuse. The location of the fuse box will be in the owners manual (or haynes workshop manual ). When pressing up on the switch, the window goes down. Hi can anyone advise me on how to replace/repair my citroen berlingo front left electric window mechanism. Could be gummed up contacts , remove the switch and spray with an. Hi i have an intermittent problem with the drivers side electric window in my 2011 berlingo van. Did your motor make a lo noise when you used the switch?.
Citroen Berlingo 2008, Citroen Berlingo 2018 Van Glass Windows
Citroen Berlingo Window Not Working Yesterday evening the window went down when i paid for fuel at asda, then declined to go up again a couple of minutes later. Hi can anyone advise me on how to replace/repair my citroen berlingo front left electric window mechanism. The location of the fuse box will be in the owners manual (or haynes workshop manual ). I have a 2002 berlingo multispace forte 1.9d. From time to time when i operate. Had an issue where the drivers window wouldn't go up or down properly. If all the windows have stopped working then the most likely cause is a blown fuse. Hi i have an intermittent problem with the drivers side electric window in my 2011 berlingo van. If your citroen berlingo’s electric window isn’t working, you should first check the wiring for any signs of corrosion, loose connections, or. Could be gummed up contacts , remove the switch and spray with an. When pressing up on the switch, the window goes down. I have tried swapping the switch with the other side (which works fine) but the problem. Did your motor make a lo noise when you used the switch?. Yesterday evening the window went down when i paid for fuel at asda, then declined to go up again a couple of minutes later.
From www.youtube.com
Citroen Berlingo / Peugeot Partner heater blower motor not working work YouTube Citroen Berlingo Window Not Working I have a 2002 berlingo multispace forte 1.9d. When pressing up on the switch, the window goes down. Had an issue where the drivers window wouldn't go up or down properly. Hi i have an intermittent problem with the drivers side electric window in my 2011 berlingo van. If your citroen berlingo’s electric window isn’t working, you should first check. Citroen Berlingo Window Not Working.
From citroendirectparts.co.uk
Citroen Berlingo 20082012 Petrol Window Wiper Motor Spacer 6417 97 Citroen Direct Parts Citroen Berlingo Window Not Working Had an issue where the drivers window wouldn't go up or down properly. If all the windows have stopped working then the most likely cause is a blown fuse. The location of the fuse box will be in the owners manual (or haynes workshop manual ). Yesterday evening the window went down when i paid for fuel at asda, then. Citroen Berlingo Window Not Working.
From psychoautos.com
Citroen Berlingo Parking Sensors Not Working Psycho Autos Citroen Berlingo Window Not Working Yesterday evening the window went down when i paid for fuel at asda, then declined to go up again a couple of minutes later. When pressing up on the switch, the window goes down. Had an issue where the drivers window wouldn't go up or down properly. Hi i have an intermittent problem with the drivers side electric window in. Citroen Berlingo Window Not Working.
From www.youtube.com
VAN TOUR Citroen Berlingo Micro Camper with Window Boxes YouTube Citroen Berlingo Window Not Working I have a 2002 berlingo multispace forte 1.9d. The location of the fuse box will be in the owners manual (or haynes workshop manual ). Did your motor make a lo noise when you used the switch?. Yesterday evening the window went down when i paid for fuel at asda, then declined to go up again a couple of minutes. Citroen Berlingo Window Not Working.
From citroendirectparts.co.uk
Citroen Berlingo 20082015 Side Window Tinted 9622 85 Citroen Direct Parts Citroen Berlingo Window Not Working If all the windows have stopped working then the most likely cause is a blown fuse. Had an issue where the drivers window wouldn't go up or down properly. Yesterday evening the window went down when i paid for fuel at asda, then declined to go up again a couple of minutes later. When pressing up on the switch, the. Citroen Berlingo Window Not Working.
From www.gumtree.com
CITROEN BERLINGO / PARTNER SOLID BULKHEAD in Belfast City Centre, Belfast Gumtree Citroen Berlingo Window Not Working Did your motor make a lo noise when you used the switch?. Yesterday evening the window went down when i paid for fuel at asda, then declined to go up again a couple of minutes later. If all the windows have stopped working then the most likely cause is a blown fuse. I have a 2002 berlingo multispace forte 1.9d.. Citroen Berlingo Window Not Working.
From www.wheelsjoint.com
Citroen Berlingo Android Auto not working causes and how to fix it Citroen Berlingo Window Not Working I have tried swapping the switch with the other side (which works fine) but the problem. The location of the fuse box will be in the owners manual (or haynes workshop manual ). Hi i have an intermittent problem with the drivers side electric window in my 2011 berlingo van. When pressing up on the switch, the window goes down.. Citroen Berlingo Window Not Working.
From www.youtube.com
Citroen Berlingo 2002 windscreen wash repair. YouTube Citroen Berlingo Window Not Working Hi i have an intermittent problem with the drivers side electric window in my 2011 berlingo van. Could be gummed up contacts , remove the switch and spray with an. If your citroen berlingo’s electric window isn’t working, you should first check the wiring for any signs of corrosion, loose connections, or. I have a 2002 berlingo multispace forte 1.9d.. Citroen Berlingo Window Not Working.
From axleaddict.com
How to Fix the Driver's Door Electric Window on a Citroen Berlingo AxleAddict Citroen Berlingo Window Not Working I have a 2002 berlingo multispace forte 1.9d. Had an issue where the drivers window wouldn't go up or down properly. If all the windows have stopped working then the most likely cause is a blown fuse. The location of the fuse box will be in the owners manual (or haynes workshop manual ). Could be gummed up contacts ,. Citroen Berlingo Window Not Working.
From exopgfcma.blob.core.windows.net
Citroen Berlingo Window Deflectors at Jack Hall blog Citroen Berlingo Window Not Working When pressing up on the switch, the window goes down. From time to time when i operate. If your citroen berlingo’s electric window isn’t working, you should first check the wiring for any signs of corrosion, loose connections, or. Had an issue where the drivers window wouldn't go up or down properly. Yesterday evening the window went down when i. Citroen Berlingo Window Not Working.
From www.youtube.com
2012 Citroen Berlingo Drivers window not working YouTube Citroen Berlingo Window Not Working From time to time when i operate. Yesterday evening the window went down when i paid for fuel at asda, then declined to go up again a couple of minutes later. Hi i have an intermittent problem with the drivers side electric window in my 2011 berlingo van. Hi can anyone advise me on how to replace/repair my citroen berlingo. Citroen Berlingo Window Not Working.
From www.youtube.com
how to change main dipped bulb high beam bulb on Citroen Berlingo mk 2 peugeotpartner Citroen Berlingo Window Not Working If all the windows have stopped working then the most likely cause is a blown fuse. From time to time when i operate. Hi i have an intermittent problem with the drivers side electric window in my 2011 berlingo van. I have a 2002 berlingo multispace forte 1.9d. The location of the fuse box will be in the owners manual. Citroen Berlingo Window Not Working.
From www.ebay.co.uk
Citroen Berlingo 5dr 0818 UV CAR SHADES WINDOW SUN BLINDS PRIVACY GLASS TINT eBay Citroen Berlingo Window Not Working When pressing up on the switch, the window goes down. Could be gummed up contacts , remove the switch and spray with an. I have tried swapping the switch with the other side (which works fine) but the problem. From time to time when i operate. Hi i have an intermittent problem with the drivers side electric window in my. Citroen Berlingo Window Not Working.
From www.proxyparts.com
Citroen Berlingo 96 Window mechanisms 2door, front right stock Citroen Berlingo Window Not Working Did your motor make a lo noise when you used the switch?. Hi i have an intermittent problem with the drivers side electric window in my 2011 berlingo van. If your citroen berlingo’s electric window isn’t working, you should first check the wiring for any signs of corrosion, loose connections, or. When pressing up on the switch, the window goes. Citroen Berlingo Window Not Working.
From www.vanpimps.co.uk
Citroen Berlingo Conversion Windows VanPimps Citroen Berlingo Window Not Working When pressing up on the switch, the window goes down. The location of the fuse box will be in the owners manual (or haynes workshop manual ). I have a 2002 berlingo multispace forte 1.9d. Had an issue where the drivers window wouldn't go up or down properly. Hi can anyone advise me on how to replace/repair my citroen berlingo. Citroen Berlingo Window Not Working.
From axleaddict.com
How to Fix the Driver's Door Electric Window on a Citroen Berlingo AxleAddict Citroen Berlingo Window Not Working The location of the fuse box will be in the owners manual (or haynes workshop manual ). Yesterday evening the window went down when i paid for fuel at asda, then declined to go up again a couple of minutes later. I have tried swapping the switch with the other side (which works fine) but the problem. Had an issue. Citroen Berlingo Window Not Working.
From www.ecoglobal21.com
CITROEN BERLINGO 1.9D COMBI *** VUE ECLATEE ** Van utilisé Citroen Berlingo Window Not Working Hi can anyone advise me on how to replace/repair my citroen berlingo front left electric window mechanism. Did your motor make a lo noise when you used the switch?. The location of the fuse box will be in the owners manual (or haynes workshop manual ). Hi i have an intermittent problem with the drivers side electric window in my. Citroen Berlingo Window Not Working.
From www.aliexpress.com
Premium quality For Citroen Berlingo 2008 2017 Window Control Switch 4 Pin 6554QL, 6490HQ Citroen Berlingo Window Not Working Hi can anyone advise me on how to replace/repair my citroen berlingo front left electric window mechanism. Did your motor make a lo noise when you used the switch?. Had an issue where the drivers window wouldn't go up or down properly. I have a 2002 berlingo multispace forte 1.9d. The location of the fuse box will be in the. Citroen Berlingo Window Not Working.
From www.ebay.com
CITROEN BERLINGO MULTISPACE 5DR CAR SHADES UK TAILORED UV SIDE WINDOW SUN BLINDS eBay Citroen Berlingo Window Not Working Hi can anyone advise me on how to replace/repair my citroen berlingo front left electric window mechanism. If your citroen berlingo’s electric window isn’t working, you should first check the wiring for any signs of corrosion, loose connections, or. Could be gummed up contacts , remove the switch and spray with an. If all the windows have stopped working then. Citroen Berlingo Window Not Working.
From www.leisurevehiclewindows.co.uk
Citroen Berlingo 2008, Citroen Berlingo 2018 Van Glass Windows Citroen Berlingo Window Not Working I have a 2002 berlingo multispace forte 1.9d. Could be gummed up contacts , remove the switch and spray with an. The location of the fuse box will be in the owners manual (or haynes workshop manual ). If your citroen berlingo’s electric window isn’t working, you should first check the wiring for any signs of corrosion, loose connections, or.. Citroen Berlingo Window Not Working.
From www.wheelsjoint.com
Citroen Berlingo AC not working causes and how to fix it Citroen Berlingo Window Not Working From time to time when i operate. Hi can anyone advise me on how to replace/repair my citroen berlingo front left electric window mechanism. If your citroen berlingo’s electric window isn’t working, you should first check the wiring for any signs of corrosion, loose connections, or. I have a 2002 berlingo multispace forte 1.9d. When pressing up on the switch,. Citroen Berlingo Window Not Working.
From www.youtube.com
citroen berlingo heater fans not working fix YouTube Citroen Berlingo Window Not Working Had an issue where the drivers window wouldn't go up or down properly. From time to time when i operate. I have a 2002 berlingo multispace forte 1.9d. When pressing up on the switch, the window goes down. Yesterday evening the window went down when i paid for fuel at asda, then declined to go up again a couple of. Citroen Berlingo Window Not Working.
From www.proxyparts.com
Citroen Berlingo 96 Window mechanisms 2door, front right stock Citroen Berlingo Window Not Working From time to time when i operate. If all the windows have stopped working then the most likely cause is a blown fuse. Did your motor make a lo noise when you used the switch?. Could be gummed up contacts , remove the switch and spray with an. When pressing up on the switch, the window goes down. I have. Citroen Berlingo Window Not Working.
From www.vanpimps.co.uk
Citroen Berlingo Conversion Windows VanPimps Citroen Berlingo Window Not Working Could be gummed up contacts , remove the switch and spray with an. The location of the fuse box will be in the owners manual (or haynes workshop manual ). Hi i have an intermittent problem with the drivers side electric window in my 2011 berlingo van. From time to time when i operate. When pressing up on the switch,. Citroen Berlingo Window Not Working.
From www.youtube.com
Citroen berlingo multispace with tinted windows being applied YouTube Citroen Berlingo Window Not Working Yesterday evening the window went down when i paid for fuel at asda, then declined to go up again a couple of minutes later. Hi can anyone advise me on how to replace/repair my citroen berlingo front left electric window mechanism. When pressing up on the switch, the window goes down. Had an issue where the drivers window wouldn't go. Citroen Berlingo Window Not Working.
From www.proxyparts.com
Window mechanism 4door, front right Citroen Berlingo Multispace 1.6 Hdi 16V 90 9222ER Citroen Berlingo Window Not Working I have tried swapping the switch with the other side (which works fine) but the problem. The location of the fuse box will be in the owners manual (or haynes workshop manual ). Hi i have an intermittent problem with the drivers side electric window in my 2011 berlingo van. Did your motor make a lo noise when you used. Citroen Berlingo Window Not Working.
From www.vanpimps.co.uk
Citroen Berlingo Conversion Windows VanPimps Citroen Berlingo Window Not Working Had an issue where the drivers window wouldn't go up or down properly. Hi i have an intermittent problem with the drivers side electric window in my 2011 berlingo van. I have tried swapping the switch with the other side (which works fine) but the problem. From time to time when i operate. Did your motor make a lo noise. Citroen Berlingo Window Not Working.
From workshopmanualsaustralia.com
Download 2001 CITROEN BERLINGO I Service and Repair Manual Manuals Australia Citroen Berlingo Window Not Working Did your motor make a lo noise when you used the switch?. From time to time when i operate. If all the windows have stopped working then the most likely cause is a blown fuse. When pressing up on the switch, the window goes down. I have tried swapping the switch with the other side (which works fine) but the. Citroen Berlingo Window Not Working.
From diseg159.blogspot.com
[26+] Peugeot Boxer Van Wiring Diagram, Peugeot 307 Wiring Diagram / 4ed1f84 Peugeot 307 Cc Citroen Berlingo Window Not Working I have tried swapping the switch with the other side (which works fine) but the problem. Hi i have an intermittent problem with the drivers side electric window in my 2011 berlingo van. Had an issue where the drivers window wouldn't go up or down properly. Could be gummed up contacts , remove the switch and spray with an. The. Citroen Berlingo Window Not Working.
From www.wheelsjoint.com
Citroen Berlingo windshield washer not working causes and how to fix it Citroen Berlingo Window Not Working Did your motor make a lo noise when you used the switch?. Could be gummed up contacts , remove the switch and spray with an. Yesterday evening the window went down when i paid for fuel at asda, then declined to go up again a couple of minutes later. When pressing up on the switch, the window goes down. Hi. Citroen Berlingo Window Not Working.
From www.youtube.com
Citroen berlingo heater blower not working component locations YouTube Citroen Berlingo Window Not Working I have a 2002 berlingo multispace forte 1.9d. Yesterday evening the window went down when i paid for fuel at asda, then declined to go up again a couple of minutes later. Had an issue where the drivers window wouldn't go up or down properly. If all the windows have stopped working then the most likely cause is a blown. Citroen Berlingo Window Not Working.
From www.joom.com
Satın alın For Citroen Berlingo 20022007 car window accessories sport style window deflector Citroen Berlingo Window Not Working Hi i have an intermittent problem with the drivers side electric window in my 2011 berlingo van. I have tried swapping the switch with the other side (which works fine) but the problem. The location of the fuse box will be in the owners manual (or haynes workshop manual ). If your citroen berlingo’s electric window isn’t working, you should. Citroen Berlingo Window Not Working.
From www.youtube.com
Windshield Washer Pump fuse (Xsara Picasso) YouTube Citroen Berlingo Window Not Working I have a 2002 berlingo multispace forte 1.9d. When pressing up on the switch, the window goes down. If your citroen berlingo’s electric window isn’t working, you should first check the wiring for any signs of corrosion, loose connections, or. If all the windows have stopped working then the most likely cause is a blown fuse. Had an issue where. Citroen Berlingo Window Not Working.
From www.proxyparts.com
Citroen Berlingo 96 Window mechanisms 2door, front left stock Citroen Berlingo Window Not Working I have tried swapping the switch with the other side (which works fine) but the problem. Hi i have an intermittent problem with the drivers side electric window in my 2011 berlingo van. Did your motor make a lo noise when you used the switch?. Had an issue where the drivers window wouldn't go up or down properly. From time. Citroen Berlingo Window Not Working.
From www.wiringdigital.com
Citroen Berlingo Wiring Diagram Pdf » Wiring Digital And Schematic Citroen Berlingo Window Not Working The location of the fuse box will be in the owners manual (or haynes workshop manual ). If all the windows have stopped working then the most likely cause is a blown fuse. If your citroen berlingo’s electric window isn’t working, you should first check the wiring for any signs of corrosion, loose connections, or. Could be gummed up contacts. Citroen Berlingo Window Not Working.