Isolation Amplifier Voltage Measurement . Another popular solution is voltage and current measurements using isolation amplifiers. Isolation amplifiers are used to allow measurement of small signals in the presence of a high common mode voltage. Such parts use inductive or capacitive isolation. The amc1300b can measure differential signals of ±250mv with a fixed gain of 8.2v/v and output an isolated differential output voltage of ±2.05v. This article covers each of these decisions in detail to help select an isolated amplifier best suited to a specific system. This application note presents isolation amplifier circuit designs useful in industrial test and measurement systems, instrumentation, and communication systems.
from eepower.com
Another popular solution is voltage and current measurements using isolation amplifiers. The amc1300b can measure differential signals of ±250mv with a fixed gain of 8.2v/v and output an isolated differential output voltage of ±2.05v. Isolation amplifiers are used to allow measurement of small signals in the presence of a high common mode voltage. Such parts use inductive or capacitive isolation. This article covers each of these decisions in detail to help select an isolated amplifier best suited to a specific system. This application note presents isolation amplifier circuit designs useful in industrial test and measurement systems, instrumentation, and communication systems.
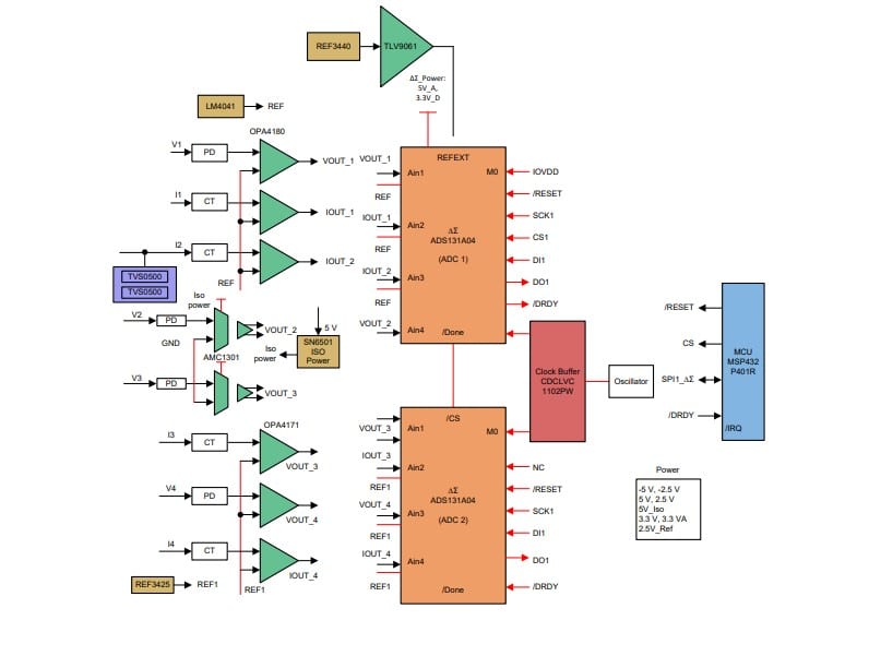
HighAccuracy ±0.5 Current and Isolated Voltage Measurement Ref Design
Isolation Amplifier Voltage Measurement This article covers each of these decisions in detail to help select an isolated amplifier best suited to a specific system. Such parts use inductive or capacitive isolation. Another popular solution is voltage and current measurements using isolation amplifiers. The amc1300b can measure differential signals of ±250mv with a fixed gain of 8.2v/v and output an isolated differential output voltage of ±2.05v. Isolation amplifiers are used to allow measurement of small signals in the presence of a high common mode voltage. This application note presents isolation amplifier circuit designs useful in industrial test and measurement systems, instrumentation, and communication systems. This article covers each of these decisions in detail to help select an isolated amplifier best suited to a specific system.
From www.youtube.com
1.3.7 How to sense electrical isolation in a BMS YouTube Isolation Amplifier Voltage Measurement The amc1300b can measure differential signals of ±250mv with a fixed gain of 8.2v/v and output an isolated differential output voltage of ±2.05v. This article covers each of these decisions in detail to help select an isolated amplifier best suited to a specific system. Such parts use inductive or capacitive isolation. Another popular solution is voltage and current measurements using. Isolation Amplifier Voltage Measurement.
From www.electronics-lab.com
3 Phase Isolated Halleffect Current Sense Amplifier with +/600V Isolation Amplifier Voltage Measurement Another popular solution is voltage and current measurements using isolation amplifiers. The amc1300b can measure differential signals of ±250mv with a fixed gain of 8.2v/v and output an isolated differential output voltage of ±2.05v. Such parts use inductive or capacitive isolation. Isolation amplifiers are used to allow measurement of small signals in the presence of a high common mode voltage.. Isolation Amplifier Voltage Measurement.
From www.youtube.com
Isolated voltage measurement with Arduino and AMC1301 YouTube Isolation Amplifier Voltage Measurement This application note presents isolation amplifier circuit designs useful in industrial test and measurement systems, instrumentation, and communication systems. Another popular solution is voltage and current measurements using isolation amplifiers. Isolation amplifiers are used to allow measurement of small signals in the presence of a high common mode voltage. Such parts use inductive or capacitive isolation. This article covers each. Isolation Amplifier Voltage Measurement.
From www.youtube.com
3.6 ISOLATION AMPLIFIER INDUSTRIAL INSTRUMENTATION AND AUTOMATION Isolation Amplifier Voltage Measurement The amc1300b can measure differential signals of ±250mv with a fixed gain of 8.2v/v and output an isolated differential output voltage of ±2.05v. Another popular solution is voltage and current measurements using isolation amplifiers. This article covers each of these decisions in detail to help select an isolated amplifier best suited to a specific system. Isolation amplifiers are used to. Isolation Amplifier Voltage Measurement.
From www.researchgate.net
Isolated floating difference amplifier (IFDA). Download Scientific Isolation Amplifier Voltage Measurement This article covers each of these decisions in detail to help select an isolated amplifier best suited to a specific system. The amc1300b can measure differential signals of ±250mv with a fixed gain of 8.2v/v and output an isolated differential output voltage of ±2.05v. Isolation amplifiers are used to allow measurement of small signals in the presence of a high. Isolation Amplifier Voltage Measurement.
From simple-circuit.com
Isolated AC Voltage Measurement with Arduino and AMC1301 Amplifier Isolation Amplifier Voltage Measurement Another popular solution is voltage and current measurements using isolation amplifiers. Such parts use inductive or capacitive isolation. This article covers each of these decisions in detail to help select an isolated amplifier best suited to a specific system. This application note presents isolation amplifier circuit designs useful in industrial test and measurement systems, instrumentation, and communication systems. Isolation amplifiers. Isolation Amplifier Voltage Measurement.
From www.youtube.com
Isolated High voltage AC measurement with OpAmp differential circuit Isolation Amplifier Voltage Measurement This application note presents isolation amplifier circuit designs useful in industrial test and measurement systems, instrumentation, and communication systems. Such parts use inductive or capacitive isolation. This article covers each of these decisions in detail to help select an isolated amplifier best suited to a specific system. Another popular solution is voltage and current measurements using isolation amplifiers. The amc1300b. Isolation Amplifier Voltage Measurement.
From www.powersystemsdesign.com
TI isolated amplifier, modulator enable highprecision current Isolation Amplifier Voltage Measurement The amc1300b can measure differential signals of ±250mv with a fixed gain of 8.2v/v and output an isolated differential output voltage of ±2.05v. Another popular solution is voltage and current measurements using isolation amplifiers. Isolation amplifiers are used to allow measurement of small signals in the presence of a high common mode voltage. This article covers each of these decisions. Isolation Amplifier Voltage Measurement.
From www.electronics-lab.com
TMCS1101 Archives Isolation Amplifier Voltage Measurement The amc1300b can measure differential signals of ±250mv with a fixed gain of 8.2v/v and output an isolated differential output voltage of ±2.05v. Another popular solution is voltage and current measurements using isolation amplifiers. Such parts use inductive or capacitive isolation. This article covers each of these decisions in detail to help select an isolated amplifier best suited to a. Isolation Amplifier Voltage Measurement.
From e2e.ti.com
Simplify your isolated current and voltage sensing designs with single Isolation Amplifier Voltage Measurement Such parts use inductive or capacitive isolation. This article covers each of these decisions in detail to help select an isolated amplifier best suited to a specific system. Isolation amplifiers are used to allow measurement of small signals in the presence of a high common mode voltage. Another popular solution is voltage and current measurements using isolation amplifiers. The amc1300b. Isolation Amplifier Voltage Measurement.
From e2e.ti.com
HighVoltage Signal Conditioning (with 'isolation') from (0600Vdc or Isolation Amplifier Voltage Measurement Isolation amplifiers are used to allow measurement of small signals in the presence of a high common mode voltage. Such parts use inductive or capacitive isolation. This article covers each of these decisions in detail to help select an isolated amplifier best suited to a specific system. This application note presents isolation amplifier circuit designs useful in industrial test and. Isolation Amplifier Voltage Measurement.
From electronics.stackexchange.com
Highvoltage current sensing with floating isolation amplifier Isolation Amplifier Voltage Measurement Another popular solution is voltage and current measurements using isolation amplifiers. Such parts use inductive or capacitive isolation. The amc1300b can measure differential signals of ±250mv with a fixed gain of 8.2v/v and output an isolated differential output voltage of ±2.05v. Isolation amplifiers are used to allow measurement of small signals in the presence of a high common mode voltage.. Isolation Amplifier Voltage Measurement.
From uk.farnell.com
OpAmp Voltage and Gain Calculator Farnell UK Isolation Amplifier Voltage Measurement This application note presents isolation amplifier circuit designs useful in industrial test and measurement systems, instrumentation, and communication systems. Another popular solution is voltage and current measurements using isolation amplifiers. Such parts use inductive or capacitive isolation. This article covers each of these decisions in detail to help select an isolated amplifier best suited to a specific system. The amc1300b. Isolation Amplifier Voltage Measurement.
From www.electronics-lab.com
Isolated VoltageMeasurement with ±1V Input, Differential Output and Isolation Amplifier Voltage Measurement This article covers each of these decisions in detail to help select an isolated amplifier best suited to a specific system. This application note presents isolation amplifier circuit designs useful in industrial test and measurement systems, instrumentation, and communication systems. The amc1300b can measure differential signals of ±250mv with a fixed gain of 8.2v/v and output an isolated differential output. Isolation Amplifier Voltage Measurement.
From www.electronics-lab.com
Isolated VoltageMeasurement with ±1V Input, Differential Output and Isolation Amplifier Voltage Measurement Isolation amplifiers are used to allow measurement of small signals in the presence of a high common mode voltage. Such parts use inductive or capacitive isolation. The amc1300b can measure differential signals of ±250mv with a fixed gain of 8.2v/v and output an isolated differential output voltage of ±2.05v. This application note presents isolation amplifier circuit designs useful in industrial. Isolation Amplifier Voltage Measurement.
From www.slideserve.com
PPT Chapter 13 Transformer Applications PowerPoint Presentation, free Isolation Amplifier Voltage Measurement This application note presents isolation amplifier circuit designs useful in industrial test and measurement systems, instrumentation, and communication systems. Isolation amplifiers are used to allow measurement of small signals in the presence of a high common mode voltage. Such parts use inductive or capacitive isolation. This article covers each of these decisions in detail to help select an isolated amplifier. Isolation Amplifier Voltage Measurement.
From e2e.ti.com
AMC1301 AMC1301 Output CommonMode Voltage Amplifiers forum Isolation Amplifier Voltage Measurement Such parts use inductive or capacitive isolation. The amc1300b can measure differential signals of ±250mv with a fixed gain of 8.2v/v and output an isolated differential output voltage of ±2.05v. Isolation amplifiers are used to allow measurement of small signals in the presence of a high common mode voltage. This article covers each of these decisions in detail to help. Isolation Amplifier Voltage Measurement.
From emcgear.com
Analog galvanic isolator DC to 1 MHz / High precision / 4,2kV isolation Isolation Amplifier Voltage Measurement Another popular solution is voltage and current measurements using isolation amplifiers. The amc1300b can measure differential signals of ±250mv with a fixed gain of 8.2v/v and output an isolated differential output voltage of ±2.05v. This application note presents isolation amplifier circuit designs useful in industrial test and measurement systems, instrumentation, and communication systems. This article covers each of these decisions. Isolation Amplifier Voltage Measurement.
From sunyuan.en.made-in-china.com
Linear Analog Isolation Amplifier for Voltage/Current Measurement Isolation Amplifier Voltage Measurement The amc1300b can measure differential signals of ±250mv with a fixed gain of 8.2v/v and output an isolated differential output voltage of ±2.05v. Such parts use inductive or capacitive isolation. Another popular solution is voltage and current measurements using isolation amplifiers. This article covers each of these decisions in detail to help select an isolated amplifier best suited to a. Isolation Amplifier Voltage Measurement.
From e2e.ti.com
Using deltasigma modulators for isolated highvoltage measurements Isolation Amplifier Voltage Measurement This application note presents isolation amplifier circuit designs useful in industrial test and measurement systems, instrumentation, and communication systems. Isolation amplifiers are used to allow measurement of small signals in the presence of a high common mode voltage. Another popular solution is voltage and current measurements using isolation amplifiers. Such parts use inductive or capacitive isolation. The amc1300b can measure. Isolation Amplifier Voltage Measurement.
From electronics.stackexchange.com
operational amplifier AC voltage measurement with an opamp Isolation Amplifier Voltage Measurement The amc1300b can measure differential signals of ±250mv with a fixed gain of 8.2v/v and output an isolated differential output voltage of ±2.05v. Another popular solution is voltage and current measurements using isolation amplifiers. Isolation amplifiers are used to allow measurement of small signals in the presence of a high common mode voltage. This application note presents isolation amplifier circuit. Isolation Amplifier Voltage Measurement.
From www.researchgate.net
(a) Measurement setup; (b) voltage gain; (c) voltage gain deviation of Isolation Amplifier Voltage Measurement The amc1300b can measure differential signals of ±250mv with a fixed gain of 8.2v/v and output an isolated differential output voltage of ±2.05v. Another popular solution is voltage and current measurements using isolation amplifiers. Isolation amplifiers are used to allow measurement of small signals in the presence of a high common mode voltage. This application note presents isolation amplifier circuit. Isolation Amplifier Voltage Measurement.
From community.openenergymonitor.org
AC Voltage and Current Measurement Circuit Design with Differential Isolation Amplifier Voltage Measurement The amc1300b can measure differential signals of ±250mv with a fixed gain of 8.2v/v and output an isolated differential output voltage of ±2.05v. This article covers each of these decisions in detail to help select an isolated amplifier best suited to a specific system. Isolation amplifiers are used to allow measurement of small signals in the presence of a high. Isolation Amplifier Voltage Measurement.
From www.jsd-iae.com
DCDC converter isolation voltage detection method,Isolation Amplifier Isolation Amplifier Voltage Measurement Such parts use inductive or capacitive isolation. The amc1300b can measure differential signals of ±250mv with a fixed gain of 8.2v/v and output an isolated differential output voltage of ±2.05v. This article covers each of these decisions in detail to help select an isolated amplifier best suited to a specific system. Another popular solution is voltage and current measurements using. Isolation Amplifier Voltage Measurement.
From electronics.stackexchange.com
operational amplifier Shunt Current measurement isolation problem Isolation Amplifier Voltage Measurement Isolation amplifiers are used to allow measurement of small signals in the presence of a high common mode voltage. The amc1300b can measure differential signals of ±250mv with a fixed gain of 8.2v/v and output an isolated differential output voltage of ±2.05v. Another popular solution is voltage and current measurements using isolation amplifiers. Such parts use inductive or capacitive isolation.. Isolation Amplifier Voltage Measurement.
From e2e.ti.com
Isolated Voltage Sensing Circuit Amplifiers forum Amplifiers TI Isolation Amplifier Voltage Measurement This application note presents isolation amplifier circuit designs useful in industrial test and measurement systems, instrumentation, and communication systems. The amc1300b can measure differential signals of ±250mv with a fixed gain of 8.2v/v and output an isolated differential output voltage of ±2.05v. This article covers each of these decisions in detail to help select an isolated amplifier best suited to. Isolation Amplifier Voltage Measurement.
From woldkreo68.blogspot.com
[Download 40+] Isolation Amplifier Schematic Diagram Isolation Amplifier Voltage Measurement This application note presents isolation amplifier circuit designs useful in industrial test and measurement systems, instrumentation, and communication systems. This article covers each of these decisions in detail to help select an isolated amplifier best suited to a specific system. Such parts use inductive or capacitive isolation. Isolation amplifiers are used to allow measurement of small signals in the presence. Isolation Amplifier Voltage Measurement.
From www.ni.com
Isolation Types and Considerations when Taking a Measurement National Isolation Amplifier Voltage Measurement This application note presents isolation amplifier circuit designs useful in industrial test and measurement systems, instrumentation, and communication systems. Isolation amplifiers are used to allow measurement of small signals in the presence of a high common mode voltage. Another popular solution is voltage and current measurements using isolation amplifiers. This article covers each of these decisions in detail to help. Isolation Amplifier Voltage Measurement.
From eepower.com
HighAccuracy ±0.5 Current and Isolated Voltage Measurement Ref Design Isolation Amplifier Voltage Measurement The amc1300b can measure differential signals of ±250mv with a fixed gain of 8.2v/v and output an isolated differential output voltage of ±2.05v. Isolation amplifiers are used to allow measurement of small signals in the presence of a high common mode voltage. This application note presents isolation amplifier circuit designs useful in industrial test and measurement systems, instrumentation, and communication. Isolation Amplifier Voltage Measurement.
From www.mdpi.com
WEVJ Free FullText Design and Experimental Verification of Voltage Isolation Amplifier Voltage Measurement Another popular solution is voltage and current measurements using isolation amplifiers. The amc1300b can measure differential signals of ±250mv with a fixed gain of 8.2v/v and output an isolated differential output voltage of ±2.05v. Such parts use inductive or capacitive isolation. Isolation amplifiers are used to allow measurement of small signals in the presence of a high common mode voltage.. Isolation Amplifier Voltage Measurement.
From wiringmanualnoonan.z19.web.core.windows.net
Isolation Amplifier Circuit Diagram And Application Isolation Amplifier Voltage Measurement Isolation amplifiers are used to allow measurement of small signals in the presence of a high common mode voltage. Such parts use inductive or capacitive isolation. The amc1300b can measure differential signals of ±250mv with a fixed gain of 8.2v/v and output an isolated differential output voltage of ±2.05v. This article covers each of these decisions in detail to help. Isolation Amplifier Voltage Measurement.
From www.analog.com
Simple Op Amp Measurements Analog Devices Isolation Amplifier Voltage Measurement Such parts use inductive or capacitive isolation. The amc1300b can measure differential signals of ±250mv with a fixed gain of 8.2v/v and output an isolated differential output voltage of ±2.05v. Isolation amplifiers are used to allow measurement of small signals in the presence of a high common mode voltage. This application note presents isolation amplifier circuit designs useful in industrial. Isolation Amplifier Voltage Measurement.
From www.youtube.com
Isolation Amplifier Basics YouTube YouTube Isolation Amplifier Voltage Measurement Isolation amplifiers are used to allow measurement of small signals in the presence of a high common mode voltage. This article covers each of these decisions in detail to help select an isolated amplifier best suited to a specific system. Such parts use inductive or capacitive isolation. The amc1300b can measure differential signals of ±250mv with a fixed gain of. Isolation Amplifier Voltage Measurement.
From electronics.stackexchange.com
isolation Isolated AC voltage measurement Electrical Engineering Isolation Amplifier Voltage Measurement Another popular solution is voltage and current measurements using isolation amplifiers. The amc1300b can measure differential signals of ±250mv with a fixed gain of 8.2v/v and output an isolated differential output voltage of ±2.05v. Isolation amplifiers are used to allow measurement of small signals in the presence of a high common mode voltage. This application note presents isolation amplifier circuit. Isolation Amplifier Voltage Measurement.
From e2e.ti.com
ISO124 Amplifier for galvanic isolated measuring of dcvoltage from 22 Isolation Amplifier Voltage Measurement The amc1300b can measure differential signals of ±250mv with a fixed gain of 8.2v/v and output an isolated differential output voltage of ±2.05v. This article covers each of these decisions in detail to help select an isolated amplifier best suited to a specific system. Such parts use inductive or capacitive isolation. This application note presents isolation amplifier circuit designs useful. Isolation Amplifier Voltage Measurement.