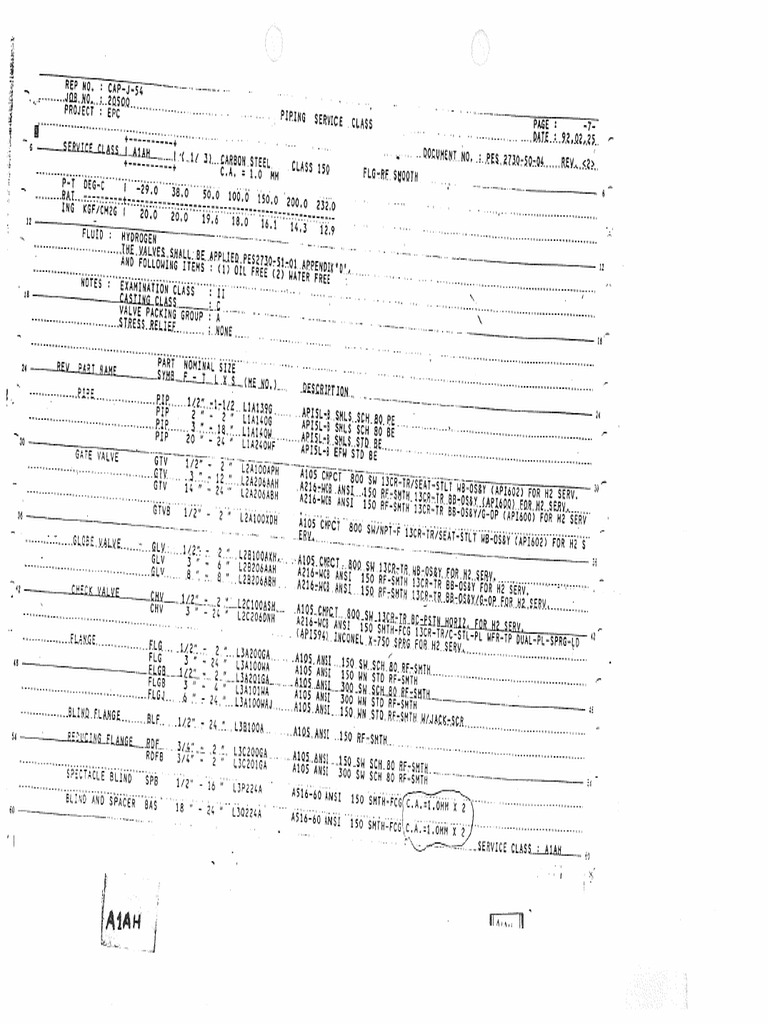
What Is Piping Class A1A . A piping class is essentially a classification of piping components that have been grouped together based on certain characteristics such. A piping class is defined as an assembly of piping components that are suitable for a defined service and design limits within a piping system. The piping class or pipe class is an important document that specifies all the required components under a specific design limit. This basic practice explains the standard system used to assign code numbers to equipment. It lists the rating as 150, base material as carbon steel, and corrosion allowance as 1.5 mm. What is a piping class? Typically, class a pipes are suitable for applications with low pressure and low. This document specifies piping material requirements for pipe class a1a. Ratings etc for piping items like pipes, flanges, fittings, valves, gaskets, bolting, traps and strainers.
        
         
         
        from www.tubomart.com 
     
        
        The piping class or pipe class is an important document that specifies all the required components under a specific design limit. What is a piping class? Ratings etc for piping items like pipes, flanges, fittings, valves, gaskets, bolting, traps and strainers. Typically, class a pipes are suitable for applications with low pressure and low. This basic practice explains the standard system used to assign code numbers to equipment. This document specifies piping material requirements for pipe class a1a. It lists the rating as 150, base material as carbon steel, and corrosion allowance as 1.5 mm. A piping class is essentially a classification of piping components that have been grouped together based on certain characteristics such. A piping class is defined as an assembly of piping components that are suitable for a defined service and design limits within a piping system.
    
    	
            
	
		 
	 
         
    Pipe Class and Piping Specifications Tubomart 
    What Is Piping Class A1A  A piping class is defined as an assembly of piping components that are suitable for a defined service and design limits within a piping system. Ratings etc for piping items like pipes, flanges, fittings, valves, gaskets, bolting, traps and strainers. This document specifies piping material requirements for pipe class a1a. What is a piping class? Typically, class a pipes are suitable for applications with low pressure and low. A piping class is defined as an assembly of piping components that are suitable for a defined service and design limits within a piping system. It lists the rating as 150, base material as carbon steel, and corrosion allowance as 1.5 mm. A piping class is essentially a classification of piping components that have been grouped together based on certain characteristics such. The piping class or pipe class is an important document that specifies all the required components under a specific design limit. This basic practice explains the standard system used to assign code numbers to equipment.
            
	
		 
	 
         
 
    
         
        From pymedaca.com 
                    Piping Material Specification The Virtural Piping design classroom What Is Piping Class A1A  This document specifies piping material requirements for pipe class a1a. This basic practice explains the standard system used to assign code numbers to equipment. A piping class is defined as an assembly of piping components that are suitable for a defined service and design limits within a piping system. Ratings etc for piping items like pipes, flanges, fittings, valves, gaskets,. What Is Piping Class A1A.
     
    
         
        From modelrefinery.com 
                    Making Piping classes is straight forward What Is Piping Class A1A  It lists the rating as 150, base material as carbon steel, and corrosion allowance as 1.5 mm. The piping class or pipe class is an important document that specifies all the required components under a specific design limit. Ratings etc for piping items like pipes, flanges, fittings, valves, gaskets, bolting, traps and strainers. This basic practice explains the standard system. What Is Piping Class A1A.
     
    
         
        From www.youtube.com 
                    Piping material specification(PMS) YouTube What Is Piping Class A1A  A piping class is essentially a classification of piping components that have been grouped together based on certain characteristics such. The piping class or pipe class is an important document that specifies all the required components under a specific design limit. This document specifies piping material requirements for pipe class a1a. A piping class is defined as an assembly of. What Is Piping Class A1A.
     
    
         
        From hardhatengineer.com 
                    Pipe Class and piping specifications Must Know of Pipe for Engineer What Is Piping Class A1A  This basic practice explains the standard system used to assign code numbers to equipment. The piping class or pipe class is an important document that specifies all the required components under a specific design limit. What is a piping class? Ratings etc for piping items like pipes, flanges, fittings, valves, gaskets, bolting, traps and strainers. A piping class is essentially. What Is Piping Class A1A.
     
    
         
        From www.petrosync.com 
                    What Are Piping Classes? Design & Piping Classification What Is Piping Class A1A  A piping class is essentially a classification of piping components that have been grouped together based on certain characteristics such. It lists the rating as 150, base material as carbon steel, and corrosion allowance as 1.5 mm. Typically, class a pipes are suitable for applications with low pressure and low. A piping class is defined as an assembly of piping. What Is Piping Class A1A.
     
    
         
        From www.youtube.com 
                    Piping Material Specification II Format & Basic elements YouTube What Is Piping Class A1A  A piping class is defined as an assembly of piping components that are suitable for a defined service and design limits within a piping system. Typically, class a pipes are suitable for applications with low pressure and low. What is a piping class? This basic practice explains the standard system used to assign code numbers to equipment. It lists the. What Is Piping Class A1A.
     
    
         
        From mavink.com 
                    Piping Cheat Sheet What Is Piping Class A1A  This document specifies piping material requirements for pipe class a1a. The piping class or pipe class is an important document that specifies all the required components under a specific design limit. What is a piping class? Typically, class a pipes are suitable for applications with low pressure and low. This basic practice explains the standard system used to assign code. What Is Piping Class A1A.
     
    
         
        From www.youtube.com 
                    Piping Pipe classification Pipe schedule YouTube What Is Piping Class A1A  This basic practice explains the standard system used to assign code numbers to equipment. What is a piping class? The piping class or pipe class is an important document that specifies all the required components under a specific design limit. Ratings etc for piping items like pipes, flanges, fittings, valves, gaskets, bolting, traps and strainers. A piping class is essentially. What Is Piping Class A1A.
     
    
         
        From dokumen.tips 
                    Piping Class What Is Piping Class A1A  This basic practice explains the standard system used to assign code numbers to equipment. Ratings etc for piping items like pipes, flanges, fittings, valves, gaskets, bolting, traps and strainers. A piping class is defined as an assembly of piping components that are suitable for a defined service and design limits within a piping system. This document specifies piping material requirements. What Is Piping Class A1A.
     
    
         
        From www.youtube.com 
                    Que es un Piping Class y su Importancia YouTube What Is Piping Class A1A  It lists the rating as 150, base material as carbon steel, and corrosion allowance as 1.5 mm. The piping class or pipe class is an important document that specifies all the required components under a specific design limit. Ratings etc for piping items like pipes, flanges, fittings, valves, gaskets, bolting, traps and strainers. This basic practice explains the standard system. What Is Piping Class A1A.
     
    
         
        From pymedaca.com 
                    Piping Material Specification The Virtural Piping design classroom What Is Piping Class A1A  It lists the rating as 150, base material as carbon steel, and corrosion allowance as 1.5 mm. This document specifies piping material requirements for pipe class a1a. A piping class is defined as an assembly of piping components that are suitable for a defined service and design limits within a piping system. What is a piping class? A piping class. What Is Piping Class A1A.
     
    
         
        From www.northerncrescent.ca 
                    Piping Classes Northern Crescent What Is Piping Class A1A  A piping class is defined as an assembly of piping components that are suitable for a defined service and design limits within a piping system. A piping class is essentially a classification of piping components that have been grouped together based on certain characteristics such. What is a piping class? Typically, class a pipes are suitable for applications with low. What Is Piping Class A1A.
     
    
         
        From mavink.com 
                    Pvc Pipe Classification Chart What Is Piping Class A1A  It lists the rating as 150, base material as carbon steel, and corrosion allowance as 1.5 mm. Ratings etc for piping items like pipes, flanges, fittings, valves, gaskets, bolting, traps and strainers. The piping class or pipe class is an important document that specifies all the required components under a specific design limit. What is a piping class? This basic. What Is Piping Class A1A.
     
    
         
        From www.mepskills.com 
                    Pipe Color Code Standard and Piping Color Codes Chart ( Clear Explanation ) What Is Piping Class A1A  This basic practice explains the standard system used to assign code numbers to equipment. It lists the rating as 150, base material as carbon steel, and corrosion allowance as 1.5 mm. This document specifies piping material requirements for pipe class a1a. A piping class is defined as an assembly of piping components that are suitable for a defined service and. What Is Piping Class A1A.
     
    
         
        From www.scribd.com 
                    Piping Material Classes PDF Stainless Steel Steel What Is Piping Class A1A  The piping class or pipe class is an important document that specifies all the required components under a specific design limit. This basic practice explains the standard system used to assign code numbers to equipment. What is a piping class? It lists the rating as 150, base material as carbon steel, and corrosion allowance as 1.5 mm. This document specifies. What Is Piping Class A1A.
     
    
         
        From www.youtube.com 
                    What is a Pipe, Pipe Class, and Specifications Piping Basics What Is Piping Class A1A  It lists the rating as 150, base material as carbon steel, and corrosion allowance as 1.5 mm. A piping class is essentially a classification of piping components that have been grouped together based on certain characteristics such. This basic practice explains the standard system used to assign code numbers to equipment. This document specifies piping material requirements for pipe class. What Is Piping Class A1A.
     
    
         
        From www.allaboutpiping.com 
                    What Is Piping? How Piping Is Different From Plumbing? ALL ABOUT PIPING What Is Piping Class A1A  This basic practice explains the standard system used to assign code numbers to equipment. Ratings etc for piping items like pipes, flanges, fittings, valves, gaskets, bolting, traps and strainers. What is a piping class? This document specifies piping material requirements for pipe class a1a. Typically, class a pipes are suitable for applications with low pressure and low. A piping class. What Is Piping Class A1A.
     
    
         
        From www.tubomart.com 
                    Pipe Class and Piping Specifications Tubomart What Is Piping Class A1A  Ratings etc for piping items like pipes, flanges, fittings, valves, gaskets, bolting, traps and strainers. This document specifies piping material requirements for pipe class a1a. A piping class is essentially a classification of piping components that have been grouped together based on certain characteristics such. It lists the rating as 150, base material as carbon steel, and corrosion allowance as. What Is Piping Class A1A.
     
    
         
        From studylib.net 
                    A1A RUFF What Is Piping Class A1A  Typically, class a pipes are suitable for applications with low pressure and low. It lists the rating as 150, base material as carbon steel, and corrosion allowance as 1.5 mm. Ratings etc for piping items like pipes, flanges, fittings, valves, gaskets, bolting, traps and strainers. What is a piping class? The piping class or pipe class is an important document. What Is Piping Class A1A.
     
    
         
        From www.youtube.com 
                    FAQs Understanding Pipes, Types, and Sizes Piping Engineering YouTube What Is Piping Class A1A  A piping class is essentially a classification of piping components that have been grouped together based on certain characteristics such. This document specifies piping material requirements for pipe class a1a. This basic practice explains the standard system used to assign code numbers to equipment. It lists the rating as 150, base material as carbon steel, and corrosion allowance as 1.5. What Is Piping Class A1A.
     
    
         
        From www.scribd.com 
                    Piping Class What Is Piping Class A1A  Typically, class a pipes are suitable for applications with low pressure and low. A piping class is defined as an assembly of piping components that are suitable for a defined service and design limits within a piping system. Ratings etc for piping items like pipes, flanges, fittings, valves, gaskets, bolting, traps and strainers. What is a piping class? It lists. What Is Piping Class A1A.
     
    
         
        From abocasino8.com 
                    A1A Piping Class What Is Piping Class A1A  A piping class is essentially a classification of piping components that have been grouped together based on certain characteristics such. What is a piping class? This basic practice explains the standard system used to assign code numbers to equipment. A piping class is defined as an assembly of piping components that are suitable for a defined service and design limits. What Is Piping Class A1A.
     
    
         
        From www.scribd.com 
                    A1AN Piping Class PDF What Is Piping Class A1A  A piping class is defined as an assembly of piping components that are suitable for a defined service and design limits within a piping system. A piping class is essentially a classification of piping components that have been grouped together based on certain characteristics such. What is a piping class? It lists the rating as 150, base material as carbon. What Is Piping Class A1A.
     
    
         
        From www.scribd.com 
                    Piping Class A1 2 AXION PDF What Is Piping Class A1A  This basic practice explains the standard system used to assign code numbers to equipment. It lists the rating as 150, base material as carbon steel, and corrosion allowance as 1.5 mm. Typically, class a pipes are suitable for applications with low pressure and low. The piping class or pipe class is an important document that specifies all the required components. What Is Piping Class A1A.
     
    
         
        From www.northerncrescent.ca 
                    Few words about piping classes (Part 1) Northern Crescent Inc. What Is Piping Class A1A  It lists the rating as 150, base material as carbon steel, and corrosion allowance as 1.5 mm. Typically, class a pipes are suitable for applications with low pressure and low. This document specifies piping material requirements for pipe class a1a. This basic practice explains the standard system used to assign code numbers to equipment. A piping class is essentially a. What Is Piping Class A1A.
     
    
         
        From pymedaca.com 
                    Piping Material Specification What Is Piping Class A1A  Ratings etc for piping items like pipes, flanges, fittings, valves, gaskets, bolting, traps and strainers. The piping class or pipe class is an important document that specifies all the required components under a specific design limit. A piping class is essentially a classification of piping components that have been grouped together based on certain characteristics such. This basic practice explains. What Is Piping Class A1A.
     
    
         
        From www.youtube.com 
                    Pipe class tutorial (Part 1) YouTube What Is Piping Class A1A  Ratings etc for piping items like pipes, flanges, fittings, valves, gaskets, bolting, traps and strainers. The piping class or pipe class is an important document that specifies all the required components under a specific design limit. It lists the rating as 150, base material as carbon steel, and corrosion allowance as 1.5 mm. What is a piping class? Typically, class. What Is Piping Class A1A.
     
    
         
        From pymedaca.com 
                    Piping Material Specification What Is Piping Class A1A  A piping class is essentially a classification of piping components that have been grouped together based on certain characteristics such. Typically, class a pipes are suitable for applications with low pressure and low. Ratings etc for piping items like pipes, flanges, fittings, valves, gaskets, bolting, traps and strainers. It lists the rating as 150, base material as carbon steel, and. What Is Piping Class A1A.
     
    
         
        From www.scribd.com 
                    Piping Class Completo PDF Pipe (Fluid Conveyance) Metalworking What Is Piping Class A1A  A piping class is defined as an assembly of piping components that are suitable for a defined service and design limits within a piping system. Typically, class a pipes are suitable for applications with low pressure and low. A piping class is essentially a classification of piping components that have been grouped together based on certain characteristics such. Ratings etc. What Is Piping Class A1A.
     
    
         
        From www.scribd.com 
                    Piping Material Specification Pipe Class A1A PDF Pipe (Fluid What Is Piping Class A1A  What is a piping class? A piping class is essentially a classification of piping components that have been grouped together based on certain characteristics such. The piping class or pipe class is an important document that specifies all the required components under a specific design limit. Ratings etc for piping items like pipes, flanges, fittings, valves, gaskets, bolting, traps and. What Is Piping Class A1A.
     
    
         
        From www.scribd.com 
                    Piping Class Example PDF Pipeline Transport Specification What Is Piping Class A1A  This basic practice explains the standard system used to assign code numbers to equipment. What is a piping class? A piping class is defined as an assembly of piping components that are suitable for a defined service and design limits within a piping system. It lists the rating as 150, base material as carbon steel, and corrosion allowance as 1.5. What Is Piping Class A1A.
     
    
         
        From www.youtube.com 
                    Introduction to Piping Types of pipes YouTube What Is Piping Class A1A  Ratings etc for piping items like pipes, flanges, fittings, valves, gaskets, bolting, traps and strainers. It lists the rating as 150, base material as carbon steel, and corrosion allowance as 1.5 mm. This document specifies piping material requirements for pipe class a1a. A piping class is defined as an assembly of piping components that are suitable for a defined service. What Is Piping Class A1A.
     
    
         
        From www.disco.co.jp 
                    A1A/K1A Dicing Blades Product Information DISCO Corporation What Is Piping Class A1A  The piping class or pipe class is an important document that specifies all the required components under a specific design limit. A piping class is essentially a classification of piping components that have been grouped together based on certain characteristics such. What is a piping class? This document specifies piping material requirements for pipe class a1a. Typically, class a pipes. What Is Piping Class A1A.
     
    
         
        From www.youtube.com 
                    Pipe Class and Piping Specification A Complete Guide YouTube What Is Piping Class A1A  A piping class is essentially a classification of piping components that have been grouped together based on certain characteristics such. This basic practice explains the standard system used to assign code numbers to equipment. This document specifies piping material requirements for pipe class a1a. Typically, class a pipes are suitable for applications with low pressure and low. A piping class. What Is Piping Class A1A.
     
    
         
        From www.scribd.com 
                    A1AH Piping Class PDF What Is Piping Class A1A  What is a piping class? This document specifies piping material requirements for pipe class a1a. Typically, class a pipes are suitable for applications with low pressure and low. A piping class is defined as an assembly of piping components that are suitable for a defined service and design limits within a piping system. Ratings etc for piping items like pipes,. What Is Piping Class A1A.