Hall Effect Sensor Voltage Measurement . The output of the hall sensor, which is a voltage proportional to the core magnetic field, is amplified and converted to a current signal that goes through the secondary winding. Hall effect sensors measure magnetic fields, and this article provides a baseline of information on how to interpret data sheet parameters and apply them. The output signal from a hall effect sensor is the function of magnetic field density around the device. When the magnetic flux density around the sensor exceeds a. This field is measured by a hall effect sensor placed in the core air gap.
from standexelectronics.com
The output signal from a hall effect sensor is the function of magnetic field density around the device. The output of the hall sensor, which is a voltage proportional to the core magnetic field, is amplified and converted to a current signal that goes through the secondary winding. Hall effect sensors measure magnetic fields, and this article provides a baseline of information on how to interpret data sheet parameters and apply them. This field is measured by a hall effect sensor placed in the core air gap. When the magnetic flux density around the sensor exceeds a.
Sensing Reed Switches vs. Hall Effect Standex Electronics
Hall Effect Sensor Voltage Measurement The output of the hall sensor, which is a voltage proportional to the core magnetic field, is amplified and converted to a current signal that goes through the secondary winding. The output of the hall sensor, which is a voltage proportional to the core magnetic field, is amplified and converted to a current signal that goes through the secondary winding. Hall effect sensors measure magnetic fields, and this article provides a baseline of information on how to interpret data sheet parameters and apply them. This field is measured by a hall effect sensor placed in the core air gap. When the magnetic flux density around the sensor exceeds a. The output signal from a hall effect sensor is the function of magnetic field density around the device.
From microcontrollerslab.com
ac current measurement using acs712 hall effect current sensor and Arduino Hall Effect Sensor Voltage Measurement The output of the hall sensor, which is a voltage proportional to the core magnetic field, is amplified and converted to a current signal that goes through the secondary winding. This field is measured by a hall effect sensor placed in the core air gap. When the magnetic flux density around the sensor exceeds a. The output signal from a. Hall Effect Sensor Voltage Measurement.
From jsmithmoore.com
Hall effect sensor module Hall Effect Sensor Voltage Measurement This field is measured by a hall effect sensor placed in the core air gap. When the magnetic flux density around the sensor exceeds a. The output of the hall sensor, which is a voltage proportional to the core magnetic field, is amplified and converted to a current signal that goes through the secondary winding. Hall effect sensors measure magnetic. Hall Effect Sensor Voltage Measurement.
From www.sonnecy-shop.com
SONNECY Hall Effect Voltage Sensor CYHVS100T, Output 04V o... Hall Effect Sensor Voltage Measurement When the magnetic flux density around the sensor exceeds a. This field is measured by a hall effect sensor placed in the core air gap. Hall effect sensors measure magnetic fields, and this article provides a baseline of information on how to interpret data sheet parameters and apply them. The output of the hall sensor, which is a voltage proportional. Hall Effect Sensor Voltage Measurement.
From www.circuits-diy.com
Multipurpose Hall Effect Sensor Circuit DRV5013 Hall Effect Sensor Voltage Measurement When the magnetic flux density around the sensor exceeds a. The output of the hall sensor, which is a voltage proportional to the core magnetic field, is amplified and converted to a current signal that goes through the secondary winding. The output signal from a hall effect sensor is the function of magnetic field density around the device. This field. Hall Effect Sensor Voltage Measurement.
From maker.pro
How to Use a Hall Effect Sensor With Arduino Education Maker Pro Hall Effect Sensor Voltage Measurement Hall effect sensors measure magnetic fields, and this article provides a baseline of information on how to interpret data sheet parameters and apply them. The output of the hall sensor, which is a voltage proportional to the core magnetic field, is amplified and converted to a current signal that goes through the secondary winding. The output signal from a hall. Hall Effect Sensor Voltage Measurement.
From theinstrumentguru.com
Hall effect sensor Hall Sensor THE INSTRUMENT GURU Hall Effect Sensor Voltage Measurement Hall effect sensors measure magnetic fields, and this article provides a baseline of information on how to interpret data sheet parameters and apply them. This field is measured by a hall effect sensor placed in the core air gap. The output signal from a hall effect sensor is the function of magnetic field density around the device. The output of. Hall Effect Sensor Voltage Measurement.
From www.allaboutcircuits.com
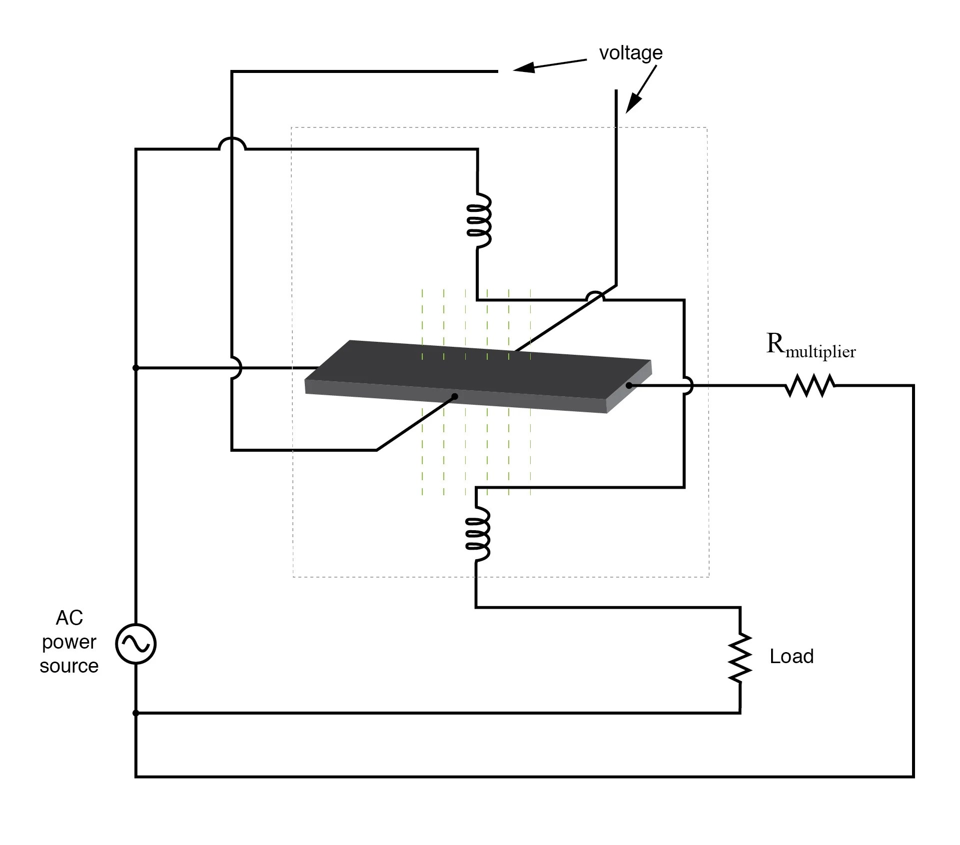
Power Measurement AC Metering Circuits Electronics Textbook Hall Effect Sensor Voltage Measurement The output of the hall sensor, which is a voltage proportional to the core magnetic field, is amplified and converted to a current signal that goes through the secondary winding. Hall effect sensors measure magnetic fields, and this article provides a baseline of information on how to interpret data sheet parameters and apply them. When the magnetic flux density around. Hall Effect Sensor Voltage Measurement.
From www.edaboard.com
How to connect hall effect sensors and PICto measure the solar PV energy?? Hall Effect Sensor Voltage Measurement This field is measured by a hall effect sensor placed in the core air gap. When the magnetic flux density around the sensor exceeds a. Hall effect sensors measure magnetic fields, and this article provides a baseline of information on how to interpret data sheet parameters and apply them. The output signal from a hall effect sensor is the function. Hall Effect Sensor Voltage Measurement.
From klacodgxp.blob.core.windows.net
Hall Effect Current Sensor Vs Current Transformer at Jason Cunningham blog Hall Effect Sensor Voltage Measurement Hall effect sensors measure magnetic fields, and this article provides a baseline of information on how to interpret data sheet parameters and apply them. When the magnetic flux density around the sensor exceeds a. The output of the hall sensor, which is a voltage proportional to the core magnetic field, is amplified and converted to a current signal that goes. Hall Effect Sensor Voltage Measurement.
From electricalfundablog.com
Hall Effect Sensors Work, Types, Applications, Advantages and Hall Effect Sensor Voltage Measurement Hall effect sensors measure magnetic fields, and this article provides a baseline of information on how to interpret data sheet parameters and apply them. This field is measured by a hall effect sensor placed in the core air gap. When the magnetic flux density around the sensor exceeds a. The output of the hall sensor, which is a voltage proportional. Hall Effect Sensor Voltage Measurement.
From www.azosensors.com
An Introduction to Hall Effect Sensors Hall Effect Sensor Voltage Measurement This field is measured by a hall effect sensor placed in the core air gap. Hall effect sensors measure magnetic fields, and this article provides a baseline of information on how to interpret data sheet parameters and apply them. The output of the hall sensor, which is a voltage proportional to the core magnetic field, is amplified and converted to. Hall Effect Sensor Voltage Measurement.
From www.directindustry.com
Hall effect voltage sensor RTV251000 series Rongtech Industry Hall Effect Sensor Voltage Measurement Hall effect sensors measure magnetic fields, and this article provides a baseline of information on how to interpret data sheet parameters and apply them. This field is measured by a hall effect sensor placed in the core air gap. The output signal from a hall effect sensor is the function of magnetic field density around the device. When the magnetic. Hall Effect Sensor Voltage Measurement.
From www.indiamart.com
Isolated Hall Effect Voltage Measurement Module, For Inverters And Dc Hall Effect Sensor Voltage Measurement Hall effect sensors measure magnetic fields, and this article provides a baseline of information on how to interpret data sheet parameters and apply them. The output of the hall sensor, which is a voltage proportional to the core magnetic field, is amplified and converted to a current signal that goes through the secondary winding. When the magnetic flux density around. Hall Effect Sensor Voltage Measurement.
From www.acrel-electric.co.in
0500A Dc Current Measurement Using Hall Effect Sensor With 4V/5V Output Hall Effect Sensor Voltage Measurement When the magnetic flux density around the sensor exceeds a. This field is measured by a hall effect sensor placed in the core air gap. The output signal from a hall effect sensor is the function of magnetic field density around the device. The output of the hall sensor, which is a voltage proportional to the core magnetic field, is. Hall Effect Sensor Voltage Measurement.
From eee-resetsg.blogspot.com
Electrical and Electronics Engineering Hall Effect Sensor Principals!!! Hall Effect Sensor Voltage Measurement The output of the hall sensor, which is a voltage proportional to the core magnetic field, is amplified and converted to a current signal that goes through the secondary winding. The output signal from a hall effect sensor is the function of magnetic field density around the device. Hall effect sensors measure magnetic fields, and this article provides a baseline. Hall Effect Sensor Voltage Measurement.
From www.bartleby.com
Hall Effect Sensors bartleby Hall Effect Sensor Voltage Measurement This field is measured by a hall effect sensor placed in the core air gap. The output of the hall sensor, which is a voltage proportional to the core magnetic field, is amplified and converted to a current signal that goes through the secondary winding. When the magnetic flux density around the sensor exceeds a. Hall effect sensors measure magnetic. Hall Effect Sensor Voltage Measurement.
From www.thannermoebel.at
Lvyuanda 10PCS 49E Hall Element OH49E Voltage Regulator Hall Effect Hall Effect Sensor Voltage Measurement This field is measured by a hall effect sensor placed in the core air gap. Hall effect sensors measure magnetic fields, and this article provides a baseline of information on how to interpret data sheet parameters and apply them. When the magnetic flux density around the sensor exceeds a. The output signal from a hall effect sensor is the function. Hall Effect Sensor Voltage Measurement.
From pubs.sciepub.com
Position Measurement with Hall Effect Sensors Hall Effect Sensor Voltage Measurement The output of the hall sensor, which is a voltage proportional to the core magnetic field, is amplified and converted to a current signal that goes through the secondary winding. This field is measured by a hall effect sensor placed in the core air gap. The output signal from a hall effect sensor is the function of magnetic field density. Hall Effect Sensor Voltage Measurement.
From microcontrollerslab.com
ac current measurement using acs712 hall effect current sensor and Arduino Hall Effect Sensor Voltage Measurement Hall effect sensors measure magnetic fields, and this article provides a baseline of information on how to interpret data sheet parameters and apply them. The output of the hall sensor, which is a voltage proportional to the core magnetic field, is amplified and converted to a current signal that goes through the secondary winding. This field is measured by a. Hall Effect Sensor Voltage Measurement.
From www.desertcart.in
Buy RPM Speed Meter Hall Proximity Switch Sensor 4 Digital LED Hall Effect Sensor Voltage Measurement This field is measured by a hall effect sensor placed in the core air gap. The output of the hall sensor, which is a voltage proportional to the core magnetic field, is amplified and converted to a current signal that goes through the secondary winding. Hall effect sensors measure magnetic fields, and this article provides a baseline of information on. Hall Effect Sensor Voltage Measurement.
From www.semiconductorforu.com
What is an HallEffect Current Sensor Semiconductor for You Hall Effect Sensor Voltage Measurement This field is measured by a hall effect sensor placed in the core air gap. The output of the hall sensor, which is a voltage proportional to the core magnetic field, is amplified and converted to a current signal that goes through the secondary winding. The output signal from a hall effect sensor is the function of magnetic field density. Hall Effect Sensor Voltage Measurement.
From www.electronics-lab.com
3 Phase Isolated Halleffect Current Sense Amplifier with +/600V Hall Effect Sensor Voltage Measurement This field is measured by a hall effect sensor placed in the core air gap. When the magnetic flux density around the sensor exceeds a. The output signal from a hall effect sensor is the function of magnetic field density around the device. Hall effect sensors measure magnetic fields, and this article provides a baseline of information on how to. Hall Effect Sensor Voltage Measurement.
From www.icrfq.net
Everything You Should Know About Hall Effect Sensors Hall Effect Sensor Voltage Measurement The output of the hall sensor, which is a voltage proportional to the core magnetic field, is amplified and converted to a current signal that goes through the secondary winding. Hall effect sensors measure magnetic fields, and this article provides a baseline of information on how to interpret data sheet parameters and apply them. This field is measured by a. Hall Effect Sensor Voltage Measurement.
From www.thannermoebel.at
Lvyuanda 10PCS 49E Hall Element OH49E Voltage Regulator Hall Effect Hall Effect Sensor Voltage Measurement Hall effect sensors measure magnetic fields, and this article provides a baseline of information on how to interpret data sheet parameters and apply them. The output signal from a hall effect sensor is the function of magnetic field density around the device. This field is measured by a hall effect sensor placed in the core air gap. The output of. Hall Effect Sensor Voltage Measurement.
From www.researchgate.net
Photoinduced Hall effect in platinum and its origin. (A) Voltage vs Hall Effect Sensor Voltage Measurement The output signal from a hall effect sensor is the function of magnetic field density around the device. The output of the hall sensor, which is a voltage proportional to the core magnetic field, is amplified and converted to a current signal that goes through the secondary winding. This field is measured by a hall effect sensor placed in the. Hall Effect Sensor Voltage Measurement.
From www.sonnecy-shop.com
SONNECY Hall Effect Voltage Sensor CYHVS025T, Output ±25mA,... Hall Effect Sensor Voltage Measurement Hall effect sensors measure magnetic fields, and this article provides a baseline of information on how to interpret data sheet parameters and apply them. The output signal from a hall effect sensor is the function of magnetic field density around the device. When the magnetic flux density around the sensor exceeds a. The output of the hall sensor, which is. Hall Effect Sensor Voltage Measurement.
From www.youtube.com
What is Hall Effect and How Hall Effect Sensors Work YouTube Hall Effect Sensor Voltage Measurement This field is measured by a hall effect sensor placed in the core air gap. Hall effect sensors measure magnetic fields, and this article provides a baseline of information on how to interpret data sheet parameters and apply them. The output signal from a hall effect sensor is the function of magnetic field density around the device. When the magnetic. Hall Effect Sensor Voltage Measurement.
From www.sonnecy-shop.com
SONNECY Hall Effect Voltage Sensor CYHVS1020A, Output 20mA... Hall Effect Sensor Voltage Measurement Hall effect sensors measure magnetic fields, and this article provides a baseline of information on how to interpret data sheet parameters and apply them. This field is measured by a hall effect sensor placed in the core air gap. When the magnetic flux density around the sensor exceeds a. The output signal from a hall effect sensor is the function. Hall Effect Sensor Voltage Measurement.
From www.sonnecy-shop.com
SONNECY Hall Effect Voltage Sensor CYHVS025A, Output 25mA, Hall Effect Sensor Voltage Measurement The output of the hall sensor, which is a voltage proportional to the core magnetic field, is amplified and converted to a current signal that goes through the secondary winding. The output signal from a hall effect sensor is the function of magnetic field density around the device. This field is measured by a hall effect sensor placed in the. Hall Effect Sensor Voltage Measurement.
From www.youtube.com
Using a Hall Effect Sensor to Measure Current YouTube Hall Effect Sensor Voltage Measurement The output of the hall sensor, which is a voltage proportional to the core magnetic field, is amplified and converted to a current signal that goes through the secondary winding. This field is measured by a hall effect sensor placed in the core air gap. When the magnetic flux density around the sensor exceeds a. Hall effect sensors measure magnetic. Hall Effect Sensor Voltage Measurement.
From www.science.org
Spin Hall Effect Transistor Science Hall Effect Sensor Voltage Measurement This field is measured by a hall effect sensor placed in the core air gap. When the magnetic flux density around the sensor exceeds a. The output signal from a hall effect sensor is the function of magnetic field density around the device. Hall effect sensors measure magnetic fields, and this article provides a baseline of information on how to. Hall Effect Sensor Voltage Measurement.
From www.monolithicpower.com
Hall Effect Sensors A Comprehensive Guide Article MPS Hall Effect Sensor Voltage Measurement The output signal from a hall effect sensor is the function of magnetic field density around the device. Hall effect sensors measure magnetic fields, and this article provides a baseline of information on how to interpret data sheet parameters and apply them. The output of the hall sensor, which is a voltage proportional to the core magnetic field, is amplified. Hall Effect Sensor Voltage Measurement.
From www.scribd.com
Hall Effect Data Sheet Sensor Electric Current Hall Effect Sensor Voltage Measurement When the magnetic flux density around the sensor exceeds a. Hall effect sensors measure magnetic fields, and this article provides a baseline of information on how to interpret data sheet parameters and apply them. The output signal from a hall effect sensor is the function of magnetic field density around the device. This field is measured by a hall effect. Hall Effect Sensor Voltage Measurement.
From researchdesignlab.com
Hall Effect Current Sensor 30A Hall Effect Sensor Voltage Measurement The output signal from a hall effect sensor is the function of magnetic field density around the device. This field is measured by a hall effect sensor placed in the core air gap. The output of the hall sensor, which is a voltage proportional to the core magnetic field, is amplified and converted to a current signal that goes through. Hall Effect Sensor Voltage Measurement.
From standexelectronics.com
Sensing Reed Switches vs. Hall Effect Standex Electronics Hall Effect Sensor Voltage Measurement Hall effect sensors measure magnetic fields, and this article provides a baseline of information on how to interpret data sheet parameters and apply them. This field is measured by a hall effect sensor placed in the core air gap. The output of the hall sensor, which is a voltage proportional to the core magnetic field, is amplified and converted to. Hall Effect Sensor Voltage Measurement.