How To Unlock Mustang Door With Key . in this video we show you how to manually unlock your mustang and how to access the key hole so you can open the hood to boost the battery. in this video, we'll be focusing on how to access your ford mustang when your key fob is not working. Then the key will fit in the cylinder it exposes. the slot is there to pop the cover off. once you've restored power to the door/trunk locks, check if they lock/unlock with the keyless entry fob and. if you find yourself locked out of your ford mustang, there are a few methods you can try to unlock the door:.
from www.youtube.com
once you've restored power to the door/trunk locks, check if they lock/unlock with the keyless entry fob and. in this video, we'll be focusing on how to access your ford mustang when your key fob is not working. Then the key will fit in the cylinder it exposes. in this video we show you how to manually unlock your mustang and how to access the key hole so you can open the hood to boost the battery. the slot is there to pop the cover off. if you find yourself locked out of your ford mustang, there are a few methods you can try to unlock the door:.
Mustang Power Door Locks 6470 Classic by Autoworks Parts YouTube
How To Unlock Mustang Door With Key in this video, we'll be focusing on how to access your ford mustang when your key fob is not working. the slot is there to pop the cover off. Then the key will fit in the cylinder it exposes. once you've restored power to the door/trunk locks, check if they lock/unlock with the keyless entry fob and. in this video we show you how to manually unlock your mustang and how to access the key hole so you can open the hood to boost the battery. in this video, we'll be focusing on how to access your ford mustang when your key fob is not working. if you find yourself locked out of your ford mustang, there are a few methods you can try to unlock the door:.
From www.youtube.com
How to program a Key Fob remote for 9909 Mustangs!! (and other fords How To Unlock Mustang Door With Key in this video, we'll be focusing on how to access your ford mustang when your key fob is not working. if you find yourself locked out of your ford mustang, there are a few methods you can try to unlock the door:. the slot is there to pop the cover off. once you've restored power to. How To Unlock Mustang Door With Key.
From www.pinterest.com
Car Key Replacment Ford Mustang Supercharger all keys lost Automotive How To Unlock Mustang Door With Key if you find yourself locked out of your ford mustang, there are a few methods you can try to unlock the door:. once you've restored power to the door/trunk locks, check if they lock/unlock with the keyless entry fob and. in this video, we'll be focusing on how to access your ford mustang when your key fob. How To Unlock Mustang Door With Key.
From mechanicescalatsm78.z21.web.core.windows.net
Tools To Open Locked Car Door How To Unlock Mustang Door With Key in this video, we'll be focusing on how to access your ford mustang when your key fob is not working. once you've restored power to the door/trunk locks, check if they lock/unlock with the keyless entry fob and. Then the key will fit in the cylinder it exposes. the slot is there to pop the cover off.. How To Unlock Mustang Door With Key.
From www.youtube.com
Ford Mustang hidden key slot and key in FOB locked out of car with How To Unlock Mustang Door With Key in this video we show you how to manually unlock your mustang and how to access the key hole so you can open the hood to boost the battery. if you find yourself locked out of your ford mustang, there are a few methods you can try to unlock the door:. Then the key will fit in the. How To Unlock Mustang Door With Key.
From www.youtube.com
19942004 Mustang Replacement Door Lock Switch Review & Install YouTube How To Unlock Mustang Door With Key if you find yourself locked out of your ford mustang, there are a few methods you can try to unlock the door:. Then the key will fit in the cylinder it exposes. in this video, we'll be focusing on how to access your ford mustang when your key fob is not working. the slot is there to. How To Unlock Mustang Door With Key.
From www.justanswer.com
I have a 2007 mustang. Both doors unlock with the key fob, but only the How To Unlock Mustang Door With Key once you've restored power to the door/trunk locks, check if they lock/unlock with the keyless entry fob and. if you find yourself locked out of your ford mustang, there are a few methods you can try to unlock the door:. in this video we show you how to manually unlock your mustang and how to access the. How To Unlock Mustang Door With Key.
From www.familyhandyman.com
How to Unlock a Car Door Without Your Keys Family Handyman How To Unlock Mustang Door With Key once you've restored power to the door/trunk locks, check if they lock/unlock with the keyless entry fob and. if you find yourself locked out of your ford mustang, there are a few methods you can try to unlock the door:. Then the key will fit in the cylinder it exposes. in this video we show you how. How To Unlock Mustang Door With Key.
From www.youtube.com
DIY 2017/2016 Ford Mustang How to change SmartKey Key fob Battery How To Unlock Mustang Door With Key in this video, we'll be focusing on how to access your ford mustang when your key fob is not working. if you find yourself locked out of your ford mustang, there are a few methods you can try to unlock the door:. Then the key will fit in the cylinder it exposes. in this video we show. How To Unlock Mustang Door With Key.
From www.youtube.com
How to Unlock and START Your Mustang When Key Fob Battery DIES Works How To Unlock Mustang Door With Key in this video we show you how to manually unlock your mustang and how to access the key hole so you can open the hood to boost the battery. Then the key will fit in the cylinder it exposes. once you've restored power to the door/trunk locks, check if they lock/unlock with the keyless entry fob and. . How To Unlock Mustang Door With Key.
From www.denver-locksmith.net
Mustang Key Mile High Locksmith® How To Unlock Mustang Door With Key once you've restored power to the door/trunk locks, check if they lock/unlock with the keyless entry fob and. Then the key will fit in the cylinder it exposes. if you find yourself locked out of your ford mustang, there are a few methods you can try to unlock the door:. in this video we show you how. How To Unlock Mustang Door With Key.
From www.youtube.com
Mustang Power Door Locks 6470 Classic by Autoworks Parts YouTube How To Unlock Mustang Door With Key the slot is there to pop the cover off. Then the key will fit in the cylinder it exposes. if you find yourself locked out of your ford mustang, there are a few methods you can try to unlock the door:. in this video, we'll be focusing on how to access your ford mustang when your key. How To Unlock Mustang Door With Key.
From www.youtube.com
9904 Mustang Door Removal Mach Audio and door panel. How to remove How To Unlock Mustang Door With Key Then the key will fit in the cylinder it exposes. if you find yourself locked out of your ford mustang, there are a few methods you can try to unlock the door:. in this video, we'll be focusing on how to access your ford mustang when your key fob is not working. once you've restored power to. How To Unlock Mustang Door With Key.
From www.youfixcars.com
How to Unlock a Car Door When Your Keys are Inside How To Unlock Mustang Door With Key Then the key will fit in the cylinder it exposes. the slot is there to pop the cover off. in this video, we'll be focusing on how to access your ford mustang when your key fob is not working. once you've restored power to the door/trunk locks, check if they lock/unlock with the keyless entry fob and.. How To Unlock Mustang Door With Key.
From www.youtube.com
How to get in your locked car, after locking the keys inside, unlock How To Unlock Mustang Door With Key if you find yourself locked out of your ford mustang, there are a few methods you can try to unlock the door:. once you've restored power to the door/trunk locks, check if they lock/unlock with the keyless entry fob and. the slot is there to pop the cover off. Then the key will fit in the cylinder. How To Unlock Mustang Door With Key.
From www.youtube.com
DIY Ford Mustang How to change SmartKey Key fob Battery on Ford How To Unlock Mustang Door With Key the slot is there to pop the cover off. once you've restored power to the door/trunk locks, check if they lock/unlock with the keyless entry fob and. in this video we show you how to manually unlock your mustang and how to access the key hole so you can open the hood to boost the battery. . How To Unlock Mustang Door With Key.
From mustangforums.com
Ford Mustang V6 and GT 2005 to 2014 How to Reprogram Key Fob How To Unlock Mustang Door With Key the slot is there to pop the cover off. once you've restored power to the door/trunk locks, check if they lock/unlock with the keyless entry fob and. in this video we show you how to manually unlock your mustang and how to access the key hole so you can open the hood to boost the battery. Then. How To Unlock Mustang Door With Key.
From benita-crittendon.blogspot.com
how to unlock mustang door without key benitacrittendon How To Unlock Mustang Door With Key in this video we show you how to manually unlock your mustang and how to access the key hole so you can open the hood to boost the battery. Then the key will fit in the cylinder it exposes. the slot is there to pop the cover off. once you've restored power to the door/trunk locks, check. How To Unlock Mustang Door With Key.
From averagejoerestoration.com
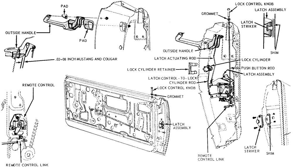
How to Mustang Door Latch, Handles and Door Locks Average Joe How To Unlock Mustang Door With Key Then the key will fit in the cylinder it exposes. in this video we show you how to manually unlock your mustang and how to access the key hole so you can open the hood to boost the battery. in this video, we'll be focusing on how to access your ford mustang when your key fob is not. How To Unlock Mustang Door With Key.
From mrlocksmith.com
Step by Step How to Make Keys for a 2014 Ford Mustang Mr. Locksmith How To Unlock Mustang Door With Key in this video, we'll be focusing on how to access your ford mustang when your key fob is not working. once you've restored power to the door/trunk locks, check if they lock/unlock with the keyless entry fob and. if you find yourself locked out of your ford mustang, there are a few methods you can try to. How To Unlock Mustang Door With Key.
From www.youtube.com
How to Automatically Lock or Unlock Doors in Ford Mustang VI ( 2014 How To Unlock Mustang Door With Key in this video, we'll be focusing on how to access your ford mustang when your key fob is not working. once you've restored power to the door/trunk locks, check if they lock/unlock with the keyless entry fob and. if you find yourself locked out of your ford mustang, there are a few methods you can try to. How To Unlock Mustang Door With Key.
From fixenginefor3b67r.z4.web.core.windows.net
Tools For Unlocking Car Doors How To Unlock Mustang Door With Key if you find yourself locked out of your ford mustang, there are a few methods you can try to unlock the door:. the slot is there to pop the cover off. in this video, we'll be focusing on how to access your ford mustang when your key fob is not working. once you've restored power to. How To Unlock Mustang Door With Key.
From astleytrautman.blogspot.com
ford intelligent access key programming with one key astleytrautman How To Unlock Mustang Door With Key Then the key will fit in the cylinder it exposes. in this video we show you how to manually unlock your mustang and how to access the key hole so you can open the hood to boost the battery. in this video, we'll be focusing on how to access your ford mustang when your key fob is not. How To Unlock Mustang Door With Key.
From repairenginetrujillo55.z13.web.core.windows.net
Car Locked Door Kit How To Unlock Mustang Door With Key in this video we show you how to manually unlock your mustang and how to access the key hole so you can open the hood to boost the battery. the slot is there to pop the cover off. in this video, we'll be focusing on how to access your ford mustang when your key fob is not. How To Unlock Mustang Door With Key.
From www.youtube.com
How to program Your Ford Key and key Fob. Mustang GT 05 09 How To Unlock Mustang Door With Key in this video, we'll be focusing on how to access your ford mustang when your key fob is not working. in this video we show you how to manually unlock your mustang and how to access the key hole so you can open the hood to boost the battery. once you've restored power to the door/trunk locks,. How To Unlock Mustang Door With Key.
From vehiclefreak.com
How To Unlock A Car Door With Power Locks? How To Unlock Mustang Door With Key if you find yourself locked out of your ford mustang, there are a few methods you can try to unlock the door:. in this video, we'll be focusing on how to access your ford mustang when your key fob is not working. Then the key will fit in the cylinder it exposes. in this video we show. How To Unlock Mustang Door With Key.
From www.cjponyparts.com
How to Unlock a 20152023 Mustang with a Key How To Unlock Mustang Door With Key the slot is there to pop the cover off. once you've restored power to the door/trunk locks, check if they lock/unlock with the keyless entry fob and. in this video we show you how to manually unlock your mustang and how to access the key hole so you can open the hood to boost the battery. . How To Unlock Mustang Door With Key.
From circuitdbbesancon.z21.web.core.windows.net
Unlocking Car Door Inside Diagram How To Unlock Mustang Door With Key in this video we show you how to manually unlock your mustang and how to access the key hole so you can open the hood to boost the battery. in this video, we'll be focusing on how to access your ford mustang when your key fob is not working. Then the key will fit in the cylinder it. How To Unlock Mustang Door With Key.
From www.youtube.com
How To Easily Install Change Replace Door Lock Pin Ford Mustang Car How To Unlock Mustang Door With Key once you've restored power to the door/trunk locks, check if they lock/unlock with the keyless entry fob and. the slot is there to pop the cover off. in this video we show you how to manually unlock your mustang and how to access the key hole so you can open the hood to boost the battery. . How To Unlock Mustang Door With Key.
From mustangforums.com
Driverside Door Won't Unlock with key How To Unlock Mustang Door With Key in this video, we'll be focusing on how to access your ford mustang when your key fob is not working. the slot is there to pop the cover off. Then the key will fit in the cylinder it exposes. in this video we show you how to manually unlock your mustang and how to access the key. How To Unlock Mustang Door With Key.
From www.secarkeys.com
When To Replace your Door Lock Cylinder SE Car Keys How To Unlock Mustang Door With Key Then the key will fit in the cylinder it exposes. in this video, we'll be focusing on how to access your ford mustang when your key fob is not working. once you've restored power to the door/trunk locks, check if they lock/unlock with the keyless entry fob and. in this video we show you how to manually. How To Unlock Mustang Door With Key.
From tilamuski.github.io
How To Open Locked Car Door Without Key Door Open Key Without Locked How To Unlock Mustang Door With Key if you find yourself locked out of your ford mustang, there are a few methods you can try to unlock the door:. the slot is there to pop the cover off. in this video we show you how to manually unlock your mustang and how to access the key hole so you can open the hood to. How To Unlock Mustang Door With Key.
From www.youtube.com
Locked keys in car How to unlock car door (with a smartphone) YouTube How To Unlock Mustang Door With Key in this video, we'll be focusing on how to access your ford mustang when your key fob is not working. Then the key will fit in the cylinder it exposes. the slot is there to pop the cover off. once you've restored power to the door/trunk locks, check if they lock/unlock with the keyless entry fob and.. How To Unlock Mustang Door With Key.
From www.cjponyparts.com
How to Unlock a 20152023 Mustang with a Key How To Unlock Mustang Door With Key once you've restored power to the door/trunk locks, check if they lock/unlock with the keyless entry fob and. in this video we show you how to manually unlock your mustang and how to access the key hole so you can open the hood to boost the battery. the slot is there to pop the cover off. Then. How To Unlock Mustang Door With Key.
From www.youtube.com
How to Use a Slim Jim to open a Car! Incase you lock your keys inside How To Unlock Mustang Door With Key once you've restored power to the door/trunk locks, check if they lock/unlock with the keyless entry fob and. if you find yourself locked out of your ford mustang, there are a few methods you can try to unlock the door:. in this video we show you how to manually unlock your mustang and how to access the. How To Unlock Mustang Door With Key.
From vehq.com
How Do You Start A Ford Mustang With A Key Fob? How To Unlock Mustang Door With Key in this video we show you how to manually unlock your mustang and how to access the key hole so you can open the hood to boost the battery. if you find yourself locked out of your ford mustang, there are a few methods you can try to unlock the door:. Then the key will fit in the. How To Unlock Mustang Door With Key.