Arduino Reverse Polarity Relay . Next day deliverysuper fast shipping Is it possible to reverse the polarity of solenoid using l293d motor driver plz tell how can i do i used the command to reverse the motor. I am new to using a relay and would like an efficient way to reverse the directions of motors. Worse, they are not prepared to take the inductive spikes that can be caused by brushed dc motors. The dpdt contact wiring on the relay would be wired such that the polarity reverse would happen when the relay was activated,. A single relay with dpdt contacts can reverse the polarity of voltage wired to a load if wired correctly. Your arduino output ports can't supply the kind of current needed by your motors.
from forum.arduino.cc
I am new to using a relay and would like an efficient way to reverse the directions of motors. Your arduino output ports can't supply the kind of current needed by your motors. Worse, they are not prepared to take the inductive spikes that can be caused by brushed dc motors. Is it possible to reverse the polarity of solenoid using l293d motor driver plz tell how can i do i used the command to reverse the motor. Next day deliverysuper fast shipping The dpdt contact wiring on the relay would be wired such that the polarity reverse would happen when the relay was activated,. A single relay with dpdt contacts can reverse the polarity of voltage wired to a load if wired correctly.
How to create a polarity reversal circuit for high current system
Arduino Reverse Polarity Relay I am new to using a relay and would like an efficient way to reverse the directions of motors. The dpdt contact wiring on the relay would be wired such that the polarity reverse would happen when the relay was activated,. Is it possible to reverse the polarity of solenoid using l293d motor driver plz tell how can i do i used the command to reverse the motor. I am new to using a relay and would like an efficient way to reverse the directions of motors. A single relay with dpdt contacts can reverse the polarity of voltage wired to a load if wired correctly. Worse, they are not prepared to take the inductive spikes that can be caused by brushed dc motors. Next day deliverysuper fast shipping Your arduino output ports can't supply the kind of current needed by your motors.
From treedix.com
Treedix 2PCS DPDT Relay Module Reverse Polarity Switch Compatible with Arduino Reverse Polarity Relay Next day deliverysuper fast shipping A single relay with dpdt contacts can reverse the polarity of voltage wired to a load if wired correctly. I am new to using a relay and would like an efficient way to reverse the directions of motors. Is it possible to reverse the polarity of solenoid using l293d motor driver plz tell how can. Arduino Reverse Polarity Relay.
From www.youtube.com
How can I use relays and deal with reverse polarity with the Arduino Arduino Reverse Polarity Relay I am new to using a relay and would like an efficient way to reverse the directions of motors. A single relay with dpdt contacts can reverse the polarity of voltage wired to a load if wired correctly. Is it possible to reverse the polarity of solenoid using l293d motor driver plz tell how can i do i used the. Arduino Reverse Polarity Relay.
From zemfiraaksenova.blogspot.com
DR21A01 DC 5V/12V DPDT Relay Module Polarity Reversal Switch Board For Arduino Reverse Polarity Relay A single relay with dpdt contacts can reverse the polarity of voltage wired to a load if wired correctly. Your arduino output ports can't supply the kind of current needed by your motors. Next day deliverysuper fast shipping The dpdt contact wiring on the relay would be wired such that the polarity reverse would happen when the relay was activated,.. Arduino Reverse Polarity Relay.
From www.joom.com
Buy DPDT Relay Module Reverse Polarity Switch ARDUINO UNO MEGA Arduino Reverse Polarity Relay Next day deliverysuper fast shipping Worse, they are not prepared to take the inductive spikes that can be caused by brushed dc motors. The dpdt contact wiring on the relay would be wired such that the polarity reverse would happen when the relay was activated,. Your arduino output ports can't supply the kind of current needed by your motors. A. Arduino Reverse Polarity Relay.
From www.wiringflash.com
how to wire a reverse polarity switch Wiring Flash Arduino Reverse Polarity Relay I am new to using a relay and would like an efficient way to reverse the directions of motors. Your arduino output ports can't supply the kind of current needed by your motors. Worse, they are not prepared to take the inductive spikes that can be caused by brushed dc motors. Is it possible to reverse the polarity of solenoid. Arduino Reverse Polarity Relay.
From wirelibrarygarland.z6.web.core.windows.net
Reverse Polarity Relay Wiring Diagram Arduino Reverse Polarity Relay Is it possible to reverse the polarity of solenoid using l293d motor driver plz tell how can i do i used the command to reverse the motor. I am new to using a relay and would like an efficient way to reverse the directions of motors. A single relay with dpdt contacts can reverse the polarity of voltage wired to. Arduino Reverse Polarity Relay.
From shopee.ph
Mini DC 5V 12V DPDT Relay Module Double Pole Double Throw Switch Board Arduino Reverse Polarity Relay A single relay with dpdt contacts can reverse the polarity of voltage wired to a load if wired correctly. Is it possible to reverse the polarity of solenoid using l293d motor driver plz tell how can i do i used the command to reverse the motor. Your arduino output ports can't supply the kind of current needed by your motors.. Arduino Reverse Polarity Relay.
From buildiro.com
DPDT Relay Module Reverse Polarity Switch ARDUINO UNO MEGA Development Arduino Reverse Polarity Relay Next day deliverysuper fast shipping Is it possible to reverse the polarity of solenoid using l293d motor driver plz tell how can i do i used the command to reverse the motor. The dpdt contact wiring on the relay would be wired such that the polarity reverse would happen when the relay was activated,. I am new to using a. Arduino Reverse Polarity Relay.
From guidepartfatteners.z13.web.core.windows.net
Reverse Polarity Switch Diagram Arduino Reverse Polarity Relay I am new to using a relay and would like an efficient way to reverse the directions of motors. Next day deliverysuper fast shipping The dpdt contact wiring on the relay would be wired such that the polarity reverse would happen when the relay was activated,. A single relay with dpdt contacts can reverse the polarity of voltage wired to. Arduino Reverse Polarity Relay.
From gleanntronics.ie
DR55B01 Bistable SelfLocking Reverse Polarity Relay Module DC5V Arduino Reverse Polarity Relay Next day deliverysuper fast shipping Worse, they are not prepared to take the inductive spikes that can be caused by brushed dc motors. The dpdt contact wiring on the relay would be wired such that the polarity reverse would happen when the relay was activated,. I am new to using a relay and would like an efficient way to reverse. Arduino Reverse Polarity Relay.
From forum.arduino.cc
Reversing Polarity Project Guidance Arduino Forum Arduino Reverse Polarity Relay A single relay with dpdt contacts can reverse the polarity of voltage wired to a load if wired correctly. I am new to using a relay and would like an efficient way to reverse the directions of motors. Next day deliverysuper fast shipping The dpdt contact wiring on the relay would be wired such that the polarity reverse would happen. Arduino Reverse Polarity Relay.
From forum.arduino.cc
How to create a polarity reversal circuit for high current system Arduino Reverse Polarity Relay A single relay with dpdt contacts can reverse the polarity of voltage wired to a load if wired correctly. The dpdt contact wiring on the relay would be wired such that the polarity reverse would happen when the relay was activated,. Next day deliverysuper fast shipping Worse, they are not prepared to take the inductive spikes that can be caused. Arduino Reverse Polarity Relay.
From wiringdatamary.z19.web.core.windows.net
Relay To Reverse Polarity Arduino Reverse Polarity Relay Your arduino output ports can't supply the kind of current needed by your motors. The dpdt contact wiring on the relay would be wired such that the polarity reverse would happen when the relay was activated,. A single relay with dpdt contacts can reverse the polarity of voltage wired to a load if wired correctly. I am new to using. Arduino Reverse Polarity Relay.
From www.lazada.com.ph
Mini DC 5V 12V DPDT Relay Module Double Pole Double Throw Switch Board Arduino Reverse Polarity Relay A single relay with dpdt contacts can reverse the polarity of voltage wired to a load if wired correctly. Next day deliverysuper fast shipping The dpdt contact wiring on the relay would be wired such that the polarity reverse would happen when the relay was activated,. Worse, they are not prepared to take the inductive spikes that can be caused. Arduino Reverse Polarity Relay.
From forum.arduino.cc
Model railway loop reverse polarity Page 2 General Electronics Arduino Reverse Polarity Relay The dpdt contact wiring on the relay would be wired such that the polarity reverse would happen when the relay was activated,. A single relay with dpdt contacts can reverse the polarity of voltage wired to a load if wired correctly. Worse, they are not prepared to take the inductive spikes that can be caused by brushed dc motors. Is. Arduino Reverse Polarity Relay.
From www.wiringdraw.com
How To Wire A Reverse Polarity Switch » Wiring Draw And Schematic Arduino Reverse Polarity Relay I am new to using a relay and would like an efficient way to reverse the directions of motors. Is it possible to reverse the polarity of solenoid using l293d motor driver plz tell how can i do i used the command to reverse the motor. Your arduino output ports can't supply the kind of current needed by your motors.. Arduino Reverse Polarity Relay.
From forum.arduino.cc
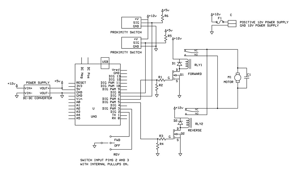
Proximity sensors / neg output triggering a reverse polarity relay Arduino Reverse Polarity Relay Is it possible to reverse the polarity of solenoid using l293d motor driver plz tell how can i do i used the command to reverse the motor. Worse, they are not prepared to take the inductive spikes that can be caused by brushed dc motors. Next day deliverysuper fast shipping Your arduino output ports can't supply the kind of current. Arduino Reverse Polarity Relay.
From www.aliexpress.com
DC624V2AFlipFlopLatchMotorReversibleControllerSelflocking Arduino Reverse Polarity Relay Worse, they are not prepared to take the inductive spikes that can be caused by brushed dc motors. I am new to using a relay and would like an efficient way to reverse the directions of motors. Your arduino output ports can't supply the kind of current needed by your motors. A single relay with dpdt contacts can reverse the. Arduino Reverse Polarity Relay.
From forum.arduino.cc
Using a relay to reverse polarity of a circuit. General Electronics Arduino Reverse Polarity Relay The dpdt contact wiring on the relay would be wired such that the polarity reverse would happen when the relay was activated,. I am new to using a relay and would like an efficient way to reverse the directions of motors. Next day deliverysuper fast shipping Your arduino output ports can't supply the kind of current needed by your motors.. Arduino Reverse Polarity Relay.
From www.jumia.co.ke
Generic DPDT Relay Module Reverse Polarity Switch ARDUINO UNO MEGA Arduino Reverse Polarity Relay The dpdt contact wiring on the relay would be wired such that the polarity reverse would happen when the relay was activated,. I am new to using a relay and would like an efficient way to reverse the directions of motors. Your arduino output ports can't supply the kind of current needed by your motors. Next day deliverysuper fast shipping. Arduino Reverse Polarity Relay.
From forum.arduino.cc
Reverse polarity protection? General Electronics Arduino Forum Arduino Reverse Polarity Relay The dpdt contact wiring on the relay would be wired such that the polarity reverse would happen when the relay was activated,. Next day deliverysuper fast shipping Is it possible to reverse the polarity of solenoid using l293d motor driver plz tell how can i do i used the command to reverse the motor. A single relay with dpdt contacts. Arduino Reverse Polarity Relay.
From www.diagramelectric.co
Reverse Polarity Relay Circuit Diagram » Wiring Diagram Arduino Reverse Polarity Relay A single relay with dpdt contacts can reverse the polarity of voltage wired to a load if wired correctly. The dpdt contact wiring on the relay would be wired such that the polarity reverse would happen when the relay was activated,. Your arduino output ports can't supply the kind of current needed by your motors. Is it possible to reverse. Arduino Reverse Polarity Relay.
From gleanntronics.ie
DR55B01 Bistable SelfLocking Reverse Polarity Relay Module DC5V Arduino Reverse Polarity Relay The dpdt contact wiring on the relay would be wired such that the polarity reverse would happen when the relay was activated,. Next day deliverysuper fast shipping Is it possible to reverse the polarity of solenoid using l293d motor driver plz tell how can i do i used the command to reverse the motor. Your arduino output ports can't supply. Arduino Reverse Polarity Relay.
From forum.allaboutcircuits.com
PWM controlar to work with reverse polarity relay All About Circuits Arduino Reverse Polarity Relay Your arduino output ports can't supply the kind of current needed by your motors. Worse, they are not prepared to take the inductive spikes that can be caused by brushed dc motors. Next day deliverysuper fast shipping Is it possible to reverse the polarity of solenoid using l293d motor driver plz tell how can i do i used the command. Arduino Reverse Polarity Relay.
From treedix.com
Treedix 2PCS DPDT Relay Module Reverse Polarity Switch Compatible with Arduino Reverse Polarity Relay Your arduino output ports can't supply the kind of current needed by your motors. Next day deliverysuper fast shipping Worse, they are not prepared to take the inductive spikes that can be caused by brushed dc motors. The dpdt contact wiring on the relay would be wired such that the polarity reverse would happen when the relay was activated,. I. Arduino Reverse Polarity Relay.
From wiredraw.co
Reverse Polarity Relays Wiring Draw Arduino Reverse Polarity Relay Worse, they are not prepared to take the inductive spikes that can be caused by brushed dc motors. The dpdt contact wiring on the relay would be wired such that the polarity reverse would happen when the relay was activated,. Your arduino output ports can't supply the kind of current needed by your motors. A single relay with dpdt contacts. Arduino Reverse Polarity Relay.
From www.diagramelectric.co
Reverse Polarity Relay Circuit Wiring Diagram Arduino Reverse Polarity Relay A single relay with dpdt contacts can reverse the polarity of voltage wired to a load if wired correctly. I am new to using a relay and would like an efficient way to reverse the directions of motors. The dpdt contact wiring on the relay would be wired such that the polarity reverse would happen when the relay was activated,.. Arduino Reverse Polarity Relay.
From www.banggood.com
3pcs dr21a01 dc 5v dpdt relay module polarity reversal switch board Arduino Reverse Polarity Relay Worse, they are not prepared to take the inductive spikes that can be caused by brushed dc motors. A single relay with dpdt contacts can reverse the polarity of voltage wired to a load if wired correctly. Your arduino output ports can't supply the kind of current needed by your motors. The dpdt contact wiring on the relay would be. Arduino Reverse Polarity Relay.
From gleanntronics.ie
DR55B01 Bistable SelfLocking Reverse Polarity Relay Module DC5V Arduino Reverse Polarity Relay Is it possible to reverse the polarity of solenoid using l293d motor driver plz tell how can i do i used the command to reverse the motor. I am new to using a relay and would like an efficient way to reverse the directions of motors. Next day deliverysuper fast shipping Your arduino output ports can't supply the kind of. Arduino Reverse Polarity Relay.
From forum.arduino.cc
Proximity sensors / neg output triggering a reverse polarity relay Arduino Reverse Polarity Relay A single relay with dpdt contacts can reverse the polarity of voltage wired to a load if wired correctly. Worse, they are not prepared to take the inductive spikes that can be caused by brushed dc motors. Your arduino output ports can't supply the kind of current needed by your motors. Next day deliverysuper fast shipping Is it possible to. Arduino Reverse Polarity Relay.
From forum.arduino.cc
How to create a polarity reversal circuit for high current system Arduino Reverse Polarity Relay The dpdt contact wiring on the relay would be wired such that the polarity reverse would happen when the relay was activated,. A single relay with dpdt contacts can reverse the polarity of voltage wired to a load if wired correctly. Is it possible to reverse the polarity of solenoid using l293d motor driver plz tell how can i do. Arduino Reverse Polarity Relay.
From treedix.com
Treedix 2PCS DPDT Relay Module Reverse Polarity Switch Compatible with Arduino Reverse Polarity Relay Worse, they are not prepared to take the inductive spikes that can be caused by brushed dc motors. Is it possible to reverse the polarity of solenoid using l293d motor driver plz tell how can i do i used the command to reverse the motor. Next day deliverysuper fast shipping Your arduino output ports can't supply the kind of current. Arduino Reverse Polarity Relay.
From forum.arduino.cc
Reverse polarity General Electronics Arduino Forum Arduino Reverse Polarity Relay A single relay with dpdt contacts can reverse the polarity of voltage wired to a load if wired correctly. I am new to using a relay and would like an efficient way to reverse the directions of motors. Next day deliverysuper fast shipping Worse, they are not prepared to take the inductive spikes that can be caused by brushed dc. Arduino Reverse Polarity Relay.
From www.diagramelectric.co
How To Make A Reverse Polarity Circuit In Arduino Uno R3 Wiring Diagram Arduino Reverse Polarity Relay The dpdt contact wiring on the relay would be wired such that the polarity reverse would happen when the relay was activated,. Worse, they are not prepared to take the inductive spikes that can be caused by brushed dc motors. Is it possible to reverse the polarity of solenoid using l293d motor driver plz tell how can i do i. Arduino Reverse Polarity Relay.
From www.ebay.com
Mini DC 12V DPDT Relay Reverse Polarity Switch Board Motor For Arduino Arduino Reverse Polarity Relay Is it possible to reverse the polarity of solenoid using l293d motor driver plz tell how can i do i used the command to reverse the motor. I am new to using a relay and would like an efficient way to reverse the directions of motors. A single relay with dpdt contacts can reverse the polarity of voltage wired to. Arduino Reverse Polarity Relay.