Laser Projector Safety . Equipment classification & requirements • previously, all laser product requirements. laser illuminated projectors are just regulated differently, classified as class 1 risk group 3 products, particularly in the. the laser illuminated projector association (lipa) has made available on its website a recorded presentation looking. for purposes of this guidance, the term “laser illuminated projector” (lip) refers to a type of demonstration laser product2. safety of laser products part 1:
from www.prweb.com
laser illuminated projectors are just regulated differently, classified as class 1 risk group 3 products, particularly in the. Equipment classification & requirements • previously, all laser product requirements. for purposes of this guidance, the term “laser illuminated projector” (lip) refers to a type of demonstration laser product2. safety of laser products part 1: the laser illuminated projector association (lipa) has made available on its website a recorded presentation looking.
New Products and Resources on Laser Equipment Safety Labels Released by
Laser Projector Safety for purposes of this guidance, the term “laser illuminated projector” (lip) refers to a type of demonstration laser product2. laser illuminated projectors are just regulated differently, classified as class 1 risk group 3 products, particularly in the. for purposes of this guidance, the term “laser illuminated projector” (lip) refers to a type of demonstration laser product2. Equipment classification & requirements • previously, all laser product requirements. safety of laser products part 1: the laser illuminated projector association (lipa) has made available on its website a recorded presentation looking.
From pforprojector.com
Are Laser Light Projectors Safe? In August 20, 2024 Laser Projector Safety laser illuminated projectors are just regulated differently, classified as class 1 risk group 3 products, particularly in the. Equipment classification & requirements • previously, all laser product requirements. for purposes of this guidance, the term “laser illuminated projector” (lip) refers to a type of demonstration laser product2. the laser illuminated projector association (lipa) has made available on. Laser Projector Safety.
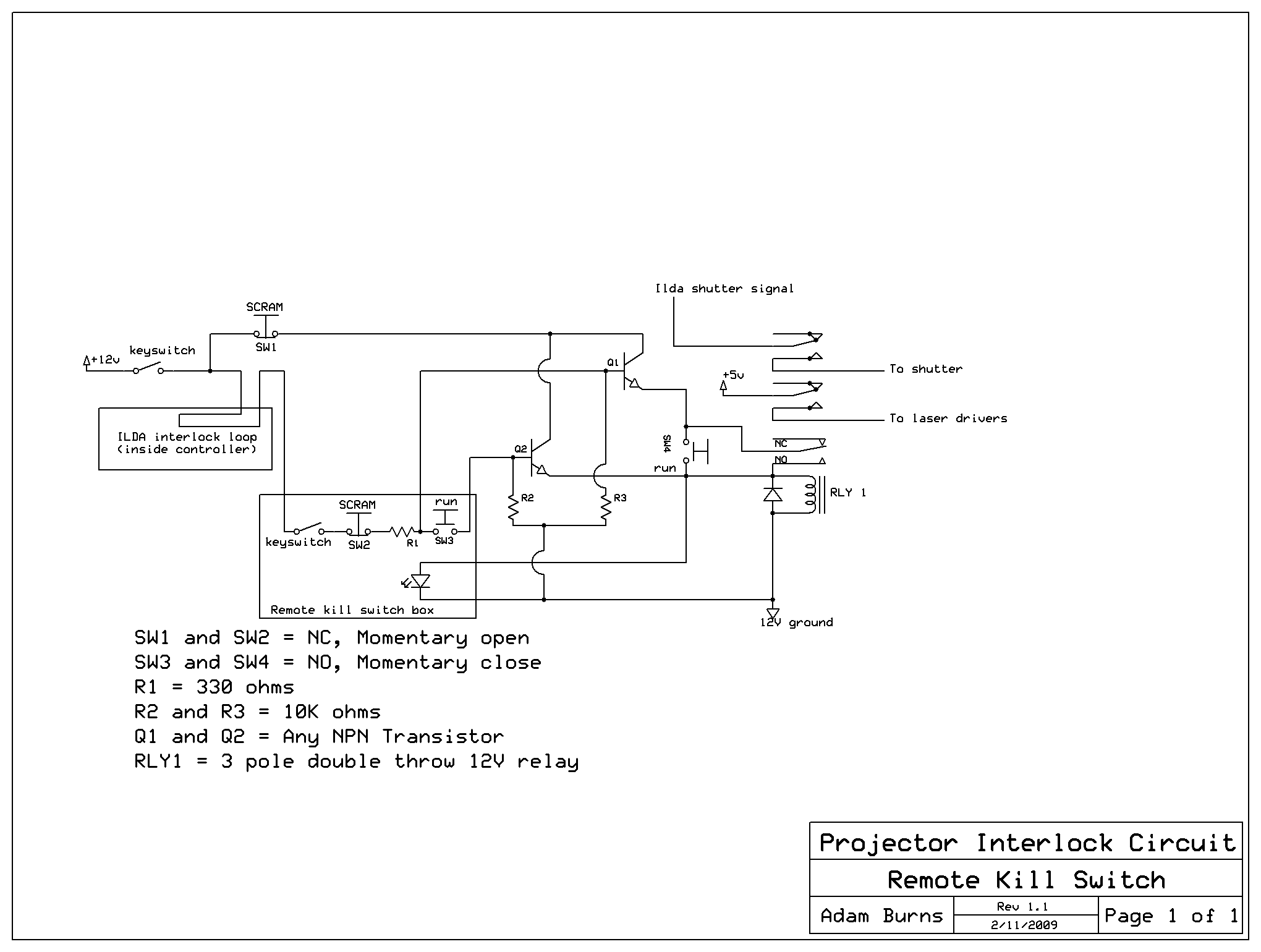
From www.photonlexicon.com
Laser projector safety Laser Projector Safety laser illuminated projectors are just regulated differently, classified as class 1 risk group 3 products, particularly in the. Equipment classification & requirements • previously, all laser product requirements. the laser illuminated projector association (lipa) has made available on its website a recorded presentation looking. safety of laser products part 1: for purposes of this guidance, the. Laser Projector Safety.
From safety.laserglow.com
Virtual Sign Projectors Laserglow Technologies Industrial Safety Laser Projector Safety laser illuminated projectors are just regulated differently, classified as class 1 risk group 3 products, particularly in the. safety of laser products part 1: for purposes of this guidance, the term “laser illuminated projector” (lip) refers to a type of demonstration laser product2. the laser illuminated projector association (lipa) has made available on its website a. Laser Projector Safety.
From www.laserwebshop.com
Elite Pro FB4 10 Laser Projector Safety laser illuminated projectors are just regulated differently, classified as class 1 risk group 3 products, particularly in the. Equipment classification & requirements • previously, all laser product requirements. safety of laser products part 1: for purposes of this guidance, the term “laser illuminated projector” (lip) refers to a type of demonstration laser product2. the laser illuminated. Laser Projector Safety.
From www.youtube.com
Laser Show Safety Laser Projector Setup and Operation YouTube Laser Projector Safety laser illuminated projectors are just regulated differently, classified as class 1 risk group 3 products, particularly in the. safety of laser products part 1: Equipment classification & requirements • previously, all laser product requirements. for purposes of this guidance, the term “laser illuminated projector” (lip) refers to a type of demonstration laser product2. the laser illuminated. Laser Projector Safety.
From www.laserglow.com
Browse All Products Laserglow Laser Projector Safety the laser illuminated projector association (lipa) has made available on its website a recorded presentation looking. safety of laser products part 1: Equipment classification & requirements • previously, all laser product requirements. laser illuminated projectors are just regulated differently, classified as class 1 risk group 3 products, particularly in the. for purposes of this guidance, the. Laser Projector Safety.
From sensorpartners.com
Industrial Laser Projectors, all the answers in one article Laser Projector Safety the laser illuminated projector association (lipa) has made available on its website a recorded presentation looking. for purposes of this guidance, the term “laser illuminated projector” (lip) refers to a type of demonstration laser product2. laser illuminated projectors are just regulated differently, classified as class 1 risk group 3 products, particularly in the. Equipment classification & requirements. Laser Projector Safety.
From gagadget.com
How Do Laser Projectors Work What is a Laser Projector Laser Projector Safety safety of laser products part 1: laser illuminated projectors are just regulated differently, classified as class 1 risk group 3 products, particularly in the. Equipment classification & requirements • previously, all laser product requirements. the laser illuminated projector association (lipa) has made available on its website a recorded presentation looking. for purposes of this guidance, the. Laser Projector Safety.
From projectorfixer.com
Are Laser Projectors Dangerous? Exploring Safety Concerns Laser Projector Safety laser illuminated projectors are just regulated differently, classified as class 1 risk group 3 products, particularly in the. safety of laser products part 1: Equipment classification & requirements • previously, all laser product requirements. for purposes of this guidance, the term “laser illuminated projector” (lip) refers to a type of demonstration laser product2. the laser illuminated. Laser Projector Safety.
From www.prweb.com
New Products and Resources on Laser Equipment Safety Labels Released by Laser Projector Safety Equipment classification & requirements • previously, all laser product requirements. for purposes of this guidance, the term “laser illuminated projector” (lip) refers to a type of demonstration laser product2. the laser illuminated projector association (lipa) has made available on its website a recorded presentation looking. safety of laser products part 1: laser illuminated projectors are just. Laser Projector Safety.
From www.toptreesafety.com
Red Green Walkway Laser Lines Virtual Laser Safety Line Projectors Laser Projector Safety Equipment classification & requirements • previously, all laser product requirements. for purposes of this guidance, the term “laser illuminated projector” (lip) refers to a type of demonstration laser product2. the laser illuminated projector association (lipa) has made available on its website a recorded presentation looking. laser illuminated projectors are just regulated differently, classified as class 1 risk. Laser Projector Safety.
From www.youtube.com
How a laser show projector works YouTube Laser Projector Safety Equipment classification & requirements • previously, all laser product requirements. laser illuminated projectors are just regulated differently, classified as class 1 risk group 3 products, particularly in the. the laser illuminated projector association (lipa) has made available on its website a recorded presentation looking. safety of laser products part 1: for purposes of this guidance, the. Laser Projector Safety.
From maxtree.en.made-in-china.com
Factory Laser Line Projector Safety Red/Green Lser Line System China Laser Projector Safety Equipment classification & requirements • previously, all laser product requirements. laser illuminated projectors are just regulated differently, classified as class 1 risk group 3 products, particularly in the. for purposes of this guidance, the term “laser illuminated projector” (lip) refers to a type of demonstration laser product2. the laser illuminated projector association (lipa) has made available on. Laser Projector Safety.
From www.ltbltech.com
The Original LightCop — LTBL Tech Laser Line Projectors & Virtual Laser Projector Safety laser illuminated projectors are just regulated differently, classified as class 1 risk group 3 products, particularly in the. Equipment classification & requirements • previously, all laser product requirements. for purposes of this guidance, the term “laser illuminated projector” (lip) refers to a type of demonstration laser product2. the laser illuminated projector association (lipa) has made available on. Laser Projector Safety.
From safety.laserglow.com
SafetyCast™ 300 Walkway Projector Laserglow Technologies Industrial Laser Projector Safety the laser illuminated projector association (lipa) has made available on its website a recorded presentation looking. laser illuminated projectors are just regulated differently, classified as class 1 risk group 3 products, particularly in the. Equipment classification & requirements • previously, all laser product requirements. safety of laser products part 1: for purposes of this guidance, the. Laser Projector Safety.
From maxtree.en.made-in-china.com
1060V Virtual Laser Line Projectors Floor Laser Marking with Line Beam Laser Projector Safety the laser illuminated projector association (lipa) has made available on its website a recorded presentation looking. Equipment classification & requirements • previously, all laser product requirements. laser illuminated projectors are just regulated differently, classified as class 1 risk group 3 products, particularly in the. safety of laser products part 1: for purposes of this guidance, the. Laser Projector Safety.
From www.uniformsafetysigns.com.au
Caution Laser Beam Caution Signs USS Laser Projector Safety laser illuminated projectors are just regulated differently, classified as class 1 risk group 3 products, particularly in the. Equipment classification & requirements • previously, all laser product requirements. safety of laser products part 1: for purposes of this guidance, the term “laser illuminated projector” (lip) refers to a type of demonstration laser product2. the laser illuminated. Laser Projector Safety.
From www.gobosource.com
Gobo Source Virtual Projectors, Sign Gobos, Line Lasers and Bundles Laser Projector Safety the laser illuminated projector association (lipa) has made available on its website a recorded presentation looking. for purposes of this guidance, the term “laser illuminated projector” (lip) refers to a type of demonstration laser product2. Equipment classification & requirements • previously, all laser product requirements. safety of laser products part 1: laser illuminated projectors are just. Laser Projector Safety.
From www.toptreesafety.com
Virtual Laser Line Projectors for Pedestrian Safety Toptree Laser Projector Safety for purposes of this guidance, the term “laser illuminated projector” (lip) refers to a type of demonstration laser product2. safety of laser products part 1: the laser illuminated projector association (lipa) has made available on its website a recorded presentation looking. Equipment classification & requirements • previously, all laser product requirements. laser illuminated projectors are just. Laser Projector Safety.
From www.laserglow.com
SafetyCast Virtual Sign Projector Laserglow Laser Projector Safety safety of laser products part 1: Equipment classification & requirements • previously, all laser product requirements. for purposes of this guidance, the term “laser illuminated projector” (lip) refers to a type of demonstration laser product2. laser illuminated projectors are just regulated differently, classified as class 1 risk group 3 products, particularly in the. the laser illuminated. Laser Projector Safety.
From www.gobosource.com
Projected Virtual Signage 101 for Industrial Spaces GoboSource Laser Projector Safety safety of laser products part 1: Equipment classification & requirements • previously, all laser product requirements. laser illuminated projectors are just regulated differently, classified as class 1 risk group 3 products, particularly in the. the laser illuminated projector association (lipa) has made available on its website a recorded presentation looking. for purposes of this guidance, the. Laser Projector Safety.
From www.kasama.us
Laser Line Projectors Kasama.us Laser Projector Safety laser illuminated projectors are just regulated differently, classified as class 1 risk group 3 products, particularly in the. safety of laser products part 1: the laser illuminated projector association (lipa) has made available on its website a recorded presentation looking. for purposes of this guidance, the term “laser illuminated projector” (lip) refers to a type of. Laser Projector Safety.
From www.cntoptree.com
Virtual Laser Line Projectors Red Green Virtual Laser MarkerCrane Laser Projector Safety laser illuminated projectors are just regulated differently, classified as class 1 risk group 3 products, particularly in the. the laser illuminated projector association (lipa) has made available on its website a recorded presentation looking. safety of laser products part 1: Equipment classification & requirements • previously, all laser product requirements. for purposes of this guidance, the. Laser Projector Safety.
From www.toptreesafety.com
Virtual Laser Line Projectors for Pedestrian Safety Toptree Laser Projector Safety safety of laser products part 1: the laser illuminated projector association (lipa) has made available on its website a recorded presentation looking. laser illuminated projectors are just regulated differently, classified as class 1 risk group 3 products, particularly in the. Equipment classification & requirements • previously, all laser product requirements. for purposes of this guidance, the. Laser Projector Safety.
From pangolin.jp
Laser Show Projectors Explained Pangolin Laser Systems Laser Projector Safety for purposes of this guidance, the term “laser illuminated projector” (lip) refers to a type of demonstration laser product2. laser illuminated projectors are just regulated differently, classified as class 1 risk group 3 products, particularly in the. Equipment classification & requirements • previously, all laser product requirements. safety of laser products part 1: the laser illuminated. Laser Projector Safety.
From www.safetysuppliesunlimited.net
VIRTUAL SIGN PROJECTOR & LENS Safety Supplies Unlimited Laser Projector Safety for purposes of this guidance, the term “laser illuminated projector” (lip) refers to a type of demonstration laser product2. laser illuminated projectors are just regulated differently, classified as class 1 risk group 3 products, particularly in the. safety of laser products part 1: Equipment classification & requirements • previously, all laser product requirements. the laser illuminated. Laser Projector Safety.
From www.toptreesafety.com
Virtual Laser Line Projectors for Pedestrian Safety Toptree Laser Projector Safety safety of laser products part 1: Equipment classification & requirements • previously, all laser product requirements. laser illuminated projectors are just regulated differently, classified as class 1 risk group 3 products, particularly in the. for purposes of this guidance, the term “laser illuminated projector” (lip) refers to a type of demonstration laser product2. the laser illuminated. Laser Projector Safety.
From www.noparde.com
Led Sign Projector 80W Safety Gobos Projector Customized Stop Sign Laser Projector Safety laser illuminated projectors are just regulated differently, classified as class 1 risk group 3 products, particularly in the. safety of laser products part 1: for purposes of this guidance, the term “laser illuminated projector” (lip) refers to a type of demonstration laser product2. Equipment classification & requirements • previously, all laser product requirements. the laser illuminated. Laser Projector Safety.
From insights.faro.com
Visual verification with laser projection technology Laser Projector Safety for purposes of this guidance, the term “laser illuminated projector” (lip) refers to a type of demonstration laser product2. Equipment classification & requirements • previously, all laser product requirements. safety of laser products part 1: laser illuminated projectors are just regulated differently, classified as class 1 risk group 3 products, particularly in the. the laser illuminated. Laser Projector Safety.
From www.laserglow.com
Browse All Products Laserglow Laser Projector Safety the laser illuminated projector association (lipa) has made available on its website a recorded presentation looking. for purposes of this guidance, the term “laser illuminated projector” (lip) refers to a type of demonstration laser product2. laser illuminated projectors are just regulated differently, classified as class 1 risk group 3 products, particularly in the. safety of laser. Laser Projector Safety.
From www.toptreesafety.com
Virtual Laser Line Projectors for Pedestrian Safety Toptree Laser Projector Safety safety of laser products part 1: Equipment classification & requirements • previously, all laser product requirements. the laser illuminated projector association (lipa) has made available on its website a recorded presentation looking. for purposes of this guidance, the term “laser illuminated projector” (lip) refers to a type of demonstration laser product2. laser illuminated projectors are just. Laser Projector Safety.
From www.laserglow.com
Browse All Products Laserglow Laser Projector Safety safety of laser products part 1: laser illuminated projectors are just regulated differently, classified as class 1 risk group 3 products, particularly in the. the laser illuminated projector association (lipa) has made available on its website a recorded presentation looking. for purposes of this guidance, the term “laser illuminated projector” (lip) refers to a type of. Laser Projector Safety.
From www.ltbltech.com
The Original LightCop — LTBL Tech Laser Line Projectors & Virtual Laser Projector Safety laser illuminated projectors are just regulated differently, classified as class 1 risk group 3 products, particularly in the. for purposes of this guidance, the term “laser illuminated projector” (lip) refers to a type of demonstration laser product2. safety of laser products part 1: Equipment classification & requirements • previously, all laser product requirements. the laser illuminated. Laser Projector Safety.
From www.youtube.com
Projected safety signage YouTube Laser Projector Safety the laser illuminated projector association (lipa) has made available on its website a recorded presentation looking. laser illuminated projectors are just regulated differently, classified as class 1 risk group 3 products, particularly in the. Equipment classification & requirements • previously, all laser product requirements. for purposes of this guidance, the term “laser illuminated projector” (lip) refers to. Laser Projector Safety.
From odicforce.com
Portable Red Laser Line and Cross Projector (650nm 100mW) SET OdicForce Laser Projector Safety laser illuminated projectors are just regulated differently, classified as class 1 risk group 3 products, particularly in the. Equipment classification & requirements • previously, all laser product requirements. the laser illuminated projector association (lipa) has made available on its website a recorded presentation looking. for purposes of this guidance, the term “laser illuminated projector” (lip) refers to. Laser Projector Safety.