Damper Actuator With End Switch . belimo damper actuators are designed for use in a wide variety of hvac applications ensuring performance, reliability and lower. Each switch is a proven performer in building. It controls hvac air dampers with a universal power supply of. belimo hvac damper actuators are designed for use in a wide variety of on/off, modulating or communicating damper and life safety.
from www.supplyhouse.com
belimo damper actuators are designed for use in a wide variety of hvac applications ensuring performance, reliability and lower. Each switch is a proven performer in building. belimo hvac damper actuators are designed for use in a wide variety of on/off, modulating or communicating damper and life safety. It controls hvac air dampers with a universal power supply of.
0453H0077GB01 Erie 0453H0077GB01 120V HSeries Medium Duty 2Position Damper Actuator w/ End
Damper Actuator With End Switch It controls hvac air dampers with a universal power supply of. It controls hvac air dampers with a universal power supply of. Each switch is a proven performer in building. belimo damper actuators are designed for use in a wide variety of hvac applications ensuring performance, reliability and lower. belimo hvac damper actuators are designed for use in a wide variety of on/off, modulating or communicating damper and life safety.
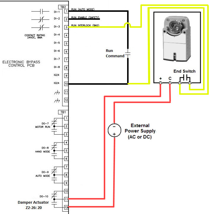
From solutioncenter.yaskawa.com
Setting Up A Damper Actuator and End Switch in a Z1000, P1000, Z1000U, HV600 Bypass Damper Actuator With End Switch It controls hvac air dampers with a universal power supply of. Each switch is a proven performer in building. belimo damper actuators are designed for use in a wide variety of hvac applications ensuring performance, reliability and lower. belimo hvac damper actuators are designed for use in a wide variety of on/off, modulating or communicating damper and life. Damper Actuator With End Switch.
From www.lazada.com.ph
16Nm /24Nm modulating type damper Actuator with Auxiliary switch for operation of air control Damper Actuator With End Switch belimo hvac damper actuators are designed for use in a wide variety of on/off, modulating or communicating damper and life safety. Each switch is a proven performer in building. It controls hvac air dampers with a universal power supply of. belimo damper actuators are designed for use in a wide variety of hvac applications ensuring performance, reliability and. Damper Actuator With End Switch.
From solutioncenter.yaskawa.com
Setting Up a Damper Actuator and End Switch for an E7 Drive Damper Actuator With End Switch belimo damper actuators are designed for use in a wide variety of hvac applications ensuring performance, reliability and lower. belimo hvac damper actuators are designed for use in a wide variety of on/off, modulating or communicating damper and life safety. It controls hvac air dampers with a universal power supply of. Each switch is a proven performer in. Damper Actuator With End Switch.
From www.sauter-controls.com
Damper actuator with spring return ASF 112, 113 SAUTER Controls Damper Actuator With End Switch Each switch is a proven performer in building. belimo damper actuators are designed for use in a wide variety of hvac applications ensuring performance, reliability and lower. It controls hvac air dampers with a universal power supply of. belimo hvac damper actuators are designed for use in a wide variety of on/off, modulating or communicating damper and life. Damper Actuator With End Switch.
From www.eurotec.co.nz
Damper Actuators Eurotec Damper Actuator With End Switch It controls hvac air dampers with a universal power supply of. belimo hvac damper actuators are designed for use in a wide variety of on/off, modulating or communicating damper and life safety. Each switch is a proven performer in building. belimo damper actuators are designed for use in a wide variety of hvac applications ensuring performance, reliability and. Damper Actuator With End Switch.
From www.supplyhouse.com
MS4620F1203 Honeywell MS4620F1203 Two Position Damper Actuator w/ Spring Return and aux Damper Actuator With End Switch belimo hvac damper actuators are designed for use in a wide variety of on/off, modulating or communicating damper and life safety. It controls hvac air dampers with a universal power supply of. belimo damper actuators are designed for use in a wide variety of hvac applications ensuring performance, reliability and lower. Each switch is a proven performer in. Damper Actuator With End Switch.
From www.ontimedirect.com
Honeywell M847DZONE M847DZONE Damper Actuator Damper Actuator With End Switch belimo damper actuators are designed for use in a wide variety of hvac applications ensuring performance, reliability and lower. It controls hvac air dampers with a universal power supply of. belimo hvac damper actuators are designed for use in a wide variety of on/off, modulating or communicating damper and life safety. Each switch is a proven performer in. Damper Actuator With End Switch.
From www.controlstraders.com
Belimo 10Nm Damper Actuator Damper Actuator With End Switch belimo damper actuators are designed for use in a wide variety of hvac applications ensuring performance, reliability and lower. Each switch is a proven performer in building. belimo hvac damper actuators are designed for use in a wide variety of on/off, modulating or communicating damper and life safety. It controls hvac air dampers with a universal power supply. Damper Actuator With End Switch.
From www.aliexpress.com
Spring return damper Actuator with 2 auxiliary switch 5Nm for operation of air control dampers Damper Actuator With End Switch belimo damper actuators are designed for use in a wide variety of hvac applications ensuring performance, reliability and lower. Each switch is a proven performer in building. It controls hvac air dampers with a universal power supply of. belimo hvac damper actuators are designed for use in a wide variety of on/off, modulating or communicating damper and life. Damper Actuator With End Switch.
From www.kempstoncontrols.co.uk
Honeywell Fema S20242POSSW2 DAMPER ACTUATOR, SPRING RETURN, 24VAC/DC, 2 END SWITCHES, 20NM Damper Actuator With End Switch It controls hvac air dampers with a universal power supply of. Each switch is a proven performer in building. belimo hvac damper actuators are designed for use in a wide variety of on/off, modulating or communicating damper and life safety. belimo damper actuators are designed for use in a wide variety of hvac applications ensuring performance, reliability and. Damper Actuator With End Switch.
From www.controlstraders.com
Belimo 2Nm Damper Actuator Damper Actuator With End Switch Each switch is a proven performer in building. belimo damper actuators are designed for use in a wide variety of hvac applications ensuring performance, reliability and lower. It controls hvac air dampers with a universal power supply of. belimo hvac damper actuators are designed for use in a wide variety of on/off, modulating or communicating damper and life. Damper Actuator With End Switch.
From us.greystoneenergy.com
DES Series Damperend Switch Greystone Energy Systems Damper Actuator With End Switch belimo damper actuators are designed for use in a wide variety of hvac applications ensuring performance, reliability and lower. belimo hvac damper actuators are designed for use in a wide variety of on/off, modulating or communicating damper and life safety. Each switch is a proven performer in building. It controls hvac air dampers with a universal power supply. Damper Actuator With End Switch.
From www.partsusapromote.com
KMC • MEP4575 Damper Actuator 45 Inlb Electronic FailSafe 100240V On/Off End Damper Actuator With End Switch belimo damper actuators are designed for use in a wide variety of hvac applications ensuring performance, reliability and lower. belimo hvac damper actuators are designed for use in a wide variety of on/off, modulating or communicating damper and life safety. Each switch is a proven performer in building. It controls hvac air dampers with a universal power supply. Damper Actuator With End Switch.
From bravocontrols.com
3point Floating Type Damper Actuator Bravo Controls Damper Actuator With End Switch It controls hvac air dampers with a universal power supply of. Each switch is a proven performer in building. belimo hvac damper actuators are designed for use in a wide variety of on/off, modulating or communicating damper and life safety. belimo damper actuators are designed for use in a wide variety of hvac applications ensuring performance, reliability and. Damper Actuator With End Switch.
From euromechanicalparts.com
Honeywell Damper Actuator CN4610A1001 Damper Actuator With End Switch It controls hvac air dampers with a universal power supply of. belimo damper actuators are designed for use in a wide variety of hvac applications ensuring performance, reliability and lower. Each switch is a proven performer in building. belimo hvac damper actuators are designed for use in a wide variety of on/off, modulating or communicating damper and life. Damper Actuator With End Switch.
From www.supplyhouse.com
0453H0077GA01 Erie 0453H0077GA01 24V HSeries Medium Duty 2Position Damper Actuator w/ End Damper Actuator With End Switch belimo hvac damper actuators are designed for use in a wide variety of on/off, modulating or communicating damper and life safety. Each switch is a proven performer in building. It controls hvac air dampers with a universal power supply of. belimo damper actuators are designed for use in a wide variety of hvac applications ensuring performance, reliability and. Damper Actuator With End Switch.
From www.supplyhouse.com
MS7510A2206 Honeywell MS7510A2206 Two Position Damper Actuator w/ Spring Return and aux Damper Actuator With End Switch Each switch is a proven performer in building. belimo damper actuators are designed for use in a wide variety of hvac applications ensuring performance, reliability and lower. belimo hvac damper actuators are designed for use in a wide variety of on/off, modulating or communicating damper and life safety. It controls hvac air dampers with a universal power supply. Damper Actuator With End Switch.
From www.wotek.com
Wotek Damper actuator mod. w/switches 24V 10Nm 0...10V NSR DCA Damper Actuator With End Switch Each switch is a proven performer in building. It controls hvac air dampers with a universal power supply of. belimo hvac damper actuators are designed for use in a wide variety of on/off, modulating or communicating damper and life safety. belimo damper actuators are designed for use in a wide variety of hvac applications ensuring performance, reliability and. Damper Actuator With End Switch.
From www.walmart.com
Stainless steel electric damper OD51mm400mm switch type electronic damper actuator electric air Damper Actuator With End Switch belimo hvac damper actuators are designed for use in a wide variety of on/off, modulating or communicating damper and life safety. It controls hvac air dampers with a universal power supply of. Each switch is a proven performer in building. belimo damper actuators are designed for use in a wide variety of hvac applications ensuring performance, reliability and. Damper Actuator With End Switch.
From controlconsultantsinc.com
M9104AGP2S Johnson Controls Damper Actuator Damper Actuator With End Switch Each switch is a proven performer in building. belimo damper actuators are designed for use in a wide variety of hvac applications ensuring performance, reliability and lower. belimo hvac damper actuators are designed for use in a wide variety of on/off, modulating or communicating damper and life safety. It controls hvac air dampers with a universal power supply. Damper Actuator With End Switch.
From guidemanualjean99.z19.web.core.windows.net
Honeywell Zone Damper Wiring Damper Actuator With End Switch It controls hvac air dampers with a universal power supply of. belimo hvac damper actuators are designed for use in a wide variety of on/off, modulating or communicating damper and life safety. belimo damper actuators are designed for use in a wide variety of hvac applications ensuring performance, reliability and lower. Each switch is a proven performer in. Damper Actuator With End Switch.
From www.alibaba.com
Belimo Nm230as Damper Actuator For Hvac System With Integrated Auxiliary Switch And Control By Damper Actuator With End Switch Each switch is a proven performer in building. It controls hvac air dampers with a universal power supply of. belimo damper actuators are designed for use in a wide variety of hvac applications ensuring performance, reliability and lower. belimo hvac damper actuators are designed for use in a wide variety of on/off, modulating or communicating damper and life. Damper Actuator With End Switch.
From www.youtube.com
Johnson Controls M9310 Actuator and Damper Quick Installation YouTube Damper Actuator With End Switch Each switch is a proven performer in building. It controls hvac air dampers with a universal power supply of. belimo damper actuators are designed for use in a wide variety of hvac applications ensuring performance, reliability and lower. belimo hvac damper actuators are designed for use in a wide variety of on/off, modulating or communicating damper and life. Damper Actuator With End Switch.
From www.supplyhouse.com
0453H0077GB01 Erie 0453H0077GB01 120V HSeries Medium Duty 2Position Damper Actuator w/ End Damper Actuator With End Switch It controls hvac air dampers with a universal power supply of. Each switch is a proven performer in building. belimo hvac damper actuators are designed for use in a wide variety of on/off, modulating or communicating damper and life safety. belimo damper actuators are designed for use in a wide variety of hvac applications ensuring performance, reliability and. Damper Actuator With End Switch.
From www.wiringwork.com
what is an end switch damper Wiring Work Damper Actuator With End Switch Each switch is a proven performer in building. belimo hvac damper actuators are designed for use in a wide variety of on/off, modulating or communicating damper and life safety. belimo damper actuators are designed for use in a wide variety of hvac applications ensuring performance, reliability and lower. It controls hvac air dampers with a universal power supply. Damper Actuator With End Switch.
From www.supplyhouse.com
0453H0077GB01 Erie 0453H0077GB01 120V HSeries Medium Duty 2Position Damper Actuator w/ End Damper Actuator With End Switch belimo damper actuators are designed for use in a wide variety of hvac applications ensuring performance, reliability and lower. belimo hvac damper actuators are designed for use in a wide variety of on/off, modulating or communicating damper and life safety. Each switch is a proven performer in building. It controls hvac air dampers with a universal power supply. Damper Actuator With End Switch.
From temcocontrols.com
3point Floating Type Damper Actuator Temco Controls Ltd. Damper Actuator With End Switch belimo hvac damper actuators are designed for use in a wide variety of on/off, modulating or communicating damper and life safety. It controls hvac air dampers with a universal power supply of. belimo damper actuators are designed for use in a wide variety of hvac applications ensuring performance, reliability and lower. Each switch is a proven performer in. Damper Actuator With End Switch.
From www.walmart.com
VII6 Electric Damper Actuator DC24V Motorized Air Damper Valve Switch Mechanism Air Duct damper Damper Actuator With End Switch Each switch is a proven performer in building. belimo damper actuators are designed for use in a wide variety of hvac applications ensuring performance, reliability and lower. belimo hvac damper actuators are designed for use in a wide variety of on/off, modulating or communicating damper and life safety. It controls hvac air dampers with a universal power supply. Damper Actuator With End Switch.
From www.i-acs.co.uk
GPC166.1A Siemens AC/DC 24V, DC 0 10V, 4 N/m spring return rotary damper actuator with 2 Damper Actuator With End Switch It controls hvac air dampers with a universal power supply of. Each switch is a proven performer in building. belimo hvac damper actuators are designed for use in a wide variety of on/off, modulating or communicating damper and life safety. belimo damper actuators are designed for use in a wide variety of hvac applications ensuring performance, reliability and. Damper Actuator With End Switch.
From www.youtube.com
Installing a Siemens Damper Actuator YouTube Damper Actuator With End Switch It controls hvac air dampers with a universal power supply of. belimo damper actuators are designed for use in a wide variety of hvac applications ensuring performance, reliability and lower. Each switch is a proven performer in building. belimo hvac damper actuators are designed for use in a wide variety of on/off, modulating or communicating damper and life. Damper Actuator With End Switch.
From www.build.ca
MS4120F1204 Honeywell Damper Actuator Spring Return, FastActing, TwoPosition, 175 inlb (20 Damper Actuator With End Switch belimo hvac damper actuators are designed for use in a wide variety of on/off, modulating or communicating damper and life safety. belimo damper actuators are designed for use in a wide variety of hvac applications ensuring performance, reliability and lower. Each switch is a proven performer in building. It controls hvac air dampers with a universal power supply. Damper Actuator With End Switch.
From www.controlstraders.com
Belimo 4Nm Damper Actuator Damper Actuator With End Switch belimo damper actuators are designed for use in a wide variety of hvac applications ensuring performance, reliability and lower. It controls hvac air dampers with a universal power supply of. Each switch is a proven performer in building. belimo hvac damper actuators are designed for use in a wide variety of on/off, modulating or communicating damper and life. Damper Actuator With End Switch.
From www.supplyhouse.com
0453H0077GB01 Erie 0453H0077GB01 120V HSeries Medium Duty 2Position Damper Actuator w/ End Damper Actuator With End Switch belimo damper actuators are designed for use in a wide variety of hvac applications ensuring performance, reliability and lower. Each switch is a proven performer in building. belimo hvac damper actuators are designed for use in a wide variety of on/off, modulating or communicating damper and life safety. It controls hvac air dampers with a universal power supply. Damper Actuator With End Switch.
From www.supplyhouse.com
0453H0077GB01 Erie 0453H0077GB01 120V HSeries Medium Duty 2Position Damper Actuator w/ End Damper Actuator With End Switch belimo damper actuators are designed for use in a wide variety of hvac applications ensuring performance, reliability and lower. Each switch is a proven performer in building. It controls hvac air dampers with a universal power supply of. belimo hvac damper actuators are designed for use in a wide variety of on/off, modulating or communicating damper and life. Damper Actuator With End Switch.
From solutioncenter.yaskawa.com
Setting Up a Damper Actuator and End Switch for a HV600 or Z1000 Drive Damper Actuator With End Switch It controls hvac air dampers with a universal power supply of. belimo hvac damper actuators are designed for use in a wide variety of on/off, modulating or communicating damper and life safety. belimo damper actuators are designed for use in a wide variety of hvac applications ensuring performance, reliability and lower. Each switch is a proven performer in. Damper Actuator With End Switch.