Engine Wiring Diagram For . you can access cummins owner’s manuals and wiring diagrams for engine products by esn with our engine manual lookup tool. understanding engine wiring harness diagrams is crucial for anyone working on or modifying an engine. engine wiring diagrams are essential tools for understanding the electrical components and connections in a vehicle’s engine. find the briggs and stratton engine wiring diagram you need to repair or troubleshoot your briggs and stratton engine. key components that are typically shown in a 2 stroke engine wiring diagram include the ignition coil, spark plug, cdi (capacitor. learn how to read and understand car engine wiring diagrams to troubleshoot electrical issues and make repairs. These diagrams provide a roadmap for identifying and. read through this briggs and stratton faq to find the electrical schematic or wiring diagram for your small engine.
from www.atltf.com
you can access cummins owner’s manuals and wiring diagrams for engine products by esn with our engine manual lookup tool. These diagrams provide a roadmap for identifying and. understanding engine wiring harness diagrams is crucial for anyone working on or modifying an engine. learn how to read and understand car engine wiring diagrams to troubleshoot electrical issues and make repairs. key components that are typically shown in a 2 stroke engine wiring diagram include the ignition coil, spark plug, cdi (capacitor. engine wiring diagrams are essential tools for understanding the electrical components and connections in a vehicle’s engine. read through this briggs and stratton faq to find the electrical schematic or wiring diagram for your small engine. find the briggs and stratton engine wiring diagram you need to repair or troubleshoot your briggs and stratton engine.
Briggs Engine Wiring Diagram
Engine Wiring Diagram For you can access cummins owner’s manuals and wiring diagrams for engine products by esn with our engine manual lookup tool. These diagrams provide a roadmap for identifying and. read through this briggs and stratton faq to find the electrical schematic or wiring diagram for your small engine. engine wiring diagrams are essential tools for understanding the electrical components and connections in a vehicle’s engine. you can access cummins owner’s manuals and wiring diagrams for engine products by esn with our engine manual lookup tool. key components that are typically shown in a 2 stroke engine wiring diagram include the ignition coil, spark plug, cdi (capacitor. understanding engine wiring harness diagrams is crucial for anyone working on or modifying an engine. find the briggs and stratton engine wiring diagram you need to repair or troubleshoot your briggs and stratton engine. learn how to read and understand car engine wiring diagrams to troubleshoot electrical issues and make repairs.
From wiringlibrarylemann.z19.web.core.windows.net
Chevy Engine Wiring Diagram Engine Wiring Diagram For read through this briggs and stratton faq to find the electrical schematic or wiring diagram for your small engine. find the briggs and stratton engine wiring diagram you need to repair or troubleshoot your briggs and stratton engine. key components that are typically shown in a 2 stroke engine wiring diagram include the ignition coil, spark plug,. Engine Wiring Diagram For.
From wiring-23.blogspot.com
Wiring Diagram For Perkins Engine Wiring23 Engine Wiring Diagram For understanding engine wiring harness diagrams is crucial for anyone working on or modifying an engine. you can access cummins owner’s manuals and wiring diagrams for engine products by esn with our engine manual lookup tool. key components that are typically shown in a 2 stroke engine wiring diagram include the ignition coil, spark plug, cdi (capacitor. . Engine Wiring Diagram For.
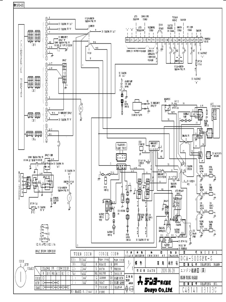
From www.scribd.com
Denyo DCA500SPK Engine Wiring Diagram PDF Engine Wiring Diagram For understanding engine wiring harness diagrams is crucial for anyone working on or modifying an engine. key components that are typically shown in a 2 stroke engine wiring diagram include the ignition coil, spark plug, cdi (capacitor. you can access cummins owner’s manuals and wiring diagrams for engine products by esn with our engine manual lookup tool. . Engine Wiring Diagram For.
From schematron.org
Briggs & Stratton287707 Wiring Diagram Wiring Diagram Pictures Engine Wiring Diagram For learn how to read and understand car engine wiring diagrams to troubleshoot electrical issues and make repairs. read through this briggs and stratton faq to find the electrical schematic or wiring diagram for your small engine. you can access cummins owner’s manuals and wiring diagrams for engine products by esn with our engine manual lookup tool. These. Engine Wiring Diagram For.
From www.jackssmallengines.com
Gravely 990001 (000101 ) PM300, 18hp Kohler Parts Diagram for WIRING Engine Wiring Diagram For understanding engine wiring harness diagrams is crucial for anyone working on or modifying an engine. find the briggs and stratton engine wiring diagram you need to repair or troubleshoot your briggs and stratton engine. read through this briggs and stratton faq to find the electrical schematic or wiring diagram for your small engine. These diagrams provide a. Engine Wiring Diagram For.
From manualpartdebride101.z13.web.core.windows.net
Basic Engine Wiring Diagram Yj Engine Wiring Diagram For These diagrams provide a roadmap for identifying and. engine wiring diagrams are essential tools for understanding the electrical components and connections in a vehicle’s engine. learn how to read and understand car engine wiring diagrams to troubleshoot electrical issues and make repairs. read through this briggs and stratton faq to find the electrical schematic or wiring diagram. Engine Wiring Diagram For.
From wiringdiagram.2bitboer.com
Briggs And Stratton 20 Hp V Twin Wiring Diagram Wiring Diagram Engine Wiring Diagram For learn how to read and understand car engine wiring diagrams to troubleshoot electrical issues and make repairs. you can access cummins owner’s manuals and wiring diagrams for engine products by esn with our engine manual lookup tool. key components that are typically shown in a 2 stroke engine wiring diagram include the ignition coil, spark plug, cdi. Engine Wiring Diagram For.
From wiringdiagram.2bitboer.com
Briggs And Stratton Wiring Diagram 17 5 Hp Wiring Diagram Engine Wiring Diagram For learn how to read and understand car engine wiring diagrams to troubleshoot electrical issues and make repairs. you can access cummins owner’s manuals and wiring diagrams for engine products by esn with our engine manual lookup tool. These diagrams provide a roadmap for identifying and. key components that are typically shown in a 2 stroke engine wiring. Engine Wiring Diagram For.
From giownuctw.blob.core.windows.net
Engine Electrical Schematic Diagram at James Gordon blog Engine Wiring Diagram For you can access cummins owner’s manuals and wiring diagrams for engine products by esn with our engine manual lookup tool. These diagrams provide a roadmap for identifying and. understanding engine wiring harness diagrams is crucial for anyone working on or modifying an engine. read through this briggs and stratton faq to find the electrical schematic or wiring. Engine Wiring Diagram For.
From wiringdiagramall.blogspot.com
Wiring Diagram K20 Engine Engine Wiring Diagram For engine wiring diagrams are essential tools for understanding the electrical components and connections in a vehicle’s engine. you can access cummins owner’s manuals and wiring diagrams for engine products by esn with our engine manual lookup tool. read through this briggs and stratton faq to find the electrical schematic or wiring diagram for your small engine. . Engine Wiring Diagram For.
From wiring.hpricorpcom.com
95 Chevy K1500 Engine Wiring Diagram Wiring Diagram and Schematic Engine Wiring Diagram For read through this briggs and stratton faq to find the electrical schematic or wiring diagram for your small engine. These diagrams provide a roadmap for identifying and. you can access cummins owner’s manuals and wiring diagrams for engine products by esn with our engine manual lookup tool. engine wiring diagrams are essential tools for understanding the electrical. Engine Wiring Diagram For.
From schematron.org
Wiring Diagram For A1997 Mercury 40hp Wiring Diagram Pictures Engine Wiring Diagram For These diagrams provide a roadmap for identifying and. read through this briggs and stratton faq to find the electrical schematic or wiring diagram for your small engine. find the briggs and stratton engine wiring diagram you need to repair or troubleshoot your briggs and stratton engine. understanding engine wiring harness diagrams is crucial for anyone working on. Engine Wiring Diagram For.
From wiringideas.blogspot.com
Engine Wiring Diagram For 92 Gmc Sierra 1500 Wiring Diagram & Schemas Engine Wiring Diagram For learn how to read and understand car engine wiring diagrams to troubleshoot electrical issues and make repairs. find the briggs and stratton engine wiring diagram you need to repair or troubleshoot your briggs and stratton engine. engine wiring diagrams are essential tools for understanding the electrical components and connections in a vehicle’s engine. you can access. Engine Wiring Diagram For.
From machinefixmarathon.z1.web.core.windows.net
Wiring Diagram For A Kohler Engine Engine Wiring Diagram For learn how to read and understand car engine wiring diagrams to troubleshoot electrical issues and make repairs. read through this briggs and stratton faq to find the electrical schematic or wiring diagram for your small engine. you can access cummins owner’s manuals and wiring diagrams for engine products by esn with our engine manual lookup tool. . Engine Wiring Diagram For.
From wiringdiagramall.blogspot.com
Generator Engine Wiring Diagram Engine Wiring Diagram For you can access cummins owner’s manuals and wiring diagrams for engine products by esn with our engine manual lookup tool. understanding engine wiring harness diagrams is crucial for anyone working on or modifying an engine. These diagrams provide a roadmap for identifying and. learn how to read and understand car engine wiring diagrams to troubleshoot electrical issues. Engine Wiring Diagram For.
From diagramweb.net
4age 16v Engine Wiring Diagram Engine Wiring Diagram For understanding engine wiring harness diagrams is crucial for anyone working on or modifying an engine. you can access cummins owner’s manuals and wiring diagrams for engine products by esn with our engine manual lookup tool. These diagrams provide a roadmap for identifying and. key components that are typically shown in a 2 stroke engine wiring diagram include. Engine Wiring Diagram For.
From manualdiagramtanja.z19.web.core.windows.net
Ford Engine Wiring Diagram Engine Wiring Diagram For find the briggs and stratton engine wiring diagram you need to repair or troubleshoot your briggs and stratton engine. you can access cummins owner’s manuals and wiring diagrams for engine products by esn with our engine manual lookup tool. read through this briggs and stratton faq to find the electrical schematic or wiring diagram for your small. Engine Wiring Diagram For.
From www.youtube.com
Engine starting System Wiring Diagram YouTube Engine Wiring Diagram For These diagrams provide a roadmap for identifying and. find the briggs and stratton engine wiring diagram you need to repair or troubleshoot your briggs and stratton engine. key components that are typically shown in a 2 stroke engine wiring diagram include the ignition coil, spark plug, cdi (capacitor. learn how to read and understand car engine wiring. Engine Wiring Diagram For.
From saviomadaleine.blogspot.com
schematic kohler engine wiring diagram SavioMadaleine Engine Wiring Diagram For learn how to read and understand car engine wiring diagrams to troubleshoot electrical issues and make repairs. you can access cummins owner’s manuals and wiring diagrams for engine products by esn with our engine manual lookup tool. read through this briggs and stratton faq to find the electrical schematic or wiring diagram for your small engine. . Engine Wiring Diagram For.
From isavetractors.com
Sample Basic Wiring Diagram for Small Engines using Ignition Engine Wiring Diagram For engine wiring diagrams are essential tools for understanding the electrical components and connections in a vehicle’s engine. key components that are typically shown in a 2 stroke engine wiring diagram include the ignition coil, spark plug, cdi (capacitor. find the briggs and stratton engine wiring diagram you need to repair or troubleshoot your briggs and stratton engine.. Engine Wiring Diagram For.
From guidepartetiquette.z13.web.core.windows.net
K241s Kohler Engine Wiring Diagrams For Engine Wiring Diagram For These diagrams provide a roadmap for identifying and. engine wiring diagrams are essential tools for understanding the electrical components and connections in a vehicle’s engine. understanding engine wiring harness diagrams is crucial for anyone working on or modifying an engine. find the briggs and stratton engine wiring diagram you need to repair or troubleshoot your briggs and. Engine Wiring Diagram For.
From wiringdiagram.2bitboer.com
Briggs And Stratton Wiring Diagram 14hp Wiring Diagram Engine Wiring Diagram For These diagrams provide a roadmap for identifying and. you can access cummins owner’s manuals and wiring diagrams for engine products by esn with our engine manual lookup tool. read through this briggs and stratton faq to find the electrical schematic or wiring diagram for your small engine. understanding engine wiring harness diagrams is crucial for anyone working. Engine Wiring Diagram For.
From fjelloghjem.blogspot.com
20 Best Kohler Engines Wiring Diagrams Engine Wiring Diagram For engine wiring diagrams are essential tools for understanding the electrical components and connections in a vehicle’s engine. read through this briggs and stratton faq to find the electrical schematic or wiring diagram for your small engine. understanding engine wiring harness diagrams is crucial for anyone working on or modifying an engine. you can access cummins owner’s. Engine Wiring Diagram For.
From esquiltingpasion.blogspot.com
⭐ Briggs And Stratton 125 Hp Engine Wiring Diagram ⭐ Engine Wiring Diagram For engine wiring diagrams are essential tools for understanding the electrical components and connections in a vehicle’s engine. These diagrams provide a roadmap for identifying and. understanding engine wiring harness diagrams is crucial for anyone working on or modifying an engine. read through this briggs and stratton faq to find the electrical schematic or wiring diagram for your. Engine Wiring Diagram For.
From wiringdiagram.2bitboer.com
Chrysler 318 Marine Engine Wiring Diagram Wiring Diagram Engine Wiring Diagram For These diagrams provide a roadmap for identifying and. find the briggs and stratton engine wiring diagram you need to repair or troubleshoot your briggs and stratton engine. learn how to read and understand car engine wiring diagrams to troubleshoot electrical issues and make repairs. understanding engine wiring harness diagrams is crucial for anyone working on or modifying. Engine Wiring Diagram For.
From autoepcservice.com
Caterpillar Truck 3126 Engine Wiring Diagrams Engine Wiring Diagram For find the briggs and stratton engine wiring diagram you need to repair or troubleshoot your briggs and stratton engine. engine wiring diagrams are essential tools for understanding the electrical components and connections in a vehicle’s engine. These diagrams provide a roadmap for identifying and. read through this briggs and stratton faq to find the electrical schematic or. Engine Wiring Diagram For.
From wiringdiagramall.blogspot.com
Wiring Diagram For The Engine Engine Wiring Diagram For learn how to read and understand car engine wiring diagrams to troubleshoot electrical issues and make repairs. key components that are typically shown in a 2 stroke engine wiring diagram include the ignition coil, spark plug, cdi (capacitor. find the briggs and stratton engine wiring diagram you need to repair or troubleshoot your briggs and stratton engine.. Engine Wiring Diagram For.
From www.2carpros.com
Engine Wiring Diagram Wiring Problem, Where the Signal to the Engine Wiring Diagram For key components that are typically shown in a 2 stroke engine wiring diagram include the ignition coil, spark plug, cdi (capacitor. you can access cummins owner’s manuals and wiring diagrams for engine products by esn with our engine manual lookup tool. find the briggs and stratton engine wiring diagram you need to repair or troubleshoot your briggs. Engine Wiring Diagram For.
From prsteyer.blogspot.com
Basic Car Engine Wiring Diagram Engine Wiring Diagram For engine wiring diagrams are essential tools for understanding the electrical components and connections in a vehicle’s engine. read through this briggs and stratton faq to find the electrical schematic or wiring diagram for your small engine. learn how to read and understand car engine wiring diagrams to troubleshoot electrical issues and make repairs. These diagrams provide a. Engine Wiring Diagram For.
From wireenginejonathan.z21.web.core.windows.net
10hp Kohler Small Engine Wiring Engine Wiring Diagram For find the briggs and stratton engine wiring diagram you need to repair or troubleshoot your briggs and stratton engine. read through this briggs and stratton faq to find the electrical schematic or wiring diagram for your small engine. These diagrams provide a roadmap for identifying and. key components that are typically shown in a 2 stroke engine. Engine Wiring Diagram For.
From www.caretxdigital.com
Basic Engine Wiring Diagram Wiring Diagram and Schematics Engine Wiring Diagram For engine wiring diagrams are essential tools for understanding the electrical components and connections in a vehicle’s engine. learn how to read and understand car engine wiring diagrams to troubleshoot electrical issues and make repairs. These diagrams provide a roadmap for identifying and. understanding engine wiring harness diagrams is crucial for anyone working on or modifying an engine.. Engine Wiring Diagram For.
From www.atltf.com
Briggs Engine Wiring Diagram Engine Wiring Diagram For understanding engine wiring harness diagrams is crucial for anyone working on or modifying an engine. key components that are typically shown in a 2 stroke engine wiring diagram include the ignition coil, spark plug, cdi (capacitor. find the briggs and stratton engine wiring diagram you need to repair or troubleshoot your briggs and stratton engine. learn. Engine Wiring Diagram For.
From www.svtperformance.com
2013/14 GT500 Engine and Transmission & Underhood Wiring Harness Engine Wiring Diagram For you can access cummins owner’s manuals and wiring diagrams for engine products by esn with our engine manual lookup tool. engine wiring diagrams are essential tools for understanding the electrical components and connections in a vehicle’s engine. key components that are typically shown in a 2 stroke engine wiring diagram include the ignition coil, spark plug, cdi. Engine Wiring Diagram For.
From wiringdiagramall.blogspot.com
Briggs And Stratton 195 Hp Engine Wiring Diagram Engine Wiring Diagram For understanding engine wiring harness diagrams is crucial for anyone working on or modifying an engine. key components that are typically shown in a 2 stroke engine wiring diagram include the ignition coil, spark plug, cdi (capacitor. learn how to read and understand car engine wiring diagrams to troubleshoot electrical issues and make repairs. read through this. Engine Wiring Diagram For.
From 2020cadillac.com
Wiring Diagram For Johnson Outboard Motor Save Evinrude Throughout Engine Wiring Diagram For you can access cummins owner’s manuals and wiring diagrams for engine products by esn with our engine manual lookup tool. key components that are typically shown in a 2 stroke engine wiring diagram include the ignition coil, spark plug, cdi (capacitor. These diagrams provide a roadmap for identifying and. learn how to read and understand car engine. Engine Wiring Diagram For.