Bobcat 773 Auxiliary Hydraulics Not Working . hello i have a bobcat 773 and when i press the button on the top right corner it just flickers then goes straight. I figure it is not a worn spool or it would not. I have a known good. understanding the hydraulic control valve diagram is essential for troubleshooting hydraulic issues with the bobcat 773. i'm trying to follow the hydraulic schematic, but need some help. With a screwdriver in the coil, move the thumb. machine boom and tilt was working as it was designed prior to me engaging auxiliary hydrauolics. i purchased a used bobcat 773g and am having issues with the front aux hydraulics. with the coils off, turn the key on and press the aux hydraulic button. try turning on the auxiliary hydraulics, and on the right control, only move the switch from left to right.
from www.tractorbynet.com
with the coils off, turn the key on and press the aux hydraulic button. With a screwdriver in the coil, move the thumb. try turning on the auxiliary hydraulics, and on the right control, only move the switch from left to right. I have a known good. i purchased a used bobcat 773g and am having issues with the front aux hydraulics. hello i have a bobcat 773 and when i press the button on the top right corner it just flickers then goes straight. understanding the hydraulic control valve diagram is essential for troubleshooting hydraulic issues with the bobcat 773. I figure it is not a worn spool or it would not. machine boom and tilt was working as it was designed prior to me engaging auxiliary hydrauolics. i'm trying to follow the hydraulic schematic, but need some help.
Bobcat 753 Hydraulic Control Valve Rebuild, with pictures
Bobcat 773 Auxiliary Hydraulics Not Working with the coils off, turn the key on and press the aux hydraulic button. I figure it is not a worn spool or it would not. With a screwdriver in the coil, move the thumb. understanding the hydraulic control valve diagram is essential for troubleshooting hydraulic issues with the bobcat 773. hello i have a bobcat 773 and when i press the button on the top right corner it just flickers then goes straight. try turning on the auxiliary hydraulics, and on the right control, only move the switch from left to right. i purchased a used bobcat 773g and am having issues with the front aux hydraulics. with the coils off, turn the key on and press the aux hydraulic button. I have a known good. machine boom and tilt was working as it was designed prior to me engaging auxiliary hydrauolics. i'm trying to follow the hydraulic schematic, but need some help.
From takemanual.com
Bobcat 773 Service Manual Skid Steer Loader 509635001 509616001 Bobcat 773 Auxiliary Hydraulics Not Working I figure it is not a worn spool or it would not. I have a known good. machine boom and tilt was working as it was designed prior to me engaging auxiliary hydrauolics. hello i have a bobcat 773 and when i press the button on the top right corner it just flickers then goes straight. understanding. Bobcat 773 Auxiliary Hydraulics Not Working.
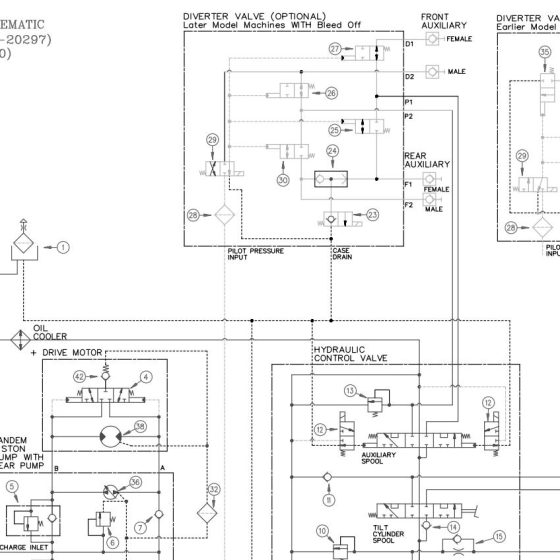
From mavink.com
Bobcat 753 Hydraulic Control Valve Bobcat 773 Auxiliary Hydraulics Not Working With a screwdriver in the coil, move the thumb. I figure it is not a worn spool or it would not. i'm trying to follow the hydraulic schematic, but need some help. hello i have a bobcat 773 and when i press the button on the top right corner it just flickers then goes straight. I have a. Bobcat 773 Auxiliary Hydraulics Not Working.
From farmergrows.com
8 Quick Methods To Fix Bobcat Auxiliary Hydraulics Not Working Farmer Bobcat 773 Auxiliary Hydraulics Not Working hello i have a bobcat 773 and when i press the button on the top right corner it just flickers then goes straight. machine boom and tilt was working as it was designed prior to me engaging auxiliary hydrauolics. With a screwdriver in the coil, move the thumb. i'm trying to follow the hydraulic schematic, but need. Bobcat 773 Auxiliary Hydraulics Not Working.
From www.justanswer.com
1998 bobcat 773 attachment quit working. Auxiliary attachment button Bobcat 773 Auxiliary Hydraulics Not Working i purchased a used bobcat 773g and am having issues with the front aux hydraulics. i'm trying to follow the hydraulic schematic, but need some help. with the coils off, turn the key on and press the aux hydraulic button. I figure it is not a worn spool or it would not. try turning on the. Bobcat 773 Auxiliary Hydraulics Not Working.
From www.vanderhaags.com
Bobcat 773 Hydraulic Pump for Sale Bobcat 773 Auxiliary Hydraulics Not Working try turning on the auxiliary hydraulics, and on the right control, only move the switch from left to right. i purchased a used bobcat 773g and am having issues with the front aux hydraulics. I have a known good. hello i have a bobcat 773 and when i press the button on the top right corner it. Bobcat 773 Auxiliary Hydraulics Not Working.
From www.ebay.com
2002 Bobcat 773 Skid Steer Wheel Loader Aux Hydraulics Parts / Repair Bobcat 773 Auxiliary Hydraulics Not Working I figure it is not a worn spool or it would not. understanding the hydraulic control valve diagram is essential for troubleshooting hydraulic issues with the bobcat 773. machine boom and tilt was working as it was designed prior to me engaging auxiliary hydrauolics. i purchased a used bobcat 773g and am having issues with the front. Bobcat 773 Auxiliary Hydraulics Not Working.
From cassiealbert.blogspot.com
13+ bobcat 773 hydraulic control valve diagram CassieAlbert Bobcat 773 Auxiliary Hydraulics Not Working i purchased a used bobcat 773g and am having issues with the front aux hydraulics. with the coils off, turn the key on and press the aux hydraulic button. I have a known good. understanding the hydraulic control valve diagram is essential for troubleshooting hydraulic issues with the bobcat 773. hello i have a bobcat 773. Bobcat 773 Auxiliary Hydraulics Not Working.
From fyohmcdvp.blob.core.windows.net
Hydraulic Oil Bobcat 773 at Ruth Schell blog Bobcat 773 Auxiliary Hydraulics Not Working with the coils off, turn the key on and press the aux hydraulic button. With a screwdriver in the coil, move the thumb. I have a known good. i purchased a used bobcat 773g and am having issues with the front aux hydraulics. I figure it is not a worn spool or it would not. try turning. Bobcat 773 Auxiliary Hydraulics Not Working.
From oldeststars.com
Bobcat 773 G Series Service Manual Bobcat 773 Auxiliary Hydraulics Not Working With a screwdriver in the coil, move the thumb. with the coils off, turn the key on and press the aux hydraulic button. hello i have a bobcat 773 and when i press the button on the top right corner it just flickers then goes straight. machine boom and tilt was working as it was designed prior. Bobcat 773 Auxiliary Hydraulics Not Working.
From sinref.ru
Loader Bobcat 773. Service Manual part 27 Bobcat 773 Auxiliary Hydraulics Not Working try turning on the auxiliary hydraulics, and on the right control, only move the switch from left to right. I have a known good. understanding the hydraulic control valve diagram is essential for troubleshooting hydraulic issues with the bobcat 773. I figure it is not a worn spool or it would not. i purchased a used bobcat. Bobcat 773 Auxiliary Hydraulics Not Working.
From www.messicks.com
Used Bobcat 773 Bobcat 773 Auxiliary Hydraulics Not Working machine boom and tilt was working as it was designed prior to me engaging auxiliary hydrauolics. I have a known good. i'm trying to follow the hydraulic schematic, but need some help. with the coils off, turn the key on and press the aux hydraulic button. I figure it is not a worn spool or it would. Bobcat 773 Auxiliary Hydraulics Not Working.
From techschematic.com
Understanding the Hydraulic Control Valve Diagram for Bobcat 773 Bobcat 773 Auxiliary Hydraulics Not Working with the coils off, turn the key on and press the aux hydraulic button. i purchased a used bobcat 773g and am having issues with the front aux hydraulics. try turning on the auxiliary hydraulics, and on the right control, only move the switch from left to right. With a screwdriver in the coil, move the thumb.. Bobcat 773 Auxiliary Hydraulics Not Working.
From www.vanderhaags.com
4445096 Bobcat 773 Hydraulic Pump for Sale Bobcat 773 Auxiliary Hydraulics Not Working I have a known good. understanding the hydraulic control valve diagram is essential for troubleshooting hydraulic issues with the bobcat 773. with the coils off, turn the key on and press the aux hydraulic button. hello i have a bobcat 773 and when i press the button on the top right corner it just flickers then goes. Bobcat 773 Auxiliary Hydraulics Not Working.
From takemanual.com
Bobcat 773 Operation & Maintenance Manual Skid Steer Loader Bobcat 773 Auxiliary Hydraulics Not Working try turning on the auxiliary hydraulics, and on the right control, only move the switch from left to right. I have a known good. machine boom and tilt was working as it was designed prior to me engaging auxiliary hydrauolics. with the coils off, turn the key on and press the aux hydraulic button. hello i. Bobcat 773 Auxiliary Hydraulics Not Working.
From www.vanderhaags.com
Bobcat 773 Hydraulic Valve for Sale Bobcat 773 Auxiliary Hydraulics Not Working I figure it is not a worn spool or it would not. With a screwdriver in the coil, move the thumb. hello i have a bobcat 773 and when i press the button on the top right corner it just flickers then goes straight. i'm trying to follow the hydraulic schematic, but need some help. understanding the. Bobcat 773 Auxiliary Hydraulics Not Working.
From wirelistrestating.z13.web.core.windows.net
Bobcat 773 Fuse Box Diagram Bobcat 773 Auxiliary Hydraulics Not Working try turning on the auxiliary hydraulics, and on the right control, only move the switch from left to right. understanding the hydraulic control valve diagram is essential for troubleshooting hydraulic issues with the bobcat 773. I have a known good. i'm trying to follow the hydraulic schematic, but need some help. with the coils off, turn. Bobcat 773 Auxiliary Hydraulics Not Working.
From design1systems.com
Understanding the Bobcat 773 Hydraulic Control Valve Diagram A Bobcat 773 Auxiliary Hydraulics Not Working i purchased a used bobcat 773g and am having issues with the front aux hydraulics. I have a known good. understanding the hydraulic control valve diagram is essential for troubleshooting hydraulic issues with the bobcat 773. with the coils off, turn the key on and press the aux hydraulic button. hello i have a bobcat 773. Bobcat 773 Auxiliary Hydraulics Not Working.
From manualdiagramausterlitz.z19.web.core.windows.net
Bobcat 773 Hydraulic Schematic Bobcat 773 Auxiliary Hydraulics Not Working i'm trying to follow the hydraulic schematic, but need some help. understanding the hydraulic control valve diagram is essential for troubleshooting hydraulic issues with the bobcat 773. I figure it is not a worn spool or it would not. machine boom and tilt was working as it was designed prior to me engaging auxiliary hydrauolics. with. Bobcat 773 Auxiliary Hydraulics Not Working.
From farmergrows.com
8 Quick Methods To Fix Bobcat Auxiliary Hydraulics Not Working Farmer Bobcat 773 Auxiliary Hydraulics Not Working machine boom and tilt was working as it was designed prior to me engaging auxiliary hydrauolics. understanding the hydraulic control valve diagram is essential for troubleshooting hydraulic issues with the bobcat 773. I figure it is not a worn spool or it would not. with the coils off, turn the key on and press the aux hydraulic. Bobcat 773 Auxiliary Hydraulics Not Working.
From servicepartmanuals.com
Bobcat Loader 773 Hydraulic & Electrical Schematic Homepage The Bobcat 773 Auxiliary Hydraulics Not Working with the coils off, turn the key on and press the aux hydraulic button. machine boom and tilt was working as it was designed prior to me engaging auxiliary hydrauolics. I have a known good. try turning on the auxiliary hydraulics, and on the right control, only move the switch from left to right. understanding the. Bobcat 773 Auxiliary Hydraulics Not Working.
From www.ebay.ca
2002 Bobcat 773 Skid Steer Wheel Loader Aux Hydraulics Parts/Repair Bobcat 773 Auxiliary Hydraulics Not Working with the coils off, turn the key on and press the aux hydraulic button. I have a known good. hello i have a bobcat 773 and when i press the button on the top right corner it just flickers then goes straight. With a screwdriver in the coil, move the thumb. machine boom and tilt was working. Bobcat 773 Auxiliary Hydraulics Not Working.
From www.vanderhaags.com
Bobcat 773 Hydraulic Pump for Sale Bobcat 773 Auxiliary Hydraulics Not Working understanding the hydraulic control valve diagram is essential for troubleshooting hydraulic issues with the bobcat 773. try turning on the auxiliary hydraulics, and on the right control, only move the switch from left to right. i'm trying to follow the hydraulic schematic, but need some help. hello i have a bobcat 773 and when i press. Bobcat 773 Auxiliary Hydraulics Not Working.
From www.ecuforcetruck.com
SERVICE MANUAL BOBCAT 773 Sms EcuForce Truck Bobcat 773 Auxiliary Hydraulics Not Working i'm trying to follow the hydraulic schematic, but need some help. I figure it is not a worn spool or it would not. with the coils off, turn the key on and press the aux hydraulic button. machine boom and tilt was working as it was designed prior to me engaging auxiliary hydrauolics. I have a known. Bobcat 773 Auxiliary Hydraulics Not Working.
From www.epcatalogs.com
Bobcat 773 Loader Service Manual PDF Download Bobcat 773 Auxiliary Hydraulics Not Working i purchased a used bobcat 773g and am having issues with the front aux hydraulics. I figure it is not a worn spool or it would not. i'm trying to follow the hydraulic schematic, but need some help. understanding the hydraulic control valve diagram is essential for troubleshooting hydraulic issues with the bobcat 773. I have a. Bobcat 773 Auxiliary Hydraulics Not Working.
From www.autorepairmanuals.ws
Bobcat Loader 773 Hydraulic & Electrical Schematic Auto Repair Manual Bobcat 773 Auxiliary Hydraulics Not Working hello i have a bobcat 773 and when i press the button on the top right corner it just flickers then goes straight. With a screwdriver in the coil, move the thumb. I have a known good. i purchased a used bobcat 773g and am having issues with the front aux hydraulics. try turning on the auxiliary. Bobcat 773 Auxiliary Hydraulics Not Working.
From www.autorepairmanuals.ws
Bobcat Loader 773 Electrical and Hydraulic Schematic Auto Repair Bobcat 773 Auxiliary Hydraulics Not Working With a screwdriver in the coil, move the thumb. i'm trying to follow the hydraulic schematic, but need some help. hello i have a bobcat 773 and when i press the button on the top right corner it just flickers then goes straight. with the coils off, turn the key on and press the aux hydraulic button.. Bobcat 773 Auxiliary Hydraulics Not Working.
From guidedehartcosmoramas.z21.web.core.windows.net
Bobcat 753 Hydraulic Hose Diagram Bobcat 773 Auxiliary Hydraulics Not Working machine boom and tilt was working as it was designed prior to me engaging auxiliary hydrauolics. I have a known good. I figure it is not a worn spool or it would not. hello i have a bobcat 773 and when i press the button on the top right corner it just flickers then goes straight. understanding. Bobcat 773 Auxiliary Hydraulics Not Working.
From guidelibjeanette.z19.web.core.windows.net
Bobcat 773 Hydraulic System Diagram Bobcat 773 Auxiliary Hydraulics Not Working understanding the hydraulic control valve diagram is essential for troubleshooting hydraulic issues with the bobcat 773. machine boom and tilt was working as it was designed prior to me engaging auxiliary hydrauolics. I have a known good. i purchased a used bobcat 773g and am having issues with the front aux hydraulics. hello i have a. Bobcat 773 Auxiliary Hydraulics Not Working.
From www.youtube.com
Bobcat 773 BCIS override. No hydraulics fix. Part 1, Part 2 shows the Bobcat 773 Auxiliary Hydraulics Not Working With a screwdriver in the coil, move the thumb. I have a known good. machine boom and tilt was working as it was designed prior to me engaging auxiliary hydrauolics. I figure it is not a worn spool or it would not. hello i have a bobcat 773 and when i press the button on the top right. Bobcat 773 Auxiliary Hydraulics Not Working.
From www.vanderhaags.com
4445096 Bobcat 773 Hydraulic Pump for Sale Bobcat 773 Auxiliary Hydraulics Not Working try turning on the auxiliary hydraulics, and on the right control, only move the switch from left to right. machine boom and tilt was working as it was designed prior to me engaging auxiliary hydrauolics. with the coils off, turn the key on and press the aux hydraulic button. i purchased a used bobcat 773g and. Bobcat 773 Auxiliary Hydraulics Not Working.
From www.youtube.com
Bobcat 773 Hydraulic Control Valve Leak Repair part 1 YouTube Bobcat 773 Auxiliary Hydraulics Not Working i purchased a used bobcat 773g and am having issues with the front aux hydraulics. i'm trying to follow the hydraulic schematic, but need some help. with the coils off, turn the key on and press the aux hydraulic button. With a screwdriver in the coil, move the thumb. hello i have a bobcat 773 and. Bobcat 773 Auxiliary Hydraulics Not Working.
From www.justanswer.com
1998 bobcat 773 attachment quit working. Auxiliary attachment button Bobcat 773 Auxiliary Hydraulics Not Working machine boom and tilt was working as it was designed prior to me engaging auxiliary hydrauolics. i'm trying to follow the hydraulic schematic, but need some help. I have a known good. I figure it is not a worn spool or it would not. With a screwdriver in the coil, move the thumb. i purchased a used. Bobcat 773 Auxiliary Hydraulics Not Working.
From www.tractorbynet.com
Bobcat 753 Hydraulic Control Valve Rebuild, with pictures Bobcat 773 Auxiliary Hydraulics Not Working I have a known good. with the coils off, turn the key on and press the aux hydraulic button. i purchased a used bobcat 773g and am having issues with the front aux hydraulics. understanding the hydraulic control valve diagram is essential for troubleshooting hydraulic issues with the bobcat 773. With a screwdriver in the coil, move. Bobcat 773 Auxiliary Hydraulics Not Working.
From autoepcservice.com
Bobcat Loader 773 Electrical and Hydraulic Schematic Bobcat 773 Auxiliary Hydraulics Not Working i'm trying to follow the hydraulic schematic, but need some help. i purchased a used bobcat 773g and am having issues with the front aux hydraulics. I have a known good. understanding the hydraulic control valve diagram is essential for troubleshooting hydraulic issues with the bobcat 773. I figure it is not a worn spool or it. Bobcat 773 Auxiliary Hydraulics Not Working.
From www.justanswer.com
1998 bobcat 773 attachment quit working. Auxiliary attachment button Bobcat 773 Auxiliary Hydraulics Not Working understanding the hydraulic control valve diagram is essential for troubleshooting hydraulic issues with the bobcat 773. With a screwdriver in the coil, move the thumb. with the coils off, turn the key on and press the aux hydraulic button. hello i have a bobcat 773 and when i press the button on the top right corner it. Bobcat 773 Auxiliary Hydraulics Not Working.