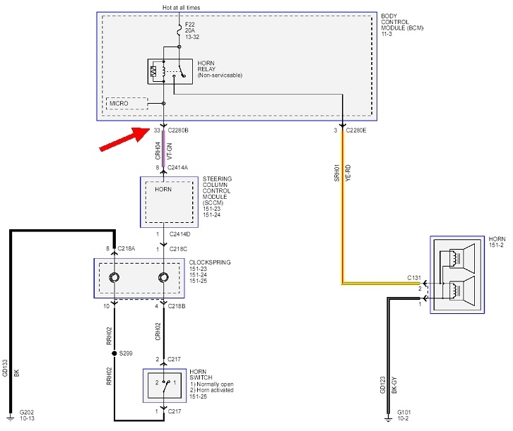
Car Horn Not Working But Relay Clicking . One way to troubleshoot this issue. If the fuse is intact but the horn still isn’t working, the next step is to test the horn relay. It can also stop working because the horn is broken or there’s a bad clock spring. The most likely reason why a car horn is not working is a blown fuse. Driving with a malfunctioning horn is dangerous because it reduces your ability to avoid road crashes by alerting drivers and pedestrians. When faced with a silent horn, intermittent sounds, or the horn going off unexpectedly while driving, it could be a sign of a malfunctioning horn relay. Two symptoms of a faulty horn relay are a horn that’s stuck on and one that doesn’t work at all. Additionally, a faulty relay, wiring issues or a bad horn switch can also cause the same problems, making it impossible to blow the horn. Power to the horn comes directly from the relay. But an inoperative horn can also be caused by a bad horn switch in your steering wheel, a broken “clock spring” under the. Start with the fuse, as this is one of the most common issues. The horn relay is an electrical switch that. With a blown fuse, the horn can't receive the power it needs. If you hear the relay clicking, then you must have an open between the relay and the horn itself, or fuse 24 has failed.
        
         
         
        from www.youtube.com 
     
        
        One way to troubleshoot this issue. Power to the horn comes directly from the relay. The horn relay is an electrical switch that. Two symptoms of a faulty horn relay are a horn that’s stuck on and one that doesn’t work at all. Additionally, a faulty relay, wiring issues or a bad horn switch can also cause the same problems, making it impossible to blow the horn. If the fuse is intact but the horn still isn’t working, the next step is to test the horn relay. With a blown fuse, the horn can't receive the power it needs. The most likely reason why a car horn is not working is a blown fuse. But an inoperative horn can also be caused by a bad horn switch in your steering wheel, a broken “clock spring” under the. If you hear the relay clicking, then you must have an open between the relay and the horn itself, or fuse 24 has failed.
    
    	
            
	
		 
	 
         
    How to Fix a Car Horn Car Horn not Working YouTube 
    Car Horn Not Working But Relay Clicking  Driving with a malfunctioning horn is dangerous because it reduces your ability to avoid road crashes by alerting drivers and pedestrians. If the fuse is intact but the horn still isn’t working, the next step is to test the horn relay. The most likely reason why a car horn is not working is a blown fuse. With a blown fuse, the horn can't receive the power it needs. It can also stop working because the horn is broken or there’s a bad clock spring. Driving with a malfunctioning horn is dangerous because it reduces your ability to avoid road crashes by alerting drivers and pedestrians. When faced with a silent horn, intermittent sounds, or the horn going off unexpectedly while driving, it could be a sign of a malfunctioning horn relay. One way to troubleshoot this issue. If you hear the relay clicking, then you must have an open between the relay and the horn itself, or fuse 24 has failed. Power to the horn comes directly from the relay. Start with the fuse, as this is one of the most common issues. But an inoperative horn can also be caused by a bad horn switch in your steering wheel, a broken “clock spring” under the. The horn relay is an electrical switch that. Additionally, a faulty relay, wiring issues or a bad horn switch can also cause the same problems, making it impossible to blow the horn. Two symptoms of a faulty horn relay are a horn that’s stuck on and one that doesn’t work at all.
            
	
		 
	 
         
 
    
         
        From www.nomaallim.com 
                    How to easily fix a car horn that stopped working Car Horn Not Working But Relay Clicking  If the fuse is intact but the horn still isn’t working, the next step is to test the horn relay. Two symptoms of a faulty horn relay are a horn that’s stuck on and one that doesn’t work at all. The most likely reason why a car horn is not working is a blown fuse. If you hear the relay. Car Horn Not Working But Relay Clicking.
     
    
         
        From www.justanswer.com 
                    Troubleshooting a non working horn on a 2012 Tundra. No power to horn, no "clicking" heard from Car Horn Not Working But Relay Clicking  Power to the horn comes directly from the relay. The most likely reason why a car horn is not working is a blown fuse. If the fuse is intact but the horn still isn’t working, the next step is to test the horn relay. Driving with a malfunctioning horn is dangerous because it reduces your ability to avoid road crashes. Car Horn Not Working But Relay Clicking.
     
    
         
        From vehq.com 
                    Car Horn Not Working After Battery Change What Could Be Wrong? Car Horn Not Working But Relay Clicking  Start with the fuse, as this is one of the most common issues. One way to troubleshoot this issue. Driving with a malfunctioning horn is dangerous because it reduces your ability to avoid road crashes by alerting drivers and pedestrians. If you hear the relay clicking, then you must have an open between the relay and the horn itself, or. Car Horn Not Working But Relay Clicking.
     
    
         
        From elecdiags.com 
                    How to Properly Wire a Car Horn Relay for Improved Performance Car Horn Not Working But Relay Clicking  Power to the horn comes directly from the relay. But an inoperative horn can also be caused by a bad horn switch in your steering wheel, a broken “clock spring” under the. Additionally, a faulty relay, wiring issues or a bad horn switch can also cause the same problems, making it impossible to blow the horn. Two symptoms of a. Car Horn Not Working But Relay Clicking.
     
    
         
        From www.carparts.com 
                    Horn Relay What Is It and How to Tell If It’s Faulty In The Garage with Car Horn Not Working But Relay Clicking  Driving with a malfunctioning horn is dangerous because it reduces your ability to avoid road crashes by alerting drivers and pedestrians. Start with the fuse, as this is one of the most common issues. The most likely reason why a car horn is not working is a blown fuse. With a blown fuse, the horn can't receive the power it. Car Horn Not Working But Relay Clicking.
     
    
         
        From www.dubizzle.com 
                    Easy Steps to Fix a Car Horn Not Working Car Horn Not Working But Relay Clicking  With a blown fuse, the horn can't receive the power it needs. Power to the horn comes directly from the relay. The most likely reason why a car horn is not working is a blown fuse. But an inoperative horn can also be caused by a bad horn switch in your steering wheel, a broken “clock spring” under the. One. Car Horn Not Working But Relay Clicking.
     
    
         
        From www.youtube.com 
                    Replacing a Horn Relay • Cars Simplified Quick Tips YouTube Car Horn Not Working But Relay Clicking  Two symptoms of a faulty horn relay are a horn that’s stuck on and one that doesn’t work at all. Driving with a malfunctioning horn is dangerous because it reduces your ability to avoid road crashes by alerting drivers and pedestrians. If the fuse is intact but the horn still isn’t working, the next step is to test the horn. Car Horn Not Working But Relay Clicking.
     
    
         
        From partdiagramsleemnimbgg.z22.web.core.windows.net 
                    How To Fix Car Horn Not Working Car Horn Not Working But Relay Clicking  If you hear the relay clicking, then you must have an open between the relay and the horn itself, or fuse 24 has failed. When faced with a silent horn, intermittent sounds, or the horn going off unexpectedly while driving, it could be a sign of a malfunctioning horn relay. It can also stop working because the horn is broken. Car Horn Not Working But Relay Clicking.
     
    
         
        From www.youtube.com 
                    How to Fix a Car Horn Car Horn not Working YouTube Car Horn Not Working But Relay Clicking  The horn relay is an electrical switch that. One way to troubleshoot this issue. But an inoperative horn can also be caused by a bad horn switch in your steering wheel, a broken “clock spring” under the. Power to the horn comes directly from the relay. If the fuse is intact but the horn still isn’t working, the next step. Car Horn Not Working But Relay Clicking.
     
    
         
        From www.youtube.com 
                    citron berlingo horn not working when ignition on or driving how to fix YouTube Car Horn Not Working But Relay Clicking  When faced with a silent horn, intermittent sounds, or the horn going off unexpectedly while driving, it could be a sign of a malfunctioning horn relay. If you hear the relay clicking, then you must have an open between the relay and the horn itself, or fuse 24 has failed. But an inoperative horn can also be caused by a. Car Horn Not Working But Relay Clicking.
     
    
         
        From www.spyderlovers.com 
                    Horn Relay basics Car Horn Not Working But Relay Clicking  Driving with a malfunctioning horn is dangerous because it reduces your ability to avoid road crashes by alerting drivers and pedestrians. If the fuse is intact but the horn still isn’t working, the next step is to test the horn relay. Two symptoms of a faulty horn relay are a horn that’s stuck on and one that doesn’t work at. Car Horn Not Working But Relay Clicking.
     
    
         
        From www.2carpros.com 
                    Horn Relay Location Horn Not Working at All, Chirp When Locking Car Horn Not Working But Relay Clicking  Driving with a malfunctioning horn is dangerous because it reduces your ability to avoid road crashes by alerting drivers and pedestrians. Power to the horn comes directly from the relay. Start with the fuse, as this is one of the most common issues. The most likely reason why a car horn is not working is a blown fuse. If you. Car Horn Not Working But Relay Clicking.
     
    
         
        From 2020cadillac.com 
                    Horn Relay Wiring Diagram Cadician's Blog Car Horn Not Working But Relay Clicking  It can also stop working because the horn is broken or there’s a bad clock spring. Power to the horn comes directly from the relay. Two symptoms of a faulty horn relay are a horn that’s stuck on and one that doesn’t work at all. Start with the fuse, as this is one of the most common issues. If the. Car Horn Not Working But Relay Clicking.
     
    
         
        From garagefixwechsler101.z19.web.core.windows.net 
                    2007 Ford Explorer Horn Not Working Car Horn Not Working But Relay Clicking  Two symptoms of a faulty horn relay are a horn that’s stuck on and one that doesn’t work at all. With a blown fuse, the horn can't receive the power it needs. The horn relay is an electrical switch that. Power to the horn comes directly from the relay. If you hear the relay clicking, then you must have an. Car Horn Not Working But Relay Clicking.
     
    
         
        From despairrepair.com 
                    CAR HORNHOW TO FIXTESTREPLACEADJUST AND MORE Car Horn Not Working But Relay Clicking  With a blown fuse, the horn can't receive the power it needs. The most likely reason why a car horn is not working is a blown fuse. It can also stop working because the horn is broken or there’s a bad clock spring. Two symptoms of a faulty horn relay are a horn that’s stuck on and one that doesn’t. Car Horn Not Working But Relay Clicking.
     
    
         
        From njoubaa81.blogspot.com 
                    car horn not working and airbag light on Sammie Curtin Car Horn Not Working But Relay Clicking  The horn relay is an electrical switch that. It can also stop working because the horn is broken or there’s a bad clock spring. One way to troubleshoot this issue. Two symptoms of a faulty horn relay are a horn that’s stuck on and one that doesn’t work at all. The most likely reason why a car horn is not. Car Horn Not Working But Relay Clicking.
     
    
         
        From www.readersdigest.ca 
                    Why Your Car Horn is Not Working (And How to Fix It) Reader's Digest Car Horn Not Working But Relay Clicking  The horn relay is an electrical switch that. The most likely reason why a car horn is not working is a blown fuse. One way to troubleshoot this issue. Additionally, a faulty relay, wiring issues or a bad horn switch can also cause the same problems, making it impossible to blow the horn. It can also stop working because the. Car Horn Not Working But Relay Clicking.
     
    
         
        From www.youtube.com 
                    Car horn not working car horn problem solved mahinda kuv100 horn problem solved YouTube Car Horn Not Working But Relay Clicking  One way to troubleshoot this issue. If you hear the relay clicking, then you must have an open between the relay and the horn itself, or fuse 24 has failed. With a blown fuse, the horn can't receive the power it needs. Driving with a malfunctioning horn is dangerous because it reduces your ability to avoid road crashes by alerting. Car Horn Not Working But Relay Clicking.
     
    
         
        From www.carparts.com 
                    Horn Relay What Is It and How to Tell If It’s Faulty In The Garage with Car Horn Not Working But Relay Clicking  Driving with a malfunctioning horn is dangerous because it reduces your ability to avoid road crashes by alerting drivers and pedestrians. When faced with a silent horn, intermittent sounds, or the horn going off unexpectedly while driving, it could be a sign of a malfunctioning horn relay. Two symptoms of a faulty horn relay are a horn that’s stuck on. Car Horn Not Working But Relay Clicking.
     
    
         
        From www.youtube.com 
                    6 Causes Your Car Horn Not Working &How to Fix It YouTube Car Horn Not Working But Relay Clicking  The horn relay is an electrical switch that. With a blown fuse, the horn can't receive the power it needs. If the fuse is intact but the horn still isn’t working, the next step is to test the horn relay. One way to troubleshoot this issue. Two symptoms of a faulty horn relay are a horn that’s stuck on and. Car Horn Not Working But Relay Clicking.
     
    
         
        From www.youtube.com 
                    Horn Not Working? 7 Things to Check. YouTube Car Horn Not Working But Relay Clicking  Power to the horn comes directly from the relay. With a blown fuse, the horn can't receive the power it needs. Two symptoms of a faulty horn relay are a horn that’s stuck on and one that doesn’t work at all. When faced with a silent horn, intermittent sounds, or the horn going off unexpectedly while driving, it could be. Car Horn Not Working But Relay Clicking.
     
    
         
        From wuling.id 
                    About Car Horns That Every Car Owner Need to Know Wuling Car Horn Not Working But Relay Clicking  But an inoperative horn can also be caused by a bad horn switch in your steering wheel, a broken “clock spring” under the. One way to troubleshoot this issue. When faced with a silent horn, intermittent sounds, or the horn going off unexpectedly while driving, it could be a sign of a malfunctioning horn relay. Driving with a malfunctioning horn. Car Horn Not Working But Relay Clicking.
     
    
         
        From www.youtube.com 
                    DODGE CHARGER HORN RELAY LOCATION REPLACEMENT, HORN NOT WORKING YouTube Car Horn Not Working But Relay Clicking  The horn relay is an electrical switch that. With a blown fuse, the horn can't receive the power it needs. Power to the horn comes directly from the relay. The most likely reason why a car horn is not working is a blown fuse. Driving with a malfunctioning horn is dangerous because it reduces your ability to avoid road crashes. Car Horn Not Working But Relay Clicking.
     
    
         
        From repairmachinetextbildph.z22.web.core.windows.net 
                    Troubleshooting Car Horn Not Working Car Horn Not Working But Relay Clicking  But an inoperative horn can also be caused by a bad horn switch in your steering wheel, a broken “clock spring” under the. One way to troubleshoot this issue. Additionally, a faulty relay, wiring issues or a bad horn switch can also cause the same problems, making it impossible to blow the horn. Two symptoms of a faulty horn relay. Car Horn Not Working But Relay Clicking.
     
    
         
        From www.dubizzle.com 
                    Easy Steps to Fix a Car Horn Not Working Car Horn Not Working But Relay Clicking  If the fuse is intact but the horn still isn’t working, the next step is to test the horn relay. With a blown fuse, the horn can't receive the power it needs. Start with the fuse, as this is one of the most common issues. Driving with a malfunctioning horn is dangerous because it reduces your ability to avoid road. Car Horn Not Working But Relay Clicking.
     
    
         
        From www.pinterest.com 
                    4 Stunning Wiring Diagram Car Horn Relay For You , Car Horn Not Working But Relay Clicking  Driving with a malfunctioning horn is dangerous because it reduces your ability to avoid road crashes by alerting drivers and pedestrians. If you hear the relay clicking, then you must have an open between the relay and the horn itself, or fuse 24 has failed. With a blown fuse, the horn can't receive the power it needs. The horn relay. Car Horn Not Working But Relay Clicking.
     
    
         
        From www.dubizzle.com 
                    Easy Steps to Fix a Car Horn Not Working Car Horn Not Working But Relay Clicking  The horn relay is an electrical switch that. When faced with a silent horn, intermittent sounds, or the horn going off unexpectedly while driving, it could be a sign of a malfunctioning horn relay. Two symptoms of a faulty horn relay are a horn that’s stuck on and one that doesn’t work at all. If the fuse is intact but. Car Horn Not Working But Relay Clicking.
     
    
         
        From www.readersdigest.ca 
                    Why Your Car Horn is Not Working (And How to Fix It) Reader's Digest Car Horn Not Working But Relay Clicking  The most likely reason why a car horn is not working is a blown fuse. It can also stop working because the horn is broken or there’s a bad clock spring. If the fuse is intact but the horn still isn’t working, the next step is to test the horn relay. Power to the horn comes directly from the relay.. Car Horn Not Working But Relay Clicking.
     
    
         
        From www.circuitdiagram.co 
                    Wire Car Horn Wiring Diagram Manual Circuit Diagram Car Horn Not Working But Relay Clicking  One way to troubleshoot this issue. Power to the horn comes directly from the relay. It can also stop working because the horn is broken or there’s a bad clock spring. If you hear the relay clicking, then you must have an open between the relay and the horn itself, or fuse 24 has failed. Start with the fuse, as. Car Horn Not Working But Relay Clicking.
     
    
         
        From www.readersdigest.ca 
                    Why Your Car Horn is Not Working (And How to Fix It) Reader's Digest Car Horn Not Working But Relay Clicking  Two symptoms of a faulty horn relay are a horn that’s stuck on and one that doesn’t work at all. One way to troubleshoot this issue. But an inoperative horn can also be caused by a bad horn switch in your steering wheel, a broken “clock spring” under the. If you hear the relay clicking, then you must have an. Car Horn Not Working But Relay Clicking.
     
    
         
        From wiringdiagramcambering.z21.web.core.windows.net 
                    Horn Relay Circuit Diagram Car Horn Not Working But Relay Clicking  When faced with a silent horn, intermittent sounds, or the horn going off unexpectedly while driving, it could be a sign of a malfunctioning horn relay. Two symptoms of a faulty horn relay are a horn that’s stuck on and one that doesn’t work at all. One way to troubleshoot this issue. It can also stop working because the horn. Car Horn Not Working But Relay Clicking.
     
    
         
        From www.yourmechanic.com 
                    How to Fix a Car Horn YourMechanic Advice Car Horn Not Working But Relay Clicking  Additionally, a faulty relay, wiring issues or a bad horn switch can also cause the same problems, making it impossible to blow the horn. Driving with a malfunctioning horn is dangerous because it reduces your ability to avoid road crashes by alerting drivers and pedestrians. When faced with a silent horn, intermittent sounds, or the horn going off unexpectedly while. Car Horn Not Working But Relay Clicking.
     
    
         
        From www.autoevolution.com 
                    Car Horn Not Working? Here Are the Potential Causes and How to Fix It Yourself autoevolution Car Horn Not Working But Relay Clicking  It can also stop working because the horn is broken or there’s a bad clock spring. The most likely reason why a car horn is not working is a blown fuse. If you hear the relay clicking, then you must have an open between the relay and the horn itself, or fuse 24 has failed. If the fuse is intact. Car Horn Not Working But Relay Clicking.
     
    
         
        From schematiceremiticob8hi3.z13.web.core.windows.net 
                    Car Horn Wiring Diagram With Relay Car Horn Not Working But Relay Clicking  The most likely reason why a car horn is not working is a blown fuse. Additionally, a faulty relay, wiring issues or a bad horn switch can also cause the same problems, making it impossible to blow the horn. Start with the fuse, as this is one of the most common issues. With a blown fuse, the horn can't receive. Car Horn Not Working But Relay Clicking.
     
    
         
        From repairfixmortgaged.z21.web.core.windows.net 
                    Troubleshooting Car Horn Not Working Car Horn Not Working But Relay Clicking  If you hear the relay clicking, then you must have an open between the relay and the horn itself, or fuse 24 has failed. Power to the horn comes directly from the relay. With a blown fuse, the horn can't receive the power it needs. The most likely reason why a car horn is not working is a blown fuse.. Car Horn Not Working But Relay Clicking.