Behringer Mixer Problems . I ruled out the microphone, mic cable, and the behringer as being the issue because when listening to the direct monitoring. After i took it apart, i discovered that the 1000uf and 470uf caps were bad (bulging). Behringer has a bad reputation and yep they are low cost but those xenyx mixers are not bad at all. I have a behringer x2442usb mixer that had a loud hum, which suggests the power supply. Get the service manual and check the input op. As mentioned, best bet would be to inject a signal and. There is a heat sink on the side connected to 3 voltage regulators: You could have one/many faulty cables or a bad s16 that corrupts the data. It could be as simple as a bad solder or flat cable / connector. If this is the case you may have two issues. Get useful information or support about a behringer product. Open it and take a look. 16v dc supply not functional due to. I fixed a behringer bd212d which did not powered up recently: If you have all voltages there should be no.
from www.elektroda.pl
Get useful information or support about a behringer product. Get the service manual and check the input op. 16v dc supply not functional due to. If you have all voltages there should be no. Behringer has a bad reputation and yep they are low cost but those xenyx mixers are not bad at all. I have a behringer x2442usb mixer that had a loud hum, which suggests the power supply. Open it and take a look. I fixed a behringer bd212d which did not powered up recently: You could have one/many faulty cables or a bad s16 that corrupts the data. It could be as simple as a bad solder or flat cable / connector.
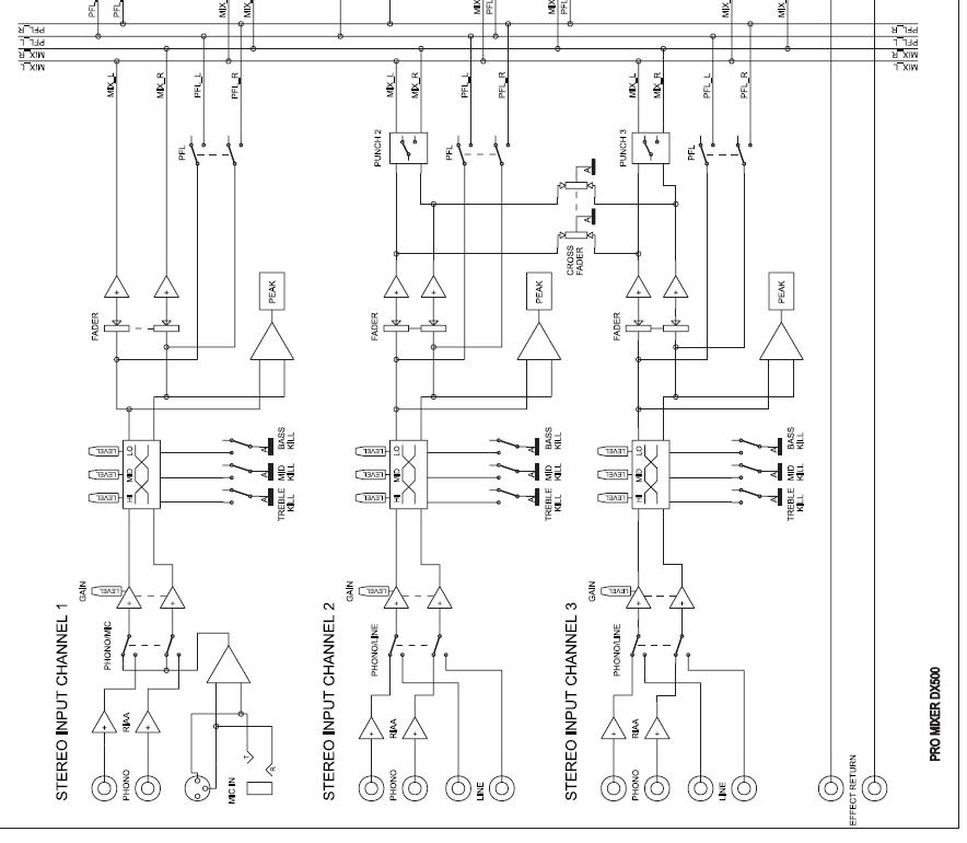
Mixer BEHRINGER DX500 problem z potencjometrem suwakowym
Behringer Mixer Problems There is a heat sink on the side connected to 3 voltage regulators: If you have all voltages there should be no. After i took it apart, i discovered that the 1000uf and 470uf caps were bad (bulging). You could have one/many faulty cables or a bad s16 that corrupts the data. It could be as simple as a bad solder or flat cable / connector. I have a behringer x2442usb mixer that had a loud hum, which suggests the power supply. There is a heat sink on the side connected to 3 voltage regulators: 16v dc supply not functional due to. I ruled out the microphone, mic cable, and the behringer as being the issue because when listening to the direct monitoring. Get useful information or support about a behringer product. Open it and take a look. Get the service manual and check the input op. If this is the case you may have two issues. I'd have a go at fixing it. I fixed a behringer bd212d which did not powered up recently: Behringer has a bad reputation and yep they are low cost but those xenyx mixers are not bad at all.
From www.youtube.com
Behringer X1832 Fader Problems YouTube Behringer Mixer Problems As mentioned, best bet would be to inject a signal and. After i took it apart, i discovered that the 1000uf and 470uf caps were bad (bulging). Get the service manual and check the input op. Open it and take a look. I have a behringer x2442usb mixer that had a loud hum, which suggests the power supply. I fixed. Behringer Mixer Problems.
From www.feelgoodevents.com.au
How To Setup & Operate A Behringer Mixer Feel Good Events Behringer Mixer Problems You could have one/many faulty cables or a bad s16 that corrupts the data. After i took it apart, i discovered that the 1000uf and 470uf caps were bad (bulging). Behringer has a bad reputation and yep they are low cost but those xenyx mixers are not bad at all. As mentioned, best bet would be to inject a signal. Behringer Mixer Problems.
From www.youtube.com
Problems with behringer bcf200 YouTube Behringer Mixer Problems Get useful information or support about a behringer product. I fixed a behringer bd212d which did not powered up recently: As mentioned, best bet would be to inject a signal and. Behringer has a bad reputation and yep they are low cost but those xenyx mixers are not bad at all. 16v dc supply not functional due to. Open it. Behringer Mixer Problems.
From mavink.com
Behringer Xenyx Mixer Schematic Behringer Mixer Problems As mentioned, best bet would be to inject a signal and. If you have all voltages there should be no. I fixed a behringer bd212d which did not powered up recently: If this is the case you may have two issues. 16v dc supply not functional due to. It could be as simple as a bad solder or flat cable. Behringer Mixer Problems.
From www.youtube.com
Behringer XYNYXX2222USB Mixer w/ USB and Effects Repair! Slide/Fader Behringer Mixer Problems You could have one/many faulty cables or a bad s16 that corrupts the data. I have a behringer x2442usb mixer that had a loud hum, which suggests the power supply. Get the service manual and check the input op. There is a heat sink on the side connected to 3 voltage regulators: I ruled out the microphone, mic cable, and. Behringer Mixer Problems.
From www.elektroda.pl
Mixer BEHRINGER DX500 problem z potencjometrem suwakowym Behringer Mixer Problems If you have all voltages there should be no. You could have one/many faulty cables or a bad s16 that corrupts the data. I have a behringer x2442usb mixer that had a loud hum, which suggests the power supply. I'd have a go at fixing it. Open it and take a look. I fixed a behringer bd212d which did not. Behringer Mixer Problems.
From www.storedj.com.au
Behringer Xenyx 1202SFX 12Input Mixer w/ USB & Klark Teknik Effects Behringer Mixer Problems Open it and take a look. Get useful information or support about a behringer product. I ruled out the microphone, mic cable, and the behringer as being the issue because when listening to the direct monitoring. If this is the case you may have two issues. 16v dc supply not functional due to. I fixed a behringer bd212d which did. Behringer Mixer Problems.
From www.youtube.com
finally upgrading my old Behringer mixer // Xenyx 802S YouTube Behringer Mixer Problems After i took it apart, i discovered that the 1000uf and 470uf caps were bad (bulging). As mentioned, best bet would be to inject a signal and. I'd have a go at fixing it. I fixed a behringer bd212d which did not powered up recently: Get the service manual and check the input op. If you have all voltages there. Behringer Mixer Problems.
From www.youtube.com
behringer s16 power problem YouTube Behringer Mixer Problems Open it and take a look. I fixed a behringer bd212d which did not powered up recently: Behringer has a bad reputation and yep they are low cost but those xenyx mixers are not bad at all. You could have one/many faulty cables or a bad s16 that corrupts the data. Get useful information or support about a behringer product.. Behringer Mixer Problems.
From www.youtube.com
A BEHRINGER S16 PROBLEM YouTube Behringer Mixer Problems I ruled out the microphone, mic cable, and the behringer as being the issue because when listening to the direct monitoring. Get useful information or support about a behringer product. I fixed a behringer bd212d which did not powered up recently: Behringer has a bad reputation and yep they are low cost but those xenyx mixers are not bad at. Behringer Mixer Problems.
From www.youtube.com
How to Solve Behringer P16 Volume Problems YouTube Behringer Mixer Problems Open it and take a look. It could be as simple as a bad solder or flat cable / connector. 16v dc supply not functional due to. I'd have a go at fixing it. You could have one/many faulty cables or a bad s16 that corrupts the data. I have a behringer x2442usb mixer that had a loud hum, which. Behringer Mixer Problems.
From device.report
behringer XENYX 1202 Mixer with Effects User Guide Behringer Mixer Problems I fixed a behringer bd212d which did not powered up recently: 16v dc supply not functional due to. If you have all voltages there should be no. Behringer has a bad reputation and yep they are low cost but those xenyx mixers are not bad at all. It could be as simple as a bad solder or flat cable /. Behringer Mixer Problems.
From www.elektroda.pl
Mixer BEHRINGER DX500 problem z potencjometrem suwakowym Behringer Mixer Problems If this is the case you may have two issues. Get the service manual and check the input op. I'd have a go at fixing it. Get useful information or support about a behringer product. You could have one/many faulty cables or a bad s16 that corrupts the data. There is a heat sink on the side connected to 3. Behringer Mixer Problems.
From www.youtube.com
live05252024 NASQ Chill Zone, Good Afternoon, Behringer Q1202USB mixer Behringer Mixer Problems You could have one/many faulty cables or a bad s16 that corrupts the data. After i took it apart, i discovered that the 1000uf and 470uf caps were bad (bulging). It could be as simple as a bad solder or flat cable / connector. I'd have a go at fixing it. If you have all voltages there should be no.. Behringer Mixer Problems.
From techdiagrammer.com
DIY Behringer Mixer Power Supply Schematic StepbyStep Guide Behringer Mixer Problems If you have all voltages there should be no. As mentioned, best bet would be to inject a signal and. Behringer has a bad reputation and yep they are low cost but those xenyx mixers are not bad at all. I ruled out the microphone, mic cable, and the behringer as being the issue because when listening to the direct. Behringer Mixer Problems.
From www.youtube.com
Behringer xenyx 1832 mixer..power supply Problem YouTube Behringer Mixer Problems Get the service manual and check the input op. Behringer has a bad reputation and yep they are low cost but those xenyx mixers are not bad at all. You could have one/many faulty cables or a bad s16 that corrupts the data. Get useful information or support about a behringer product. There is a heat sink on the side. Behringer Mixer Problems.
From www.youtube.com
Behringer X32 Problems YouTube Behringer Mixer Problems If this is the case you may have two issues. Behringer has a bad reputation and yep they are low cost but those xenyx mixers are not bad at all. There is a heat sink on the side connected to 3 voltage regulators: After i took it apart, i discovered that the 1000uf and 470uf caps were bad (bulging). I. Behringer Mixer Problems.
From www.amazon.in
Behringer MixerUnpowered (XENYX 802S) Amazon.in Musical Instruments Behringer Mixer Problems There is a heat sink on the side connected to 3 voltage regulators: It could be as simple as a bad solder or flat cable / connector. 16v dc supply not functional due to. Behringer has a bad reputation and yep they are low cost but those xenyx mixers are not bad at all. I ruled out the microphone, mic. Behringer Mixer Problems.
From cannonsound.com.au
Behringer X AIR XR16 16Channel, 16Input Digital Mixer Cannon Sound Behringer Mixer Problems I'd have a go at fixing it. If you have all voltages there should be no. Open it and take a look. 16v dc supply not functional due to. I ruled out the microphone, mic cable, and the behringer as being the issue because when listening to the direct monitoring. It could be as simple as a bad solder or. Behringer Mixer Problems.
From www.sweetwater.com
Behringer Xenyx X2222USB Mixer with USB and Effects Sweetwater Behringer Mixer Problems If this is the case you may have two issues. You could have one/many faulty cables or a bad s16 that corrupts the data. As mentioned, best bet would be to inject a signal and. I ruled out the microphone, mic cable, and the behringer as being the issue because when listening to the direct monitoring. I fixed a behringer. Behringer Mixer Problems.
From www.gear4music.ch
Behringer Xenyx X1222USB Mixer Gear4music Behringer Mixer Problems 16v dc supply not functional due to. I ruled out the microphone, mic cable, and the behringer as being the issue because when listening to the direct monitoring. Open it and take a look. You could have one/many faulty cables or a bad s16 that corrupts the data. Get the service manual and check the input op. As mentioned, best. Behringer Mixer Problems.
From techdiagrammer.com
DIY Behringer Mixer Power Supply Schematic StepbyStep Guide Behringer Mixer Problems I have a behringer x2442usb mixer that had a loud hum, which suggests the power supply. If you have all voltages there should be no. There is a heat sink on the side connected to 3 voltage regulators: Behringer has a bad reputation and yep they are low cost but those xenyx mixers are not bad at all. Get the. Behringer Mixer Problems.
From www.reddit.com
Stream set up running..problems with Audio & Behringer Xenyx 1202USB Behringer Mixer Problems If you have all voltages there should be no. I have a behringer x2442usb mixer that had a loud hum, which suggests the power supply. 16v dc supply not functional due to. It could be as simple as a bad solder or flat cable / connector. Get useful information or support about a behringer product. Open it and take a. Behringer Mixer Problems.
From www.youtube.com
Behringer Eurodesk MX 9000 Analog Mixer Pt.2 The PROBLEMS We Had With Behringer Mixer Problems It could be as simple as a bad solder or flat cable / connector. Open it and take a look. 16v dc supply not functional due to. There is a heat sink on the side connected to 3 voltage regulators: Get useful information or support about a behringer product. If you have all voltages there should be no. I have. Behringer Mixer Problems.
From en.audiofanzine.com
Behringer DDX3216 image (634052) Audiofanzine Behringer Mixer Problems It could be as simple as a bad solder or flat cable / connector. Get the service manual and check the input op. Behringer has a bad reputation and yep they are low cost but those xenyx mixers are not bad at all. If this is the case you may have two issues. I'd have a go at fixing it.. Behringer Mixer Problems.
From www.youtube.com
behringer mixer problems behringer power supply issue solved problem Behringer Mixer Problems If you have all voltages there should be no. Open it and take a look. Behringer has a bad reputation and yep they are low cost but those xenyx mixers are not bad at all. You could have one/many faulty cables or a bad s16 that corrupts the data. Get the service manual and check the input op. If this. Behringer Mixer Problems.
From www.reddit.com
Output problems with Behringer Q1202USB mixer? r/podcasting Behringer Mixer Problems I ruled out the microphone, mic cable, and the behringer as being the issue because when listening to the direct monitoring. I fixed a behringer bd212d which did not powered up recently: After i took it apart, i discovered that the 1000uf and 470uf caps were bad (bulging). Open it and take a look. There is a heat sink on. Behringer Mixer Problems.
From www.youtube.com
Behringer Pro 1 Problems YouTube Behringer Mixer Problems 16v dc supply not functional due to. Get useful information or support about a behringer product. It could be as simple as a bad solder or flat cable / connector. There is a heat sink on the side connected to 3 voltage regulators: Open it and take a look. If this is the case you may have two issues. I. Behringer Mixer Problems.
From www.elektroda.pl
Mixer BEHRINGER DX500 problem z potencjometrem suwakowym Behringer Mixer Problems As mentioned, best bet would be to inject a signal and. I ruled out the microphone, mic cable, and the behringer as being the issue because when listening to the direct monitoring. 16v dc supply not functional due to. If this is the case you may have two issues. It could be as simple as a bad solder or flat. Behringer Mixer Problems.
From www.youtube.com
Behringer Flow8, Mic Noise Problems Anderton's customer service Behringer Mixer Problems You could have one/many faulty cables or a bad s16 that corrupts the data. It could be as simple as a bad solder or flat cable / connector. If this is the case you may have two issues. I ruled out the microphone, mic cable, and the behringer as being the issue because when listening to the direct monitoring. 16v. Behringer Mixer Problems.
From www.youtube.com
How to Connect Behringer P16s to an Analog Mixer YouTube Behringer Mixer Problems It could be as simple as a bad solder or flat cable / connector. Behringer has a bad reputation and yep they are low cost but those xenyx mixers are not bad at all. I have a behringer x2442usb mixer that had a loud hum, which suggests the power supply. Open it and take a look. Get useful information or. Behringer Mixer Problems.
From techdiagrammer.com
DIY Behringer Mixer Power Supply Schematic StepbyStep Guide Behringer Mixer Problems I have a behringer x2442usb mixer that had a loud hum, which suggests the power supply. It could be as simple as a bad solder or flat cable / connector. As mentioned, best bet would be to inject a signal and. Behringer has a bad reputation and yep they are low cost but those xenyx mixers are not bad at. Behringer Mixer Problems.
From www.youtube.com
ឌីជីថល Mixer Behringer Flow 8 YouTube Behringer Mixer Problems As mentioned, best bet would be to inject a signal and. If this is the case you may have two issues. Behringer has a bad reputation and yep they are low cost but those xenyx mixers are not bad at all. Open it and take a look. Get the service manual and check the input op. You could have one/many. Behringer Mixer Problems.
From www.elektroda.pl
Mixer BEHRINGER DX500 problem z potencjometrem suwakowym Behringer Mixer Problems I ruled out the microphone, mic cable, and the behringer as being the issue because when listening to the direct monitoring. Get the service manual and check the input op. You could have one/many faulty cables or a bad s16 that corrupts the data. If this is the case you may have two issues. Behringer has a bad reputation and. Behringer Mixer Problems.
From galerimusikindonesia.com
Jual Behringer Xenyx 802S 8 Input Analog Mixer FREE Ongkir Behringer Mixer Problems There is a heat sink on the side connected to 3 voltage regulators: It could be as simple as a bad solder or flat cable / connector. I'd have a go at fixing it. I fixed a behringer bd212d which did not powered up recently: After i took it apart, i discovered that the 1000uf and 470uf caps were bad. Behringer Mixer Problems.